User Tag List

Страница 1 из 2 12 ПоследняяПоследняя
Показано с 1 по 10 из 12

Тема: Разные схемы видеовыхода Ленинградок

  1. #1

    Регистрация
    17.05.2018
    Адрес
    г. Москва
    Сообщений
    369
    Спасибо Благодарностей отдано 
    156
    Спасибо Благодарностей получено 
    34
    Поблагодарили
    24 сообщений
    Mentioned
    0 Post(s)
    Tagged
    0 Thread(s)

    По умолчанию Разные схемы видеовыхода Ленинградок

    васем привет, небольшое интро - ленинградки (оказалось были "композитом" со схемой на двух листах, лежит на радиокоте) в юности спаивал десятками, на продажу. сам пользовался видеовыходм на чб телек
    надевно решил пересобрать новодельную плату, но сломался о разницу в схемах
    есть две "разные" свехмы, слева от зх кит и мик, спава то что выложено на zxlive
    как видим, они одинаковые, но сильно разнятся номиналы резисторов.
    р28 р33 р34 по 2к справа там где слева уже 3 к (r41 r42 r42 справа)
    р49 10к против р47 300 справа

    ну и так далее - разница в разы по резисторам. соотв вопрос - какой вариант более верный?
    в оригинале вообще было помню все резисторы по 680 и 200 ом...
    поделитесь правильным вариантом заранее спасибо
    схемы тут
    https://ibb.co/JQc1QxN

  2. #1
    С любовью к вам, Yandex.Direct
    Размещение рекламы на форуме способствует его дальнейшему развитию

  3. #2

    Регистрация
    17.05.2018
    Адрес
    г. Москва
    Сообщений
    369
    Спасибо Благодарностей отдано 
    156
    Спасибо Благодарностей получено 
    34
    Поблагодарили
    24 сообщений
    Mentioned
    0 Post(s)
    Tagged
    0 Thread(s)

    По умолчанию

    по хорошей традиции - сам спросил - сам отвечаю!
    итак - справа - ленинградка 2012, с еще одним транзистором - на нем усиливается смешанный композитный сигнал
    в оригинальной схеме композита нет, там какая то шляпа. да и вообще перепутаны понятия видео и синхра. то что видео - ето для скарта синхра
    а просто синхра - не подготовленная. в любом случае - композита там нет
    есть еще схема http://sblive.narod.ru/ZX-Spectrum/L...ningrad48k.htm
    там то что в ленинградке 2010 - с другими, по сравнению с оригиналом резиторами. резисторы же из оригинала годятся тоьлко для старого телика - если видео подавать прямо на кинескоп (в чб варианте - вот тут пригодится V - видео)

    записка самому себе - лениградку 1 просто так к современному телику не подключить, надо колхозить композит самому + транзистор, взять из схемы 2012 года.
    спасибо-пожалуста

  4. #3

    Регистрация
    01.04.2020
    Адрес
    г. Екатеринбург
    Сообщений
    573
    Спасибо Благодарностей отдано 
    214
    Спасибо Благодарностей получено 
    156
    Поблагодарили
    109 сообщений
    Mentioned
    0 Post(s)
    Tagged
    0 Thread(s)

    По умолчанию

    У Ленинграда одна из самых нормальных аналоговых частей. Всё там в этом плане хорошо. Ч/Б видео работает нормально. У Ленинграда проблема в другом - нестандартный строчный синхроимпульс, точнее его отсутствие. Вместо него строчный гасящий импульс. Также проблема с гашением лучей. В номиналах проблем нет, можно использовать из оригинальной схемы. Надо дорабатывать цифровую часть, о которой миллион раз говорилось.

  5. #4

    Регистрация
    17.05.2018
    Адрес
    г. Москва
    Сообщений
    369
    Спасибо Благодарностей отдано 
    156
    Спасибо Благодарностей получено 
    34
    Поблагодарили
    24 сообщений
    Mentioned
    0 Post(s)
    Tagged
    0 Thread(s)

    По умолчанию

    Цитата Сообщение от Shofer Посмотреть сообщение
    можно использовать из оригинальной схемы
    тогда снова вопрос. почему в оригинале (пара резистор-диод) номинал рещистора 680
    в ленинградке 2010 - уже 3К
    а в ленинградке 2012 (от zxkit) уже 10К - чего схематехнически добиваются - уровня сигнала для современного тв/монитора? или что то иное?

  6. #5

    Регистрация
    30.12.2018
    Адрес
    г. Москва
    Сообщений
    1,378
    Спасибо Благодарностей отдано 
    12
    Спасибо Благодарностей получено 
    385
    Поблагодарили
    347 сообщений
    Mentioned
    2 Post(s)
    Tagged
    0 Thread(s)

    По умолчанию

    Цитата Сообщение от crrush Посмотреть сообщение
    тогда снова вопрос. почему в оригинале (пара резистор-диод) номинал рещистора 680
    в ленинградке 2010 - уже 3К
    а в ленинградке 2012 (от zxkit) уже 10К - чего схематехнически добиваются - уровня сигнала для современного тв/монитора? или что то иное?
    они должны быть связаны с номиналами резисторов с 4, 7 и 9 ног мультиплексора. их соотношение определяет размах сигнала на нормальной яркости. сами по себе номиналы могут быть в довольно широком диапазоне.

    Зверинецъ

    Специалист (был когда-то "совсем стандарт") - 1988-2023
    Ленинград1 +256К +AY+BDI+VGA выход +Ethernet (Speccyboot) +Xmodem (115200)+divmmc
    Ленинград2 + CF карта
    Платформа 8085+Z80+CPLD (Специалист МХ2 +SD +FDD +PS/2kbd)
    БК0010-01 стоковый
    [свернуть]

  7. #6

    Регистрация
    31.05.2022
    Адрес
    г. Москва
    Сообщений
    19
    Спасибо Благодарностей отдано 
    5
    Спасибо Благодарностей получено 
    4
    Поблагодарили
    3 сообщений
    Mentioned
    0 Post(s)
    Tagged
    0 Thread(s)

    По умолчанию

    Приветствую, форумчан! Похожий вопрос, решил вспомнить спектрумовскую молодость, по гербер файлу уважаемого Mick, собрал Ленинград 2. После месяца мучений в попытке его запустить - запустил(оказывается логика 74ls*** в некоторых случаях не работает, требуются советские микросхемы).Дальше снова проблемы. Смог вывести Ч\Б изображение на кинескопный телевизор, но ни один Ж.К. не определил видеосигнал. Гугл не дал советов, пришлось разводить плату кодера PAL. Выяснил, что AD724 самый популярный вариант, добавил на всякий случай синхросепаратор LM1881N. После сборки получил долгожданное изображение на LCD телевизоре, но с цветами беда. Когда компоненты RGB выкручены в минимум(15 процентов подстроечника выкручено) - малая контрастность, помехи. Ставишь больше уровень, цвет пропадает, телевизор переключается в СЕКАМ. Синхру подавал и от сепаратора, и с вывода 1 DD21, разницы нет. Сам кодер PAL собирал по даташиту AD724. Есть ли готовые схемы кодеров для Ленинрада 2? И на какой микросхеме лучше делать?

  8. #7

    Регистрация
    24.10.2018
    Адрес
    г. Оренбург
    Сообщений
    152
    Записей в дневнике
    5
    Спасибо Благодарностей отдано 
    34
    Спасибо Благодарностей получено 
    12
    Поблагодарили
    10 сообщений
    Mentioned
    0 Post(s)
    Tagged
    0 Thread(s)

    По умолчанию

    Цитата Сообщение от SerOne Посмотреть сообщение
    Приветствую, форумчан! Похожий вопрос, решил вспомнить спектрумовскую молодость, по гербер файлу уважаемого Mick, собрал Ленинград 2. После месяца мучений в попытке его запустить - запустил(оказывается логика 74ls*** в некоторых случаях не работает, требуются советские микросхемы).Дальше снова проблемы. Смог вывести Ч\Б изображение на кинескопный телевизор, но ни один Ж.К. не определил видеосигнал.
    гм.. странные у вас проблемы :-(
    (хотя наверное уже решили)
    всего то нужно:

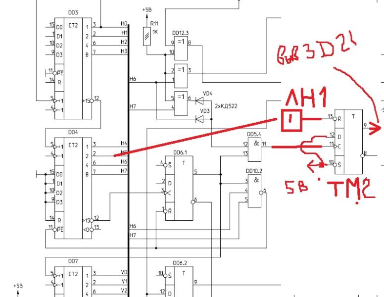
    1 - укоротить сси - обычно укорачиванием с подмешиванием H5 (как раз с 9 мкс укоротится до 4.5 примерно)
    для ленинграда-1 это буквально пара диодов и резистор, и может быть еще кондер (но не обязательно)
    Нажмите на изображение для увеличения. 

Название:	укорачивание сси для ленинграда-1.jpg 
Просмотров:	472 
Размер:	22.0 Кб 
ID:	78937

    для некоторых схем можно сделать на ТМ2 и инверторе (нужно смотреть как генерируется ССИ)..
    Нажмите на изображение для увеличения. 

Название:	укорачивание сси для ленинграда-2.jpg 
Просмотров:	461 
Размер:	53.5 Кб 
ID:	78939

    2 - сформировать уровень черного в течении еще 5 мкс..
    и все телеки будут нормально показывать... здесь правда тонкость - лучше использовать смесь Н3 Н4 (обычно по интернету гуляет схема с H5 и она на современных телеках даст черную полосу левее бордера, на ЭЛТ телеках этого эффекта обычно нет)...
    Нажмите на изображение для увеличения. 

Название:	привязка уровня черного.jpg 
Просмотров:	466 
Размер:	40.4 Кб 
ID:	78938
    схема для ленинграда-1, но у второго по тому же принципу делать, только там выходной мультиплексор будет иметь наверное свой номер по схеме...
    и все будет хорошо... в том числе на новых телеках...
    Последний раз редактировалось ВитГо; 30.05.2023 в 19:52.

    Эти 3 пользователя(ей) поблагодарили ВитГо за это полезное сообщение:

    crrush(25.08.2023), Geolog(24.08.2023), Terabiterr(01.01.2024)

  9. #8

    Регистрация
    24.08.2023
    Адрес
    г. Бугульма
    Сообщений
    3
    Спасибо Благодарностей отдано 
    3
    Спасибо Благодарностей получено 
    1
    Поблагодарили
    1 сообщение
    Mentioned
    0 Post(s)
    Tagged
    0 Thread(s)

    По умолчанию

    О- Здравствуйте Виталий))) Я только зарегался на форуме- хотел поделиться с товарищами вашей схемой коррекции Ленинграда, которую мы вымучили тогда по телеграмму))) А вы уже все тут добавили) Рад видеть)

    Этот пользователь поблагодарил Geolog за это полезное сообщение:

    ВитГо(21.01.2024)

  10. #9

    Регистрация
    30.05.2007
    Адрес
    г. Лянтор, Сургутского р-на, ХМАО
    Сообщений
    4,436
    Спасибо Благодарностей отдано 
    163
    Спасибо Благодарностей получено 
    190
    Поблагодарили
    121 сообщений
    Mentioned
    5 Post(s)
    Tagged
    0 Thread(s)

    По умолчанию

    Ещё бы откорректировали название темы в сторону правописания.

  11. #10

    Регистрация
    18.10.2010
    Адрес
    Tallinn, Estonia
    Сообщений
    53
    Спасибо Благодарностей отдано 
    18
    Спасибо Благодарностей получено 
    0
    Поблагодарили
    0 сообщений
    Mentioned
    0 Post(s)
    Tagged
    0 Thread(s)

    По умолчанию

    А можно к черно-белому композитному выходу Ленинград48 подключить напрямую сигналы rgb чтобы получить цветной композит?
    Dendy/ Sega MEGA Drive 1/2 /Sega SATURN/ SEGA DREAMCAST/ XBOX/ PLAYSTATION1/2/ GAMECUBE/zx evo/ AMIGA CD32/ PANASONIC 3DO/

Страница 1 из 2 12 ПоследняяПоследняя

Информация о теме

Пользователи, просматривающие эту тему

Эту тему просматривают: 1 (пользователей: 0 , гостей: 1)

Похожие темы

  1. Разные схемы контролеров дисководов
    от Asd1995sse в разделе Внешние накопители
    Ответов: 2
    Последнее: 31.08.2011, 10:29
  2. Диагностика видеовыхода
    от Sonic в разделе Изображение
    Ответов: 1
    Последнее: 07.07.2007, 14:48
  3. Разъем видеовыхода
    от TomCaT в разделе Изображение
    Ответов: 8
    Последнее: 26.01.2007, 15:47

Ваши права

  • Вы не можете создавать новые темы
  • Вы не можете отвечать в темах
  • Вы не можете прикреплять вложения
  • Вы не можете редактировать свои сообщения
  •