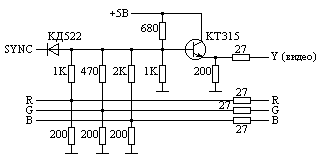
Люди добрые скажите номеналы резисторов для простейшего подключения спектрума к видеовходу тв.
PS. Если УФ ПЗУ засветилось или стёрто, обязан ли быть растр (судя по принципу работы да), а на самом деле
----------------------------------------------------------------------
>>>> POKE 45000,118: USR 45000
Добавлено через 10 минут
..И ещё вопрос в догонку...позже я понял что затупил в подписи. ведь немаскируемое прерывание в спектруме это обратный ход луча. Правда, что выполнения команды HLD, не повесит комп, а просто остановит до начала обратного хода?




Ответить с цитированием
Размещение рекламы на форуме способствует его дальнейшему развитию 


