User Tag List

Показано с 1 по 6 из 6

Тема: Подскажите схему для сложения 2 шт. 15-бит чисел

  1. #1

    Регистрация
    20.04.2013
    Адрес
    г. Павловский Посад
    Сообщений
    4,246
    Спасибо Благодарностей отдано 
    498
    Спасибо Благодарностей получено 
    557
    Поблагодарили
    436 сообщений
    Mentioned
    42 Post(s)
    Tagged
    0 Thread(s)

    По умолчанию Подскажите схему для сложения 2 шт. 15-бит чисел

    Уважаемые радиолюбители, пожалуйста, подскажите схемное решение для быстрого сложения 2 шт. 15-бит двоичных чисел, с быстродействием не более 100 нс. Выход - 16-бит число.
    Блог : http://collectingrd.kxk.ru/ . В ЛС прошу не писать, все сообщения MMTEMA@MAIL.RU

  2. #1
    С любовью к вам, Yandex.Direct
    Размещение рекламы на форуме способствует его дальнейшему развитию

  3. #2

    Регистрация
    03.09.2019
    Адрес
    г. Калуга
    Сообщений
    195
    Спасибо Благодарностей отдано 
    13
    Спасибо Благодарностей получено 
    39
    Поблагодарили
    33 сообщений
    Mentioned
    0 Post(s)
    Tagged
    0 Thread(s)

    По умолчанию

    любая CPLD в корпусе больше чем 44 ноги, это если без предрассудков.
    или три восьмибитных быстрых пзу, с перекидыванием разряда переполнения данных из младшей на адрес в старшую (три потому, что из 2-х получить 16 на выходе из за переполнения в младшей пзу не получится.)
    или две 16 бит, тогда скорость меньше, найти проще...

  4. #3

    Регистрация
    23.11.2015
    Адрес
    г. Ростов-на-Дону
    Сообщений
    707
    Спасибо Благодарностей отдано 
    264
    Спасибо Благодарностей получено 
    215
    Поблагодарили
    152 сообщений
    Mentioned
    2 Post(s)
    Tagged
    0 Thread(s)

    По умолчанию

    CPLD конечно проще всего, если не учитывать, что больше 44 ног в корпусе TQFP - это уже 100 ног с шагом 0,5 мм.
    Либо искать древнюю Max 7000S в корпусе PLCC-84.

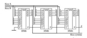
    Ещё как вариант - четыре штуки 74LS283. На али в достатке.

    Этот пользователь поблагодарил Rio444 за это полезное сообщение:

    MM(29.10.2022)

  5. #4

    Регистрация
    20.04.2013
    Адрес
    г. Павловский Посад
    Сообщений
    4,246
    Спасибо Благодарностей отдано 
    498
    Спасибо Благодарностей получено 
    557
    Поблагодарили
    436 сообщений
    Mentioned
    42 Post(s)
    Tagged
    0 Thread(s)

    По умолчанию

    Цитата Сообщение от Rio444 Посмотреть сообщение
    вариант - четыре штуки 74LS283


    Т.е. например если на 1-м входе число 00121, а на втором входе - 10002, на выходе будет число 10123 ?
    Блог : http://collectingrd.kxk.ru/ . В ЛС прошу не писать, все сообщения MMTEMA@MAIL.RU

  6. #5

    Регистрация
    26.09.2009
    Адрес
    г. Красноярск
    Сообщений
    3,200
    Спасибо Благодарностей отдано 
    40
    Спасибо Благодарностей получено 
    128
    Поблагодарили
    103 сообщений
    Mentioned
    0 Post(s)
    Tagged
    0 Thread(s)

    По умолчанию

    MM, в целом, именно это и делает сумматор. В двоичном виде значений на входных и выходной шине.
    Внутри микросхем производится логическое сложение сигналов на входах А (0-3) и В (0-3). При переполнении старшего разряда на выходе Р взводится сигнал признака "переполнения".
    Грубо говоря, к вашей схеме остаётся добавить ещё один корпус по образцу предыдущих каскадов.
    Последний раз редактировалось null_device; 29.10.2022 в 18:56.
    Когда есть, но не знаешь где - это все равно, что нету.

    Этот пользователь поблагодарил null_device за это полезное сообщение:

    MM(29.10.2022)

  7. #6

    Регистрация
    20.04.2013
    Адрес
    г. Павловский Посад
    Сообщений
    4,246
    Спасибо Благодарностей отдано 
    498
    Спасибо Благодарностей получено 
    557
    Поблагодарили
    436 сообщений
    Mentioned
    42 Post(s)
    Tagged
    0 Thread(s)

    По умолчанию

    Это в общем для организации скролла в специфическом ретро-видеоконтроллере на мелкоте, с VGA таймингами.
    Блог : http://collectingrd.kxk.ru/ . В ЛС прошу не писать, все сообщения MMTEMA@MAIL.RU

Информация о теме

Пользователи, просматривающие эту тему

Эту тему просматривают: 1 (пользователей: 0 , гостей: 1)

Похожие темы

  1. Ответов: 13
    Последнее: 22.04.2017, 14:31
  2. Ответов: 13
    Последнее: 21.01.2015, 19:22
  3. Подскажите простую схему Betadisk
    от Zarax в разделе Внешние накопители
    Ответов: 9
    Последнее: 16.08.2014, 00:03
  4. Ответов: 16
    Последнее: 15.12.2011, 20:29

Ваши права

  • Вы не можете создавать новые темы
  • Вы не можете отвечать в темах
  • Вы не можете прикреплять вложения
  • Вы не можете редактировать свои сообщения
  •