User Tag List

Страница 9 из 22 ПерваяПервая ... 5678910111213 ... ПоследняяПоследняя
Показано с 81 по 90 из 211

Тема: Выносная клавиатура Радио-86РК и не только

  1. #81

    Регистрация
    27.04.2015
    Адрес
    г. Пенза
    Сообщений
    521
    Спасибо Благодарностей отдано 
    337
    Спасибо Благодарностей получено 
    102
    Поблагодарили
    69 сообщений
    Mentioned
    0 Post(s)
    Tagged
    0 Thread(s)

    По умолчанию

    Тогда, смысл изготовления клавиатур полностью исчезает.
    wtf

  2. #82

    Регистрация
    13.02.2022
    Адрес
    г. Уфа
    Сообщений
    713
    Спасибо Благодарностей отдано 
    47
    Спасибо Благодарностей получено 
    124
    Поблагодарили
    83 сообщений
    Mentioned
    0 Post(s)
    Tagged
    0 Thread(s)

    По умолчанию

    Пришла новая ревизия плат!
    Уменьшен размер, универсальные посадочные под простые и низкие кнопки, раскладка йцукен.



    Этот пользователь поблагодарил max232cpe за это полезное сообщение:

    cy6(31.07.2024)

  3. #83

    Регистрация
    27.04.2015
    Адрес
    г. Пенза
    Сообщений
    521
    Спасибо Благодарностей отдано 
    337
    Спасибо Благодарностей получено 
    102
    Поблагодарили
    69 сообщений
    Mentioned
    0 Post(s)
    Tagged
    0 Thread(s)

    По умолчанию

    Цитата Сообщение от max232cpe Посмотреть сообщение
    раскладка йцукен
    За раскладку отдельное спасибо.
    А в собранном виде есть что глянуть по Вашей МС7005? Не могу найти информацию по этой клавиатуре вообще.
    wtf

  4. #84

    Регистрация
    13.02.2022
    Адрес
    г. Уфа
    Сообщений
    713
    Спасибо Благодарностей отдано 
    47
    Спасибо Благодарностей получено 
    124
    Поблагодарили
    83 сообщений
    Mentioned
    0 Post(s)
    Tagged
    0 Thread(s)

    По умолчанию

    Цитата Сообщение от cy6 Посмотреть сообщение
    За раскладку отдельное спасибо.
    А в собранном виде есть что глянуть по Вашей МС7005? Не могу найти информацию по этой клавиатуре вообще.
    В собранном виде пака нет, на выходных доберусь до сборки. Название сам вписал (не нашел в инете такова упоминания)

  5. #85

    Регистрация
    11.04.2023
    Адрес
    г. Ташкент, Узбекистан
    Сообщений
    189
    Спасибо Благодарностей отдано 
    67
    Спасибо Благодарностей получено 
    96
    Поблагодарили
    43 сообщений
    Mentioned
    0 Post(s)
    Tagged
    0 Thread(s)

    Lightbulb Выносная клавиатура без МК и "Доширака"

    Индустрия довольно долго спала, пока персоналки распрострались по нашим столам.
    Для промышленности огромное число проводов - не проблема. Проблема - для быта.
    Однако, относительно недавно индустрия проснулась и поняла, что не очень красиво подключать HDD или DVD "лапшою Доширак" и в конце-концов представила новый интерфейс - SATA.
    Конечно, это всё - лирика.

    А я вот хочу свою нотку вставить.
    Как-то не очень эстетично получается - подключать оригинальную клавиатуру РАДИО-86РК к ВВ55 широким "Дошираком".
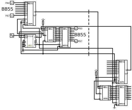
    Можно ли как-то, добавив простой промежуточной логики, сократить число проводков, чтобы клавиатура РК могла бы подключаться через тот же ОНЦ-ВГ?

    Набросал простую схему.
    Принцип работы очень прост:
    • ИЕ2 задаёт режим работы регистров (0000-0111 - передача данных с ИР9 и накопление в ИР8; 1000/1001 - защёлкивание накопленного в ИР23)
    • левый ИР9 подключается к D20 ВВ55 PA0-7; правый ИР9 подключается к выходу матрицы клавиатуры
    • левый ИР8 накапливает биты клавиш клавиатуры для D20 ВВ55 PB0-7 в ИР23; правый ИР8 подключается через правый ИР23 ко входу матрицы клавиатуры

    Пунктиром разделил узел схемы для ВВ55 от узла на стороне клавиатуры.
    Получается всего 4 провода интерфейса + 2 для питания.
    (Индикатор РУС/LAT и клавиши УС/СС в схеме пока не учтены.)
    Миниатюры Миниатюры Нажмите на изображение для увеличения. 

Название:	SerialKeyboard.jpg 
Просмотров:	44 
Размер:	23.4 Кб 
ID:	81189  
    Вложения Вложения
    Электроника КР-03; ZX-Spectrum "Ленинград-48"; Atari-130XE; Поиск-1...

  6. #86

    Регистрация
    13.02.2022
    Адрес
    г. Уфа
    Сообщений
    713
    Спасибо Благодарностей отдано 
    47
    Спасибо Благодарностей получено 
    124
    Поблагодарили
    83 сообщений
    Mentioned
    0 Post(s)
    Tagged
    0 Thread(s)

    По умолчанию

    Цитата Сообщение от Alikberov Посмотреть сообщение
    Индустрия довольно долго спала, пока персоналки распрострались по нашим столам.
    Для промышленности огромное число проводов - не проблема. Проблема - для быта.
    Однако, относительно недавно индустрия проснулась и поняла, что не очень красиво подключать HDD или DVD "лапшою Доширак" и в конце-концов представила новый интерфейс - SATA.
    Конечно, это всё - лирика.

    А я вот хочу свою нотку вставить.
    Как-то не очень эстетично получается - подключать оригинальную клавиатуру РАДИО-86РК к ВВ55 широким "Дошираком".
    Можно ли как-то, добавив простой промежуточной логики, сократить число проводков, чтобы клавиатура РК могла бы подключаться через тот же ОНЦ-ВГ?

    Набросал простую схему.
    Принцип работы очень прост:
    • ИЕ2 задаёт режим работы регистров (0000-0111 - передача данных с ИР9 и накопление в ИР8; 1000/1001 - защёлкивание накопленного в ИР23)
    • левый ИР9 подключается к D20 ВВ55 PA0-7; правый ИР9 подключается к выходу матрицы клавиатуры
    • левый ИР8 накапливает биты клавиш клавиатуры для D20 ВВ55 PB0-7 в ИР23; правый ИР8 подключается через правый ИР23 ко входу матрицы клавиатуры

    Пунктиром разделил узел схемы для ВВ55 от узла на стороне клавиатуры.
    Получается всего 4 провода интерфейса + 2 для питания.
    (Индикатор РУС/LAT и клавиши УС/СС в схеме пока не учтены.)
    Отличная идея!
    Могу подкинуть на подумать вот такой контролёр от клавы кворум (полностью аппаратный) данные по 2 проводам и 2 питание! Схемы пака нет, жалко распаивать данную платку.


    - - - Добавлено - - -

    мс 555кп15, 155лл2 2шт, 561ие10, 155ид3, кт315г если ничего не путаю. Остальное сопротивления и диоды.

  7. #87

    Регистрация
    11.04.2023
    Адрес
    г. Ташкент, Узбекистан
    Сообщений
    189
    Спасибо Благодарностей отдано 
    67
    Спасибо Благодарностей получено 
    96
    Поблагодарили
    43 сообщений
    Mentioned
    0 Post(s)
    Tagged
    0 Thread(s)

    По умолчанию

    Цитата Сообщение от max232cpe Посмотреть сообщение
    Отличная идея!
    Могу подкинуть на подумать вот такой контролёр от клавы кворум (полностью аппаратный) данные по 2 проводам и 2 питание! Схемы пака нет, жалко распаивать данную платку.

    мс 555кп15, 155лл2 2шт, 561ие10, 155ид3, кт315г если ничего не путаю. Остальное сопротивления и диоды.
    Хм. Моя идея в том, чтобы "РАДИО-86РК" не перестал быть "РАДИО-86РК" и "клавиатура РАДИО-86РК" не перестала быть "клавиатурой РАДИО-86РК", но добавить аппаратную возможность её отделения от "системного блока" без "лапши".
    То есть, на логическом и программном уровне всё остаётся на месте.

    Кворум, похоже - совсем другая история с автосканированием?

  8. #88

    Регистрация
    13.02.2022
    Адрес
    г. Уфа
    Сообщений
    713
    Спасибо Благодарностей отдано 
    47
    Спасибо Благодарностей получено 
    124
    Поблагодарили
    83 сообщений
    Mentioned
    0 Post(s)
    Tagged
    0 Thread(s)

    По умолчанию

    Цитата Сообщение от Alikberov Посмотреть сообщение
    Хм. Моя идея в том, чтобы "РАДИО-86РК" не перестал быть "РАДИО-86РК" и "клавиатура РАДИО-86РК" не перестала быть "клавиатурой РАДИО-86РК", но добавить аппаратную возможность её отделения от "системного блока" без "лапши".
    То есть, на логическом и программном уровне всё остаётся на месте.

    Кворум, похоже - совсем другая история с автосканированием?
    Идея избавится от лапши очень хорошая! От кворума только матрица, для какова компа конкретно сделан данный контролёр я не нашел инфы, но в плане реализации очень интересный вариант так как использует всего 2 провода.

  9. #89

    Регистрация
    11.04.2023
    Адрес
    г. Ташкент, Узбекистан
    Сообщений
    189
    Спасибо Благодарностей отдано 
    67
    Спасибо Благодарностей получено 
    96
    Поблагодарили
    43 сообщений
    Mentioned
    0 Post(s)
    Tagged
    0 Thread(s)

    По умолчанию

    Цитата Сообщение от max232cpe Посмотреть сообщение
    Идея избавится от лапши очень хорошая!
    Странно, почему никто из фанатов РАДИО-86РК этим до сих пор не занимался.

    Но, если на ИЕ2+ИР8+ИР9 вариант оказался бы рабочим и стабильным, его можно было бы использовать, в теории, и для сокращения лапши между D14 и SD-контроллером vinxru.
    (То есть, компактная последовательная системная шина в каком-то роде из подручных ИМС.)
    Цитата Сообщение от max232cpe Посмотреть сообщение
    От кворума только матрица, для какова компа конкретно сделан данный контролёр я не нашел инфы, но в плане реализации очень интересный вариант так как использует всего 2 провода.
    Да, 2 провода - почти USB или PS/2.
    Но, подозреваю, так поток данных - в одну сторону? То есть, сама схема сканирует матрицу клавиатуры и отправляет готовый код?
    Как бы К561ИЕ10 и К155ИД3 на это и намекает.
    Нечто похожее я пытался проектировать в Proteus'е сугубо в образовательных целях для ATtiny.

  10. #90

    Регистрация
    13.02.2022
    Адрес
    г. Уфа
    Сообщений
    713
    Спасибо Благодарностей отдано 
    47
    Спасибо Благодарностей получено 
    124
    Поблагодарили
    83 сообщений
    Mentioned
    0 Post(s)
    Tagged
    0 Thread(s)

    По умолчанию

    Цитата Сообщение от Alikberov Посмотреть сообщение
    Странно, почему никто из фанатов РАДИО-86РК этим до сих пор не занимался.

    Но, если на ИЕ2+ИР8+ИР9 вариант оказался бы рабочим и стабильным, его можно было бы использовать, в теории, и для сокращения лапши между D14 и SD-контроллером vinxru.
    (То есть, компактная последовательная системная шина в каком-то роде из подручных ИМС.)
    Да, 2 провода - почти USB или PS/2.
    Но, подозреваю, так поток данных - в одну сторону? То есть, сама схема сканирует матрицу клавиатуры и отправляет готовый код?
    Как бы К561ИЕ10 и К155ИД3 на это и намекает.
    Нечто похожее я пытался проектировать в Proteus'е сугубо в образовательных целях для ATtiny.
    Скорее это ближе к XT, я подозреваю что 1 провод для передачи сигналов а второй чтото типа стробирования.

Страница 9 из 22 ПерваяПервая ... 5678910111213 ... ПоследняяПоследняя

Информация о теме

Пользователи, просматривающие эту тему

Эту тему просматривают: 1 (пользователей: 0 , гостей: 1)

Похожие темы

  1. Ответов: 42
    Последнее: 16.04.2024, 08:36
  2. Ответов: 11
    Последнее: 10.07.2020, 17:04
  3. Радио-86РК по журналам радио (техническая часть)
    от Daniil Chislov 86 в разделе Радио-86РК
    Ответов: 61
    Последнее: 13.09.2019, 11:37
  4. Радио-86РК: клавиатура
    от point777 в разделе Радио-86РК
    Ответов: 53
    Последнее: 30.10.2013, 14:13
  5. Плохо работает выносная клавиатура...
    от Roger Wilco в разделе Устройства ввода
    Ответов: 11
    Последнее: 13.09.2010, 12:23

Ваши права

  • Вы не можете создавать новые темы
  • Вы не можете отвечать в темах
  • Вы не можете прикреплять вложения
  • Вы не можете редактировать свои сообщения
  •