Добрый день!
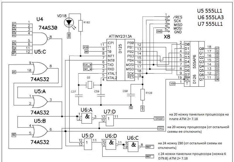
Подскажите, есть отличия в прошивке 4.0 и 4.1 в плане работы с WAIT? (схемы в архивах 4.0 и 4.1 разные, 4.0 не имеет схемы работы с WAIT 4.1 имеет) 4.1 у меня не видит мышь, а 4.0 мышь видит но в Турбо режиме вешает компьютер. При формировании WAIT используются 2 сигнала первый это сигнал после всех логических ИЛИ с микросхемы ЛЛ1. Второй с 7 ноги Тиньки, куда подключен и светодиод. Так вот, когда светодиод горит, проблем при чтении из портов нет. Когда светодиод гаснет (мышь подключена) происходит ситуация, что на ноге 7 Тиньки "0" и на выходе дешифратора адреса ЛЛ1 тоже 0. Следовательно на элементе ЛЛ1 который собирает эти 2 сигнала оба "0" на выходе его, соответственно тоже "0" и этот "0" WAIT-ит процессор. Получается замкнутый круг, сигналы процессора заморожены он ничего не меняет на шине и "0" на выходе дешифратора "подвисает" а Тинька на 7 выводе тоже держит "0" оба "0" фризят проц. Вопрос: после необходимой для ответа Тиньки паузы она должна кратковременно выдать "1" на вывод 7, тем самым сняв WAIT c процессора и дав ему возможность выполнять программу дальше? Кто должен разбудить процессор и снять WAIT? Или я что-то не так понял? Если при подвисании отключить мышь, то после загорания светодиода комп оживает.



Ответить с цитированием