User Tag List

Страница 2 из 8 ПерваяПервая 123456 ... ПоследняяПоследняя
Показано с 11 по 20 из 75

Тема: Р86РК - доработка до цветности

  1. #11

    Регистрация
    05.04.2013
    Адрес
    Починки, Нижегородская обл.
    Сообщений
    1,371
    Спасибо Благодарностей отдано 
    401
    Спасибо Благодарностей получено 
    647
    Поблагодарили
    255 сообщений
    Mentioned
    26 Post(s)
    Tagged
    0 Thread(s)

    По умолчанию

    Цитата Сообщение от Tronix Посмотреть сообщение
    Да и защелка еще эта в самой схеме - вот что хотели сказать ей авторы Апогея, кто-нибудь вообще вкуривает?
    Да хотя бы для того, чтобы цвет не опережал символ в режиме прозрачных атрибутов.

    Цитата Сообщение от b2m Посмотреть сообщение
    выкладывай уж и схему Фролкина для комплекта
    Что-то не помню такой, что за схема, где была опубликована?

  2. #12

    Регистрация
    17.07.2013
    Адрес
    г. Курган
    Сообщений
    2,035
    Записей в дневнике
    2
    Спасибо Благодарностей отдано 
    123
    Спасибо Благодарностей получено 
    171
    Поблагодарили
    121 сообщений
    Mentioned
    1 Post(s)
    Tagged
    0 Thread(s)

    По умолчанию

    Цитата Сообщение от Pyk Посмотреть сообщение
    Что-то не помню такой, что за схема, где была опубликована?
    С уважением, Дмитрий.
    Karabas-Go
    Pentagon-128 вер.2023+Turbo Sound+ZXM-GeneralSound
    ZXM-Phoenix 2048+Turbo Sound+ZXM-GeneralSound+ZXM-SoundCard Lite
    ZXM-Phoenix в Телеграмм

    Этот пользователь поблагодарил gdv2002 за это полезное сообщение:

    Pyk(01.06.2023)

  3. #13

    Регистрация
    24.01.2008
    Адрес
    Уфа
    Сообщений
    3,926
    Спасибо Благодарностей отдано 
    105
    Спасибо Благодарностей получено 
    290
    Поблагодарили
    216 сообщений
    Mentioned
    10 Post(s)
    Tagged
    0 Thread(s)

    По умолчанию

    gdv2002, спасибо. Однако цвета тут просто инвертированы. На какую палитру рассчитывают цветные программы - вопрос.

  4. #14

    Регистрация
    05.04.2013
    Адрес
    Починки, Нижегородская обл.
    Сообщений
    1,371
    Спасибо Благодарностей отдано 
    401
    Спасибо Благодарностей получено 
    647
    Поблагодарили
    255 сообщений
    Mentioned
    26 Post(s)
    Tagged
    0 Thread(s)

    По умолчанию

    gdv2002, спасибо!
    Еще бы понять, из какого номера какого журнала эта страница...

  5. #15

    Регистрация
    17.07.2013
    Адрес
    г. Курган
    Сообщений
    2,035
    Записей в дневнике
    2
    Спасибо Благодарностей отдано 
    123
    Спасибо Благодарностей получено 
    171
    Поблагодарили
    121 сообщений
    Mentioned
    1 Post(s)
    Tagged
    0 Thread(s)

    По умолчанию

    Цитата Сообщение от Pyk Посмотреть сообщение
    gdv2002, спасибо!
    Еще бы понять, из какого номера какого журнала эта страница...
    Ну как-то странно, вторая строчка в поисковике!
    Радиолюбитель 4/93
    С уважением, Дмитрий.
    Karabas-Go
    Pentagon-128 вер.2023+Turbo Sound+ZXM-GeneralSound
    ZXM-Phoenix 2048+Turbo Sound+ZXM-GeneralSound+ZXM-SoundCard Lite
    ZXM-Phoenix в Телеграмм

  6. #16

    Регистрация
    16.01.2005
    Адрес
    California, USA
    Сообщений
    828
    Спасибо Благодарностей отдано 
    108
    Спасибо Благодарностей получено 
    114
    Поблагодарили
    73 сообщений
    Mentioned
    1 Post(s)
    Tagged
    0 Thread(s)

    По умолчанию

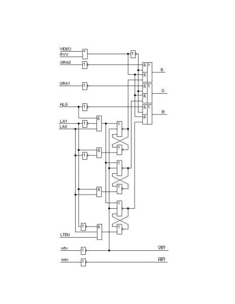
    А кто знает откуда вот эта схема взялась?



    и чем она принципиально отличается от Толкалина, Фролкина, Акименко и Апогея?
    я вижу тут кроме HGLT, GPA0 и GPA1 задействованы экзотические LA0, LA1 и LTEN
    Миниатюры Миниатюры Нажмите на изображение для увеличения. 

Название:	RK86RGB.jpg 
Просмотров:	257 
Размер:	18.2 Кб 
ID:	80141  
    Администратор сетевого сообщества nedoPC.org
    Урал 8/64К, Sp2000, ZX48K+, ZX16K (спалил), TS1000 (американский ZX81), TS2068, Дельта-С, 20 лет собираю ATM Turbo 2+
    Неспектрумы: Электроника МК-85 и МК-85М, ПК-01 Львов, БК-0011, Вектор-06Ц, Лик (спец), Апогеи, Radio-86RK SRAM 32K & 128K (всё ещё собираю)

  7. #16
    С любовью к вам, Yandex.Direct
    Размещение рекламы на форуме способствует его дальнейшему развитию

  8. #17

    Регистрация
    01.06.2005
    Адрес
    Москва
    Сообщений
    229
    Спасибо Благодарностей отдано 
    3
    Спасибо Благодарностей получено 
    53
    Поблагодарили
    34 сообщений
    Mentioned
    0 Post(s)
    Tagged
    0 Thread(s)

    По умолчанию

    судя по логике, тут кроме цвета чернил ещё можно задавать цвет фона, но оба цвета нельзя задавать одним атрибутом, надо два байта в видеопамять класть, а это будет как два пробела.

    Этот пользователь поблагодарил Vital72 за это полезное сообщение:

    Shaos(21.01.2024)

  9. #18

    Регистрация
    16.01.2005
    Адрес
    California, USA
    Сообщений
    828
    Спасибо Благодарностей отдано 
    108
    Спасибо Благодарностей получено 
    114
    Поблагодарили
    73 сообщений
    Mentioned
    1 Post(s)
    Tagged
    0 Thread(s)

    По умолчанию

    Понятно

    А кто-то такое себе делал? Этой схеме в обед сто лет - не помню откуда я её взял, но я её точно видел где-то в печати в 90х

    P.S. Или я путаю со схемой вывода псевдографики, которая есть в книжке "Домашний компьютер" про РК86 - там тоже LA0 и LA1 задействованы

    P.P.S. Вот, нашёл откуда я эту схему взял - теперь надо спросить у коллеги Rokl-а откуда он её взял
    https://zx-pk.ru/threads/13148-radio...l=1#post375381
    Последний раз редактировалось Shaos; 21.01.2024 в 04:58.
    Администратор сетевого сообщества nedoPC.org
    Урал 8/64К, Sp2000, ZX48K+, ZX16K (спалил), TS1000 (американский ZX81), TS2068, Дельта-С, 20 лет собираю ATM Turbo 2+
    Неспектрумы: Электроника МК-85 и МК-85М, ПК-01 Львов, БК-0011, Вектор-06Ц, Лик (спец), Апогеи, Radio-86RK SRAM 32K & 128K (всё ещё собираю)

  10. #19

    Регистрация
    01.06.2005
    Адрес
    Москва
    Сообщений
    229
    Спасибо Благодарностей отдано 
    3
    Спасибо Благодарностей получено 
    53
    Поблагодарили
    34 сообщений
    Mentioned
    0 Post(s)
    Tagged
    0 Thread(s)

    По умолчанию

    от Апогея отличается тем, что отсутствует регистр, синхронизирующий атрибуты с выводом символа, и сами атрибуты привязаны к другим каналам цвета.
    у Апогея это выглядит так:
    HLGT -- RED
    GPA1 -- GREEN
    GPA0 -- BLUE

    - - - Добавлено - - -

    я не делал, вижу первый раз.
    такая куча логики на рассыпухе займёт дохрена места, но легко поместится в один корпус PLD, если кому интересно, могу прошивку состряпать.

  11. #20

    Регистрация
    16.01.2005
    Адрес
    California, USA
    Сообщений
    828
    Спасибо Благодарностей отдано 
    108
    Спасибо Благодарностей получено 
    114
    Поблагодарили
    73 сообщений
    Mentioned
    1 Post(s)
    Tagged
    0 Thread(s)

    По умолчанию

    Кстати а в чём проблема атрибутов и выводом символа? Как это визуально выглядит когда синхронизации нет (как на РК)?
    Администратор сетевого сообщества nedoPC.org
    Урал 8/64К, Sp2000, ZX48K+, ZX16K (спалил), TS1000 (американский ZX81), TS2068, Дельта-С, 20 лет собираю ATM Turbo 2+
    Неспектрумы: Электроника МК-85 и МК-85М, ПК-01 Львов, БК-0011, Вектор-06Ц, Лик (спец), Апогеи, Radio-86RK SRAM 32K & 128K (всё ещё собираю)

Страница 2 из 8 ПерваяПервая 123456 ... ПоследняяПоследняя

Информация о теме

Пользователи, просматривающие эту тему

Эту тему просматривают: 1 (пользователей: 0 , гостей: 1)

Похожие темы

  1. ВЕСТА ИК-30 - схема и доработка.
    от Grey в разделе Ленинград
    Ответов: 37
    Последнее: 14.12.2022, 19:53
  2. Квазидиск, доработка Баркаря
    от KTSerg в разделе Вектор
    Ответов: 25
    Последнее: 16.09.2022, 23:46
  3. Отсутствие цветности.
    от akostrov в разделе Изображение
    Ответов: 2
    Последнее: 23.10.2020, 23:23
  4. Доработка SINTEZ
    от andrrei в разделе Несортированное железо
    Ответов: 23
    Последнее: 18.12.2016, 12:03
  5. Доработка Дельта-С
    от paul444 в разделе Дельта-С
    Ответов: 4
    Последнее: 07.01.2009, 12:21

Ваши права

  • Вы не можете создавать новые темы
  • Вы не можете отвечать в темах
  • Вы не можете прикреплять вложения
  • Вы не можете редактировать свои сообщения
  •