Имеется стародельная доска:
![]()
Хотелось бы доработать до цвета. Стандарта на сколько я вкурил два - Толкалина (ж.Радиолюбитель 04.1992) и чуть позже переосмысленная схема от Акименко (ж.Радиолюбитель 10.1992). Между собой отличаются перепутанными цветами RGB и инверсией.
Собрал схему Акименко:
Всё работает, всё хорошо, кроме одного - не смог найти ни одной живой программы под эту схему, не говоря уже об играх.
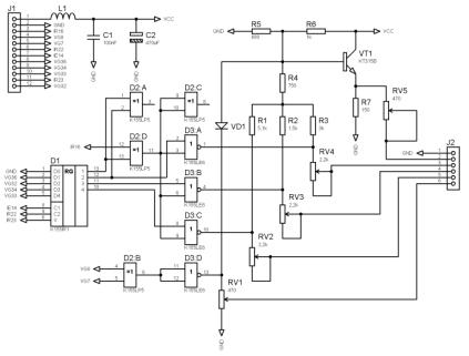
Поэтому собрал вроде-бы схему Толкалина:
Тоже работает, но по сравнению со схемой от Акименко не происходит вывод изображения, когда РКшка находится в мониторе. Оно и понятно - на выходах 32,33 и 34 ВГ75 нули, и после операции "И" с цветом на выходе нуль.
То, что в статье говорится про какой-то переключатель SA1, мол надо его включать/отключать когда цветная игра или работа в мониторе - так он влияет только на композитный видеовыход, а на RGB никак не влияет, судя по схеме. Или я чего то не вкуриваю.
Поэтому подскажите, как сделать RGB видеовыход что бы изображение на RGB было и в режиме монитора, и когда игра запущена (по Толкалину). Желательно при этом не сломать композитный ЧБ видеовыход. Желательно без тумблеров.








Ответить с цитированием
Размещение рекламы на форуме способствует его дальнейшему развитию 
