User Tag List

Страница 1 из 3 123 ПоследняяПоследняя
Показано с 1 по 10 из 29

Тема: Проектирование процессора

  1. #1

    Регистрация
    11.04.2023
    Адрес
    г. Ташкент, Узбекистан
    Сообщений
    183
    Спасибо Благодарностей отдано 
    60
    Спасибо Благодарностей получено 
    89
    Поблагодарили
    41 сообщений
    Mentioned
    0 Post(s)
    Tagged
    0 Thread(s)

    Lightbulb Проектирование процессора

    Как обладатель РЛК "Электроника КР-03", после освоения принципов программирования вообще и изучения схемы, как-то быстро вдруг родилось желание:
    • Разработать компьютер на своей архитектуре
    • Использовать процессор собственной архитектуры

    Что превратилось в хобби на всю последующую жизнь.

    Изучив много справочников по процессорным системам многих отечественных серий, к концу 90-х появились первые наброски эмуляторов собственных моделей процессоров. Однако, везде всплывали проблемы разного рода. То загрузка данных в регистры не была проработана, то ветвления не продуманы.
    И все 20 лет просто не приносили никакого результата, хотя я и написал несколько рабочих эмуляторов РАДИО-86РК и эмулятор процессора i8086.
    Из опытов с i8086 с его странным машинным кодом 00 как команда ADD, а не NOP, был выработан основной постулат, что:
    • Как и с текстом, код 00 должен означать "терминацию" цепочки - HLT (Останов)


    И вот в 2019 году удалось, наконец-то, сформировать некий концепт.
    Глядя на шестнадцатеричный дамп с его чередованием цифр с буквами, была предпринята попытка разработать архитектуру такого процессора, система команд которого была бы ближе к восприятию человеком именно на уровне шестнадцатеричного кодирования. То есть, что человеческое восприятие при беглом просмотре успевает вырвать из контекста, то должен делать и дешифратор команд.
    • Коды A0..A9 воспринимаются как "один из десяти Аккумуляторов" - пусть они будут командами активации одного из Аккумуляторов
    • Коды B0..B9 воспринимаются как "одна из десяти Баз/Буферов" - пусть они будут командами активации одного из Буфера
    • Коды C0..C9 воспринимаются как "один из десяти Счётчиков" - пусть они будут командами активации одного из Счётчиков
    • Коды D0..D9 воспринимаются как "один из десяти Девайсов" - пусть они будут командами активации одного из Устройств Ввода-Вывода

    Получается всего 30 Регистров Общего Назначения + 10 УВВ.

    Для нормального функционирования АЛУ-операций требуется, как минимум, пара операндов. Здесь очень кстати подходят коды:
    • AA/AB/AC/AD - как операнды (A,A) / (A,B) / (A,C) и (A,D)
    • BA/BB/BC/BD - как операнды (B,A) / (B,B) / (B,C) и (B,D)
    • CA/CB/CC/CD - как операнды (C,A) / (C,B) / (C,C) и (C,D)
    • DA/DB/DC/DD - как операнды (D,A) / (D,B) / (D,C) и (D,D)

    И здесь остаётся лишь найти группу кодов под АЛУ-Операции. В самой АЛУ-операции необходимо выбирать индекс правого операнда, так как левый - выбирается до АЛУ-операции как приёмник результата:
    • 0A..9A - операция Add, где цифра - индекс правого операнда
    • 0B..9B - операция suB, где цифра - индекс правого операнда
    • 0C..9C - операция and(Conjunct), где цифра - индекс правого операнда
    • 0D..9D - операция or(Disjunct), где цифра - индекс правого операнда
    • 0E..9E - операция Eor(Xor), где цифра - индекс правого операнда
    • 0F..9F - пересылка mov(For), где цифра - индекс правого операнда

    Тем самым:
    • код "CB C1 2A" означает "ADD C1,B2"
    • код "BA B2 3E" означает "EOR B2,A3"

    Легко вникнуть, легко освоиться, легко кодировать!

    Вот полная таблица:
    Код:
         +------+------+------+------+------+------+------+------+------+------+------+------+------+------+------+------+
         |  .0  |  .1  |  .2  |  .3  |  .4  |  .5  |  .6  |  .7  |  .8  |  .9  |  .A  |  .B  |  .C  |  .D  |  .E  |  .F  |
    +----+------+------+------+------+------+------+------+------+------+------+------+------+------+------+------+------+
    | 0. | HLT  |      |      |      |      |      |      |      |      |      | ADD  | SUB  | AND  | OR   | EOR  | MOV  |
    |    |      | D0+1 | D0+2 | D0+3 | D0+4 | D0+5 | D0+6 | D0+7 | D0+8 | D0+9 | R,T0 | R,T0 | R,T0 | R,T0 | R,T0 | R,T0 |
    +----+------+------+------+------+------+------+------+------+------+------+------+------+------+------+------+------+
    | 1. |      |      |      |      |      |      |      |      |      |      | ADD  | SUB  | AND  | OR   | EOR  | MOV  |
    |    | D1+0 | D1+1 | D1+2 | D1+3 | D1+4 | D1+5 | D1+6 | D1+7 | D1+8 | D1+9 | R,T1 | R,T1 | R,T1 | R,T1 | R,T1 | R,T1 |
    +----+------+------+------+------+------+------+------+------+------+------+------+------+------+------+------+------+
    | 2. |      |      |      |      |      |      |      |      |      |      | ADD  | SUB  | AND  | OR   | EOR  | MOV  |
    |    | D2+0 | D2+1 | D2+2 | D2+3 | D2+4 | D2+5 | D2+6 | D2+7 | D2+8 | D2+9 | R,T2 | R,T2 | R,T2 | R,T2 | R,T2 | R,T2 |
    +----+------+------+------+------+------+------+------+------+------+------+------+------+------+------+------+------+
    | 3. |      |      |      |      |      |      |      |      |      |      | ADD  | SUB  | AND  | OR   | EOR  | MOV  |
    |    | D3+0 | D3+1 | D3+2 | D3+3 | D3+4 | D3+5 | D3+6 | D3+7 | D3+8 | D3+9 | R,T3 | R,T3 | R,T3 | R,T3 | R,T3 | R,T3 |
    +----+------+------+------+------+------+------+------+------+------+------+------+------+------+------+------+------+
    | 4. |      |      |      |      |      |      |      |      |      |      | ADD  | SUB  | AND  | OR   | EOR  | MOV  |
    |    | D4+0 | D4+1 | D4+2 | D4+3 | D4+4 | D4+5 | D4+6 | D4+7 | D4+8 | D4+9 | R,T4 | R,T4 | R,T4 | R,T4 | R,T4 | R,T4 |
    +----+------+------+------+------+------+------+------+------+------+------+------+------+------+------+------+------+
    | 5. |      |      |      |      |      |      |      |      |      |      | ADD  | SUB  | AND  | OR   | EOR  | MOV  |
    |    | D5+0 | D5+1 | D5+2 | D5+3 | D5+4 | D5+5 | D5+6 | D5+7 | D5+8 | D5+9 | R,T5 | R,T5 | R,T5 | R,T5 | R,T5 | R,T5 |
    +----+------+------+------+------+------+------+------+------+------+------+------+------+------+------+------+------+
    | 6. |      |      |      |      |      |      |      |      |      |      | ADD  | SUB  | AND  | OR   | EOR  | MOV  |
    |    | D6+0 | D6+1 | D6+2 | D6+3 | D6+4 | D6+5 | D6+6 | D6+7 | D6+8 | D6+9 | R,T6 | R,T6 | R,T6 | R,T6 | R,T6 | R,T6 |
    +----+------+------+------+------+------+------+------+------+------+------+------+------+------+------+------+------+
    | 7. |      |      |      |      |      |      |      |      |      |      | ADD  | SUB  | AND  | OR   | EOR  | MOV  |
    |    | D7+0 | D7+1 | D7+2 | D7+3 | D7+4 | D7+5 | D7+6 | D7+7 | D7+8 | D7+9 | R,T7 | R,T7 | R,T7 | R,T7 | R,T7 | R,T7 |
    +----+------+------+------+------+------+------+------+------+------+------+------+------+------+------+------+------+
    | 8. |      |      |      |      |      |      |      |      |      |      | ADD  | SUB  | AND  | OR   | EOR  | MOV  |
    |    | D8+0 | D8+1 | D8+2 | D8+3 | D8+4 | D8+5 | D8+6 | D8+7 | D8+8 | D8+9 | R,T8 | R,T8 | R,T8 | R,T8 | R,T8 | R,T8 |
    +----+------+------+------+------+------+------+------+------+------+------+------+------+------+------+------+------+
    | 9. |      |      |      |      |      |      |      |      |      |      | ADD  | SUB  | AND  | OR   | EOR  | MOV  |
    |    | D9+0 | D9+1 | D9+2 | D9+3 | D9+4 | D9+5 | D9+6 | D9+7 | D9+8 | D9+9 | R,T9 | R,T9 | R,T9 | R,T9 | R,T9 | R,T9 |
    +----+------+------+------+------+------+------+------+------+------+------+------+------+------+------+------+------+
    | A. | REG  | REG  | REG  | REG  | REG  | REG  | REG  | REG  | REG  | REG  | ARG  | ARG  | ARG  | ARG  | CLR  | NOT  |
    |    | A0   | A1   | A2   | A3   | A4   | A5   | A6   | A7   | A8   | A9   | A,A  | A,B  | A,C  | A,D  | AF   | AF   |
    +----+------+------+------+------+------+------+------+------+------+------+------+------+------+------+------+------+
    | B. | REG  | REG  | REG  | REG  | REG  | REG  | REG  | REG  | REG  | REG  | ARG  | ARG  | ARG  | ARG  | CLR  | NOT  |
    |    | B0   | B1   | B2   | B3   | B4   | B5   | B6   | B7   | B8   | B9   | B,A  | B,B  | B,C  | B,D  | BF   | BF   |
    +----+------+------+------+------+------+------+------+------+------+------+------+------+------+------+------+------+
    | C. | REG  | REG  | REG  | REG  | REG  | REG  | REG  | REG  | REG  | REG  | ARG  | ARG  | ARG  | ARG  | CLR  | NOT  |
    |    | C0   | C1   | C2   | C3   | C4   | C5   | C6   | C7   | C8   | C9   | C,A  | C,B  | C,C  | C,D  | CF   | CF   |
    +----+------+------+------+------+------+------+------+------+------+------+------+------+------+------+------+------+
    | D. | REG  | REG  | REG  | REG  | REG  | REG  | REG  | REG  | REG  | REG  | ARG  | ARG  | ARG  | ARG  | CLR  | NOT  |
    |    | D0   | D1   | D2   | D3   | D4   | D5   | D6   | D7   | D8   | D9   | D,A  | D,B  | C,D  | D,D  | DF   | DF   |
    +----+------+------+------+------+------+------+------+------+------+------+------+------+------+------+------+------+
    | E. | INT  | INT  | INT  | INT  | INT  | INT  | INT  | INT  | INT  | INT  | INT  | INT  | INT  | INT  | INT  | INT  |
    |    | E000 | E100 | E200 | E300 | E400 | E500 | E600 | E700 | E800 | E900 | EA00 | EB00 | EC00 | ED00 | EE00 | EF00 |
    +----+------+------+------+------+------+------+------+------+------+------+------+------+------+------+------+------+
    | F. | INT  | INT  | INT  | INT  | INT  | INT  | INT  | INT  | INT  | INT  | INT  | INT  | INT  | INT  | INT  | INT  |
    |    | F000 | F100 | F200 | F300 | F400 | F500 | F600 | F700 | F800 | F900 | FA00 | FB00 | FC00 | FD00 | FE00 | FF00 |
    +----+------+------+------+------+------+------+------+------+------+------+------+------+------+------+------+------+
    Где:
    • коды E0..FF работают как программное прерывание на адреса E000..FF00, при этом в регистрах B0 и C0 сохраняется "адрес возврата"
    • код CF буквально инвертирует "Флаг CF"
    Регистр A0 выполняет функцию PSW для хранения флагов:
    • AF - Арифметический Флаг (аналог SF)
    • BF - Буферный Флаг (Арифметическое переполнение, аналог OF)
    • CF - Флаг Переноса
    • DF - Дифференциальный Флаг (аналог ZF, только наоборот - NZ)

    Практически, это - весь набор команд.
    Чтобы начать программировать, даже в таблицу заглядывать не стоит: Всё "на своих местах" в буквальном смысле.
    Причём, коды BCD с 01 по 99 работают как префиксы адресации ячейки памяти, где D0-D9 - "Двойной регистр" / "Регистровая пара" B0:C0..B9:C9.

    • код "CB C1 2A" означал "ADD C1,B2", а с префиксом "CB C1 54_2A" означает "ADD C1,[D5+4],B2"
    • код "BA B2 3E" означал "EOR B2,A3", а с префиксом "BA B2 54_3E" означает "EOR B2,[D5+4],A3"
    • код "CF" означал "NOT CF" (CMC), а с префиксом "54 CF" означает "JCF [D5+4]"
    • код "C1" означал активацию регистра C1 как приёмника результата для АЛУ, а с префиксом "54_C1" означает "MOV [D5+4],C1"

    Как можно заметить, префиксы вносят значительную гибкость, а флаговые операции становятся командами ветвления.

    Для фанатов программирования машинного кода освоить кодирование под такой процессор будет как никогда легко!

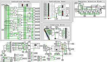
    Вот схема рабочего прототипа 2019 года:
    Нажмите на изображение для увеличения. 

Название:	cpu_full.jpg 
Просмотров:	309 
Размер:	19.4 Кб 
ID:	79047
    А вот аккуратный эскиз процессора (отсутствуют блок регистрового файла и блок АЛУ).
    Нажмите на изображение для увеличения. 

Название:	cpu_minimal.jpg 
Просмотров:	257 
Размер:	21.7 Кб 
ID:	79048

    JavaScript-эмулятор доступен здесь.
    Эмулятор моего процессора под РАДИО-86РК - здесь.

    Как можно видеть, этот процессор легко эмулируется даже на ВМ80.
    (Концептуально, правда, эмуляторы устарели за прошедшие годы. Но для ознакомления - вполне подходят.)

    P.S.: Далее перейду к более серьёзным работам - разработанным Verilog-моделям и "маргинальным указателям", с помощью которых появились команды LEA и XLAT.

    Этот пользователь поблагодарил Alikberov за это полезное сообщение:

    Rio444(06.07.2023)

  2. #1
    С любовью к вам, Yandex.Direct
    Размещение рекламы на форуме способствует его дальнейшему развитию

  3. #2

    Регистрация
    17.03.2009
    Адрес
    Moscow
    Сообщений
    537
    Спасибо Благодарностей отдано 
    29
    Спасибо Благодарностей получено 
    84
    Поблагодарили
    56 сообщений
    Mentioned
    0 Post(s)
    Tagged
    0 Thread(s)

    По умолчанию

    оч похоже на развитие лабы по разработке процессора с минимальной системой команд, чтоб хватило на всё)
    ну типа как элемент "и-не" достаточен для любой логической схемы.
    теперь это должно еще и красиво выглядеть)
    здоровско!
    (где взять не преклонного возраста людей, согласных кодить в кодах?))
    Profi v3.2 512K+color; Profi 6.2B; МС-0511

  4. #3

    Регистрация
    05.05.2023
    Адрес
    г. Баку, Азербайджан
    Сообщений
    52
    Спасибо Благодарностей отдано 
    9
    Спасибо Благодарностей получено 
    9
    Поблагодарили
    7 сообщений
    Mentioned
    0 Post(s)
    Tagged
    0 Thread(s)

    По умолчанию

    Alikberov, а NOP какой код у Вас? А переходы?

    - - - Добавлено - - -

    Цитата Сообщение от UncleDim Посмотреть сообщение
    где взять не преклонного возраста людей, согласных кодить в кодах?))
    Я работал в кодах для ВМ80 (тогда не было компьютера), но снова это повторять не особо хочется. И не из-за
    кодирования инструкций, а из-за высчитывания адресов меток. При абсолютной адресации это неудобно из-за
    того, что малейшее изменение кода - адрес метки меняется, а при относительной - утомительно само высчитывание.

    В любом случае, автору темы желаю всяческих успехов!!
    Последний раз редактировалось i8088; 26.06.2023 в 10:01.

  5. #4

    Регистрация
    11.04.2023
    Адрес
    г. Ташкент, Узбекистан
    Сообщений
    183
    Спасибо Благодарностей отдано 
    60
    Спасибо Благодарностей получено 
    89
    Поблагодарили
    41 сообщений
    Mentioned
    0 Post(s)
    Tagged
    0 Thread(s)

    Lightbulb Ещё не 16-битный, но уже не 8-битный...

    Цитата Сообщение от UncleDim Посмотреть сообщение
    (где взять не преклонного возраста людей, согласных кодить в кодах?))
    Изначально всё проектировалось, чтобы ПЗУ с программой заменить на макетные платы и шестнадцатеричные тумблеры (ссылка) в количестве от 512 штук (под табло механического дампа на ввод программы из 256 байтов).

    Цитата Сообщение от i8088 Посмотреть сообщение
    Alikberov, а NOP какой код у Вас?
    Очень любопытный вопрос!

    С одной стороны, под NOP'ом может использоваться любая операция:
    • коды A0..D9 (REG A0..D0) для активации левого операнда-приёмника могут повторяться много раз
    • коды AA..DD (ARG A,A..D,D) для определения АЛУ-операндов могут повторяться много раз
    • коды AE..DF (CLC/CMC и т.д.) могут повторяться много раз
    Но, это - только в изначальном варианте. Так как сейчас работаю над "строгим дешифратором команд", который не допускает повторения однотипных инструкций:
    • последовательность операций REG A7 и REG A5 составляются в одну - REG A75 (нужен регистровый файл побольше)
    • последовательность операций CMC и CLC, так как CMC перед CLC бессмысленна, образует новую операцию
    • последовательность операций CMC и CMC, так как двойная CMC бессмысленна, образует новую операцию
    То есть, процессор хоть и не "нейросеть", но вполне способен в таком контексте выполнять "скрытые операции".
    Цитата Сообщение от i8088 Посмотреть сообщение
    А переходы?
    Выше я привёл пример же:
    • код "CF" означал "NOT CF" (CMC), а с префиксом "54 CF" означает "JCF [D5+4]"
    То есть, CMC с префиксом - условный переход.
    Так как имеется 32 INT'а (коды E0..FF), в подпрограммах (в JavaScript-эмуляторе с "Гонками") реализованы "нормальные" JC/JNC на абсолютные адреса (или относительные).

    МАРГИНАЛЫ
    В знакомой всем IA-32 / x86 имеются механизмы вычисления абсолютного адреса:
    • LEA EBX,[EBX+EBX*2+3] - эквивалент EBX += EBX * 2 + 3
    • ADD EBX,[EBX+EBX*2+3] - а вот здесь такой указатель не сработает и выдаст исключение
    Инженеры Intel переложили всю ответственность за использование подобных указателей на программиста. Хотя, можно было бы подправить их интерпретацию:
    • ADD EBX,[EBX+EBX*2+3] мог бы работать как ADD EBX,(EBX+EBX*2+3) - EBX += EBX*3+3
    • ADD [EBX+EBX*2+3],EBX - вот тут проблема, так как нельзя выполнить как EBX*3+3 += EBX
    В таких случаях, так как "ADD EBX,[EBX+EBX*2]" использует адресацию "из ряда вон!", условно она стала обозначаться как "маргинальная".

    Также в x86 инструкцию можно составить искусственно и так:
    • MOV EAX,CS: DS: ES: FS: GS:[EBX] - указано целых пять префиксов, четыре из которых - игнорируются (маргинальные префиксы?)
    Программе это ничего путного не даст, но внутреннему отладчику исключений может нести некую закодированную информацию (в зависимости от порядка префиксов).

    И я много внимания уделил механизмам отлова "маргиналов", чтобы исключить вообще такие неприятные ситуации.

    То есть, из таблицы выше, вот такие примеры:
    • код "CB C1 2A" означал "ADD C1,B2", а с префиксом "CB C1 54_2A" означает "ADD C1,[D5+4],B2"
    • код "CB C1 2A" означал "ADD C1,B2", а с префиксами "CB C1 54_58_2A" означает "ADD C1,[D5+D5+48],B2" с "маргиналом"
    • код "BA B2 3E" означал "EOR B2,A3", а с префиксом "BA B2 54_3E" означает "EOR B2,[D5+4],A3"
    • код "BA B2 3E" означал "EOR B2,A3", а с префиксами "BA B2 54_58_3E" означает "EOR B2,[D5+D5+48],A3" с "маргиналом"
    То есть, количество префиксов перед инструкцией ничем не ограничивается и может достигать десятков и сотен. Правая тетрада префикса, как уже можно догадаться, как часть BCD накапливается в аккумуляторе смещения.
    А вот левая - указывает на регистровую пару B:C под псевдонимом D. И если указывать нулевое смещение, можно "маргинализировать" адрес (подавлять его):
    • код "CB C1 50_2A" работает как "ADD C1,[D5+0],B2"
    • код "CB C1 50_50_2A" как "ADD C1,[D5+D5+0],B2" уже не работает: Цепочка "50_50" - "маргинальна" и указатель "подавлен". Операция работает как "ADD5 C1,B2"
    • код "CB C1 50_50_50_2A" как "ADD C1,[D5+D5+D5+0],B2" уже не работает: Цепочка "50_50" - "маргинальна" и указатель "подавлен", но указан в третьем префиксе. Операция работает как "ADD5 C1,[D5+0],B2"
    Думаю, основную суть уже уловить можно.
    Но, что такое этот "ADD5"? Как работает эта "маргинализованная" инструкция?
    Лично я пока ещё не определился. Формально - это команда "внешнего АЛУ#5". Обращение к сопроцессору.
    То есть, технически код "80_80_70_70_0A" как "ADD87" можно использовать с сопроцессором i8087 как "FADD" - все "маргиналы" процессор (модель на Verilog) пока никак не обрабатывает, а лишь сигнализирует на выводе "MRG" для внешнего буфера, как "M1" - машинный цикл выборки операции.

    То есть, масштабируемость архитектуры уже поддерживается на самом базовом уровне.

    ДЕШИФРАТОР АЛУ
    Обычно в процессорах допускаются бессмысленные операции, типа "MOV A,A", "CMP A" и т.д.
    Так как у меня регистр A0 выполняет функцию PSW, операции типа "ADD A0,A0" как "ADD PSW,PSW" бессмысленны и на аппаратном уровне помечаются особыми признаками.
    Всего получается восемь таких признаков:
    • M - наличие "маргинала" перед инструкцией
    • V - наличие "нормального указателя"
    • A_rcv - используется A0/PSW как приёмник результата
    • D_rcv - используется Порт (Device) как приёмник результата
    • E - признак эквивалентности операндов ("приёмник" и "источник" - один регистр/порт)
    • A_trs - используется A0/PSW как источник
    • D_trs - используется Порт (Device) как источник
    • F_bit - признак не АЛУ операции - FOR/MOV

    На этом фоне, с учётом всех исключений, получается солидная таблица АЛУ-команд.
    Изначально их было шесть - ADD / SUB / AND / OR / EOR и MOV. А стало:
    Нажмите на изображение для увеличения. 

Название:	alu_excludes.jpg 
Просмотров:	231 
Размер:	20.6 Кб 
ID:	79052

    Вот скриншот прогона отладки дешифратора команд на Verilog HDL:
    Нажмите на изображение для увеличения. 

Название:	alu_execution.jpg 
Просмотров:	218 
Размер:	18.6 Кб 
ID:	79054
    Как можно заметить, многие инструкции (ситуации) ещё не определены и появились инструкции LEA, LEX (аналог XLAT) и ORD (аналог сортировочной перестановки регистров совмещённой с SHR).

    Ознакомиться с кодированием инструкций, используя сложные "указатели" и "маргиналы", можно по ссылке.

    P.S.: Нетрудно заметить, что с префиксами и "маргиналами" система команд стала значительно сложнее и серьёзнее. А как 8-битная архитектура уже близко подошла к i8086.
    Последний раз редактировалось Alikberov; 26.06.2023 в 15:21.

  6. #5

    Регистрация
    26.01.2016
    Адрес
    г. Мелитополь, Украина
    Сообщений
    156
    Спасибо Благодарностей отдано 
    12
    Спасибо Благодарностей получено 
    42
    Поблагодарили
    24 сообщений
    Mentioned
    0 Post(s)
    Tagged
    0 Thread(s)

    По умолчанию

    на всех прикрепленных изображениях, ничего не видно! разрешение крайне низкое и вникнуть в суть не удается.

  7. #6

    Регистрация
    13.01.2005
    Адрес
    г. Москва
    Сообщений
    5,226
    Записей в дневнике
    7
    Спасибо Благодарностей отдано 
    711
    Спасибо Благодарностей получено 
    1,665
    Поблагодарили
    577 сообщений
    Mentioned
    50 Post(s)
    Tagged
    0 Thread(s)
    С уважением, Станислав.

  8. #7

    Регистрация
    11.04.2023
    Адрес
    г. Ташкент, Узбекистан
    Сообщений
    183
    Спасибо Благодарностей отдано 
    60
    Спасибо Благодарностей получено 
    89
    Поблагодарили
    41 сообщений
    Mentioned
    0 Post(s)
    Tagged
    0 Thread(s)

    Post

    Цитата Сообщение от vegapiratradio Посмотреть сообщение
    на всех прикрепленных изображениях, ничего не видно! разрешение крайне низкое и вникнуть в суть не удается.
    Хм...
    Тогда я дам ссылки на мой github-ресурс (с кодовым именем "Койяанискацци" - трек на modarchive.org)...
    Ссылка на Verilog-модель (сто раз устаревшую)

    Дешифратор команд на комбинаторике (Logisim)



    [свернуть]


    Дешифратор команд на комбинаторике (Proteus)



    [свернуть]


    Полная схема (Logisim - Принстонский прототип с декодером команд на ПЗУ)



    [свернуть]


    Синтез схемы на Quartus



    [свернуть]

    Но, все эти схемы - чисто ради приличия: Редкий энтузиаст возьмётся воспроизводить эту схему из реальных номенклатурных ИМС.
    (более 200 микросхем, по предварительным подсчётам)
    Схемами в симуляции лично я просто убедился, что построить процессор с "дружественным машинным кодом" вполне реально.

    Сейчас сосредоточился на Verilog HDL, чтобы уровень "воспроизводимости" в ПЛИС был самым доступным.

    ИМХО, в эру всяческих нейросетей машинный код подавляющего большинства процессоров продолжает оставаться на уровне "эзотерических бинарных полей".
    Потому, мои исследования сосредоточены на том, чтобы сделать хоть какой-то машинный код именно XXI века, с которым и "домохозяйка" разберётся.

    Таблица исключений для АЛУ



    [свернуть]

    Калькулятор вектора - на ТТЛ и Verilog



    [свернуть]

    Прогонка декодера команд со всеми комбинациями префиксов, маргиналов и исключений



    [свернуть]


    Эзотерика бинарных полей
    В i8080 инструкции MOV Rd,Rt кодируются бинарным полем 01dddttt.
    Тем самым, хоть даже процессор официально - индустриальный и не эзотерический, эту самую эзотерику несут битовые поля в кодировке инструкций.
    Позволю себе промолчать и про все остальные: IA-32, ARM и т.д.

    Почти "Java-машина"
    Выше дана ссылка на эмулятор процессора для РАДИО-86РК.
    А если он достаточно легко эмулируется на РЛК, то можно написать эмулятор и на ZX-Spectrum, и на Yamaha-MSX.
    То есть, получаем "подобие Java-машины", только с "гуманитарным машинным кодом", который не нужно выучивать и зубрить таблицу команд.

    Как можно убедиться, аккумуляторов может быть 10 (A0..A9), так и 100 (A10..A99) или даже тысяча (A100..A999). На программном уровне это доступно.
    В таком случае общее количество РОН становится не 30, а 300 и 3000 соответственно.
    (Если браться собирать процессор "по военному" - на отдельных модулях, то нет никаких архитектурных ограничений на масштабируемость.)

    При "прошивке FPGA" вполне можно указать размер Регистрового Файла, какой только способен уместиться на ПЛИС.
    (Существовал вариант, где всё архитектурное состояние сохранялось непосредственно в ОЗУ, что могло обеспечить многозадачность, но требует до 10 Машинных Циклов на операцию - до 30 тактов.)

    Конвейер
    Теоретически, если бы инженеры Intel открыли бы доступ к микрокоду ядра своих процессоров, перешить его под исполнение программ данной архитектуры не составляло бы никакого труда.
    А значит, производительность была бы на высочайшем уровне.

    Некоторые проблемы "парадигмы"
    Выше уже указывалось, что оп-коды E0..FF - это "заглушки" программных INT'ов, проще говоря - CALL E000..FF00.
    Однако, так они работают только в "сухом виде" - без префиксов (указателей и "маргиналов").
    До сих пор отсутствуют представления о том, как должны работать "указательные INT'ы" и "маргинальные INT'ы".
    А ещё:
    • Указательные-Маргинальные CLC/CMC
    • Указательные/Маргинальные ARG
    • Маргинальный HLT
    Всё это указывается на "скрытый потенциал архитектуры", о котором я не подозревал в 2019 году на первых набросках схематики в Logisim.
    Даже на высоком уровне - в JavaScript, просто не имеется никакого чёткого представления, как обрабатывать "маргинализацию" существующих команд.
    (Пока она просто игнорируется или выполняет "действительно маргинальные операции" из ряда вон: Чертит линии и выводит спрайты, что никак не должно распространяться за пределы экспериментальной эмуляции.)

    P.S.: Всё это - результат двадцатилетних исследований.
    Последний раз редактировалось Alikberov; 27.06.2023 в 18:51. Причина: обновил все скриншоты

  9. #8

    Регистрация
    11.04.2023
    Адрес
    г. Ташкент, Узбекистан
    Сообщений
    183
    Спасибо Благодарностей отдано 
    60
    Спасибо Благодарностей получено 
    89
    Поблагодарили
    41 сообщений
    Mentioned
    0 Post(s)
    Tagged
    0 Thread(s)

    Lightbulb Маргинальные маргиналы…

    ТЕ ЕЩЁ МАРГИНАЛЫ
    Как сказано выше, указание неверного указателя на аппаратном уровне обрабатываются в особенном виде, из-за чего программист может использовать эти резервные механизмы по своему усмотрению.
    Однако, эти самые маргиналы местами просто слишком маргинальны.
    Например, рассмотрим несколько странных инструкций:
    • код «00» - команда останова «HLT»: Переход на адрес 0000 с сохранением точки останова в D0 (регистровой паре B0:C0)
    • код «10 00» - команда останова «HLT [D1+0]»: Безусловный переход на адрес [D1] с сохранением точки останова в D0
    • код «10 10 00» - команда останова «HLT1» или «HLT#1»: Здесь присутствует маргинал - непонятная операция…
    • код «10 10 10 00» - команда останова «HLT 1#D1+0» или «HLT 1#[D1+0]»: Присутствует маргинальный указатель - ещё страннее…

    Нетрудно заметить, что на одной только операции Останова с частной комбинацией префиксов уже довольно неясная ситуация. Даже если браться обрабатывать такие комбинации на самом высоком уровне - эмуляцией в JavaScript, не совсем понятно, что именно с этим безобразием делать…

    МАРГИНАЛЬНЫЕ КАНАЛЫ
    Так как «маргинальные индексы» временно помечались в ассемблере/дизассемблере с «решёткой-шарпом», то это напомнило некоторую аналогию с каналами в Бейсиках (как каналы и потоки ZX-Spectrum).
    Так, есть такой GW-Basic - оператор OPEN - вполне хороший пример.

    Тем самым, вполне можно:
    • код «10 10 00» - команду «HLT#1» можно условно обозначать за «CLOSE#1»…
    • код «10 10 10 00» - команду «HLT#1 [D1]» можно условно обозначать за «OPEN#1 "/dev/…"»…

    Тем самым, у процессора на программном уровне в системе команд появляются две, хоть и побочные, но весьма любопытные операции. Программист получает основные операции работы с файловой системой уже на самом низком уровне.

    Сам процессор может продолжать игнорировать такие операции и ничего не делать.
    Тогда как внешняя периферия и т.н. сопроцессор может перехватывать все эти «маргинальные конструкции инструкций» и производить соответствующую настройку.
    В таком случае, если в системе будут присутствовать «сетевой сопроцессор», «графический сопроцессор» или «математический сопроцессор», уже на уровне ассемблера предоставляется довольно мощное окружение…

    МАРГИНАЛЬНАЯ ЭМУЛЯЦИЯ КАНАЛОВ
    Естественно, о поддержке «маргинального окружения» на аппаратном уровне думать не приходится в принципе!
    Тем самым, следует продумать механизмы прерываний, чтобы поддерживать все эти «маргинальные каналы» на программном уровне драйверов операционной системы.
    Ещё во времена DOS и IBM PC-XT существовали библиотеки эмуляции отсутствующего FPU. Здесь - примерно то же самое…

    ПРИМЕР
    Если мы настроили «Маргинал #1» указателем на строку, типа "/dev/ega/320x240/" как открытия непосредственной проекции EGA-графики, тогда
    Код:
    10 10 80 90 80 80 90 80 80 80 80 80 80 A7
    будет означать «MOV 1#[D8+320D9],A7», что буквально «*(BYTE *)(D8 + 320 * D9) = A7», где D8 - координата X и D9 - координата Y.
    Получается одна длинная операция пиксельной записи в графическую плоскость.

    P.S.: Если достаточно внимательно отнестись к описываемой здесь концепции процессора, можно подметить, насколько эта архитектура проста, но одновременно и противоречива (в хорошем смысле).
    За четыре года наработок в этом направлении мною обнаруживается множество скрытых потенциалов, которые в принципе можно реализовать и на уровне Verilog HDL, что позволит в конечном счёте иметь достаточно мощный 8-битный процессор с гибкой архитектурой.

  10. #9

    Регистрация
    11.04.2023
    Адрес
    г. Ташкент, Узбекистан
    Сообщений
    183
    Спасибо Благодарностей отдано 
    60
    Спасибо Благодарностей получено 
    89
    Поблагодарили
    41 сообщений
    Mentioned
    0 Post(s)
    Tagged
    0 Thread(s)

    Lightbulb 640 тысяч Аккумуляторов хватит всем!

    Обычно процессор устроен чисто как исполнительное вычислительное устройство, выполняющее во времени одну конкретную операцию, не оглядываясь назад с разбором контекста кода.
    Например, у i8080 последовательность
    Код:
    7F 78 79 7A 7B
    как цепочка
    Код:
    	MOV	A,A
    	MOV	A,B
    	MOV	A,C
    	MOV	A,D
    	MOV	A,E
    Просто бессмысленна и работает чисто декоративными NOP'ами на 20 тактов перед ключевой «MOV A,E».
    Чисто гипотетически можно представить инструкцией «MOV A,ABCDE» с операндом «ABCDE» в качестве регистра-транслятора…
    Процессор просто последовательно выполняет цепочку команд, не задумываясь дальше одной операции.

    А что, если…

    Научить дешифратор команд учитывать предыдущий код?

    РЕЗИНОВЫЙ РЕГИСТРОВЫЙ ФАЙЛ
    Для читателя темы, который уже чуточку вник в парадигму архитектуры, будет легче понять кодирование инструкций.

    Приведу небольшой пример…
    Как написано в самом начале, шестнадцатеричные коды A0…A9 служат для выборки конкретного одноимённого аккумулятора.
    • код «A1» активирует регистр-аккумулятор A1
    • код «A1 A2» активирует сначала регистр-аккумулятор A1, а затем активирует A2
    • код «A1 A2 A3» активирует сначала регистр-аккумулятор A1, а затем активирует A2, но в конце-концов активирует A3
    Что происходит? Это - те самые любимые NOP'ы???
    Так быть не должно: Эзотерикой пахнуть просто недопустимо!

    Так, при добавлении довольно нехитрой процедуры проверки ближайшего недавнего кода, дешифратор команд теперь может аккумулировать индексы самого регистра:
    • код «A1 A2» активирует регистр-аккумулятор A12
    • код «A1 A2 A3» активирует регистр-аккумулятор A123

    Продолжив совершенствовать дешифратор команд, можно ключевую команду доработать в том же ключе:
    • код «6F» является командой «MOV A123,A6»
    • код «6F 7F» является сначала командой «MOV A123,A6», а затем «MOV A123,A7»
    • код «6F 7F 8F» является сначала командой «MOV A123,A6», а затем «MOV A123,A7», но в конце-концов «MOV A123,A8»
    Теперь такой поток команд интерпретируется как:
    • код «6F» является командой «MOV A123,A6»
    • код «6F 7F» является командой «MOV A123,A67»
    • код «6F 7F 8F» является командой «MOV A123,A678»

    Тем самым, теперь можно сказать:
    Код:
    A1 A2 A3 A4 A5 6F 7F 8F 9F 0F
    Это составная инструкция «MOV A12345,A67890»…

    То есть, процессор хоть и 8-битный, но количество регистров в нём практически ничем не ограничивается и может достигать сотен, тысяч и миллионов…

    P.S.: Новое слово в концепции «процессорных секций»???

  11. #10

    Регистрация
    26.01.2016
    Адрес
    г. Мелитополь, Украина
    Сообщений
    156
    Спасибо Благодарностей отдано 
    12
    Спасибо Благодарностей получено 
    42
    Поблагодарили
    24 сообщений
    Mentioned
    0 Post(s)
    Tagged
    0 Thread(s)

    По умолчанию

    любопытный процессор получается!
    будет готовая модель на верилог? компилятор для PC?

Страница 1 из 3 123 ПоследняяПоследняя

Информация о теме

Пользователи, просматривающие эту тему

Эту тему просматривают: 1 (пользователей: 0 , гостей: 1)

Похожие темы

  1. Проектирование идеального "советского" компьютера
    от CityAceE в разделе Разработка электроники
    Ответов: 229
    Последнее: 17.11.2022, 07:35
  2. Модуль процессора (МП)
    от Viktor2312 в разделе Ириша
    Ответов: 57
    Последнее: 28.12.2016, 10:02
  3. Ответов: 4
    Последнее: 01.11.2013, 00:47
  4. Ответов: 4
    Последнее: 12.09.2009, 15:35

Ваши права

  • Вы не можете создавать новые темы
  • Вы не можете отвечать в темах
  • Вы не можете прикреплять вложения
  • Вы не можете редактировать свои сообщения
  •