Здравствуйте. Закончились мучения с дисководом, начались новые.
Собрал PAL coder на AD724.
Цвет появился, но по экрану идут горизонтальные полосы.
При загрузке с магнитофона бордюрные полосы идут через весь экран.
Border меняет цвет Paper, муар и мерцание.
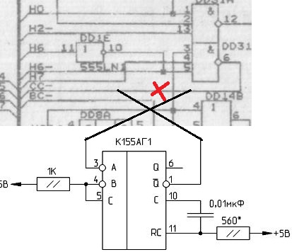
Скрытый текст
![]()
![]()
![]()
![]()
![]()
[свернуть]
Сделал эту доработку,.
Стало еще хуже, изображение сместилось в правую сторону.




.
Ответить с цитированием
Размещение рекламы на форуме способствует его дальнейшему развитию 



