https://zx-pk.ru/threads/30878-pravi...=1#post1156853
- - - Добавлено - - -
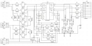
Вместо С6...С9 - светики.
- - - Добавлено - - -
При подключении непосредственено к ВП1-065 обеспечит 57600 Бод, а в разъем ИРПС с оптопарами - до 19200, скорость ограничена именно оптопарами.
При подключении к выводам ВП1-065 никаких разрезов на МС1201.х делать не нужно.
Вместо ЭКФ1554ТЛ2 можно применить ЭКФ1554ЛН1. При подключении к ВП1-065 подойдут и ЭКФ1564ТЛ2, ЛН1.



Ответить с цитированием
Размещение рекламы на форуме способствует его дальнейшему развитию 
