Хмм..., интересно, подумаю. Спасибо.
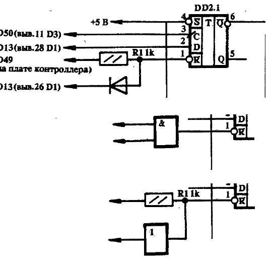
P.S. И так, следующая доработка это турбо. Делать буду по схеме альбома, она же радиолюбитель '94. В форуме читал что на некоторых машинах плохо работает сброс..., из за диода по причине разных уровней. Есть мысль заменить диод логикой, только вот думаю как правильнее: сделать буфер заменив только диод или поставить 2И вместо диода и резистора....
![]()


Ответить с цитированием

Размещение рекламы на форуме способствует его дальнейшему развитию 
