User Tag List

Показано с 1 по 10 из 14

Тема: Создание платы процессора МК-90

Комбинированный просмотр

Предыдущее сообщение Предыдущее сообщение   Следующее сообщение Следующее сообщение
  1. #1

    Регистрация
    01.12.2017
    Адрес
    г. Воронеж
    Сообщений
    1,129
    Спасибо Благодарностей отдано 
    625
    Спасибо Благодарностей получено 
    742
    Поблагодарили
    312 сообщений
    Mentioned
    12 Post(s)
    Tagged
    0 Thread(s)

    По умолчанию

    Цитата Сообщение от ISTP_AT Посмотреть сообщение
    1. Можно ли использовать КР заместо КА, 588го комплекта ?
    Не влезете в ограничение по размерам. Это разный тип корпуса.
    Посмотрите на плату Немиги, вот в каких корпусах КР588:



    Если прям надо, предлагаю метод. Взять одну микросхемку и сошлифовать лицевую сторону чтобы было видно кристалл. Понять размеры и натурально обрезать корпус (естественно уже новой, не сошлифованной) под меньший габарит, обрезать/отпилить/сошлифовать пластик, подпаяться тонким эмалированным проводом к остаткам выводов. Только не переусердствовать, не прямо до микросварки резать.

    Если есть доступ к рентгеновскому дефектоскопу, то задача упрощается.
    Можно даже ещё проще, вы вероятно живёте в Питере, если у вас на станциях метро стоят рентгеновские сканеры, можно прямо к ним подойти и попросить просветить. Перефоткать с монитора, понять взаимное расположение кристалла и корпуса.
    Я вот живу в городе без метро и так сделать не могу (((

    Цитата Сообщение от ISTP_AT Посмотреть сообщение
    2. На что можно заменить 1835РЕ1-0001 и как если это возможно ?
    Возможно!
    Пётр Пятек выкладывал материалы году в 20-м по замене ПЗУ на платку с am29F400 и двумя 373 регистрами. Он всё удалил у себя с сайта в 2022-м году, но! Я всё сохранил! Могу перевыложить если надо.
    Более того, у меня даже остались платы и комплектуха. Но запустить у меня не получилось, видимо я использовал не тот метод пайки, надо было тонкими проводками, а я положил плату на плату. Но у самого Пятека получилось, правда на другой плате, эта может содержать ошибки. (Там и фото есть, что именно получилось)

    Цитата Сообщение от ISTP_AT Посмотреть сообщение
    3. Подойдет ли замена КА1034НР3 на обычные резисторы ?
    Вероятно только с минимальным температурным дрейфом. Их же не просто так делают в интегральном исполнении, важно чтобы они грелись одинаково. Хотя не знаю, может за 30 лет технологии шагнули дальше некуда и можно менять на точные резисторные сборки.

    Цитата Сообщение от ISTP_AT Посмотреть сообщение
    4. Какое сопротивление имеет набор резисторов НР24-1 ?
    https://www.ic-info.ru/upload/iblock...1%86%D0%B0.pdf
    Пишут 2,2 ком.
    Последний раз редактировалось Radon17; 19.01.2024 в 19:01.

  2. #1
    С любовью к вам, Yandex.Direct
    Размещение рекламы на форуме способствует его дальнейшему развитию

  3. #2

    Регистрация
    11.12.2023
    Адрес
    г. Санкт-Петербург
    Сообщений
    24
    Спасибо Благодарностей отдано 
    1
    Спасибо Благодарностей получено 
    0
    Поблагодарили
    0 сообщений
    Mentioned
    0 Post(s)
    Tagged
    0 Thread(s)

    По умолчанию

    Radon17, ой было бы замечательно. Я уже правда написал Петру на почту, но ответ очень долго идет. Выложите где нибудь на диске информацию пожалуйста.

  4. #3

    Регистрация
    01.12.2017
    Адрес
    г. Воронеж
    Сообщений
    1,129
    Спасибо Благодарностей отдано 
    625
    Спасибо Благодарностей получено 
    742
    Поблагодарили
    312 сообщений
    Mentioned
    12 Post(s)
    Tagged
    0 Thread(s)

    По умолчанию

    Цитата Сообщение от ISTP_AT Посмотреть сообщение
    Я уже правда написал Петру на почту, но ответ очень долго идет.
    Скорее всего он и не ответит. Не просто так же он поудалял информацию про советские микрокомпьютеры с сайта.
    Но я зла на него не держу, и так ему большое спасибо за огромную пятнадцатилетнюю работу!

    Цитата Сообщение от ISTP_AT Посмотреть сообщение
    Мне скинули на форуме калькуляторов ссылку на веб архив машину
    Есть как минимум два зеркала его сайта.
    От пользователя DaeMmMon - https://mk.bs0dd.net/piotr433/
    От меня - http://calculators.pdp-11.ru/

    Цитата Сообщение от ISTP_AT Посмотреть сообщение
    получается что сопротивление НР24-1 и КА1034НР3 одинаково 0_о
    НР24-1 это предсерийное внутризаводское название. А КА1034НР3 получила эта же микросхема после государственной регистрации в ЦКБ Дейтон.

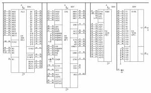
    Цитата Сообщение от ISTP_AT Посмотреть сообщение
    но я там не нашел заветного.
    Вот кусок схемы процессорной платы с сайта. Там видно, что написано КА1034НР3


  5. #4

    Регистрация
    11.12.2023
    Адрес
    г. Санкт-Петербург
    Сообщений
    24
    Спасибо Благодарностей отдано 
    1
    Спасибо Благодарностей получено 
    0
    Поблагодарили
    0 сообщений
    Mentioned
    0 Post(s)
    Tagged
    0 Thread(s)

    По умолчанию

    А можете выложить или же в личку скинуть фото платы (не той что в телеге) ?

  6. #5

    Регистрация
    01.12.2017
    Адрес
    г. Воронеж
    Сообщений
    1,129
    Спасибо Благодарностей отдано 
    625
    Спасибо Благодарностей получено 
    742
    Поблагодарили
    312 сообщений
    Mentioned
    12 Post(s)
    Tagged
    0 Thread(s)

    По умолчанию

    Цитата Сообщение от ISTP_AT Посмотреть сообщение
    Выложите где нибудь на диске информацию пожалуйста.
    Итак, оригинальная дискуссия была тут:
    http://www.leningrad.su/calc/cforum....=12&topicid=61

    Но поскольку файлы удалены, перевыкладываю в оригинальном порядке.
    Всё вместе одним архивом можно скачать тут - http://radon.su/other/zamena_pzu_mk90.zip

    Piotr Piatek написано 12-05-2020 17:53
    У меня есть такой МК-90 с Бейсиком 1.0 и микросхемами в пластмассе. Для опыта я отключил внутреннее ПЗУ и присоединил внешнее с прошивкой 2.0. Вроде заработало.

    Фотографии:
    http://www.pisi.com.pl/piotr433/misc/IMG_1276.JPG
    http://www.pisi.com.pl/piotr433/misc/IMG_1271.JPG
    http://www.pisi.com.pl/piotr433/misc/IMG_1290.JPG


    Radon написано 12-05-2020 18:28
    Piotr Piatek, а можно подробней про подключенный к разъёмы расширения девайс? Это очень интересно!
    Piotr Piatek написано 13-05-2020 00:02
    Схема простая, состоит из защёлки адреса и флеш-памяти:
    http://www.pisi.com.pl/piotr433/misc/mk90_ext.pdf

    Сигнала RDROM (вывод 2 микросхемы КА1835РЕ1) и напряжения питания VCC +5В нет на разъёме.

    (pdf-ка приложена внизу этого сообщения)


    Radon написано 13-05-2020 00:56
    Piotr, а непосредственно вместо РЕ1 это будет работать?
    Piotr Piatek написано 13-05-2020 17:30
    Именно такая была цель проекта. Я даже развёл более компактную плату, которая поместилась бы внутри МК-90, но на этом кончилось. Потерялся интерес
    Файлы проекта в KiCad:
    http://www.pisi.com.pl/piotr433/misc/mk90_rom.zip
    Прошивка:
    http://www.pisi.com.pl/piotr433/misc/29f400.zip
    (файлы прикреплены к этому сообщению снизу)

    Далее я ему писал на почту (надеюсь, Пётр не против обнародования переписки):

    Здравствуйте! Дошли наконец-то руки собрать замену для К1835РЕ1 по вашему проекту. Нашёл программатор, прошил микросхему.
    Хотел бы уточнить по подключению. Достаточно отогнуть ножку питания у ПЗУ и запаять плату на место второй микросхемы, или нужно отпаивать первую полностью?
    Что нужно подавать на контакт J2? Спасибо.





    Здравствуйте, Егор


    >30 января 2022 г. в 14:24
    >Дошли наконец-то руки собрать замену для К1835РЕ1 по
    >вашему проекту. Нашёл программатор, прошил микросхему.


    Я беспокоюсь, так как не проверял проекта платы. Надеюсь что заработает.

    >Хотел бы уточнить по подключению. Достаточно отогнуть ножку питания у
    >ПЗУ и запаять плату на место второй микросхемы, или нужно отпаивать
    >первую полностью?


    Если не выпаивать микросхемы ПЗУ, то надо отогнуть ножку 24 (ROM Chip
    Enable) и подключить её проводом на ножку 1 (VCC +5В).
    http://www.pisi.com.pl/piotr433/misc/IMG_1290.JPG

    Нельзя отсоединять ножку питания, такой режим работы микросхемы не
    допускается.

    >Что нужно подавать на контакт J2?


    Сигнал начальной установки УСТ (SR), например вывод 19 микросхемы DD7
    КА588ВГ1 или контакт 5 внешнего разъёма, но думаю что VCC +5В тоже будет
    достаточно.

    Piotr
    Далее я опишу что конкретно я делал, как прошивал и т.д.

    - - - Добавлено - - -

    Цитата Сообщение от ISTP_AT Посмотреть сообщение
    А можете выложить или же в личку скинуть фото платы (не той что в телеге) ?
    О какой плате речь? Процессорной МК-90?
    Вложения Вложения
    Последний раз редактировалось Radon17; 20.01.2024 в 14:28.

    Этот пользователь поблагодарил Radon17 за это полезное сообщение:

    BYTEMAN(04.01.2025)

  7. #6

    Регистрация
    11.12.2023
    Адрес
    г. Санкт-Петербург
    Сообщений
    24
    Спасибо Благодарностей отдано 
    1
    Спасибо Благодарностей получено 
    0
    Поблагодарили
    0 сообщений
    Mentioned
    0 Post(s)
    Tagged
    0 Thread(s)

    По умолчанию

    Radon17, получается что сопротивление НР24-1 и КА1034НР3 одинаково 0_о

    Мне скинули на форуме калькуляторов ссылку на веб архив машину, но я там не нашел заветного. Возможно просто глаза замылены ночной работой
    Последний раз редактировалось ISTP_AT; 20.01.2024 в 08:43.

Информация о теме

Пользователи, просматривающие эту тему

Эту тему просматривают: 1 (пользователей: 0 , гостей: 1)

Похожие темы

  1. Проектирование процессора
    от Alikberov в разделе Для начинающих
    Ответов: 28
    Последнее: 21.06.2025, 14:00
  2. Тайна процессора Агата
    от litwr в разделе Агат
    Ответов: 44
    Последнее: 14.02.2021, 19:47
  3. Модуль процессора (МП)
    от Viktor2312 в разделе Ириша
    Ответов: 57
    Последнее: 28.12.2016, 10:02
  4. Продам чистые платы, старые платы и немного РУ5Г
    от Electrolooser в разделе Барахолка (архив)
    Ответов: 19
    Последнее: 10.04.2012, 10:44

Ваши права

  • Вы не можете создавать новые темы
  • Вы не можете отвечать в темах
  • Вы не можете прикреплять вложения
  • Вы не можете редактировать свои сообщения
  •