Приветики!
Хочу поделиться с вами схемой, которая добавляет РК градации серого цвета.
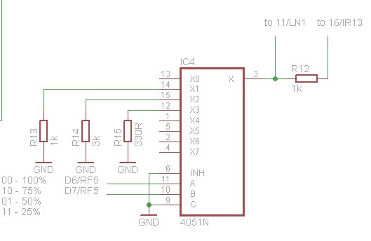
Поскольку в РК ширина символа составляет 6 точек, остаётся два неиспользуемых бита. Эти биты подходят для реализации схемы градаций серого. В левом нижнем углу таблицы символов видно, как заполняются эти биты. В символе каждая линия может иметь свою градацию серого.
Подсвеченная таким образом псевдографика сохраняет быстрые функции по вычислению прозрачности и наложения символов друг на друга. Верхняя часть знакогенератора стандартная, но с подсветкой фона у цифр. Вот, как это выглядит на реале через не очень хорошую карту захвата:
Младший бит приглушает яркость пикселей, старший бит повышает яркость фона. Принцип, как на Спектруме, на одно знакоместо две яркости для чернил, две яркости для бумаги. Тем не менее, имея две дополнительных яркости можно рисовать различимые портреты для разрешения 128х64.
Конвертер картинок: https://vtub.me/86rk/grayscale.html - забирайте на свои сайты, это временный адрес.
Но картинки - не самая сильная сторона схемы, схема создавалась для улучшения графики в играх. Я точно буду писать под неё всякое.
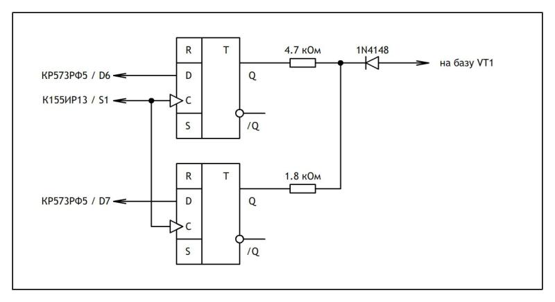
Схема очень простая, в этом заключается её сильная сторона. Я смог собрать всё воедино не имея даже программатора, с аскетичным набором инструментов. Вместо ОЗУ в РК Киселёва втыкал энергонезависимую память DS1244Y, загружал шрифт с магнитофона, потом через переходник втыкал её вместо ПЗУ шрифта.
В разработке активно помогали Барсик, Ведущий Специалист и Руслан Аликберов. Буду рад тестам, предложениям и дополнениям!


Ответить с цитированием
Размещение рекламы на форуме способствует его дальнейшему развитию 

) можно делать неплохую "раскраску" игр.


