Приветствую.
Както лет 10 назад тут проелькнул пост о переаботки Pentagon`а на SMD микросхеемы
Но далше идеи это не продвинулсоь.
Вот решил сам занятся переделкой
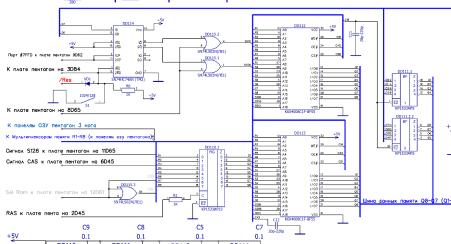
На данный момент отрисовал схему в Диптрайсе.
За основову взял схему 2014 года от Мика
1. Так как планарных аналогов ру5 и ру7 я нати так и не смог, переделал схему на 1024к
2. Интегрировал в схему NEMO-IDE с разводкой на диск 2.5'' и CF карту
3. Интегрировал в схему композитарный цветной выход на основе AD724JR
4. Интегрировал PS/2 клавиатуру на основе 48 меги
5. Так как сечас уже дисководов 5.25'' недостать и все используют в основно последние модели 3.5'' которые в свою очередь питаются только от 5в , не стал заморачиватся с подключеним питаняи 12в , а добавил простенький преоброзователь на основе MC34063ADG, только для ВГ93
6. Так как все затевается ради компактности в качестве AY решил использовать более компакную YA-3-8913, была мысль сделать на эмуляторе, но подумал, что это будет уж осень откланения от классики
7. Добавил турбо режим
Превый вариант схемы и платы:
Схема
Плата (верх)
Плата (низ)
Ошибки в плате обнаруденные на данный момент:
1) DD100 на плате 16 выводная на самом деле 14
2) ошибка в распиновки расзъема PS/2
3) ошибка в размере ширины микросхем RAM
4) ошибка в маркеровки микросхемы U45 - должна быть 74HC175D, а не 74HC164D по распиновки все верно
5) CS1 и CS0 с ОЗУ по ошибке рисования схемы смешались с CS0/ CS1/ из контроллера IDE реобходимо их изолировать друг от друга




Ответить с цитированием
Размещение рекламы на форуме способствует его дальнейшему развитию 

