User Tag List

Показано с 1 по 3 из 3

Тема: Минимальное ядро МС1201.02 на Н1806ВМ2 с батарейным питанием "Звонок-5"

Комбинированный просмотр

Предыдущее сообщение Предыдущее сообщение   Следующее сообщение Следующее сообщение
  1. #1

    Регистрация
    20.04.2013
    Адрес
    г. Павловский Посад
    Сообщений
    4,246
    Спасибо Благодарностей отдано 
    498
    Спасибо Благодарностей получено 
    557
    Поблагодарили
    436 сообщений
    Mentioned
    42 Post(s)
    Tagged
    0 Thread(s)

    По умолчанию Минимальное ядро МС1201.02 на Н1806ВМ2 с батарейным питанием "Звонок-5"

    Универсальна М-ЭВМ на Н1806ВМ2, частично совместимая с МС1201.02 , с возможностью работы от аккума 18650 2 шт. с БИС часов Даллас 12885.

    Основное назначение - дверной музыкальный звонок, для такого применения не требуется доп. модулей, например клавы и индикатора.
    Вычислитель выполнен на ДПП 175 х 119 миллиметров.
    Дополнительные варианты применения :
    1. Калькулятор, в т.ч. программируемый.
    2. Часы , в т.ч. с боем
    3. ЧПУ разнообразное

    ТТХ :
    1. Быстродействие рег-рег - не менее 1 млн в 0 тактов СОЗУ, при 5.5 Мгц ЦП
    2. Объем СОЗУ ( бабарейное ) - 48 + 2 Кбайт, адреса 000000-137777 и 170000-173777
    3. Объем ППЗУ - до 1 Мбайт, в окне 8 Кбайт. Адреса окна - 140000-157777, к-во страниц ППЗУ - до 128 шт.
    Дамп не требует инвертирования адресов и данных.
    4. Адреса БИС часов Даллас 12885S - 176000-176377, используются линии МПИ АД1...АД8
    5. Адреса блока регистров - 177610-177616
    6. Мощность потребления вычислителем в отсуствии звуковоспроизведения и без доп. модулей - не более 0.6 ватт, в основном определяется течкой ЦП
    7. Базовая совместимость с МС1201.02, для 055 дампа ПЗУ
    8. Стерео - Ковокс 2 х 8 бит, допускающий словную запись

    Схема электрическая принципиальна в формате ПДФ :
    https://cloud.mail.ru/public/G2rc/pFLHQ7Lmk - добавлен 1 диодик и управление адресом старта с клавиатуры.
    В формате SCH
    https://cloud.mail.ru/public/gHva/MaEfLp8qh

    Вариант индикатора ( 16-сегментные ) и клавы ( Черри МХ )

    Символы на таком индикаторе :


    Назначение регистров по чтению :
    177610 - данные входных сигналов, биты 000001, 000002, 000004, 040000. Уровень 0 в. соответствует программной "1". Подача на вход М-ЭВМ уровня свыше 4.6 вольт не допускается ( ограничено стабиллитронами КС147А ). Можно использовать пассивные кнопки или герконы.
    177612 - ЦАП батареи, биты 000400...100000. Бит 100000 ставится в программный 0 при макс. заряде, бит 000400 ставится в программный 0 при полном разряде.
    177614 - не используется, есть точка на плате для этого сигнала.
    177616 - чтение внешнего регистра на плате клавы, уровент 0в. - выдача данных.
    Регистры по записи :
    177610 - Ковокс, младший байт биты 000001...000200 - первый канал, старший байт биты 000400...100000 - второй канал. При словной записи пишутся оба байта. Програмное значение 000377 соответствует нулевому выходному напряжению, 000376 - самому малому вых.напр.
    177612 - регистр страниц ППЗУ, сбрасывается в 000177 при сигнале INIT. Состояние 000177 соответствует странице с дампом 055 от МС1201.02.
    177614 - сигнал записи в регистр клавы, сигнал на колодку ХР5 выв. 05. Перепад с 0в. на +5в. соответствует фиксации данных. ( Рекомендуется данные индикатора )
    177616 - сигнал записи в регистр клавы, ХР5 выв. 06 ( Рекомендуется адрес индикатора )
    Так же в битах 000400...020000 этого регистра расположен контроллер Q-SPI на плате клавиатуры.



    Назначение выводов клемников :
    Х2
    01 - общий ( минус ) батареи 18650
    02 - "+" батареи 18650 ( 2.8...4.4 вольт )
    03 - вход силового потребления М-ЭВМ от батареи, подключать выключатель батареи от 03 до 04 выв. клемника
    04 - выключатель расхода батареи, от 03 выв. клемника. Применять выключатели на ток от 2а. долговременно ( по-китайски - на 5а. минимум. )
    Х3
    01 - общий
    02 - динамик 16 ом мл.байт ЦАП
    03 - динамик 16 ом ст.байт ЦАП
    04 - сигнал датчика START3
    Х4
    01 - общий
    02 - сигнал датчика START0
    03 - сигнал датчика START1
    04 - сигнал датчика START2


    ЭБ :
    1.Микросхемы.
    ДД1 - Н1806ВМ2
    ДД2, ДД3 - ЭКФ1564ИР40 замена 74HC533DW, 74AC533DW, 74HCT533DW, 74ACT533DW
    ДД4, ДД11 - ЭКФ1564ЛН1
    ДД5, ДД9 - ЭКФ1564ТМ2
    ДД6 - ЭКФ1564ТЛ2
    ДД7, ДД28 - ЭКФ1564ЛА4
    ДД8 - ЭКФ1564ИД4
    ДД10, ДД12 - ЭКФ1564ЛА3
    ДД13 - ЭКФ1564ЛП9 ( 74HC07D ) замена ЭКФ1533ЛП17
    ДД14 - ЭКФ1564ЛА2
    ДД15, ДД29 - ЭКФ1564ИД7
    ДД16 - 27C801 ППЗУ ДИП-32, замена на 0.5 или 0.25 Мбайт, емкость ППЗУ выбирается перемычками на плате. ЭСППЗУ не подойдут по причине фиксации адреса ими по сигналу CE
    ДД17 - ЭКФ1564ЛЛ1
    ДД18, ДД20 - 62256 СМД, 60...100 НС.
    ДД19, ДД21, ДД24 - ЭКФ1564ИР37
    ДД22 - ЭКФ1564АП3 замена 74HCT240DW, 74ACT240DW, ЭКФ1554АП3, ЭКФ1594АП3
    ДД23 - ЭКФ1564КП11
    ДД25 - ЭКФ1564ТМ9
    ДД26 - ЭКФ1564КП7
    ДД27 - 217ЛБ2 ( 2ЛБ172 )
    ДД30 - DS12885S SMD
    ДД31 - ЭКФ1594АП3 , замена 74HCT240DW, 74ACT240DW ( порог перекл. 1.3 в. КМОП входы )
    ДА2 - LM1117-5 SOT223
    НР1...НР4 - НР1-4-9М 3.3 К
    НР5 - НР1-4-9М 47 К
    НР6 - НР1-4-9М 180К
    ДД100 - ЭКФ1564ЛА3
    ДД101, ДД102 - MC33063AVD SMD
    2. Транзисторы :
    VT1, VT5 - КТ814А, Н21Э ОТ 60
    VT2, VT4 - КТ815А, Н21Э ОТ 60
    VT3, VT6, VT7, VT8, VT12 -КТ315Г
    VT9, VT10, VT11 - КТ863А
    3. Диоды :
    VD1, VD2, VD3, VD6 - КД521, КД512 КП СМД SOD80
    D5 - КД521, КД512
    VD4 - диодная сборка Шоттки 3 а. 10 в. 12CWQ10FN
    VD16 - Д9Б, замена Д310
    D1, D3, D4, D6, D7, D8, D9, D10, D11, D12, D13, D15, D17 - Д9Б
    HL1 - светодиод СМД 3528 ток 5 ма
    4. Стабиллитроны :
    VD5 - КС139А ИЛИ КС147А стекло
    VD7 - рекомендуется Д814Д, при отсуствии DA2 и монтаже R22 0 ом - рекомендуется КС162А
    VD8...VD11, D17 - КС147А СТЕКЛО
    VD17 - КС133А СТЕКЛО

    Пассивная ЭБ


    5. Кварцы :
    Х1 - корпус HC49, частота 11059.2 Кгц., что соответствует примерно 5.5 Мгц ЦП.
    Допустимая замена - от 10000 Кгц и до 11.4 Мгц включительно. Большую частоту поддержат не все экз. ЦП.
    С30 - на КП монтировать кварц 32768 Гц, соответствующий даташиту на DS12885S.
    6. Конденсаторы советские ценные типа К10-17-1в, КМ5а, КМ5б, КМ4а.
    С1 - 100 пф., замена 91...200 пф. Китай недопустим.
    С7, С18 - К10-17-1в 0.1 мк. Подавления шумов ЦАП на высокой частоте.
    С17 - 30 пф., замена 30...51 пф.
    С29 - 30 пф., замена 30...51 пф., определяет период чтения старшего байта из ППЗУ - порядка 70 нс.
    С35, С36 - 100 пф., замена 100...510 пф., для подавления возбуждения УМЗЧ.
    С49, С53 - 1500 пф., определяет рабочую частоту БП.
    7. Конденсаторы китайские 1206 по питанию и в сигнальных местах.
    По питанию +5в. 1 мк...10 мк :
    С4, С13, С14, С19, С20, С28, С31, С32, С60
    Сигнальные на напряжение 6.3 в.. или больше, емкость 1...10 мкф :
    С2, С3, С6, С8, С21, С27, С38, С50, С51
    Сигнальные высоконадежные ( ESR менее 1 Ом ), напряжение от 16в., емкость 1...2.2 мк :
    С5, С24, С54, С57, С58, С59,
    Конденсаторы 1210 100 Мкф от 16 в.
    С37 ( можно 1...100 мкф, не менее 6.3 в. )
    С9, С11, С12, С52 - можно на напряжение 6.3 в.
    С10, С15, С16, С22, С23, С25, С26, С33, С34, С39, С40, С41, С42, С43, С44, С45, С46, С47, С48, С55, С56
    8. Резисторы подстроечные СП5-16ВВ 0.125 вт., 6.8 к :
    R71 - настройка бортового напряжения при питании от зарядки
    R94 - настройка напряжения при питании от аккума ( чуть менее, чем пункт выше ).
    9. Микровыключатель
    S1 - ВДМ1-4, замена - Бренд на ток 10 ма
    10. Резисторы постоянные 0603 :
    R1, R46, R59 - 100 OM
    R2, R9, R12, R45, R51, R72 - 3.9 KOM
    R4 - 240 OM
    R5, R6, R14, R15, R25, R26, R32, R38, R40, R52, R55, R56, R74, R75, R79, R82 - 2 KOM
    R7, R18, R35, R49, R76, R91 - 120 KOM
    R8, R10, R24, R44, R58, R102 - 510 OM
    R11, R21, R34, R41, R53, R92 - 15 KOM
    R16, R51 - 510 KOM
    R17, R33 - 240 KOM
    R19, R37, R69, R81, R90 - 62 KOM
    R20, R39 - 30 KOM
    R23, R36, R43, R54, R50, R70, R83 - 7.5 KOM
    R47, R60 - 51 OM
    R42, R57 1 ком
    Резисторы постоянные 0805 :
    R3, R68, R93 10 OM
    R77, R78 1 OM
    Резисторы постоянные 1206 :
    R61, R62, R67, R84, R85, R86, R87, R97, R98, R99, R100, R101, R103 - 2 OM
    R88, R95 - 15 OM
    R89, R96 - 51 OM
    [свернуть]

    *
    ДПП Клавы и индикатора ( 219 х 119 ):

    Назначение кнопок показано условно, определяется программно, кроме RESET и HALT - это управление ЦП.
    Поддерживается чтение 4-бит ЭСППЗУ QUAD SPI ( на внешней колодке ).
    Схема в ПДФ ( IZM.02 )
    https://cloud.mail.ru/public/uu93/1FBAxeMro
    Схема SCH :
    https://cloud.mail.ru/public/VzRA/aBhucYHzH

    ЭБ :
    1. Микросхемы :
    ДД1, ДД2, ДД4 - ЭКФ1554ИР37 ( замена ЭКФ1564ИР37, ЭКФ1594ИР37 )
    ДД3 - ЭКФ1564АП6
    ДД5, ДД6 - ЭКФ1564ИД7
    ДД7 - ЭКФ1564ЛН1
    ДД8 - ЭКФ1564ТМ9
    ДД9 - ЭКФ1564ЛН2, замена ЭКФ1554ЛН2
    ДД10 - ЭКФ1594АП6 ( 74HCT245DW или 74ACT245DW ), порог входов в районе 1.3 в.
    ДД11, ДД12 - ЭКФ1564ЛА3
    2. Транзисторы :
    VT1...VT16 - КТ209В, или др. с кооф. усиления от 50 и макс. током от 200 ма.
    VT17 - КТ3102ГМ или КТ3102ЕМ, кооф. усиления от 200 и макс. током от 200 ма.
    3. Диоды и стабиллитроны :
    Д1...Д6 - Д9Б или Шоттки, на ток 10 ма и падение напряжения не более 0.4 в.
    Д7 - стабиллитрон КС139А стекло.
    4. Индикаторы :
    HL1, HL2 - светодиод размера 3528, ток 10 ма.
    HG1...HG8 - KYX-5241AS общий катод, 15-сегментные сдвоенные.
    https://aliexpress.ru/item/325845095...68071cf98AeYfe
    5. Кнопки и тумблеры :
    SA1 - тумблер ПД-1
    SW1...SW24 - Черри-МХ Китай. Дешовый аналог :
    https://aliexpress.ru/item/100500320...cket_id=293744
    Колпаки к кнопкам от обычной клавы :
    https://aliexpress.ru/item/100500368...53804e08TPKqrL

    6. Конденсаторы СМД :
    Конденсаторы 1206 1 мкф 6.3 в. по питанию :
    С2, С3, С5
    Конденсаторы 1210 100 мкф 6.3 в. по питанию :
    С1, С4
    7 Резисторы СМД 0805 ( или 0603 )
    R1...R16 - рекомендуется 180 ом, возможно подобрать для сегментов индикатора с 1 шт. светодиодом в большую сторону, например 360 ом.
    НР1 - 3.3 ком или типа такого, не менее 1.2 ком.
    R19...R25, R27 - 2.2....3.3 kom
    R25 - 1 kom
    R26 - 10...20 om

    Регистры :
    По чтению 177616 , биты :
    000001, 000002, 000004, 000010 - данные клавиатуры, программно "1" - кнопка нажата.
    000020, 000040, 000100, 000200 - в резерве, могут быть применены пользователем.
    000400 ( D0 ), 001000 ( D1 ), 002000 ( D2 ), 004000 ( D3 ), 010000 ( D4 CKL ), 020000 ( D5 CS )- чтение данных порта SPI, электрический уровень 0в. соответствует программной "1".
    По записи 177614, биты :
    000001, 000002, 000004....040000 - сегменты индикатора, программный "0" - сегмент светится.
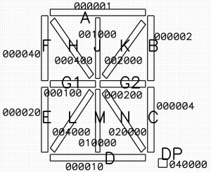
    100000 - индикатор состояния, программный "0" - индикатор светится. Карта сегментов индикатора :



    По записи 177616, биты и байты ( только байтовая запись - в ст. или мл. байты ):
    000037 - вкл. младший ( первый ) разряд индикатора, 1 скан клавы.
    000036 - вкл. второй ( слева ) разряд индикатора, 2 скан клавы
    000035 - вкл. третий ( слевы ) разряд индикатора, 3 скан клавы
    000034 - 4 разряд индикатора и клавы
    000033 - 5 разряд индикатора и клавы
    000032 - 6 разряд индикатора и клавы
    000031 - 7 разряд индикатора
    000030 - 8 разряд индикатора
    ...
    000020 - 16 разряд индикатора
    Биты порта SPI :
    000400 ( D0 ), 001000 ( D1 ), 002000 ( D2 ), 004000 ( D3 ), 010000 ( D4 CLK ), 020000 ( D5 CS ).
    Запись числа 000400 соответствует электрическому уровню 0в. на выв. БИС ЭСППЗУ "D0"
    Все биты порта SPI сбрасываются в состояние +3в. по сигналу INIT
    Последний раз редактировалось MM; 12.08.2025 в 17:15.
    Блог : http://collectingrd.kxk.ru/ . В ЛС прошу не писать, все сообщения MMTEMA@MAIL.RU

  2. #1
    С любовью к вам, Yandex.Direct
    Размещение рекламы на форуме способствует его дальнейшему развитию

  3. #2

    Регистрация
    20.04.2013
    Адрес
    г. Павловский Посад
    Сообщений
    4,246
    Спасибо Благодарностей отдано 
    498
    Спасибо Благодарностей получено 
    557
    Поблагодарили
    436 сообщений
    Mentioned
    42 Post(s)
    Tagged
    0 Thread(s)

    По умолчанию

    Схема модуля - приставки RS-232 на К1801ВП1-065 или К1801ВП1-035 + MAX232 :
    https://cloud.mail.ru/public/vgBG/v9YTU1HgN - в PDF
    https://cloud.mail.ru/public/BdYa/BHG4uBX4N - в SCH
    https://cloud.mail.ru/public/DpTB/ApZLES7V2 - в PCB
    https://cloud.mail.ru/public/kxy8/D1XiF6XRq - архивчик Герберов
    https://cloud.mail.ru/public/oGRE/5R4szabK5 Изм.01
    Размер ДПП - 60 х 70 миллиметров.
    Топнормы - трек 0.2, зазор 0.2, мин отверстие 0.4.
    Модуль подойдет и к БК0010, БК0011/М через проволочный переходник.
    Кварц - 4608 Кгц, стабиллитроны Д814Д1 стекло 8 шт, флешка - какая попадется, от 4 метров Q-SPI.
    Микросхемы : ЛН1, ЛЛ1, ВП1, МАХ232 СМД.

    Модуль подключается к плате вычислителя "Звонок-5" или к плате клавы и индикации - тогда будет доступна флешка.

    Назначение микровыключателей SA1 :
    1. В разомкнутом состоянии отключает подачу частоты 50 Гц на вход прерываний таймера ЦП ( 100 вектор )
    2. Выбор битрейта трафика ВП1 - вход FR0 ( для битрейта 9600 Бод включить ( замкнуть ) )
    3. Выбор битрейта трафика ВП1 - вход FR1 ( для битрейта 9600 Бод выключить ( разомкнуть ) )
    4. Выбор битрейта трафика ВП1 - вход FR2 ( для битрейта 9600 Бод включить )
    5. Выбор битрейта трафика ВП1 - вход FR3 ( для битрейта 9600 Бод выключить )
    6. Вход выбора адреса ACL1 ВП1 - для адреса 177560 включить ( замкнуть контакты ).
    7. Вход выбора адреса ACL0 ВП1 - для адреса 177560 включить ( замкнуть контакты ).
    8. Выключатель входа готовности передатчика ВП1 - для 2-проводной линии связи рекомендуется включить ( передатчик всегда готов ).

    Для скорости 57600 выключатели 2 и 3 выключить ( разомкнуть ), а 4 и 5 - включить ( замкнуть )

    Назначение резисторов конфигурации :
    R8 монтировать, а R10 - не монтировать при применении К1801ВП1-065, при применении -035 R10 монтировать, а R8 - нет.
    R12 - монтировать при отсуствии на разъеме МПИ сигнала BS7 ( например в БК0010 )

    ТО К1801ВП1-065 :
    https://github.com/1801BM1/k1801/tree/master/065

    Приглашаются спонсоры проекта.
    Последний раз редактировалось MM; 13.07.2025 в 13:36.
    Блог : http://collectingrd.kxk.ru/ . В ЛС прошу не писать, все сообщения MMTEMA@MAIL.RU

  4. #3

    Регистрация
    20.04.2013
    Адрес
    г. Павловский Посад
    Сообщений
    4,246
    Спасибо Благодарностей отдано 
    498
    Спасибо Благодарностей получено 
    557
    Поблагодарили
    436 сообщений
    Mentioned
    42 Post(s)
    Tagged
    0 Thread(s)

    По умолчанию

    Платы вычислителя в продаже 600 руб
    https://zx-pk.com/forum/viewtopic.php?t=24760

    ТО платы вычислителя


    Код:
    Техническое Описание схемы электрической принципиальной М-ЭВМ "Звонок-5" вариант схемы №22 от 28.06.2025 Изм.01
    
    Описание согласно Блок-схеме М-ЭВМ.
    0. Описания участков схемы :
    1. Генератор тактовой частоты ЦП.
    2. Устройство контроля напряжения питания +5в
    3. Устройство управления сигналом AR 
    4. Регистр адреса шины инвертирующий.
    5. Селектор устройств.
    6. Распределитель адресов регистров
    7. Регистр страниц ППЗУ
    8. ППЗУ
    9. СОЗУ
    10. АЦП
    11. БИС часов Даллас
    12. Стерео-Ковокс
    13. Регистр начального пуска
    14. Регистр входных сигналов М-ЭВМ
    15. УМЗЧ
    16. Зарядное устройство аккумуляторной батареи
    17. Встроенный БП с питанием от внешнего источника ( USB зарядки 2а.)
    18. Разъем шины МПИ
    19. ЦП Н1806ВМ2
    
    1. Генератор тактовой частоты ЦП.
    Генератор выполнен на ИС 1564ЛН1 ДД4.4, ДД4.5, ДД4.6 , кварце Х1 частотой 11059.2 Кгц ( для расширенного диапазона
     температур эксплуатации  рекомендуется кварц частотой 10 Мгц ), и резисторах R5 и R6 2 ком, а так же конденсаторе
     С1 номиналом 200пф ( К10-17-1в, КМ5а, КМ5б, КМ4а. ).
    Частота 11059.2 Кгц делится на 2 триггером ДД5.1 1564ТМ2, для получения частоты с скважностью 2, необходимой для
     надежной работы ЦП ДД1 Н1806ВМ2 , и поступает на вход CLCI выв.21 ЦП.
    2. Устройство контроля напряжения питания +5в. М-ЭВМ.
    Устройство  выполнено на резисторе R1 номиналом 100 ом, стабиллитроне VD17 КС133А в стеклянном корпусе, резисторе 
    R8 номиналом 510 ом, зашунтированном конденсатором С2 1206 1 Мкц 6.3 в. . Эта цепочта вырабатывает сигнал POK,
    который становится в лог. уровень "1" ТТЛ ( свыше 1.4 в. ) при наличии напряжения по линии +5в. не менее 4.90 в.
    Конденсатор С2 устраняет шум сигнала POK, который может возникать по линии +5в. от работы микросхем. Расчетный ток 
    через стабиллитрон VD17 порядка 3 ма, что ориентировочно соответствует напряжению стабиллизации 3.2 вольт.
    Сигнал POK используется ИС ДД27 217ЛБ2, которая фактически является коммутатором сигнала выборки БИС СОЗУ, при 
    низком уровне сигнала POK ( менее 0.8 в. ) выборка БИС СОЗУ не производится ( т.е. в СОЗУ сохраняется информация
    , имеющаяся там до аварии питания ).
    Так же сигнал POK поступает на детектор уровня +1.4 в., выполненный на R4 номиналом 240 ом, диоде КД512А VD1,
    резисторе R10 номиналом 510 ом, конденсаторе С6 1206 1 мкф 6.3 в., и транзисторе VT7 КТ315Г . При наличии сигнала 
    POK уровень на коллекторе VT7 не превышает 0.5 в., что воспринимается элеменом ДД7.3 1564ЛА4 как лог.0., вызывая
     появление на его выходе выв. 08 ДД7.3 уровня +5в., который поступает на повторитель с открытым коллектором ДД13.1
     выв. 01, 1564ЛП9, вызывая его отключение ( отклюение выхода ДД13.1 выв. 02 от общего провода ), что позволяет
    начать зарядку времязадающего конденсатора С27 1206 1 Мкф 6.в. через резистор R7  номиналом 120 Ком, до уровня
     порядка 3 вольт, достаточного для срабатывания триггера Шмитта ДД6.1 1564ТЛ2, который совместно с
    подключенным к нему ДД6.2 вырабатывает сигнал сброса ЦП DCLO. При уровне 0в. на этом сигнале работа ЦП невозможна,
    и производится установка узлов ЦП в начальное состояние. Времязадающая цепочка R7 и С27 обеспечивает задержку 
    после появления напряжения питание +4.9 в. до снятия сигнала DCLO порядка 0.1 сек. На времязадающей цепочке 
    R9 3.9 ком и С3 1206 1 Мкф 6.3 в. вырабатывается задержка порядка 30 мс от снятия сигнала DCLO до снятия сигнала 
    ACLO ( переход уровня с 0 в. до +5в. ), вызывающая пуск ЦП. Нормируемая задержка между сигналами DCLO и ACLO в
    70 Мс в ЦП Н1806ВМ2 не используется, достаточно задержки не менее 80 шт. тактов сигнала CLCI. Сигнал с 
    времязадающей цепочки R9 и С3 усиливается и инвертируется триггером Шмитта ДД6.3 1564ТЛ2.
    3. Устройство управления сигналом AR . Выполнено в соответствии с рекомендациями из ЩИ3.480.175 ТО Н1806ВМ2
    стр.47.
    Устройство состоит из инвертора сигнала ЦП CLCO ДД11.3 1564ЛН1, инвертирующего триггера шмитта ДД6.5 1564ТЛ2 
    ( он же вырабатывает сигнал ALE ), 2 шт. Д-триггеров ДД9.1 и ДД9.2 1564ТМ2, и элемента И-НЕ ДД10.2 1564ЛА3.
    Так же примена времязадающая цепочка R17 ( 100 ом ) и С17 1206 100 пф., на которой формируется время удержания
     адреса на шине после перехода сигнала SYNC с уровня +5в. до уровня 0в. ( рекомендуется ~~50 нс ).
    Суть работы этого учасчтка Э3 - высталять сигнал AR только на 1 такт сигнала тактовой частоты CLCO , что бы 
    исключить простой ЦП из-за переходных процессов на шине. Это не относится к КМ1801ВМ2.
    4. Регистр адреса шины инвертирующий.
    Участок выполнен на 2 шт. 1564ИР40, для строба захвата адреса используется сигнал ЦП SYNC - при переходе этого
     сигнала с уровня +5в. на уровень 0в. адрес в регистре фиксируется. При уровне +5в. на сигнале SYNC адрес 
    передается через регистр без фиксации. Инвертирующий регистр адреса полезен для ППЗУ - позволяет при прошивке
     дампа избежать процедуры инвертирования адресов, т.к. в стандарте Интел за лог "0" принят уровнеь 0в.,
    а в ф. DEC в шине МПИ ( используется ЦП Н1806ВМ2 ) лог."0" соответствует уровень +5в.
    5. Селектор устройств. Состоит из следующих блоков :
    5.1. Селектор адресов для БИС часов Даллас DS15885S ДД2. В данном варианте схемы выбран участок АП МПИ в диапазоне
    176000-176377 ( 8 ).Схема селектора содержит элемент ДД28.1 1564ЛА4, выделяющий диапазон адресов 160000-177777
    уровнем 0в. на своем выходе выв.12 ДД28.1, и дешифратор ДД29 1564ИД7, выполняющий функцию селектора диапазона
    адресов в области 160000-177777 при низком уровне на своем входе строба выв.05, подключенном к линии адреса А8,
    на которой уровень 0в. бывает в диапазоне адресов 000000....000377, 001000...001377, 002000...002377  и т.д.
    Селекция адресов производится на основе уровней по линиям адреса шины А9 ( значение 001000 ) выв. 01 ДД29,
    А10 ( значение 002000 ) выв.02 ДД29, А11 ( значение 004000 ) выв. 03 ДД29, и А12 ( значение 010000 ) выв. 06
    ДД29. В момент наличия адреса в диапазоне 176000...176377 на выв. 09 дешифратора ДД29 появляется уровень 0в.,
     поступающий на выв.13 CS БИС часов ДД2, и разрешающий выборку регистров БИС в цикле обращения шины МПИ.
    Отдельный блок выборки адресов БИС часов необходим в связи с тем, что сигнал выборки CS БИС должен появляться до
    начала цикла обмена по шине.
    5.2. Селектор адресов СОЗУ выполнен на элементе ДД10.3 1564ЛА3, на выходе которого выв. 08 появляется уровень
     0в при наличии адреса шины в диапазоне 140000....177777, и мультиплексора ДД26 1564КП7, который на основе 
    состояния линий адреса А11 выв. 11 ДД26 ( значение 004000 ), А12 выв. 10 ДД26 ( значение 010000 ).и А13 выв.09
    ( значение 020000 ) и сигнала строба выв. 07 ДД26, поступающего с выхода элемента ДД10.3 выв. 08 вырабатывет 
    уровни в соответствии с своими входами данных выв. 01...04 и выв. 12...15. В данном варианте схемы на выходе 
    ДД26 выв.06 будет уровень 0в. в диапазоне адресов шины 140000...167777 и 174000...177777, запрещающий работу 
    СОЗУ в данных адресах.
    5.3. Распределитель адресов ППЗУ и регистров выполнен на дешифраторе ДД15 1564ИД7, на входы которого поступают
    сигналы :
    выв. 06 строб прямой - сигнал наличия обмена ( чтение или запись данных ) по шине ( обмен при уровне +5в. ) 
    выв. 04 строб инверсный - сигнал шины МПИ SYNC, обмен по шине возможен при уровне 0в. данного сигнала.
    выв.01 адрес прямой - сигнал адреса шины А13 ( значение 020000 )
    выв.02 адрес прямой - сигнал адреса шины А14 ( значение 040000 )
    выв.03 адрес прямой - сигнал адреса шины А15 ( значение 100000 ).
    На выходах ДД15 вырабатываются сигналы при обращении к устройствам :
    выв.09 диапазон адресов 140000...157777 - сигнал для селекции страницы ППЗУ, уровень 0в. - ППЗУ выбрано
    выв.07 диапазон адресов 160000...177777 - сигнал для выборки блока регистров, уровень 0в. - блок выбран.
    6. Распределитель адресов регистров выполнен на элементах :
    ДД17.2, ДД17.3, ДД17.4 1564ЛЛ1
    ДД14 1564ЛА2
    ДД11.6 1564ЛН1
    На выходе ДД17.2 1564ЛЛ1 появляется уровень 0в. в момент наличия обмена в диапазоне адресов шины 177610...
    177617, разрешающий работу дешифратора ДД8 1564ИД4, на входы которого так же поступают сигналы :
    выв.13 - сигнал адреса А1 ( значение 000002 )
    выв.03 - сигнал адреса А2 ( значение 000004 )
    выв.01 - сигнал шины DIN инвертированный ( активный уровень +5в. )
    выв.14 - сигнал шины DOUT  ( активный уровень 0в. ) 
    Таким образом ДД8 вырабатывает сигналы доступа к регистрам выв. 04...07 - по чтению ( выборка = 0в. ), и 
    выв.09...12 - по записи, уровень 0в. - запись, момент фиксации данных - переход с уровня 0в. на уровень +5в.
    Так же с выв. 06 ДД17.2 1564ЛЛ1 сигнал выборки поступает на повторитель с открытым коллектором ДД13.6
    1564ЛП9, выход которого подключен к линии шины МПИ RPLY ( ответ устройства ).
    7. Регистр страниц ППЗУ выполнен на триггерах ДД25 1564ТМ9 и секции ДД5.2 1564ТМ2.
    Сигнал записи данных в регистр поступает с выв. 10 ДД8 1564ИД4, соответствует адресу 177612, действующие биты :
    000001, 000002, 000004, 000010 000020, 000040 и 000100. Значение по записи "000177" соответствует 000000 
    странице. ППЗУ, значени 000176 - "первой" странице, 000175 - "второй" и т.д.
    Регистр сбрасывается в состояни 0в. на выходах ( эквивалент по записи "000177" ) при поступлении сигнала шины 
    МПИ INIT, обеспечивая  первоначальный старт М-ЭВМ, т.к. в 000000 странице ППЗУ расположена стартовая программа
     ( или обычно дамп  055 ПЗУ от МС1201.02 ).      
    8. ППЗУ выполнено на 1 шт. СБИС ДД16 M27C801, инвертирующем шинном усилителе ДД22 1564АП3, и регистре-фиксаторе
    данных старшего байта ППЗУ ДД24 1564ИР37.
    Схема управления ППЗУ выполнена на элементе ДД17.1 1564ЛЛ1, разрешающем выборку ППЗУ только при активном 
    уровне сигнала шины DIN = 0в., и схеме обеспечения выборки последовательно старшего, а затем младшего байта
     из единой последовательности байтов ППЗУ - ДД28.2 1564ЛА4, усилителя-повторителя с открытым коллектором ДД13.2
    1564ЛП9, времязадающей ( ~100 нс )  цепочки R11 18 ком и С29 30 пф,, триггера Шмитта ДД6.4 1564ТЛ2, инвертора
    ДД11.1 1564ЛН1, и повторителя с открытым коллектором ДД13.4 1564ЛП9, который обеспечивает выдачу на шину МПИ
    сигнала о выполненном обмене RPLY ( "данные готовы" ). В момент начала цикла чтения ППЗУ конденсатор С29 разряжен
    и имеет напряжение, близкое к 0в., которое поступает на вход инвертирующего триггера Шмитта ДД6.4 1564ТЛ2,
    с выхода которого выв.08 в этот момент выходит уровень +5в.,который поступает на вход А0 выв. 12 СБИС ППЗУ,
    обеспечивая чтение старшего байта данных слова. Через примерно 100 нс. конденсатор С29 заряжается до примерно
     уровня +3в., достаточного для переключения триггера Шмитта ДД6.4 в противоположное состояние, что 
    сопровождается выставкой на его выходе выв. 08 уровня 0в., который инвертируется элементом ДД11.1 и с его 
    выхода выв. 02 поступает на вход разрешения записи регистра ДД24 1564ИР37, для фиксации данных старшего байта
    2-х байтового слова. Соответственно, на выв. 12 А0 ППЗУ появляется уровень 0в., что сопровождается выборкой
     младшего байта данных 2-х байтового слова . При применении очень медленных ППЗУ целесообразно увеличить 
    задержку переключения старшего/младшего байта, увеличив номинал R11.
    Имеется возможность применять менее емкие ППЗУ, настроив доступ к ним с помощью перемычек R63...R66.
    Допускаются емкости ППЗУ 0.5 Мбайт и 0.25 Мбайт, с соответствующей коррекцией контента.
    Применение ЭСППЗУ невозможно, т.к. по сигналу выборки CS у них фиксируется адрес, а в ППЗУ серии 27 - 
    не фиксируется. 
    9. СОЗУ выполнено на 2 шт. БИС 62256-70 нс ( допускаются разные фирмы - изготовители ), и схемы управления доступом 
    в составе :
    ДД27 - 217ЛБ2 - устройство коммутации сигнала выборки СОЗУ CS выв.20 СОЗУ ДД18 ( мл. байт ), ДД20 ( ст.байт ) в
    соответствии с сигналом "Питание нормально" ( линия POK, уровень +1.5 в. = работа СОЗУ разрешена ) 
    ДД12.1 и ДД12.2 1564ЛА3, выполняющих коммутацию выборки старшего или младшего байта при байтовом доступе ( записи )
    ДД11.5 1564ЛН1, инвертирующего сигнал "запись байта" WTBT шины МПИ, на выв. 10 которого присуствует уровень
    +5в. при байтовом доступе.
    ДД7.2 1564ЛА4, обеспечивающем совпадение сигналов разрешения выборки СОЗУ с мультиплексора ДД26 1564КП7, сигнала
     обмена данными шины "IO" ( уровень +5в. = обмен выполняется ), и сигнала шины ALE ( инвертированный сигнал 
    МПИ SYNC ), уровень сигнала ALE = +5в. - обмен возможен.
    ДД13.5 1564ЛП9 повторитель с открытым коллектором, для выдачи сигнала завершения обмена шины МПИ RPLY 
    ( уровень 0в. = обмен завершен ).
    ДД4.2 1564ЛН1 - инвертор, обеспечивающий уровень разрешения выборки СОЗУ +5в. для коммутатора ДД27 217ЛБ2.
    ( т.к. сигнал разрешения работы СОЗУ на выв. 06 ДД7.2 имеет напряжение 0в. )
    Так же применены германиевые ( или Шоттки )  диоды типономинала Д9Б для коммутации напряжения питания БИС СОЗУ
    от линии +5в.( VD16 ) или от батареи ( Д9 ). Типовое напряжение батареи для сохранения данных +3в., ток 
    потребления БИС СОЗУ от батареи - не более 1 мка ( определяется типономиналом БИС СОЗУ ).
    10. АЦП выполнено на массиве германиевых диодов Д9Б Д3, Д4, Д6, Д10, Д11, Д12, Д13, Д14, транзисторе VT8 КТ315Г,
    ИС  ДД31 1594АП3 и нескольких резисторах. Конденсатор С38 1 мкф 6.3 в. 1206 устраняет возможные помехи в 
    отслеживаемом напряжении батареи. Напряжение переключениия входов шинного инвертирующего формирователя 1594АП3 
    - порядка 1.5 вольт. При максимальнот заряженной батаре на базе транзистора VT8 будет порядка 4.4 в., на его
    эмиттере порядка 3.8 вольт. Через каждый диод просядет порядка 0.3 в., и на выв. 08 ДД31 будет электрическая "1",
    которая после инвертирования превратится в электрический "0", что для шины МПИ означает лог. "1" - т.е. все биты
    АД8 ( 000400 ), АД9 ( 001000 ), АД10 ( 002000 ), АД11 ( 004000 ), АД12 ( 010000 ), АД13 ( 020000 ), АД14 
    ( 040000 ) и АД15 ( 100000 ) будут читаться шиной как лог. "1", образуя число 177400. 
    При применении батареи на напряжение 4.2 вольт возможное значение регистра АЦП ( адрес на чтение 177612 ) при
     полной зарядке - 077400 ( 8 ).
    11. БИС часов Даллас DS12885S подключена к шине МПИ на биты АД1 ( 000002 ), АД2 ( 000004 ), АД3 ( 000010 ),
     АД4 ( 000020 ), АД5 ( 000040 ), АД6 ( 000100 ), АД7 ( 000200 ), АД8 ( 000400 ), и выбирается только в словном
     режиме шины в диапазоне адресов 176000...176377. В связи с инверсией шины МПИ по отношению к Интел-шине 
    ( на которую рассчитана БИС часов ) необходимо это учитывать при программировании БИС. Адреса регистров БИС 
    так же инвертированы.
    Сигнал прерывания БИС часов может подключаться к шине МПИ на линию EVNT ( прерывание по 100 вектору ) через
    перемычку R48.Используется миниатюрный кварц для подключения к КП С30 1210. Кварц должен иметь параметры
    для работы именно с данной БИС часов ( см. даташит  БИС ). Ожидаемый дрейф показаний часов за 1 сутки - 
    порядка 1 сек. ( сопостиавим с дрейфом часов ПК ). Цепочка R12 0603 3.9 ком и VD5 стабиллитрон КС139 стекло
    обеспечит защиту БИС часов при питании от полностью заряжнной батареи, ограничивая напряжение на уровне 
    порядка 3.5 в. ( при напряжении батареи 4.4 в. ) . Номинал конденсатора С37 1210 - в диапазоне 1...100 мкф 
    6.3 в. Выв. 21 БИС незадействован, сброс показаний производится отключением батареи ( или замыканием С37 ).
    Сигнал ответа шины МПИ RPLY вырабатывется с задержкой примерно 100 нс через цепочку логики ДД4.3 1564ЛН1, 
    ДД28.3 1564ЛА4 и далее следует к цепочке элементов выработки задержки при чтении ППЗУ. Само ППЗУ при
    обращении к БИС часов неактивно ( вход СБИС ППЗУ ДД16 выв. 22 имеет уровень +5в. ).
    Для запуска генератора и отсчета надо записать 000242 в регистр БИС часов 176352
    12. Стерео-Ковокс выполнен на регистрах ДД19 ( мл. байт ) и ДД21 ( ст. байт ) 1554ИР37 и наборе резисторов.
    Имеет адрес на шине 177610, поддерживает как словную запись ( сразу ст. и мл. байты ), так и раздельную 
    байтовую запись, где адрес 177610 - мл. байт, 177611 - ст. байт. Управляют байтовой записью элементы
    ДД12.3 и ДД12.4 1564ЛА3, в соответствии с значением адресной линии А0 ( при байтовой записи ). Сигнал записи
     формирует ДД8 1564ИД4 выв. 09 при уровне 0в.
    Высокочастотные шумы ЦАП подавляются конденсаторам 1206 0.1 мкф С7 и С18, примерно на отметке 20 Кгц.
    Выходной уровень ЦАП пик-пик на конденсаторах С7 и С18 - порядка 0.1 в. при номинале R47 и R60 0805 51 ом.
    Питание регистров ДД19 и ДД21 идет через RC фильтр R3 0805 10 ом и С9 1210 100 мкф 6.3 в., для подавления шумов
    по линии питания.
    13. Регистр начального пуска ( РНП ) выполнен на элементах :
    ДД11.4 1564ЛН1 инвертирует сигнал обращения ЦП к скрытой области АП при уровне на выв. 49 SEL ДД1 0в. 
    ДД11.2 1564ЛН1, он же вырабатывает сигнал Инверсный DIN ( чтение данных с МПИ в ЦП ). 
    ДД7.1 1564ЛА4 логика 3И-НЕ, обеспечивает выработку на выходе выв.12 ДД7.1 уровня 0в. при наличии уровней :
    - сигнал ЦП SEL = 0в.
    - сигнал ЦП SYNC +5в. 
    - сигнал ЦП DIN = 0в.
    Сигнал с выхода ДД7.1 выв. 12 поступает на адресный вход мультплексора ДД23 1564КП11,
    а так же на элемент 2И-НЕ ДД10.4 1564ЛА3 с подключенным к нему инвертором ДД6.6 1564ТЛ2, далее
    сигнал с выв. 12 ДД6.6 поступает на вход выборки разрешения работы мультиплексора ДД23 выв.15
    ( уровень 0в. - работа разрешена ).
    Таким образом мультиплекор ДД23 может выдавать значение РНП на шину МПИ при уровне 0в. на его адресном
    входе выв.01, или значение входных линий от внешних датчиков М-ЭВМ ( при адресе регистра датчиков 
    177610 ). 
    При наличии сигнала чтения РНП так же используется элемент ДД13.3 с открытым коллектором 1564ЛП9, который
    выдает на шину МПИ линию адреса РНП АД15, которая всегда равна 100000 .
    Некотрые линии данных РНП можно переключить микровыключателем S1 - АД0, АД1, АД2, АД14.
    Линии АД0...АД2 используются дампом 055 ПЗУ от МС1201.02. Линию АД14 можно использовать для задания
    адреса старта 100000 - т.е. из СОЗУ ( не ППЗУ, адрес которого 140000 )..
    14. Регистр входных сигналов М-ЭВМ выполнен на мультиплексоре ДД23 1564КП11 и защитных стабиллитронах 
    VD8...VD11 КС147А стекло, зашунтированнх конденсаторами 1206 1 Мкф 10 в. для подавления радиопомех,
     в т.ч. от телефонии. Используются линии клемных коннекотров М-ЭВМ :
    START0 - АД1 ( 000002 ) Х4 выв. 02
    START1 - АД0 ( 000001 ) Х4 выв. 03
    START2 - АД2 ( 000004 ) Х4 выв. 04
    START3 - АД14 ( 040000 ) Х3 выв. 04
    Уровни лог. 0 - свыше +3., лог. "1" - менее 1 в.
    Не рекомендуется подавать на входы напряжение свыше 4.5 вольт. 
    Для обеспечения защиты от внешних поражающих факторов ( например разряда молнии ) линии START0...START3
     рекомендуется подключать к М-ЭВМ через резисторы 3...5.1 ком 2++ ватт каждый,желательно типономинала МЛТ-2.
    15. УМЗЧ Стерео 0.5 ватт на нагрузку 16 ом выполнено на транзисторах VT4 КТ815А, VT5 КТ814А и VT6 КТ315Г 
    ( кооф. усиления VT6 ( и VT3 ) - не менее 80 ) - левый ( младший ) канал, и VT2, VT1 и VT3 правый ( старший ) канал.
    Напряжение питания УМЗЧ +10в., при питании от внешнего БП или +7в. при питании от батареи.
    Диоды VD3 КД512А и Д7 Д9Б предназначены для небольшого начального открытия силовых транзисторов VT4 и VT5 для
    меньших искажений выходного сигнала. Конденсаторы С35, С36 1206 200 пф 10 в. К10-17-1в предназначены для
    подавления самовозбуждения УМЗЧ, особенно на частотах свыше 100 Кгц. RC цепочки R77 0805 1 ом C24 1206 1 Мкф 
     ( или С5 R78 ) устраняют склонность к самовозбуждению УМЗЧ на звуковых частотах. 
    Настройка уровня выходного сигнала УМЗЧ осуществляется подбором резисторов ЦАП R47 мл. байт , R60 ст. байт.
    ( Ориентировочно 51 ом ).
    16.Зарядное устройство аккумуляторной батареи выполнено на транзисторах VT9 КТ863А и VT12 КТ315Г, а так же
    стабиллитроне Д17 КС147А и диоде германиевом Д16 Д9Б. Номинальный ток заряда АКБ - 0.5 а., принцип работы
    зарядки - непрерывное ограничение тока ( при существенной рассеиваемой мощности на транзисторе VT9 ).
    При падении напряжения свыше 0.6 в. на датчике тока резисторах 1206 R61, R62, R67 открывается транзистор 
    VT12 и ограничивает напряжение на базе транзистора VT9. При настройке зарядки вместо АКБ подключают резистор 
    10 ком и подбором диода Д16 и стабиллитрона Д17 ( варианты - КД521А и КС139А ) выставляют напряжение на 
    подключенном резисторе  соответственно 4.2 или 4.4 в., в зависимости от типономинала предполагаемого АКБ.
     При этом напряжение от  внешнего БП должно быть не менее +5.1 в. Допускается небольшой недозаряд АКБ, 
    например на 0.2 вольт.
    17. Встроенный БП с питанием от внешнего источника напряжения.
    Может быть выполнен в 2-х вариантах :
    17.1. ИС DA2 LM1117-5 корпус SOT223 замонтирована, а перемычка R22 0603 - нет. При этом входной БП ( ДД101
    MC33063AVD, VT11 КТ863А, дроссель U1 )  формирует бортовое напряжени +10в. ( настраивается резистором R71 ), 
    используемое УМЗЧ для оповещения  о событии ( например, нажатии кнопки звонка ).Напряжение +10в. снижается
     до +5в. на ИС ДА2, используемое М-ЭВМ и ЦП.Ток потребления М-ЭВМ без внешних блоков - не более 100ма. 
    В этом варианте при пропадании внешнего напряжения питания начинает работать БП от АКБ ( ДД100 ЭКФ1564ЛА3,
     ДД102 MC33063AVD, VT10 КТ863А, дроссель U4 ), , вырабатывая напряжение +7в., которое настраивается подстроечным
     резистором R94 СП5-16ВВ 0.125 вт. Участок схемы на ДД100 выполняет роль детектора напряжения АКБ - при
    его снижении до ориентировочно +2.7 в. на выв.11 ДД100.4 появляется высокий электрический уровень, который
     через германиевый диод Д15 Д9Б запрещает ИС ДД102 вырабатывать импульсы, открывающие ключевой транзистор VT10.
    Питание ДД100 осуществляется через фильтр R93 0805 10 ом и конденсатор С52 1210 100 мкф 6.3 в.
    После автоматического отключения БП от работы от АКБ следует выключить внешний тумблер расхода заряда АКБ,
    подключаемый к клемной колодке Х2 выв. 03 и 04. Тумблер должен выдерживать ток не менее 3а. долговременно
    ( например МТ-1 или МТ-3 ). Без отключения тумблером АКБ схема М-ЭВМ будет расходовать порядка 30 ма при 
    напряжении АКБ порядка 2.5 в. ( или меньше ).
    Теоретически, для исполнения 17.1 может быть использован нестабиллизированный внешний БП +8в. 2а., например на
    трансформаторе ТН-17-220/50, диодном мосте на КД213А и конденсаторе К50-35 4700 мкф 16в.
    17.2. ИС ДА2 отсуствует, перемычка R22 запаяна.
    При таком варианте входной БП вырабатывает напряжение +5.4 в., приемлемое для питания М-ЭВМ.
    При этом БП , повышающий напряжение от АКБ, настроен на напряжение +4.90 в., что тоже достаточно для работы
     М-ЭВМ. Звуковой сигнал на динамики в таком варианте исполнения будет существенно меньше, чем при варианте 17.1.,
    ориентировочно 0.1 ватт , что достаточно для работы как часы.  
    18. Разъем шины МПИ предназначен для подключения внешних устройств и для платы клавиатуры и индикации.
    Для клавиатуры выведен сигнал чтения данных на адресе 177616 ( выв. 04 ХР5 ), уровень 0в - данные выдаются ,
     и для индикатора - 2 шт. сигнала на запись регистр 177614 ( выв. 05 ХР5 ) и регистр 177616 ( выв. 06 ХР5 ).
    Запись осуществляется при переходе этих сигналов с уровня 0в. до уровня +5в.
    Сигнал шины МПИ BS7 можно вывести с выв.12 ДД28.1 1564ЛА4 на выв. разъема шины 02 ХР5. Этот сигнал используют
    плата КНГМД МХ от ДВК МС0507, блок КНГМД от БК0011М ( МС0513 ), др. платы и модули контроллеров. 
    Подключение полуплаты КМД ( МУ ) от ДВК невозможно, т.к. её регистры 172140 попадают в область СОЗУ данной 
    М-ЭВМ.
    Шина МПИ подтянута в М-ЭВМ резисторам 3.3 ком к линии питания +5в.
    19. ЦП Н1806ВМ2. В данном исполнении платы вычислителя возможен вариант сменного ЦП, использующего прижим
    рамочкой с мягким уплотнителем ( тонкой пористой резины ).
    После пусковой последовательности ЦП - сигналы сначала DCLO переходит с уровня 0в. до уровня +5в., а затем
    сигнал ACLO переходит с уровня 0в. до уровня +5в. ЦП осуществляет процедуру безадресного чтения РНП, выставляя
    сигналы шины :
    SEL = 0в.
    DIN = 0в.
    SYNC = +5в.
    Чтение осуществляется в течении 2 шт. тактов ЦП ( порядка 300+ нс ).
    Считанное значение ( используется ст. байт ) означает адрес началала таблицы векторов, типовое значение = 140000
    ( используется в МС1201.02 ). В адресе 140000 располагается число - адрес первой исполняемой инструкции ЦП, 
    а в адресе 140002 - слово состоянии процессора. Типовое значение содержимого ячейки с адресом 140000 = 140300
    ( используется в МС1201.02 ).
    Сигнал прерывания ЦП по 250 вектору выв.48 ДД1 сначала вызывает выработку сигнала ЦП INIT, затем переход на
    отработку 250-го вектора - т.е. имеет особенности по сравнению с сигналом прерывания EVNT ( прерывание по 100
    вектору ).
    В данном исполнении схемы М-ЭВМ сигнал ЦП SEL не включает скрытые области АП, в отличии от МС1201.02.
    При частоте ЦП 5.5 Мгц быстродействие выполнения короткой комады рег-рег в конвеерном режиме - 
    не более 0.9 мкс. Скорость исполнения пересылки слова ячейка-ячейка в конвеерном режиме - не более 2.7 мкс
    ( т.е. порядка 650 Кбайт/с ).
    При выполнении команды SOB ( 077RXX ) используются 3 шт. цикла шины, т.е. не менее 2.7 мкс. при 5.5 мгц.
    [свернуть]

    Скриншот расположения резисторов 0603 в ЦАП :

    *
    Пришли платы из Китая :


    *
    Доб. 7 ноября 2025 г. :
    1. Архивчик проекта с всеми наработками
    https://cloud.mail.ru/public/WVrP/4KXuaxY7t
    2. Э3 платы клавы и индикации на 2-цветных матрицах 8х8 "1588" 5 шт. :
    https://cloud.mail.ru/public/ZipK/ZD2qWKFFm
    Герберы RG матриц :
    https://cloud.mail.ru/public/JVt4/3PfU33wnP
    3. Э3 платы клавы и неоновой индикации на 6 шт. ИН-14 и 4 шт. ИН-3
    С подсветкой RGB светиками.
    https://cloud.mail.ru/public/6NkY/DK9td9e36
    Герберы неона :
    https://cloud.mail.ru/public/To9h/JFNHSXYFE
    4. Герберы модуля RS-232
    https://cloud.mail.ru/public/oGRE/5R4szabK5
    5. Герберы клавы на 15-сегментных светиках :
    https://cloud.mail.ru/public/SW3n/GN1vMcrDd
    6. Герберы вычислителя 5.31. Изм.26
    https://cloud.mail.ru/public/PBfq/1UNfqwAZs
    7. Отладочный дамп ППЗУ для 1 Мбайт варианта
    https://cloud.mail.ru/public/N5VN/KHtBLUzjG
    Состав - 055 + 055 + музыкальный семпл 61 сек 8 бит 16 Кгц моно
    Последний раз редактировалось MM; 09.11.2025 в 22:36.
    Блог : http://collectingrd.kxk.ru/ . В ЛС прошу не писать, все сообщения MMTEMA@MAIL.RU

Информация о теме

Пользователи, просматривающие эту тему

Эту тему просматривают: 1 (пользователей: 0 , гостей: 1)

Похожие темы

  1. Ответов: 57
    Последнее: 01.11.2023, 09:25
  2. Ответов: 30
    Последнее: 13.10.2022, 20:58
  3. Ответов: 206
    Последнее: 19.08.2020, 10:36
  4. Дверной звонок на Н1806ВМ2 и китайских ИС, с кинокамерой.
    от MM в разделе Разработка электроники
    Ответов: 3
    Последнее: 04.03.2020, 06:19
  5. Ответов: 21
    Последнее: 22.03.2014, 19:01

Ваши права

  • Вы не можете создавать новые темы
  • Вы не можете отвечать в темах
  • Вы не можете прикреплять вложения
  • Вы не можете редактировать свои сообщения
  •