User Tag List

Показано с 1 по 10 из 10

Тема: Gotek - универсальный эмулятор FDD. Конструкция выходного дня.

  1. #1

    Регистрация
    18.01.2023
    Адрес
    г. Брест, Беларусь
    Сообщений
    693
    Спасибо Благодарностей отдано 
    345
    Спасибо Благодарностей получено 
    506
    Поблагодарили
    219 сообщений
    Mentioned
    0 Post(s)
    Tagged
    0 Thread(s)

    По умолчанию Gotek - универсальный эмулятор FDD. Конструкция выходного дня.

    Да, да. Опять эмулятор дисковода...

    Эмулятор дисковода, пожалуй, самый популярный девайс в ретро-сообществе. Им пользуются энтузиасты многих платформ - ZX Spectrum, MSX, Amiga, IBM, Apple. Кроме этого эмулятор дисковода будет незаменимым в различных старых синтезаторах и станках. Китайцы давно наладили его выпуск.
    Продается Gotek в аккуратных корпусах и устанавливается в стандарный слот 3.5" флопи-дисковода:



    Изначально Gotek поддерживал только IBM-PC стандарт, но со временем появилась платная прошивка с поддержкой ретро-форматов HxC, а еще через некоторое время сделали бесплатную прошивку FlashFloppy. Вот ссылка на гитхаб автора https://github.com/keirf/flashfloppy - она нам еще пригодится.
    Раньше китайские Gotek делали на популярном чипе STM32F105RBTx от компании STMicroelectronics, но потом на фоне дефицита чипов перешли на чипы-аналоги от китайского производителя Artery - AT32F415.
    По этой схеме делают продаваемые на Али Готеки:



    Я купил два таких девайса и успешно прошил их FlashFloppy. У автора есть прошивки для чипов Artery и STM. Теперь эти эмуляторы успешно трудятся в моих Спектрум-клонах.

    Возникла потребность еще в одном Готеке и тут я вспомнил, что у меня лежит плата для самостоятельной сборки Gotek-Floppy-Disk-Emulator-V2 от RichardRozehnal, которую мне подарил земляк Vgalex. Эта плата стала очень популярной в ретро-сообществе. Ее часто продают на различных торговых площадках.
    Было принято решение собрать эту версию Готека. Ссылка на гитхаб автора https://github.com/proboterror/Gotek...lator-V2-fixed



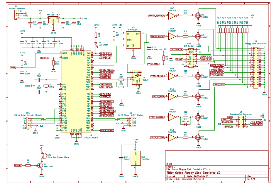
    Схема:



    Видно, что девайс собран на чипе STM32F105RBTx. Сейчас эти чипы продаются свободно, да и стоимость вполне разумная. Но я решил применить чип от Артери - AT32F415RCT7. Зачем? Трудно сказать. Может потому, что этот чип легко прошить через обычный кабель USB.



    Печатная плата:



    Рекомендую сразу сделать вырез в плате для "ключа", который часто бывает на разъеме 34-пинового шлейфа:



    Запаял микроконтроллер и все детали, которые у меня были в наличии и решил прошить контроллер.





    Подключил плату к компьютеру с помощью самодельного кабеля USB A-USB A:



    Однако, система наотрез отказалась видеть чип. Попробовал достучаться до микросхемы по Rx Tx, но и тут потерпел фиаско. После этого принял решение менять Артеру.
    Работа по сборке Gotek остановилась на месяц...
    Последний раз редактировалось Froggy; 28.04.2025 в 13:26.

    Эти 2 пользователя(ей) поблагодарили Froggy за это полезное сообщение:

    SoftLight(28.04.2025), valker(07.05.2025)

  2. #1
    С любовью к вам, Yandex.Direct
    Размещение рекламы на форуме способствует его дальнейшему развитию

  3. #2

    Регистрация
    25.02.2019
    Адрес
    г. Санкт-Петербург
    Сообщений
    43
    Спасибо Благодарностей отдано 
    24
    Спасибо Благодарностей получено 
    13
    Поблагодарили
    6 сообщений
    Mentioned
    0 Post(s)
    Tagged
    0 Thread(s)

    По умолчанию

    На мекетке собирать интересне.

    Чтобы зашить артерину по USB необходимо на J3_BOOTO 44 нога подать 3,3 Вольта.

  4. #3

    Регистрация
    18.01.2023
    Адрес
    г. Брест, Беларусь
    Сообщений
    693
    Спасибо Благодарностей отдано 
    345
    Спасибо Благодарностей получено 
    506
    Поблагодарили
    219 сообщений
    Mentioned
    0 Post(s)
    Tagged
    0 Thread(s)

    По умолчанию

    Цитата Сообщение от Mihalich Посмотреть сообщение
    На мекетке собирать интересне.
    Макет хорош для макетирования при разработке устройства. Что касается готового устройства, то я предпочитаю готовые печатные платы. И еще. Я не люблю МГТФ на платах.

    Цитата Сообщение от Mihalich Посмотреть сообщение
    Чтобы зашить артерину по USB необходимо на J3_BOOTO 44 нога подать 3,3 Вольта.
    Это понятно. Замыкал. Забегая вперед могу сказать - чип оказался дохлым.

  5. #4

    Регистрация
    18.01.2023
    Адрес
    г. Брест, Беларусь
    Сообщений
    693
    Спасибо Благодарностей отдано 
    345
    Спасибо Благодарностей получено 
    506
    Поблагодарили
    219 сообщений
    Mentioned
    0 Post(s)
    Tagged
    0 Thread(s)

    По умолчанию

    Наше хобби для терпеливых. Через месяц приехала новый чип Артери.
    Для программирования надо замкнуть пины BOOT_0 и +3.3V



    Подключаю плату Готека к компьютеру с помощью самодельного кабеля USB A-USB A. Наконец Windows 7 увидела новое устройство! Значит, чип живой.
    Теперь надо прошить контроллер прошивкой FlashFloppy. Ссылку на github смотрим в выше.

    Процесс прошивки я описывать не буду. Есть хороший гайд от Wierzbowsky https://zx-pk.ru/threads/33208-gotek...=1#post1113670

    Инструкция на ютубе:



    Прошивка прошла успешно. Подключил ОЛЕД-дисплей (он у меня на разъеме) и включил питание. Gotek заработал - на экране появилась надпись FlashFloppy. Вставил подготовленную флешку с другого Готека - эмулятор увидел файлы образов. Значит, все в порядке.

    Окончательно допаиваю плату, ставлю все детали. Кстати, чип защиты U3 STMP2141 USB можно не ставить. Достаточно замкнуть ножки 1 и 5.



    Тестировал Gotek, подключив его к ZS Scorpion 256. Все заработало, проверил чтение и запись.
    Для управления этот вариант Готека использует т.н. энкодер. Штука достаточно удобная, позволяет быстро перемещаться по файлам.
    В моем случае, энкодер работал в "другую сторону", кроме этого для перехода к следующему файлу надо было делать два щелчка ручки энкодера.
    Все это можно исправить, отредактировав файл FF.conf, который лежит в корне флешки.

    Код:
    # Input sensor type at the rotary-encoder inputs (pins PC10 and PC11):
    #  [full | half | quarter]:
    #    Rotary encoder, identified by fraction of a Gray-code cycle performed
    #    per detent/click. If default value ('full') requires multiple
    #    clicks/detents to move position then change to 'half' (if 2 clicks
    #    per move) or 'quarter' (if 4 clicks).
    #  [trackball]:
    #    Blackberry-style trackball (eg. using Hall-effect sensors).
    #  [buttons]:
    #    Push-to-ground Prev/Next buttons.
    #  [reverse]:
    #    If the input is working in reverse, use this option to swap directions.
    #  [v2]:
    #    Use the rotary encoder logic from FlashFloppy v2.x. Use this if the
    #    v3 logic is too strict and results in no, or missing, movements.
    # Multiple values can be separated by commas, eg rotary=quarter,reverse
    # Values: none | quarter | half | full | trackball | buttons | reverse | v2
    rotary = full
    Для настройки энкодера используется параметр rotary. При использовании двух и более параметров их надо разделять запятой.
    У меня все заработало корректно с такими значениями:
    Код:
    rotary = half, reverse
    Раз речь зашла про энкодер, то при всем его удобстве, есть и один существенный недостаток. Это его габариты. В стандартный отсек для 3.5" дисковода такую конструкцию не вставишь.



    Можно установить энкодер вертикально, габариты это уменьшит, но встроить такую конструкцию тоже не получится.





    FlashFlopy позволяет использовать кнопки вместо энкодера. Для подключения используются первый и второй контакт разъема энкодера. Замыкаем на GND.



    К сожалению, посадочных мест под кнопки на плате нет. Пришлось делать небольшую плату с двумя кнопками SMD-формата (других не было). Потратил целый вечер, но результат того стоил.





    Установил плату. Получилось аккуратно и компактно.





    К этому Готеку можно подключить экран с разрешением 128х64. В конфиг файле FF.conf надо прописать значение в секции ## DISPLAY:
    Код:
    display-type = oled-128x64


    Этот Готек имеет на борту встроенный буззер для имитации звука движения головки дисковода. Функция мегаполезная. Кстати, громкость можно регулировать через тот же FF.conf.

    Есть два типа буззеров. Пассивный - это просто маленький динамик, который просто воспроизводит входной сигнал. Активный - это бузер, который имеет встроенный генератор (обычно 1 кГц) - он начинает пищать при подаче напряжения на его вход.

    В этот Готек надо ставить пассивный буззер.
    Я установил какой-то дешевый буззер, который купил пару лет назад, когда еще имел возможность заниматься авиамоделизмом. Буззер продавался как пассивный.
    При включении, Готек протяжно пикал. Оказалось, что мой буззер активный.
    Замена буззера на пассивный решила проблему:



    На данный момент это вся информация по этому устройству. По работе вопросов нет, но конструкция платы достаточно спорная. Это касается установки кнопок.
    Второй момент - это индикатор. К сожалению, если встраивать плату в стандартный корпус 3.5" дисковода, то расположить индикатор на передней панели не получится. Будет мешать USB-слот или кнопки. Китайцы в своем Готеке этот момент предусмотрели.

    Вариант корпуса:



    Продолжение будет.

  6. #5

    Регистрация
    18.01.2023
    Адрес
    г. Брест, Беларусь
    Сообщений
    693
    Спасибо Благодарностей отдано 
    345
    Спасибо Благодарностей получено 
    506
    Поблагодарили
    219 сообщений
    Mentioned
    0 Post(s)
    Tagged
    0 Thread(s)

    По умолчанию



    Чтобы не утомлять длинными текстами...

  7. #6

    Регистрация
    18.01.2023
    Адрес
    г. Брест, Беларусь
    Сообщений
    693
    Спасибо Благодарностей отдано 
    345
    Спасибо Благодарностей получено 
    506
    Поблагодарили
    219 сообщений
    Mentioned
    0 Post(s)
    Tagged
    0 Thread(s)

    По умолчанию

    Проект не вызвал большого интереса, но в любом случае, надо его завершать. Размер корпуса делал по габаритам стандартного 3.5" дисковода. В плане - это 101х25 мм.
    Идея в том, что можно использовать эмулятор как "на столе", так и встроить его в корпус компьютера.

    Итак, склеил донышко и боковые стенки, потом приклеил переднюю панель. Использовал небольшое количество цианкрилатного клея (секундный клей):



    Потом приклеил стойки для крепления платы. Стойки диаметром 8 мм, высота 3 мм. Внутри нарезал резьбу под винт М3.



    Задняя стенка не клеится, она крепится в пазах. Снизу можно наклеить силиконовые ножки.



    В таком "настольном" исполнении готовый эмулятор выглядит так:



    Для того чтобы встраивать Готек в корпус надо переместить индикатор на переднюю панель. Для этого я изготовил кабель-переходник, но можно и просто запаять его без разъемов:



    ОЛЕД-экран крепиться с помощью специальной закладной детали:



    Вот конечный результат:



    С акриловых деталей не снята пленка, поэтому корпус мутный. Сниму после окончательной сборки. Надо добавить крепление для верхней крышки.

    Перспективы развития.
    Для любителей энкодера нашел очень интересную его реализацию. Небольшой энкодер EVQWKL001 без труда помещается в стандартный корпус. Основной вопрос, как крепить энкодер... В идеале, надо развести новую плату.







    Проект корпуса в формате CorelDraw:



    Файл проекта:
    case_1_f.zip

    Всем удачи в сборке.

    Этот пользователь поблагодарил Froggy за это полезное сообщение:

    Dexus(10.05.2025)

  8. #7

    Регистрация
    04.08.2005
    Адрес
    Nizhnevartovsk
    Сообщений
    1,086
    Спасибо Благодарностей отдано 
    102
    Спасибо Благодарностей получено 
    151
    Поблагодарили
    99 сообщений
    Mentioned
    2 Post(s)
    Tagged
    0 Thread(s)

    По умолчанию

    Цитата Сообщение от Froggy Посмотреть сообщение
    Для любителей энкодера нашел очень интересную его реализацию. Небольшой энкодер EVQWKL001 без труда помещается в стандартный корпус. Основной вопрос, как крепить энкодер... В идеале, надо развести новую плату.
    Прошу отметить: идея и реализация плоского энкодера от панасоника от меня (собственно я не нашел чтобы кто-то подобное делал, из-за сложности с закреплением). Был вариант еще с узенькой версией, но он мне чем-то не понравился. Ну и изначально я вообще думал о колесе от мыши (там еще больше проблем с закреплением было бы).
    https://zx-pk.ru/threads/25546-prosh...=1#post1025202

    К слову - готек с этим энкодером и поныне работает, хоть и не часто прибегаю к нему.

    Этот пользователь поблагодарил Dexus за это полезное сообщение:

    Froggy(10.05.2025)

  9. #8

    Регистрация
    18.01.2023
    Адрес
    г. Брест, Беларусь
    Сообщений
    693
    Спасибо Благодарностей отдано 
    345
    Спасибо Благодарностей получено 
    506
    Поблагодарили
    219 сообщений
    Mentioned
    0 Post(s)
    Tagged
    0 Thread(s)

    По умолчанию

    Цитата Сообщение от Dexus Посмотреть сообщение
    Прошу отметить: идея и реализация плоского энкодера от панасоника от меня (собственно я не нашел чтобы кто-то подобное делал, из-за сложности с закреплением).
    Я на авторство не претендую. У меня были фото в архиве, но не смог вспомнить тему откуда я их взял.
    Спасибо за ссылку на первоисточник.

    Что касается крепления, то в идеале надо плата сразу с установочными площадками под этот энкодер. Мне нравится его горизонтальная установка.

  10. #9

    Регистрация
    04.08.2005
    Адрес
    Nizhnevartovsk
    Сообщений
    1,086
    Спасибо Благодарностей отдано 
    102
    Спасибо Благодарностей получено 
    151
    Поблагодарили
    99 сообщений
    Mentioned
    2 Post(s)
    Tagged
    0 Thread(s)

    По умолчанию

    Froggy,
    Горизонтально не уверен что будет эргономичнее (большим пальцем сподручнее вверх-вниз как мне кажется), плюс место под это среди остального нужно. Но в целом - да, почему бы и не попробовать и горизонтально?.. Если это будет в уголке кастомной платы - думаю вообще будет нормально. Я бы с удовольствием посмотрел на такой вариант. Уж в любом случае получше повсеместно вставляемых наболташников
    Последний раз редактировалось Dexus; 11.05.2025 в 11:45.

  11. #10

    Регистрация
    18.01.2023
    Адрес
    г. Брест, Беларусь
    Сообщений
    693
    Спасибо Благодарностей отдано 
    345
    Спасибо Благодарностей получено 
    506
    Поблагодарили
    219 сообщений
    Mentioned
    0 Post(s)
    Tagged
    0 Thread(s)

    По умолчанию

    Хочу продолжить тему Готеков.

    На днях собрал еще один вариант эмулятора дисковода Gotek по классической схеме.
    Плату разработал MicroDRV.



    Собирал на чипе от Артери. Сборка прошла штатно, без неожиданностей. Для управления используются две кнопки, но есть разъем для подключения энкодера.



    Для конфигурирования ставим перемычку на S0.



    К сожалению, распиновка ОЛЕД-экрана не очень удобная. Напрямую подключить экран не получится. Распиновка зеркальная. Для проверки использовал дисплей 128х64, подключал к Scorpion 256.



    Готек заработал с первого раза.

    Схема и гербера платы прикреплены к посту.

    Gerber_GOTEK-FDD_PCB_GOTEK-FDD_2025-03-29(1).zip
    Schematic_GOTEK-FDD_2025-03-29-1.zip
    Последний раз редактировалось Froggy; 17.05.2025 в 17:23.

Информация о теме

Пользователи, просматривающие эту тему

Эту тему просматривают: 1 (пользователей: 0 , гостей: 1)

Похожие темы

  1. Ответов: 20
    Последнее: 27.04.2025, 00:04
  2. GOTEK fdd эмулятор
    от doubledeek в разделе Atari
    Ответов: 3
    Последнее: 31.10.2015, 22:35
  3. Конструкция выходного дня.
    от vano в разделе Зарубежные компьютеры
    Ответов: 3
    Последнее: 23.12.2007, 23:18
  4. Конструкция выходного дня.
    от vano в разделе Несортированное железо
    Ответов: 2
    Последнее: 23.12.2007, 22:57

Ваши права

  • Вы не можете создавать новые темы
  • Вы не можете отвечать в темах
  • Вы не можете прикреплять вложения
  • Вы не можете редактировать свои сообщения
  •