User Tag List

Страница 17 из 21 ПерваяПервая ... 131415161718192021 ПоследняяПоследняя
Показано с 161 по 170 из 205

Тема: Накопитель на микрокассете

  1. #161

    Регистрация
    30.12.2018
    Адрес
    г. Москва
    Сообщений
    1,391
    Спасибо Благодарностей отдано 
    12
    Спасибо Благодарностей получено 
    387
    Поблагодарили
    348 сообщений
    Mentioned
    2 Post(s)
    Tagged
    0 Thread(s)

    По умолчанию

    Цитата Сообщение от life Посмотреть сообщение
    Тракт предназначенный для воспроизведения звука (музыки, речи и т.д.), и не предназначенный, изначально, для записи информации, если проще - бытовой магнитофон
    бытовой магнитофон кстати для записи данных подходит плохо. у него сильно задраны низкие частоты, что иногда (особенно когда записи пролежали лет так 30) вылазит боком. здесь лучше будет работать простой линейный усилитель без всякой частотной коррекции.

    Зверинецъ

    Специалист (был когда-то "совсем стандарт") - 1988-2023
    Ленинград1 +256К +AY+BDI+VGA выход +Ethernet (Speccyboot) +Xmodem (115200)+divmmc
    Ленинград2 + CF карта
    Платформа 8085+Z80+CPLD (Специалист МХ2 +SD +FDD +PS/2kbd)
    БК0010-01 стоковый
    [свернуть]

  2. #162

    Регистрация
    09.03.2015
    Адрес
    г. Петропавловск-Камчатский
    Сообщений
    210
    Спасибо Благодарностей отдано 
    39
    Спасибо Благодарностей получено 
    193
    Поблагодарили
    68 сообщений
    Mentioned
    1 Post(s)
    Tagged
    0 Thread(s)

    По умолчанию

    Цитата Сообщение от YuraZ Посмотреть сообщение
    Я думаю что тут вообще не надо париться.
    Чтоб не париться, не надо было начинать. А я уже начал.
    Цитата Сообщение от YuraZ Посмотреть сообщение
    Тракт магнитофона как раз сделан, чтобы максимально широкий (насколько возможно) диапазон частот отдать.
    Странно, ведь именно так и объяснил свою просьбу, плохо сформулировал?
    Цитата Сообщение от YuraZ Посмотреть сообщение
    Входной тракт спектрумов любой входящий сигнал усиливает и превращает в меандр. Даже если подъём\спад искажён - сигнал всё равно будет считан корректно, т.к. единицы\нули определяются по длительности.
    Огромное заблуждение, искажения подъемов\спадов конечно не особо критичны, хотя и они при определенных величинах способны вызвать сбой. Но симметрия сигнала имеет решающую роль. Именно от нее зависит длительность. Видно, что тему Вы пробежали мельком, а я описывал ситуацию, когда в макете на КТ3102 все на ура, а при сборке на BC847 читаемость прекратилась, хотя внешне сигнал на выходе практически не изменился. Просто синусоида "ушла" немного вверх и расстояния между точками перехода, если применительно к пилот-тону, вместо одинаковых стали разными. Пришлось корректировать. Примерно вот так:


    Цитата Сообщение от YuraZ Посмотреть сообщение
    Вот для примера схема входного тракта кворума
    Ну так это классическая читалка на ЛН2.
    Прежде чем выложить какие либо результаты, тестирую на спектрумах с СА3, ВИ1, и ЛН2.

    Цитата Сообщение от Serg6845 Посмотреть сообщение
    бытовой магнитофон кстати для записи данных подходит плохо.
    Так на этой идее и построена схема, и изготовлен первый экземпляр
    Я не просил схему бытового компьютера, я не спрашивал, как ее применить для записи информации. Я, всего лишь, хотел посмотреть картинку с ее выхода.
    Ладно, парни, забейте. Куплю магнитофон. А то из-за простого вопроса, у вас, судя по всему, складывается впечатление, что я понятия не имею о том, что сам же натворил...
    Ленинград-1+128+AY+BDI+FDD3,5, LUT-216, Мастер, недоLUT2017, Compact-256 Turbo,

  3. #163

    Регистрация
    22.02.2025
    Адрес
    г. Тюмень
    Сообщений
    12
    Спасибо Благодарностей отдано 
    10
    Спасибо Благодарностей получено 
    2
    Поблагодарили
    2 сообщений
    Mentioned
    0 Post(s)
    Tagged
    0 Thread(s)

    По умолчанию

    Цитата Сообщение от life Посмотреть сообщение
    Куплю магнитофон. А то из-за простого вопроса, у вас, судя по всему, складывается впечатление, что я понятия не имею о том, что сам же натворил...
    Ну это не так.
    Про сдвиг синусоиды понятно и по-моему это компенсируется конденсатором на входе. Сейчас спектрума под рукой нет, но помню на осциллографе было видно что начало пилот-тона сначала сдвинуто по высоте, потом выравнивается.
    Ну и моя мысль, которую не получилось донести - читалки делают своё дело хорошо и если на выходе магнитофона сигнал укладывается в пару килогерц без искажений, то уже можно не париться.

  4. #164

    Регистрация
    30.12.2018
    Адрес
    г. Москва
    Сообщений
    1,391
    Спасибо Благодарностей отдано 
    12
    Спасибо Благодарностей получено 
    387
    Поблагодарили
    348 сообщений
    Mentioned
    2 Post(s)
    Tagged
    0 Thread(s)

    По умолчанию

    Цитата Сообщение от life Посмотреть сообщение
    Я не просил схему бытового компьютера, я не спрашивал, как ее применить для записи информации. Я, всего лишь, хотел посмотреть картинку с ее выхода.
    хм, а это что?
    https://zx-pk.ru/threads/35836-nakop...=1#post1211169
    вроде бы ровно то что и просили...

    Зверинецъ

    Специалист (был когда-то "совсем стандарт") - 1988-2023
    Ленинград1 +256К +AY+BDI+VGA выход +Ethernet (Speccyboot) +Xmodem (115200)+divmmc
    Ленинград2 + CF карта
    Платформа 8085+Z80+CPLD (Специалист МХ2 +SD +FDD +PS/2kbd)
    БК0010-01 стоковый
    [свернуть]

  5. #165

    Регистрация
    09.03.2015
    Адрес
    г. Петропавловск-Камчатский
    Сообщений
    210
    Спасибо Благодарностей отдано 
    39
    Спасибо Благодарностей получено 
    193
    Поблагодарили
    68 сообщений
    Mentioned
    1 Post(s)
    Tagged
    0 Thread(s)

    По умолчанию

    Цитата Сообщение от YuraZ Посмотреть сообщение
    Про сдвиг синусоиды понятно и по-моему это компенсируется конденсатором на входе.
    Рисовал вчера наспех, думал будет понятно, уточню.
    Имеется ввиду не смещение сигнала относительно постоянной составляющей, которое как раз и компенсирует разделительный конденсатор. А ,говоря по простому, смещение синусоиды внутри самого сигнала при его формировании. И в конечном итоге получается вот так:

    Думаю, так понятней. И тут никакой конденсатор не поможет. И самая хитрая читалка это прочитает криво.
    Поэтому при использовании разных транзисторов в УВ пришлось подбирать резистор в коллекторе первого каскада.


    Цитата Сообщение от Serg6845 Посмотреть сообщение
    вроде бы ровно то что и просили...
    Совершенно верно, и я поблагодарил Yraz за это.
    Вам я ответил на
    Цитата Сообщение от Serg6845 Посмотреть сообщение
    бытовой магнитофон кстати для записи данных подходит плохо.
    Т.к. это было понятно в самом начале темы, я не собирался и не собираюсь брать за основу схемотехнику бытовых магнитофонов.
    Ленинград-1+128+AY+BDI+FDD3,5, LUT-216, Мастер, недоLUT2017, Compact-256 Turbo,

    Этот пользователь поблагодарил life за это полезное сообщение:

    YuraZ(28.02.2025)

  6. #166

    Регистрация
    30.12.2018
    Адрес
    г. Москва
    Сообщений
    1,391
    Спасибо Благодарностей отдано 
    12
    Спасибо Благодарностей получено 
    387
    Поблагодарили
    348 сообщений
    Mentioned
    2 Post(s)
    Tagged
    0 Thread(s)

    По умолчанию

    Цитата Сообщение от life Посмотреть сообщение
    И в конечном итоге получается вот так:
    понятно, улетел в ограничение.

    Поэтому при использовании разных транзисторов в УВ пришлось подбирать резистор в коллекторе первого каскада.
    для повышения повторяемости и стабильности можно попробовать перекинуть правый вывод R18 на плюс C5. но номиналы остальных резисторов придется подобрать по новой, правда один раз.

    Зверинецъ

    Специалист (был когда-то "совсем стандарт") - 1988-2023
    Ленинград1 +256К +AY+BDI+VGA выход +Ethernet (Speccyboot) +Xmodem (115200)+divmmc
    Ленинград2 + CF карта
    Платформа 8085+Z80+CPLD (Специалист МХ2 +SD +FDD +PS/2kbd)
    БК0010-01 стоковый
    [свернуть]

  7. #166
    С любовью к вам, Yandex.Direct
    Размещение рекламы на форуме способствует его дальнейшему развитию

  8. #167

    Регистрация
    09.03.2015
    Адрес
    г. Петропавловск-Камчатский
    Сообщений
    210
    Спасибо Благодарностей отдано 
    39
    Спасибо Благодарностей получено 
    193
    Поблагодарили
    68 сообщений
    Mentioned
    1 Post(s)
    Tagged
    0 Thread(s)

    По умолчанию

    Цитата Сообщение от Serg6845 Посмотреть сообщение
    понятно, улетел в ограничение.
    О, да! Еще как! Причем сознательно. Правда не я улетел, а инженеры атари, когда проектировали свой накопитель XC12. И я с ними совершенно согласен. Очень простое и элегантное решение.
    Процесс записи, в нашем случае, очень прост. Единица-магнитим, ноль-не магнитим. Ну или ,в случае двухтактной записи, единица-магнитим, ноль-магнитим обратной полярностью.
    При воспроизведении мы получаем синусоиду, правда вид ее очень далек от идеала. Вот так выглядит сигнал с пленки при обычном усилении:


    Такое себе, ну так и не классическую музыку пишем и читаем. Наша задача восстановить из этого кошмара цифровой сигнал с правильной длительностью импульсов, а где у нас на осциллограмме максимально близкая картинка? Вот здесь:

    И что же делать? Правильно, резать к чертовой матери, не дожидаясь перитонитов! Обрезаем лишнее, и получаем практически готовый меандр. Ребята из атари сделали это простейшим перегрузом. Остается полученный сигнал масштабировать (усилить) и, в простейшем случае, прогнать его через триггер Шмидта. Получим готовый цифровой сигнал. В специализированных магнитофонах это делается дальнейшими каскадами обработки, в нашем случае этим занимаются схемы читалок в компьютере.
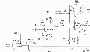
    А что же создатели COMMODORE? Не помню откуда, может кто здесь выложил, есть у меня сервис мануал на все ревизии их накопителя:


    Так вот, в первых ревизиях их накопителя, где они применяли еще однотактную схему записи, использовался вот такой усилитель воспроизведения:


    Что мы видим? Я, как гитарист - радиолюбитель, в полном восторге! Они усилив сигнал с пленки первым каскадом на транзисторе, просто прогнали его через классический гитарный овердрайв! (Вдруг кто не знает, это усилитель-ограничитель, заставляющий гитару делать дж-дж-дж ) И такой вариант я вижу более правильным, жаль что обратил на него внимание, когда первая версия уже была практически готова. Хотя почему жаль, я обязательно ее соберу на макетке и проверю. И если сигнал мне понравится больше, переразведу и первый вариант. Тем более, что там всего убрать один транзистор, а свободная половинка ОУ у нас имеется.
    Ленинград-1+128+AY+BDI+FDD3,5, LUT-216, Мастер, недоLUT2017, Compact-256 Turbo,

    Этот пользователь поблагодарил life за это полезное сообщение:

    CodeMaster(01.03.2025)

  9. #168

    Регистрация
    26.04.2009
    Адрес
    г. Воронеж
    Сообщений
    6,488
    Спасибо Благодарностей отдано 
    322
    Спасибо Благодарностей получено 
    255
    Поблагодарили
    223 сообщений
    Mentioned
    6 Post(s)
    Tagged
    0 Thread(s)

    По умолчанию

    Цитата Сообщение от life Посмотреть сообщение
    заставляющий гитару делать дж-дж-дж
    +
    "Во времена всеобщей лжи говорить правду - это экстремизм" - афоризм.

  10. #169

    Регистрация
    12.04.2009
    Адрес
    Одесса
    Сообщений
    647
    Спасибо Благодарностей отдано 
    448
    Спасибо Благодарностей получено 
    111
    Поблагодарили
    76 сообщений
    Mentioned
    7 Post(s)
    Tagged
    0 Thread(s)

    По умолчанию

    https://www.youtube.com/watch?v=15SfNLD8_Z0&t=1420s
    визуализация магнитофонного интерфейса

  11. #170

    Регистрация
    09.03.2015
    Адрес
    г. Петропавловск-Камчатский
    Сообщений
    210
    Спасибо Благодарностей отдано 
    39
    Спасибо Благодарностей получено 
    193
    Поблагодарили
    68 сообщений
    Mentioned
    1 Post(s)
    Tagged
    0 Thread(s)

    По умолчанию

    Цитата Сообщение от anasana Посмотреть сообщение
    визуализация магнитофонного интерфейса
    У нас ютюб убит наглухо
    Ленинград-1+128+AY+BDI+FDD3,5, LUT-216, Мастер, недоLUT2017, Compact-256 Turbo,

Страница 17 из 21 ПерваяПервая ... 131415161718192021 ПоследняяПоследняя

Информация о теме

Пользователи, просматривающие эту тему

Эту тему просматривают: 1 (пользователей: 0 , гостей: 1)

Похожие темы

  1. Накопитель на микро кассете
    от vladosis в разделе Внешние накопители
    Ответов: 7
    Последнее: 05.10.2025, 13:05
  2. как отличить 360k накопитель
    от sergey2b в разделе Внешние накопители
    Ответов: 17
    Последнее: 20.08.2018, 16:22
  3. Продам накопитель на магнитной ленте - стиммер
    от backa в разделе Барахолка (архив)
    Ответов: 0
    Последнее: 30.11.2010, 11:51
  4. Продам накопитель на МЛ на Z80
    от RedLine в разделе Барахолка (архив)
    Ответов: 23
    Последнее: 29.11.2010, 11:55
  5. Куплю/поменяю на что-нибудь любой накопитель для MSX
    от ALEXEY.GORDEEV в разделе Барахолка (архив)
    Ответов: 0
    Последнее: 23.10.2009, 20:41

Ваши права

  • Вы не можете создавать новые темы
  • Вы не можете отвечать в темах
  • Вы не можете прикреплять вложения
  • Вы не можете редактировать свои сообщения
  •