2011-10-31: Времени и желания заниматься у меня больше нет. Проект закрыт.
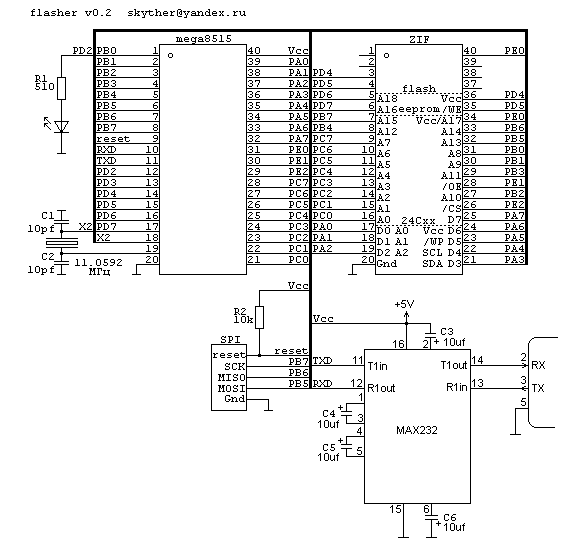
Сей девайс - результат моей борьбы с флешью. Пыталься сделать как можно проще: используется только mega8515, max232 и панелька (с нулевым усилием). Для связи с пц использует протокол wake. Выкладываю все исходники пользуйтесь. (Для некоммерческих целей ессно)
Фьюзы: avreal32 +mega8515 -v -n -aft2232 -e -w -fCKSEL=F,SUT=1 flasher.hex
Использование. В программе есть буфер 00000..80000, его содержимое можно видеть и править в редакторе. Цифровые поля под редактором: первая - адрес в буфере программы (с этого адреса работают load/save), вторая - адрес во флешке, третья - объем передаваемых данных в байтах. Первые две сделаны для склейки образов пзу, можно их оставить в 0. После изменения значения в окошке нужно жать enter.
Например: открываем 4 файла по 16Кб - sys.rom, trdos.rom, 128.rom, 48.rom. В результате получается один образ 64Кб.
В данный момент девайс дошел до такого состояния, когда улучшить малой кровью не получится, а функций вполне хватает, что бы пару раз в месяц перепрошить пентагон...
Проверено на микрухах:
WINBOND W29EE011-15, W29C020C-90B, W29C020-90, AT29C512, AT29C010, V29LC040,
SST 29EE010, 29EE020-120, 39SF020, 29F010
Спасибо Mikka_A за бета-тестирование и идеи по переработке интерфейса!
Спасибо zst за donate! (ZXkit-008, флешки, переходники)
Добавил разводку от Zoidberg. Thanx!
Добавил поддержку 24С01..24С16, переделал модуль iic. Проверено: 24C01, 24C16, 24C256, 24C512.
Добавил тест 62256 ОЗУ.
Добавил чтение РЕ3 и РТ4.
Здесь http://zx.pk.ru/showthread.php?p=334173 можно приобрести конструктор для сборки: ZXkit-008.
Здесь вариант флешера для прошивания УФ-ПЗУ 27Схх




. Пыталься сделать как можно проще: используется только mega8515, max232 и панелька (с нулевым усилием). Для связи с пц использует протокол wake. Выкладываю все исходники пользуйтесь. (Для некоммерческих целей ессно)
Ответить с цитированием
Размещение рекламы на форуме способствует его дальнейшему развитию 
Пары транзисторов хватит ...
