>Боюсь это как раз IN . И искать нужно не на уселителе , а на той >микрухе с которой идёт сигнал на усилитель .
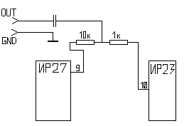
Я ошибся ,извиняюсь.Tape out идет такой цепью:
Через кондер на (точно не помню как называется)делитель напряжения
на резюках и далее на две микрухи одна к555ир27 и к1533ир23.
Схему соединения приложил.



PUNK ROCK FOREVER!!!!!!!!!
Ответить с цитированием