User Tag List

Страница 1 из 2 12 ПоследняяПоследняя
Показано с 1 по 10 из 19

Тема: Модель на опознание

  1. #1

    Регистрация
    05.11.2006
    Адрес
    Курган
    Сообщений
    234
    Спасибо Благодарностей отдано 
    0
    Спасибо Благодарностей получено 
    0
    Поблагодарили
    0 сообщений
    Mentioned
    0 Post(s)
    Tagged
    0 Thread(s)

    По умолчанию Модель на опознание

    Есть вот такой Spectrum. Ищется схема. Похоже, что это наш местный клон. Но, возможно, он имеет свое название. У нас он назывался "КОЛОР".
    Миниатюры Миниатюры Нажмите на изображение для увеличения. 

Название:	Untitled-1 Копировать.jpg 
Просмотров:	888 
Размер:	89.8 Кб 
ID:	4040  

  2. #1
    С любовью к вам, Yandex.Direct
    Размещение рекламы на форуме способствует его дальнейшему развитию

  3. #2

    Регистрация
    05.11.2006
    Адрес
    Курган
    Сообщений
    234
    Спасибо Благодарностей отдано 
    0
    Спасибо Благодарностей получено 
    0
    Поблагодарили
    0 сообщений
    Mentioned
    0 Post(s)
    Tagged
    0 Thread(s)

    По умолчанию

    Удалось выйти на человека, который занимался продажей этой модели у нас в Кургане. По его словам это разработка из Риги. Сначала они закупали платы у рижан, а потом стали заказывать эти платы в екатеринбурге. В топике "список отечественного speccy-железа" рижских моделей я не нашел вообще. Самое обидное, что этот человек сказал, что пару месяцев назад чистил склад и повыбрасывал кучу таких плат... Если повезет, то будет схема этой модели.

    P.S.: Если кому из коллекционеров интересно, могу откопать еще пару таких экземпляров.

  4. #3

    Регистрация
    05.11.2006
    Адрес
    Курган
    Сообщений
    234
    Спасибо Благодарностей отдано 
    0
    Спасибо Благодарностей получено 
    0
    Поблагодарили
    0 сообщений
    Mentioned
    0 Post(s)
    Tagged
    0 Thread(s)

    По умолчанию

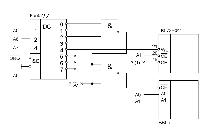
    Распутал немного схему. А теперь, внимание, вопросы:
    1. Какое назначение может иметь РФ2(?) в данной схеме? Параллельно ШД есть место под SOS, что видно на фото; есть еще место под DIP28 и под DIP24.
    2. Что нужно подать на висячие входы 4И-НЕ, что бы заюзать ВВ55?

    P.S.: Дешифрация #FE такая же кривая, т.е. клавиатура считывается через ЛП10, дешифрируемая из IORQ, RD и A0.
    Миниатюры Миниатюры Нажмите на изображение для увеличения. 

Название:	color.GIF 
Просмотров:	477 
Размер:	6.9 Кб 
ID:	4344  

  5. #4

    Регистрация
    11.02.2005
    Адрес
    Москва
    Сообщений
    3,789
    Спасибо Благодарностей отдано 
    0
    Спасибо Благодарностей получено 
    4
    Поблагодарили
    4 сообщений
    Mentioned
    0 Post(s)
    Tagged
    0 Thread(s)

    По умолчанию

    Цитата Сообщение от Иван
    2. Что нужно подать на висячие входы 4И-НЕ, что бы заюзать ВВ55?
    Понятия не имею , но список портов и используемых битов есть там -
    http://sblive.narod.ru/ZX-Spectrum/B...-05Page12.djvu
    Спек128 - испанская выдумка, навязанная Сэру Клайву. © Shaos
    REAL HARDWARE MUST LIVE ! - http://SBLive.narod.ru/ZX-Spectrum/

  6. #5

    Регистрация
    22.01.2005
    Адрес
    Moscow
    Сообщений
    2,250
    Спасибо Благодарностей отдано 
    42
    Спасибо Благодарностей получено 
    282
    Поблагодарили
    109 сообщений
    Mentioned
    1 Post(s)
    Tagged
    0 Thread(s)

    По умолчанию

    Цитата Сообщение от Иван
    Есть вот такой Spectrum. Ищется схема. Похоже, что это наш местный клон. Но, возможно, он имеет свое название. У нас он назывался "КОЛОР".
    Если не трудно сделайте фото с большим разрешением (чтобы названия микросхем увидеть). Возможно, удастся опознать (или найти схожий клон). Если с фотой проблемы, то можно список микросхем опубликовать.

  7. #6

    Регистрация
    05.11.2006
    Адрес
    Курган
    Сообщений
    234
    Спасибо Благодарностей отдано 
    0
    Спасибо Благодарностей получено 
    0
    Поблагодарили
    0 сообщений
    Mentioned
    0 Post(s)
    Tagged
    0 Thread(s)

    По умолчанию

    Кстати, распутал эту "РФ2", совсем это не РФ2. Непонятное что-то. На выводах 1..8 заведена шина данных. Так же присутствуют А0, А1, RD, WR, питание и 11 вывод ИД7 от схемы, которую я привел выше. Похоже это место просто как разъем предполагалось. Есть еще место по д СНП64 и еще одну ВВ55.
    Вложения Вложения
    • Тип файла: rar Color.rar (393.8 Кб, Просмотров: 808)

  8. #7

    Регистрация
    04.12.2006
    Адрес
    Ижевск
    Сообщений
    153
    Спасибо Благодарностей отдано 
    1
    Спасибо Благодарностей получено 
    2
    Поблагодарили
    2 сообщений
    Mentioned
    0 Post(s)
    Tagged
    0 Thread(s)

    По умолчанию

    Такое ощущение, что у этого клона всего 32Кб ОЗУ...
    У меня к сожалению нет под рукой справочника по 565-й серии, но на сколько я помню, РУ5Д - это 1/2 РУ5Г... но могу и ошибаца.

  9. #8

    Регистрация
    04.12.2006
    Адрес
    Ижевск
    Сообщений
    153
    Спасибо Благодарностей отдано 
    1
    Спасибо Благодарностей получено 
    2
    Поблагодарили
    2 сообщений
    Mentioned
    0 Post(s)
    Tagged
    0 Thread(s)

    По умолчанию

    Еще настораживает наличие ЛА2 на плате и пустых посадочных мест под 40 и 28 ног. Уж не TR-DOS ли это контроллер.

  10. #9

    Регистрация
    15.06.2006
    Адрес
    S.Pb
    Сообщений
    5,791
    Спасибо Благодарностей отдано 
    0
    Спасибо Благодарностей получено 
    7
    Поблагодарили
    6 сообщений
    Mentioned
    0 Post(s)
    Tagged
    0 Thread(s)

    По умолчанию

    Цитата Сообщение от MegaMyth
    этого клона всего 32Кб ОЗУ...
    Не, скорее память подобрана с дырками в нулевой банке. Сэкономили типа..

  11. #10

    Регистрация
    15.01.2005
    Адрес
    Kievska Rus
    Сообщений
    1,149
    Спасибо Благодарностей отдано 
    0
    Спасибо Благодарностей получено 
    0
    Поблагодарили
    0 сообщений
    Mentioned
    0 Post(s)
    Tagged
    0 Thread(s)

    По умолчанию

    ру5а, б, в, г, д отличаются только временем доступа. полудырявые имели индекс 1 или 2. например ру5д1

Страница 1 из 2 12 ПоследняяПоследняя

Информация о теме

Пользователи, просматривающие эту тему

Эту тему просматривают: 1 (пользователей: 0 , гостей: 1)

Похожие темы

  1. Демки на опознание
    от Ir0n в разделе Демо
    Ответов: 64
    Последнее: 18.07.2011, 03:29
  2. Опознание устройства, похожего на модем
    от Sergei Frolov в разделе Несортированное железо
    Ответов: 3
    Последнее: 14.10.2006, 20:18
  3. Платы на опознание
    от 80xx в разделе Несортированное железо
    Ответов: 21
    Последнее: 21.03.2006, 22:40

Ваши права

  • Вы не можете создавать новые темы
  • Вы не можете отвечать в темах
  • Вы не можете прикреплять вложения
  • Вы не можете редактировать свои сообщения
  •