Я купил контроллер ZX Keyboard Adapter v2.0 Камиля Каримова. Но к сожалению инструкции по подключению понятной для новичка не было. У меня большая просьба, помогите подключить контроллер к моему компьютеру Пентагон - 1024 v 1.4.
Я напишу то, что сумел понять.
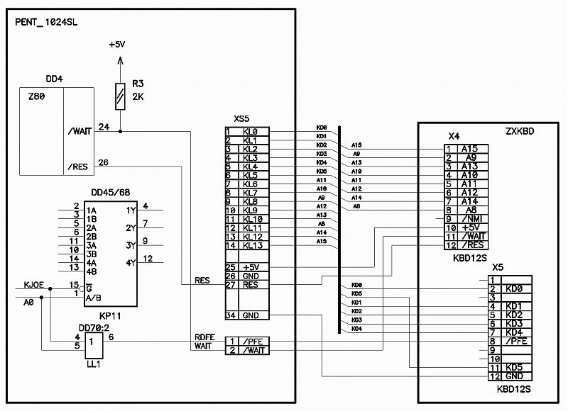
Вывод X4 контроллера
1. Сигналы X4 с 1 по 8 - это сигналы клавиатуры ZX. Подключил...
2. Сигнал /NMI - не подключал. Так как не знаю надо ли его подключать к моему Пентагону. Если надо напишите. Он есть на шине ZX - BUS и на 17 выводе Z80.
3. Сигнал /WAIT - подключил на вывод 21B шины ZX - BUS. Правильно ли я сделал? Или надо на 24 ножку процессора. Или еще куда…
4. Сигнал /RES - не подключал. Но думаю этот сигнал надо просто подключить к сигналу RESET на плате компа.. Прав я или нет?
Вывод X5 контроллера
1. Сигнал DAT - думаю подключать никуда не надо. Верно?
2. Сигналы 2,4,5,6,7 - это сигналы клавиатуры ZX.
3. Сигнал /PFE - не подключал, так как не знаю, что это за сигнал? Если без него контроллер не будет работать, надеюсь поможете найти этот сигнал на моей плате. Откуда, с какой микросхемы и с какой ножки.
Вывод. У меня сейчас подключены только сигналы клавиатуры ZX 13 проводков, сигнал /WAIT, +5 и общ. Не работает… Только светодиод при нажатии клавиши на AT клавиатуре вспыхивает, и гаснет при отжатии. Также вспыхивает и гаснет, если контроллер отключен вообще от Пентагона, только с AT - клавиатурой.
Написал такое письмо Камилю Каримову но ответа пока нет, вот решил создать заодно и тему, чтоб побыстрее как я надеюсь дело продвигалось...


Ответить с цитированием
Размещение рекламы на форуме способствует его дальнейшему развитию 

