Доброго времени суток уважаемый читатель.
Вечер субботы,и ночь с субботы на воскресенье было посвящено мной для установки СИММ 30 пин в мой любимый скорпион.
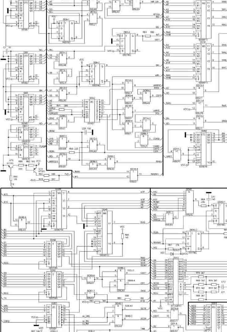
Делалось все согласно найденной мной инструкции ( смотрим вложение .)
Успешно распаяв сим на макетке,и поставив его на комп ( впаяв туда разъем,и сдернув все РУшки ,смотрим вложение ), я успешно прошел шаг описания где говорится - "если вы все правильно распаяли,включили ,и у вас все заработало в режиме 256 кб ( А9 сима ,18 нога на земле ) - то можете приступать к дальнейшим модификациям".
Порезал я в указаных местах,навесил перемычек. ( смотрим ДОК )
Вот тут началось.
У меня есть родная Тест-ПЗУ от скорпиона ( респект и почет 2ORION).
В режиме описанном выше - все типтоп - тест памяти проходит на ура.
После покусываний и перемычаний все пошло сикось накось...
Тест запускается.Появляется красивая картинка,но при тесте ОЗУ - оно выдает ошибки разрядов 0-1-2-3-4-5-6-7 - тоесь по всей шине. Причем косячит в любом положении тумблера,который переключает режимы.Даже в родном,Скорп256 режиме - ошибки.
Перелопатив всю схему я убедился в полном отсутствии ляпов-косяков-соплей. Микрухи живые,благо есть где проверить.
Пробовал вставлять Проф-ПЗУ - результат нулевой. Темный бордюр белый скрин.
Есть два предположения - несоответствие адресации между схемой Турбо и не турбо ( выложенное описание ,которое я нашел, предназначено для родного турбированного "зеленого" скорпа,а у меня "желтый",но ручками турбированный,смотрим вложение ДОК,там красным выделено про адаптацию "желтого" под "зеленый" )
Либо просто неправильно нарисованная схема.
Какие мысли будут у многоуважаемой публики?
Мне конечно и в 256кб живется неплохо,но почему нет?( а иначе скучно жить....
)


).
( а иначе скучно жить....
)
Ответить с цитированием
Размещение рекламы на форуме способствует его дальнейшему развитию 
