User Tag List

Показано с 1 по 10 из 46

Тема: подключение SIMM к "Компаньон-1"

Комбинированный просмотр

Предыдущее сообщение Предыдущее сообщение   Следующее сообщение Следующее сообщение
  1. #1

    Регистрация
    22.09.2006
    Адрес
    Ижевск
    Сообщений
    1,706
    Спасибо Благодарностей отдано 
    10
    Спасибо Благодарностей получено 
    3
    Поблагодарили
    3 сообщений
    Mentioned
    0 Post(s)
    Tagged
    0 Thread(s)

    По умолчанию

    fan,блин я же не слепой-стоит одна ULA и всё. схема с твоего сайта кстати.
    Хороший.. Плохой.. Главное - у кого ружьё !!

  2. #1
    С любовью к вам, Yandex.Direct
    Размещение рекламы на форуме способствует его дальнейшему развитию

  3. #2

    Регистрация
    11.02.2005
    Адрес
    Москва
    Сообщений
    3,789
    Спасибо Благодарностей отдано 
    0
    Спасибо Благодарностей получено 
    4
    Поблагодарили
    4 сообщений
    Mentioned
    0 Post(s)
    Tagged
    0 Thread(s)

    По умолчанию

    Смотри ATAS256
    Спек128 - испанская выдумка, навязанная Сэру Клайву. © Shaos
    REAL HARDWARE MUST LIVE ! - http://SBLive.narod.ru/ZX-Spectrum/

  4. #3

    Регистрация
    22.09.2006
    Адрес
    Ижевск
    Сообщений
    1,706
    Спасибо Благодарностей отдано 
    10
    Спасибо Благодарностей получено 
    3
    Поблагодарили
    3 сообщений
    Mentioned
    0 Post(s)
    Tagged
    0 Thread(s)

    По умолчанию

    fan,там CAS мультипрексируется с +5в и сам с собой?!? простите, я не очень шарю в схемотехнике.
    Хороший.. Плохой.. Главное - у кого ружьё !!

  5. #4

    Регистрация
    11.02.2005
    Адрес
    Москва
    Сообщений
    3,789
    Спасибо Благодарностей отдано 
    0
    Спасибо Благодарностей получено 
    4
    Поблагодарили
    4 сообщений
    Mentioned
    0 Post(s)
    Tagged
    0 Thread(s)

    По умолчанию

    Типо того , главноное что и как его мультиплексит .
    Есть подозрение что D46 генерит CAS для попсовых микрух (типа РУ5 D31-38, РУ7 D21-28). Похоже нужно сконструлить конструкцию аля D45 (скорей всего этот CAS для симовых микрух D29-30). S - синхросигнал для монитора .

    Но если в твоём компе пришивки с времянками несколько перепаханные , то проще застрелиться , хотя ещё не известно какие изменения понаделанны перед запихиванием в матрицу...

    Надо схему балтика в чёмнить просимулить , тогда всё станетясно и скорей всего одним проводом обойтись можно будет
    Спек128 - испанская выдумка, навязанная Сэру Клайву. © Shaos
    REAL HARDWARE MUST LIVE ! - http://SBLive.narod.ru/ZX-Spectrum/

  6. #5

    Регистрация
    22.09.2006
    Адрес
    Ижевск
    Сообщений
    1,706
    Спасибо Благодарностей отдано 
    10
    Спасибо Благодарностей получено 
    3
    Поблагодарили
    3 сообщений
    Mentioned
    0 Post(s)
    Tagged
    0 Thread(s)

    По умолчанию

    Цитата Сообщение от fan
    Типо того , главноное что и как его мультиплексит .
    Есть подозрение что D46 генерит CAS для попсовых микрух (типа РУ5 D31-38, РУ7 D21-28). Похоже нужно сконструлить конструкцию аля D45 (скорей всего этот CAS для симовых микрух D29-30). S - синхросигнал для монитора .

    Но если в твоём компе пришивки с времянками несколько перепаханные , то проще застрелиться , хотя ещё не известно какие изменения понаделанны перед запихиванием в матрицу...

    Надо схему балтика в чёмнить просимулить , тогда всё станетясно и скорей всего одним проводом обойтись можно будет
    ну ты меня убилнах!
    Хороший.. Плохой.. Главное - у кого ружьё !!

  7. #6

    Регистрация
    22.09.2006
    Адрес
    Ижевск
    Сообщений
    1,706
    Спасибо Благодарностей отдано 
    10
    Спасибо Благодарностей получено 
    3
    Поблагодарили
    3 сообщений
    Mentioned
    0 Post(s)
    Tagged
    0 Thread(s)

    По умолчанию

    fan,мне же его (SIMM) запустить хотя-бы в 48кб-режиме...
    Хороший.. Плохой.. Главное - у кого ружьё !!

  8. #7

    Регистрация
    27.04.2005
    Адрес
    Москва
    Сообщений
    886
    Спасибо Благодарностей отдано 
    0
    Спасибо Благодарностей получено 
    5
    Поблагодарили
    4 сообщений
    Mentioned
    0 Post(s)
    Tagged
    0 Thread(s)

    По умолчанию

    Да какая разница - в 48, 128, или 1 мб...
    Только адресов больше - и все.

  9. #8

    Регистрация
    23.10.2006
    Адрес
    С.Петербург
    Сообщений
    1,771
    Спасибо Благодарностей отдано 
    10
    Спасибо Благодарностей получено 
    9
    Поблагодарили
    7 сообщений
    Mentioned
    0 Post(s)
    Tagged
    0 Thread(s)

    По умолчанию

    Цитата Сообщение от John North
    fan,мне же его (SIMM) запустить хотя-бы в 48кб-режиме...

    а что если попробовать как у меня.. в тупую.
    буфер на ир22 ( вход на выход выход на вход ) перещелкивание по /WE
    выхода рушек на данные сима
    адреса рушек на адреса сима.
    а старшиеадреса сима ,за ненадобностью на ноль....
    и телемаркет....

    походе на правду ( про схему ) за исключением - у меня не замкнуты 2-14 рушек.
    эту работы авполняет ир22
    Последний раз редактировалось Mikka_A; 01.12.2006 в 13:39.

  10. #9

    Регистрация
    22.09.2006
    Адрес
    Ижевск
    Сообщений
    1,706
    Спасибо Благодарностей отдано 
    10
    Спасибо Благодарностей получено 
    3
    Поблагодарили
    3 сообщений
    Mentioned
    0 Post(s)
    Tagged
    0 Thread(s)

    По умолчанию

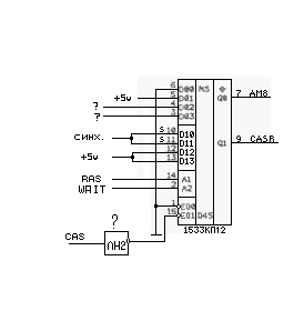
    Цитата Сообщение от Mikka_A
    у меня не замкнуты 2-14 рушек.
    вот именно.а у меня замкнуты ,следовательно, ИР22 не нужна.
    Цитата Сообщение от fan
    Похоже нужно сконструлить конструкцию аля D45
    вот чего получается (см.вложение).
    вопрос - что подавать на 3-й и 4-й выводы? в "атас"-е сюда идут сигналы с КП11,которая походу из "схемы" 128К.
    Миниатюры Миниатюры Нажмите на изображение для увеличения. 

Название:	d45-my.PNG 
Просмотров:	322 
Размер:	7.7 Кб 
ID:	4222  
    Хороший.. Плохой.. Главное - у кого ружьё !!

Информация о теме

Пользователи, просматривающие эту тему

Эту тему просматривают: 1 (пользователей: 0 , гостей: 1)

Похожие темы

  1. Ответов: 67
    Последнее: 21.04.2021, 14:51
  2. Подключение клона "Байт" к ТВ через RGB.
    от Surfin_Bird в разделе Изображение
    Ответов: 6
    Последнее: 11.03.2013, 16:59
  3. Подключение 5,25" дисковода к PC
    от BYTEMAN в разделе Разный софт
    Ответов: 11
    Последнее: 16.01.2008, 22:21
  4. Ответов: 5
    Последнее: 20.06.2005, 00:10
  5. "Ремейк или плагиат?" или "про FIRE & ICE..."
    от antiplagiat в разделе Игры
    Ответов: 27
    Последнее: 04.06.2005, 02:55

Ваши права

  • Вы не можете создавать новые темы
  • Вы не можете отвечать в темах
  • Вы не можете прикреплять вложения
  • Вы не можете редактировать свои сообщения
  •