User Tag List

Страница 1 из 2 12 ПоследняяПоследняя
Показано с 1 по 10 из 21

Тема: HELP!!! Подключение Spectruma (Ленинград) к компьютерному TV-тюнеру?

Комбинированный просмотр

Предыдущее сообщение Предыдущее сообщение   Следующее сообщение Следующее сообщение
  1. #1

    Регистрация
    27.04.2005
    Адрес
    Москва
    Сообщений
    886
    Спасибо Благодарностей отдано 
    0
    Спасибо Благодарностей получено 
    5
    Поблагодарили
    4 сообщений
    Mentioned
    0 Post(s)
    Tagged
    0 Thread(s)

    По умолчанию

    Цитата Сообщение от fk0
    AverMedia -- для спектрума хреново подходят. Проверено.

    MC1377 не разделяет сигналы цветности и яркости. В результате имеем цветовые глюки на мелкой чёрно-белой сетке. Да практически, просто чёрно-белый цвет самопроизвольно раскрашивается. Просто потому, что в спектре сигнала яркости присутствуют частоты близкие к цветовой поднесущей.
    У меня есть такая шняжка если выбираю стандарт SECAM. Переключаюсь в PAL - и никаких шняжек, нормальное ч/б видео.
    AVerTVStudio, Pentagon-128/1991

  2. #1
    С любовью к вам, Yandex.Direct
    Размещение рекламы на форуме способствует его дальнейшему развитию

  3. #2

    Регистрация
    18.02.2005
    Адрес
    St. Petersburg
    Сообщений
    415
    Спасибо Благодарностей отдано 
    0
    Спасибо Благодарностей получено 
    0
    Поблагодарили
    0 сообщений
    Mentioned
    0 Post(s)
    Tagged
    0 Thread(s)

    По умолчанию

    Цитата Сообщение от Sonic
    У меня есть такая шняжка если выбираю стандарт SECAM. Переключаюсь в PAL - и никаких шняжек, нормальное ч/б видео.
    AVerTVStudio, Pentagon-128/1991
    Значит ты не понимаешь сути вопроса, либо у тебя не тот кодер, либо у тебя действительно в кодере предусмотрен фильтр, но тогда всё достаточно замылено. И SECAM тут никаким боком -- оно PAL/NTSC.

  4. #3

    Регистрация
    27.04.2005
    Адрес
    Москва
    Сообщений
    886
    Спасибо Благодарностей отдано 
    0
    Спасибо Благодарностей получено 
    5
    Поблагодарили
    4 сообщений
    Mentioned
    0 Post(s)
    Tagged
    0 Thread(s)

    По умолчанию

    У меня нет кодера. Собрал ч/б смеситель из диода и трех резисторов.
    Сорри если вопрос предусматривал подключение через PAL-кодер.

  5. #4

    Регистрация
    18.02.2005
    Адрес
    St. Petersburg
    Сообщений
    415
    Спасибо Благодарностей отдано 
    0
    Спасибо Благодарностей получено 
    0
    Поблагодарили
    0 сообщений
    Mentioned
    0 Post(s)
    Tagged
    0 Thread(s)

    По умолчанию

    Цитата Сообщение от Sonic
    У меня нет кодера. Собрал ч/б смеситель из диода и трех резисторов.
    Сорри если вопрос предусматривал подключение через PAL-кодер.
    Правильно. Без кодера в видеосигнале нет сигналов опознавания системы цветности -- декодер вырубается и ничего не декодирует вообще.

  6. #5

    Регистрация
    22.09.2006
    Адрес
    Ижевск
    Сообщений
    1,706
    Спасибо Благодарностей отдано 
    10
    Спасибо Благодарностей получено 
    3
    Поблагодарили
    3 сообщений
    Mentioned
    0 Post(s)
    Tagged
    0 Thread(s)

    По умолчанию

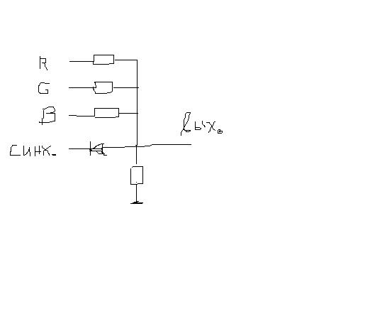
    у меня такой вопрос - что будет на выходе (см.вложение) ?
    ПЦТВ ? или что ?
    Миниатюры Миниатюры Нажмите на изображение для увеличения. 

Название:	smes_rgb.JPG 
Просмотров:	402 
Размер:	9.3 Кб 
ID:	4223  
    Хороший.. Плохой.. Главное - у кого ружьё !!

  7. #6

    Регистрация
    23.10.2006
    Адрес
    С.Петербург
    Сообщений
    1,771
    Спасибо Благодарностей отдано 
    10
    Спасибо Благодарностей получено 
    9
    Поблагодарили
    7 сообщений
    Mentioned
    0 Post(s)
    Tagged
    0 Thread(s)

    По умолчанию

    Цитата Сообщение от John North
    у меня такой вопрос - что будет на выходе (см.вложение) ?
    ПЦТВ ? или что ?
    чернобелый композит.

  8. #7

    Регистрация
    22.09.2006
    Адрес
    Ижевск
    Сообщений
    1,706
    Спасибо Благодарностей отдано 
    10
    Спасибо Благодарностей получено 
    3
    Поблагодарили
    3 сообщений
    Mentioned
    0 Post(s)
    Tagged
    0 Thread(s)

    По умолчанию

    Цитата Сообщение от Mikka_A
    чернобелый композит.
    а если его на ТВ подать,на вход ПЦТВ ? картинка будет чёрно-белая?
    Хороший.. Плохой.. Главное - у кого ружьё !!

  9. #8

    Регистрация
    18.02.2005
    Адрес
    St. Petersburg
    Сообщений
    415
    Спасибо Благодарностей отдано 
    0
    Спасибо Благодарностей получено 
    0
    Поблагодарили
    0 сообщений
    Mentioned
    0 Post(s)
    Tagged
    0 Thread(s)

    По умолчанию

    Цитата Сообщение от John North
    а если его на ТВ подать,на вход ПЦТВ ? картинка будет чёрно-белая?
    Она вообще плохая будет, ибо выходное сопротивление всего дела -- 75ом должно быть.

  10. #9

    Регистрация
    18.02.2005
    Адрес
    St. Petersburg
    Сообщений
    415
    Спасибо Благодарностей отдано 
    0
    Спасибо Благодарностей получено 
    0
    Поблагодарили
    0 сообщений
    Mentioned
    0 Post(s)
    Tagged
    0 Thread(s)

    По умолчанию

    Цитата Сообщение от Mikka_A
    чернобелый композит.
    composite -- значит смешанный. Вопрос только в том, что и с чем.
    Или у тебе композит-48?

  11. #10

    Регистрация
    18.02.2005
    Адрес
    St. Petersburg
    Сообщений
    415
    Спасибо Благодарностей отдано 
    0
    Спасибо Благодарностей получено 
    0
    Поблагодарили
    0 сообщений
    Mentioned
    0 Post(s)
    Tagged
    0 Thread(s)

    По умолчанию

    Цитата Сообщение от John North
    у меня такой вопрос - что будет на выходе (см.вложение) ?
    ПЦТВ ? или что ?
    В слове ПЦТВ главное -- ПЦ. Что означает ПОЛНЫЙ ЦВЕТНОЙ.
    Где ты там цвет разглядел?

Страница 1 из 2 12 ПоследняяПоследняя

Информация о теме

Пользователи, просматривающие эту тему

Эту тему просматривают: 1 (пользователей: 0 , гостей: 1)

Похожие темы

  1. Подключение Ленинграда к ТВ Тюнеру
    от brian4ever в разделе Ленинград
    Ответов: 26
    Последнее: 07.11.2008, 22:08
  2. Тест ОЗУ Ленинград 48
    от andrew76 в разделе Ленинград
    Ответов: 3
    Последнее: 24.11.2006, 12:31
  3. Ленинград
    от andrew76 в разделе Барахолка (архив)
    Ответов: 17
    Последнее: 10.11.2006, 12:11
  4. Ответов: 9
    Последнее: 24.07.2006, 17:32
  5. Игры spectruma на телефоне
    от ligolo в разделе Эмуляторы
    Ответов: 2
    Последнее: 10.07.2006, 11:50

Ваши права

  • Вы не можете создавать новые темы
  • Вы не можете отвечать в темах
  • Вы не можете прикреплять вложения
  • Вы не можете редактировать свои сообщения
  •