User Tag List

Страница 2 из 45 ПерваяПервая 123456 ... ПоследняяПоследняя
Показано с 11 по 20 из 490

Тема: PAL/GAL и все что с ними связано.

Комбинированный просмотр

Предыдущее сообщение Предыдущее сообщение   Следующее сообщение Следующее сообщение
  1. #1

    Регистрация
    15.11.2007
    Адрес
    Харьков
    Сообщений
    873
    Спасибо Благодарностей отдано 
    0
    Спасибо Благодарностей получено 
    1
    Поблагодарили
    1 сообщение
    Mentioned
    0 Post(s)
    Tagged
    0 Thread(s)

  2. #1
    С любовью к вам, Yandex.Direct
    Размещение рекламы на форуме способствует его дальнейшему развитию

  3. #2

    Регистрация
    13.04.2008
    Адрес
    Киров
    Сообщений
    81
    Спасибо Благодарностей отдано 
    0
    Спасибо Благодарностей получено 
    0
    Поблагодарили
    0 сообщений
    Mentioned
    0 Post(s)
    Tagged
    0 Thread(s)

    По умолчанию

    Keeper, Спасибо, моя ссылка оказалась частью твоей, надо было только на уровень вверх подняться. И устройство по-умному называется GALBLast, без окончания "er".
    Почитал внимательно описания и нашёл, что PALCE16V8 = GAL16V8, как по функциям так и по ногам.

  4. #3

    Регистрация
    15.11.2007
    Адрес
    Харьков
    Сообщений
    873
    Спасибо Благодарностей отдано 
    0
    Спасибо Благодарностей получено 
    1
    Поблагодарили
    1 сообщение
    Mentioned
    0 Post(s)
    Tagged
    0 Thread(s)

    По умолчанию

    Цитата Сообщение от poisk Посмотреть сообщение
    Keeper, Спасибо, моя ссылка оказалась частью твоей, надо было только на уровень вверх подняться. И устройство по-умному называется GALBLast, без окончания "er".
    Угу, надо гуглить... Только учти что плата двухсторонняя...

  5. #4

    Регистрация
    13.04.2008
    Адрес
    Киров
    Сообщений
    81
    Спасибо Благодарностей отдано 
    0
    Спасибо Благодарностей получено 
    0
    Поблагодарили
    0 сообщений
    Mentioned
    0 Post(s)
    Tagged
    0 Thread(s)

    По умолчанию

    Вот, нагуглил. Сайт вообще понравился. И программатор собирать буду по его схеме.

  6. #5

    Регистрация
    01.01.2009
    Адрес
    Донецк, Украина
    Сообщений
    3,260
    Спасибо Благодарностей отдано 
    35
    Спасибо Благодарностей получено 
    9
    Поблагодарили
    8 сообщений
    Mentioned
    2 Post(s)
    Tagged
    0 Thread(s)

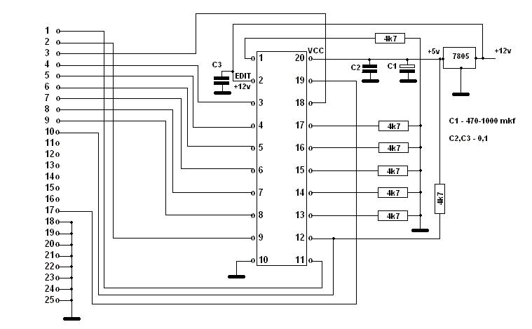
    По умолчанию Вот нашел несколько поделок для прошивки ATF-ок

    Вот нашел несколько поделок для прошивки ATF-ок, в архиве программа для прошивки атф и еще одна схемка:
    Миниатюры Миниатюры Нажмите на изображение для увеличения. 

Название:	ATF16V8_k_lpt_chtobi_proshit.JPG 
Просмотров:	2300 
Размер:	39.2 Кб 
ID:	10610  
    Вложения Вложения
    Последний раз редактировалось Дмитрий; 10.02.2009 в 14:02.

  7. #6

    Регистрация
    15.09.2009
    Адрес
    SPb
    Сообщений
    7,301
    Спасибо Благодарностей отдано 
    260
    Спасибо Благодарностей получено 
    293
    Поблагодарили
    211 сообщений
    Mentioned
    5 Post(s)
    Tagged
    0 Thread(s)

    По умолчанию

    Просветите, пожалуйста, серого, как дизайнят прошивки под GAL?
    Есть ли тулза, которая умеет из схемы на логике генерить прошивку?

  8. #7

    Регистрация
    03.07.2005
    Адрес
    Санкт-Петербург
    Сообщений
    10,168
    Спасибо Благодарностей отдано 
    147
    Спасибо Благодарностей получено 
    84
    Поблагодарили
    55 сообщений
    Mentioned
    1 Post(s)
    Tagged
    0 Thread(s)

    По умолчанию

    WinCupl (язык типа Абель или AHDL)
    Lattice ISP Lever (вроде как)
    древнючий МАХ+ (схемный ввод, HDL).

    Вроде как так
    ScorpEvo ZS 1024 turbo+ CF-HDD/FDD/Mouse/SMUC 3.1/ProfROMse/NeoGS/ZC
    Speccy-2007 128/AY/TR-DOS

    Сайт с документацией к "Scorpion ZS 256"

  9. #8

    Регистрация
    30.08.2010
    Адрес
    Санкт-Петербург
    Сообщений
    1,263
    Спасибо Благодарностей отдано 
    53
    Спасибо Благодарностей получено 
    200
    Поблагодарили
    163 сообщений
    Mentioned
    2 Post(s)
    Tagged
    0 Thread(s)

    По умолчанию

    Цитата Сообщение от Ewgeny7 Посмотреть сообщение
    Lattice ISP Lever (вроде как)
    древнючий МАХ+ (схемный ввод, HDL)
    У кого-нибудь сохранились версии этих программ с поддержкой GAL?
    ispLEVER Classic версии 1.6 или ранее
    ispLEVER Starter
    MAX+ версий 7.x или 6.x
    Прошёлся по форумам, по трекерам и по производителям - нигде нет...

  10. #9

    Регистрация
    01.08.2006
    Адрес
    Волгоград
    Сообщений
    399
    Спасибо Благодарностей отдано 
    22
    Спасибо Благодарностей получено 
    24
    Поблагодарили
    22 сообщений
    Mentioned
    0 Post(s)
    Tagged
    0 Thread(s)

    По умолчанию

    Цитата Сообщение от krotan Посмотреть сообщение
    У кого-нибудь сохранились версии этих программ с поддержкой GAL?
    ispLEVER Classic версии 1.6 или ранее
    ispLEVER Starter
    MAX+ версий 7.x или 6.x
    Прошёлся по форумам, по трекерам и по производителям - нигде нет...
    Плохо искал. ispLEVER Classic версии 1.6 должен быть на сайте Lattice, сам относительно недавно качал, зарегистрироваться правда придётся, чтобы лицензию получить.
    Max+II также с сайта Alterы качается, правда последний - 10.23, у меня самый старый кажется 9.2 где-то лежал, но нужно искать.

  11. #10

    Регистрация
    27.11.2013
    Адрес
    г. Санкт-Петербург
    Сообщений
    974
    Спасибо Благодарностей отдано 
    51
    Спасибо Благодарностей получено 
    197
    Поблагодарили
    164 сообщений
    Mentioned
    0 Post(s)
    Tagged
    0 Thread(s)

    По умолчанию

    Цитата Сообщение от krotan Посмотреть сообщение
    У кого-нибудь сохранились версии этих программ с поддержкой GAL?
    ispLEVER Classic версии 1.6 или ранее
    ispLEVER Starter
    MAX+ версий 7.x или 6.x
    Прошёлся по форумам, по трекерам и по производителям - нигде нет...
    http://www.latticesemi.com/Support/SoftwareArchive.aspx
    ispLEVER Classic 1.2 Base Module и до 1.6
    Оно ?
    или нужен МАХ ?

Страница 2 из 45 ПерваяПервая 123456 ... ПоследняяПоследняя

Информация о теме

Пользователи, просматривающие эту тему

Эту тему просматривают: 1 (пользователей: 0 , гостей: 1)

Похожие темы

  1. ДВК (и всё, что с ними связано)
    от Grand в разделе ДВК, УКНЦ
    Ответов: 4575
    Последнее: 17.11.2025, 11:38
  2. Ответов: 50
    Последнее: 04.05.2019, 09:13
  3. Видеорежимы и работа с ними
    от icebear в разделе Программирование
    Ответов: 23
    Последнее: 26.07.2005, 12:55
  4. Видеорежимы и работа с ними
    от icebear в разделе Несортированное железо
    Ответов: 3
    Последнее: 21.07.2005, 11:49
  5. Ответов: 0
    Последнее: 25.06.2005, 23:14

Ваши права

  • Вы не можете создавать новые темы
  • Вы не можете отвечать в темах
  • Вы не можете прикреплять вложения
  • Вы не можете редактировать свои сообщения
  •