Понятно, что речь идет о подтяжке ног. Но возникают вопросы:
1. "take the outputs of the
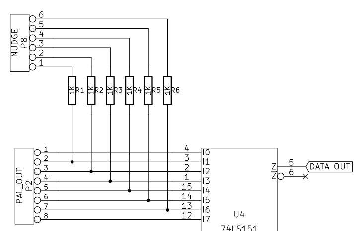
6 uppermost bits of the 16 and use them to drive the programmable pins" - на схеме 6 линий с резисторами вовсе не uppermost, а настоящие uppermost of the 16 - вообще никуда не подключены.
2. Подтяжки - отдельными резисторами на к.ногу, ОК. Вторые ноги резисторов куда идут? Их соедить между собой и посадить на плюсик на момент чтения, или все же на "the outputs of the 6 uppermost bits of the 16" (которые на схеме много ниже)? По схеме - там какой-то сокет "Nudge P8", но идет он явно не на PAL. Может, на LPT (тогда см.3)?
Подозреваю, что автор на схеме кучку соединений делал напаянными перемычками (там на фотке его поделки их видно) - а на схеме оные не показаны.
3. Непонятно, как это всё присоединено к LPT-порту (что и на какие ноги сажать).
Пытался связаться с автором, зарегался там у них - но внезапно не обнаружил фичи ЛC или какой другой обратной связи даже после регистрации.
