User Tag List

Страница 28 из 49 ПерваяПервая ... 242526272829303132 ... ПоследняяПоследняя
Показано с 271 по 280 из 490

Тема: PAL/GAL и все что с ними связано.

  1. #271

    Регистрация
    15.09.2009
    Адрес
    SPb
    Сообщений
    7,301
    Спасибо Благодарностей отдано 
    260
    Спасибо Благодарностей получено 
    293
    Поблагодарили
    211 сообщений
    Mentioned
    5 Post(s)
    Tagged
    0 Thread(s)

    По умолчанию

    Продублирую вопрос из другой темы:

    Попробовал считать ХЛ8
    В приведенном куске есть сомнения
    Код:
    chip p4 PAL16L8
    
    i1=1 i2=2 i3=3 i4=4 i5=5 i6=6 i7=7 i8=8 i9=9 GND=10 i11=11 o12=12 
    f13=13 f14=14 f15=15 f16=16 f17=17 f18=18 o19=19 VCC=20 
    
    equations
    /f18 = i2 * /i2 * i1 * /i1 * i3 * /i3 * f18 * /f18 * i4 * /i4 * f17 * /f17
          * i5 * f16 * /f16 * i6 * /i6 * f15 * /f15 * /i7 * f14 * /f14
          * i8 * f13 * /f13 * i9 * /i9 * i11
        + vcc
        + vcc
        + vcc
        + vcc
        + vcc
        + vcc
    f18.oe = gnd
    Если я правильно понял, то "f18.oe = gnd" означает что выход всегда включен.
    Но вот что значит "/f18 = ... + vcc" не совсем понимаю. Если плюс означает ИЛИ, то "+vcc" вроде означает что на выходе функции всегда единица (f18 всегда равно единице, а /18 - нулю)?

    Также не совсем понятно что значит "/f18 = i2 * /i2 * f18 * /f18". Это замысловатая такая избыточность? Ведь i2 * /i2 всегда даст ноль. А уж смысла /f18=f18*/f18 я вообще не понимаю....

    Или написанное в приведённом куске следует читать как "/f18 = i5 * /i7 * i8 * i11" ??

  2. #271
    С любовью к вам, Yandex.Direct
    Размещение рекламы на форуме способствует его дальнейшему развитию

  3. #272

    Регистрация
    12.07.2006
    Адрес
    г. Киев, Украина
    Сообщений
    2,147
    Спасибо Благодарностей отдано 
    25
    Спасибо Благодарностей получено 
    95
    Поблагодарили
    82 сообщений
    Mentioned
    2 Post(s)
    Tagged
    0 Thread(s)

    По умолчанию

    Цитата Сообщение от dk_spb Посмотреть сообщение
    Продублирую вопрос из другой темы:
    Попробовал считать ХЛ8
    В приведенном куске есть сомнения
    никакой логики нету в данном файле, видать стоит "защита" и читаются одни "1" в самом считанном JEDEC файле есть хоть 1 fuse равный "0"?

  4. #273

    Регистрация
    08.10.2006
    Адрес
    СПб
    Сообщений
    116
    Спасибо Благодарностей отдано 
    2
    Спасибо Благодарностей получено 
    5
    Поблагодарили
    5 сообщений
    Mentioned
    0 Post(s)
    Tagged
    0 Thread(s)

    По умолчанию

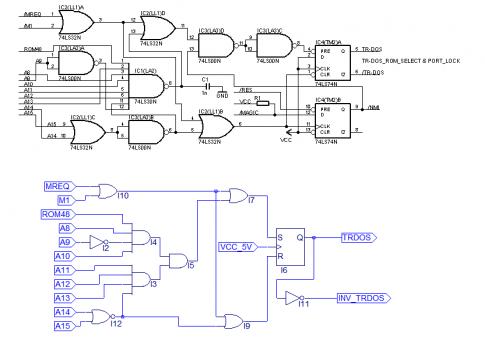
    Хочу попробовать реализовать маппер TR-DOS на ATF22V10
    Нашел её на старой материнке. Сейчас паяю atfblast. ATF может быть залочена на перезапись или только на чтение, а перезапишеться в любом случае?

    Саму схему в ispLever перерисовал, скомпилировалась.
    Magic из схемы выкинул, не влазит. Ещё не знаю, нужен ли конденсатор, на рассыпухе эта схема у меня и без него работала.

    Делаю это впервые, проверьте пожалуйста картинку, нет явных косяков?

    http://s018.radikal.ru/i509/1704/e9/b487fdcbddb1.png

    - - - Добавлено - - -

    Щас подумал, на схеме у ТМ2 входы инверсные, значит правильно так?
    http://s019.radikal.ru/i623/1704/63/ba65e64a5034.png
    Миниатюры Миниатюры Нажмите на изображение для увеличения. 

Название:	ATF22V10TRDOS.jpg 
Просмотров:	287 
Размер:	25.2 Кб 
ID:	60831  

  5. #274

    Регистрация
    15.07.2009
    Адрес
    Череповец
    Сообщений
    1,801
    Спасибо Благодарностей отдано 
    178
    Спасибо Благодарностей получено 
    64
    Поблагодарили
    49 сообщений
    Mentioned
    0 Post(s)
    Tagged
    0 Thread(s)

    По умолчанию

    когда-то у меня триггер не заработал на ГАлке (выше в этой теме есть обсуждение схемы с триггером), потому ты перед тем как м/с запаивать, проверь работу. А то будет потом неприятный сюрпиз.
    ZX-Evo Rev. C4 (Double-config) / VDAC2 / NeoGS / ZX-Multisound / NemoIDE / ZiFi
    Scorpion ZS 256 Turbo+ (Light) / GMX / ZXM-GS / TSFM / SMUC / ZXKM / Gotek

  6. #275

    Регистрация
    08.10.2006
    Адрес
    СПб
    Сообщений
    116
    Спасибо Благодарностей отдано 
    2
    Спасибо Благодарностей получено 
    5
    Поблагодарили
    5 сообщений
    Mentioned
    0 Post(s)
    Tagged
    0 Thread(s)

    По умолчанию

    Моя ATF22V10 ни в какую не видится ATFblast. Может горелая или залочена. Заказал несколько на Али. Как будут поэкспериментирую.

  7. #276

    Регистрация
    03.07.2005
    Адрес
    Санкт-Петербург
    Сообщений
    10,168
    Спасибо Благодарностей отдано 
    147
    Спасибо Благодарностей получено 
    84
    Поблагодарили
    55 сообщений
    Mentioned
    1 Post(s)
    Tagged
    0 Thread(s)

    По умолчанию

    Цитата Сообщение от brian4ever Посмотреть сообщение
    Моя ATF22V10 ни в какую не видится ATFblast
    Последовательность действий точно соблюдал? Порт открыт под виндой? Ну и так далее. Это не очень простое дело, запустить галбласт под виндой новее Вин98.

    - - - Добавлено - - -

    Я шил галки под ХР, после некоторых танцев с бубном. А сейчас пользуюсь программатором TL-866 и больше камасутрами не занимаюсь.
    ScorpEvo ZS 1024 turbo+ CF-HDD/FDD/Mouse/SMUC 3.1/ProfROMse/NeoGS/ZC
    Speccy-2007 128/AY/TR-DOS

    Сайт с документацией к "Scorpion ZS 256"

  8. #277

    Регистрация
    21.05.2017
    Адрес
    г. Черкесск
    Сообщений
    11
    Спасибо Благодарностей отдано 
    7
    Спасибо Благодарностей получено 
    0
    Поблагодарили
    0 сообщений
    Mentioned
    0 Post(s)
    Tagged
    0 Thread(s)

    По умолчанию

    Цитата Сообщение от Gutten Посмотреть сообщение
    когда-то у меня триггер не заработал на ГАлке (выше в этой теме есть обсуждение схемы с триггером), потому ты перед тем как м/с запаивать, проверь работу. А то будет потом неприятный сюрпиз.
    Вот и у меня G_DC-триггер на простейшей схеме
    [IMG]c:\gal16v8.jpg[/IMG]
    не проходит Fit Design
    Input file: 'gal16v8.tt2'
    Device 'p16v8'
    Note 4161: Using device architecture type P16V8R.
    Warning 4034:Unable to preserve preassignments - performing second pass without preassignments.
    Note 4063: Signal o19 cannot be assigned (to pin 12) because
    the register on pin 12 does not have reset.

    Design does NOT fit

    FIT complete. Time: 1 second.

    Done: failed with exit code: 0001.

    [/I]

    G_D-триггер проходит. Если поставить GAL18V10 - проходит.
    как быть?

    - - - Добавлено - - -

    Помогите новичку, не могу вставить картинку, как у вас это делается?
    Последний раз редактировалось ВиД; 21.05.2017 в 16:37.

  9. #278

    Регистрация
    29.03.2005
    Адрес
    Ярославль
    Сообщений
    1,102
    Спасибо Благодарностей отдано 
    14
    Спасибо Благодарностей получено 
    2
    Поблагодарили
    2 сообщений
    Mentioned
    0 Post(s)
    Tagged
    0 Thread(s)

    По умолчанию

    И где теперь этот латекс брать?
    ZXM-Phoenix 1024+PROF ROM+SMUC+VGA
    Profi 1024+CF+CPM+VGA
    ATARI 800XL+SIO2PC+SIO2SD
    RK86@Maximite

  10. #279

    Регистрация
    26.04.2009
    Адрес
    г. Воронеж
    Сообщений
    6,480
    Спасибо Благодарностей отдано 
    310
    Спасибо Благодарностей получено 
    249
    Поблагодарили
    217 сообщений
    Mentioned
    6 Post(s)
    Tagged
    0 Thread(s)

    По умолчанию

    Цитата Сообщение от ВиД Посмотреть сообщение
    Помогите новичку, не могу вставить картинку, как у вас это делается?
    [Расширенный режим] -> [Управление вложениями]

    Цитата Сообщение от dosikus Посмотреть сообщение
    И где теперь этот латекс брать?
    Вроде продукцию Durex вновь разрешили к реализации. Хотя, и без них проблем не было.
    "Во времена всеобщей лжи говорить правду - это экстремизм" - афоризм.

  11. #280

    Регистрация
    29.03.2005
    Адрес
    Ярославль
    Сообщений
    1,102
    Спасибо Благодарностей отдано 
    14
    Спасибо Благодарностей получено 
    2
    Поблагодарили
    2 сообщений
    Mentioned
    0 Post(s)
    Tagged
    0 Thread(s)

    По умолчанию

    CodeMaster, оч. смешно...
    ZXM-Phoenix 1024+PROF ROM+SMUC+VGA
    Profi 1024+CF+CPM+VGA
    ATARI 800XL+SIO2PC+SIO2SD
    RK86@Maximite

Страница 28 из 49 ПерваяПервая ... 242526272829303132 ... ПоследняяПоследняя

Информация о теме

Пользователи, просматривающие эту тему

Эту тему просматривают: 3 (пользователей: 0 , гостей: 3)

Похожие темы

  1. ДВК (и всё, что с ними связано)
    от Grand в разделе ДВК, УКНЦ
    Ответов: 4575
    Последнее: 17.11.2025, 11:38
  2. Ответов: 50
    Последнее: 04.05.2019, 09:13
  3. Видеорежимы и работа с ними
    от icebear в разделе Программирование
    Ответов: 23
    Последнее: 26.07.2005, 12:55
  4. Видеорежимы и работа с ними
    от icebear в разделе Несортированное железо
    Ответов: 3
    Последнее: 21.07.2005, 11:49
  5. Ответов: 0
    Последнее: 25.06.2005, 23:14

Ваши права

  • Вы не можете создавать новые темы
  • Вы не можете отвечать в темах
  • Вы не можете прикреплять вложения
  • Вы не можете редактировать свои сообщения
  •