User Tag List

Страница 44 из 49 ПерваяПервая ... 404142434445464748 ... ПоследняяПоследняя
Показано с 431 по 440 из 490

Тема: PAL/GAL и все что с ними связано.

  1. #431

    Регистрация
    21.05.2017
    Адрес
    г. Черкесск
    Сообщений
    11
    Спасибо Благодарностей отдано 
    7
    Спасибо Благодарностей получено 
    0
    Поблагодарили
    0 сообщений
    Mentioned
    0 Post(s)
    Tagged
    0 Thread(s)

    По умолчанию

    Цитата Сообщение от creator Посмотреть сообщение
    ВиД, вы tl866 в руках держали? Там нет перемычек.
    В руках не держал, хочу купить на Ali, поэтому и спрашиваю.

  2. #432

    Регистрация
    20.06.2014
    Адрес
    г. Орск, Оренбургская обл.
    Сообщений
    813
    Спасибо Благодарностей отдано 
    33
    Спасибо Благодарностей получено 
    80
    Поблагодарили
    60 сообщений
    Mentioned
    0 Post(s)
    Tagged
    0 Thread(s)

    По умолчанию

    Цитата Сообщение от ВиД Посмотреть сообщение
    Кто-нибудь пробовал прошивать GAL16V8 и GAL22V10 на программаторе Mini pro tl866a? Спасибо.
    По умолчанию оболочка предлагает напряжение программирования 16 В для них. Вот недавно шил на нём GAL22V10D при 12.5 В - галка в девайсе работает исправно.

    Цитата Сообщение от ВиД Посмотреть сообщение
    В руках не держал, хочу купить на Ali, поэтому и спрашиваю.
    Его уже сняли с производства, расширяться список поддерживаемых мелкосхем уже не будет. А вот у более нового TL866IIPlus все-таки есть вероятность, что будут добавлять и другие чипы.
    Турбо АГАТ-9/16 (ЦП 65C802, 5 Махов, dual-port SRAM).

    Этот пользователь поблагодарил LeoN65816 за это полезное сообщение:

    ВиД(12.05.2020)

  3. #433

    Регистрация
    20.06.2014
    Адрес
    г. Орск, Оренбургская обл.
    Сообщений
    813
    Спасибо Благодарностей отдано 
    33
    Спасибо Благодарностей получено 
    80
    Поблагодарили
    60 сообщений
    Mentioned
    0 Post(s)
    Tagged
    0 Thread(s)

    По умолчанию

    В устройстве ПЗУшка 1Кх8 используется как ПЛМ: 10 входных переменных и 8 функций. Есть двоичный файл прошивки этой ПЗУшки.
    Logic Friday не проглатывает эту прошивку при импорте таблицы истинности (ему в .csv подавай). А рисовать вручную 1024х8 значений истинности не очень-то...
    Есть какая-либо прога, которой можно скормить таблицу истинности в виде двоичного файла, а на выходе получить формулы функций?
    Турбо АГАТ-9/16 (ЦП 65C802, 5 Махов, dual-port SRAM).

  4. #434

    Регистрация
    21.05.2017
    Адрес
    г. Черкесск
    Сообщений
    11
    Спасибо Благодарностей отдано 
    7
    Спасибо Благодарностей получено 
    0
    Поблагодарили
    0 сообщений
    Mentioned
    0 Post(s)
    Tagged
    0 Thread(s)

    По умолчанию

    Такой вопрос. GAL16V8, зашитая более 20-ти лет назад (японцами) и ещё год назад при считывании программатором SuperPro 500 дававшая одни единицы, вдруг стала считываться MiniPro TL866II plus... Код работоспособный. Возможно ли загружаемый файл .jed конвертировать в .pld или во что-то другое, что можно править в текстовом редакторе и т.д. (раньше это называлось дизасемблирование)?

  5. #435

    Регистрация
    30.08.2010
    Адрес
    Санкт-Петербург
    Сообщений
    1,263
    Спасибо Благодарностей отдано 
    53
    Спасибо Благодарностей получено 
    200
    Поблагодарили
    163 сообщений
    Mentioned
    2 Post(s)
    Tagged
    0 Thread(s)

    По умолчанию

    Цитата Сообщение от ВиД Посмотреть сообщение
    Возможно ли загружаемый файл .jed конвертировать в .pld или во что-то другое, что можно править в текстовом редакторе и т.д. (раньше это называлось дизасемблирование)?
    Такое делал deathsoft и дизассемблер в abel выкладывал, поищи...

    Этот пользователь поблагодарил krotan за это полезное сообщение:

    ВиД(06.06.2020)

  6. #436

    Регистрация
    02.03.2015
    Адрес
    г. Санкт-Петербург
    Сообщений
    835
    Спасибо Благодарностей отдано 
    426
    Спасибо Благодарностей получено 
    80
    Поблагодарили
    65 сообщений
    Mentioned
    0 Post(s)
    Tagged
    0 Thread(s)

    По умолчанию

    Можно файл jed для gal16v8 залить в atf16v8?
    Нужно для этого делать какие-нибудь изменения в jed?

  7. #436
    С любовью к вам, Yandex.Direct
    Размещение рекламы на форуме способствует его дальнейшему развитию

  8. #437

    Регистрация
    08.11.2015
    Адрес
    г. Луховицы, Московская обл.
    Сообщений
    838
    Спасибо Благодарностей отдано 
    59
    Спасибо Благодарностей получено 
    136
    Поблагодарили
    116 сообщений
    Mentioned
    0 Post(s)
    Tagged
    0 Thread(s)

    По умолчанию

    Цитата Сообщение от Копейкин Посмотреть сообщение
    Можно файл jed для gal16v8 залить в atf16v8?
    можно, gal16v8 == atf16v8

    Этот пользователь поблагодарил r3d за это полезное сообщение:

    Копейкин(16.06.2020)

  9. #438

    Регистрация
    01.08.2007
    Адрес
    Харьков, Украина
    Сообщений
    52
    Спасибо Благодарностей отдано 
    1
    Спасибо Благодарностей получено 
    1
    Поблагодарили
    1 сообщение
    Mentioned
    0 Post(s)
    Tagged
    0 Thread(s)

    По умолчанию

    Подскажите пожалуйста, пытаюсь через LPT программатор прошить GAL18V10B для Scorpion ZS1024 Turbo+ savelij (рев 2016).
    Верификация не проходит, но после программирования из разных микросхем считывается одинаковое содержимое, почти, отличия бывают.
    Нормально ли это?

    Последний раз редактировалось skar; 09.07.2020 в 21:03.

  10. #439

    Регистрация
    08.11.2015
    Адрес
    г. Луховицы, Московская обл.
    Сообщений
    838
    Спасибо Благодарностей отдано 
    59
    Спасибо Благодарностей получено 
    136
    Поблагодарили
    116 сообщений
    Mentioned
    0 Post(s)
    Tagged
    0 Thread(s)

    По умолчанию

    skar, программатор, какой? Вернее нужно знать как реализована верификация – до того как она залочится или после этого.

    Ну и если микросхемы с AliExpress, то может быть любой сюрприз. Например, у меня были такие, которые программировались, верифицировались, но работали некорректно.

    Этот пользователь поблагодарил r3d за это полезное сообщение:

    tiretrak(01.12.2023)

  11. #440

    Регистрация
    01.08.2007
    Адрес
    Харьков, Украина
    Сообщений
    52
    Спасибо Благодарностей отдано 
    1
    Спасибо Благодарностей получено 
    1
    Поблагодарили
    1 сообщение
    Mentioned
    0 Post(s)
    Tagged
    0 Thread(s)

    По умолчанию

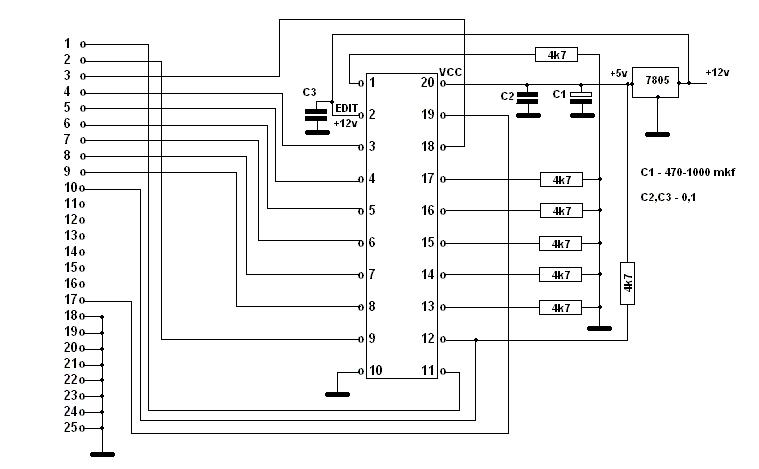
    r3d, программатор LPT на проводках, подтяжки 4.7К.
    Миниатюры Миниатюры Нажмите на изображение для увеличения. 

Название:	ATF16V8_k_lpt_chtobi_proshit.JPG 
Просмотров:	174 
Размер:	39.2 Кб 
ID:	73037  
    Последний раз редактировалось skar; 08.07.2020 в 22:06.

    Этот пользователь поблагодарил skar за это полезное сообщение:

    USERHOME(07.11.2020)

Страница 44 из 49 ПерваяПервая ... 404142434445464748 ... ПоследняяПоследняя

Информация о теме

Пользователи, просматривающие эту тему

Эту тему просматривают: 2 (пользователей: 0 , гостей: 2)

Похожие темы

  1. ДВК (и всё, что с ними связано)
    от Grand в разделе ДВК, УКНЦ
    Ответов: 4575
    Последнее: 17.11.2025, 11:38
  2. Ответов: 50
    Последнее: 04.05.2019, 09:13
  3. Видеорежимы и работа с ними
    от icebear в разделе Программирование
    Ответов: 23
    Последнее: 26.07.2005, 12:55
  4. Видеорежимы и работа с ними
    от icebear в разделе Несортированное железо
    Ответов: 3
    Последнее: 21.07.2005, 11:49
  5. Ответов: 0
    Последнее: 25.06.2005, 23:14

Ваши права

  • Вы не можете создавать новые темы
  • Вы не можете отвечать в темах
  • Вы не можете прикреплять вложения
  • Вы не можете редактировать свои сообщения
  •