User Tag List

Страница 1 из 2 12 ПоследняяПоследняя
Показано с 1 по 10 из 15

Тема: Магнитофонный вход для Speccy

Комбинированный просмотр

Предыдущее сообщение Предыдущее сообщение   Следующее сообщение Следующее сообщение
  1. #1

    Регистрация
    20.03.2007
    Адрес
    Germany
    Сообщений
    867
    Спасибо Благодарностей отдано 
    0
    Спасибо Благодарностей получено 
    5
    Поблагодарили
    4 сообщений
    Mentioned
    0 Post(s)
    Tagged
    0 Thread(s)

    По умолчанию Магнитофонный вход для Speccy

    Подскажите простую схему магнитофонного входа для спека.

    Пин на матрице уже зарезервирован...


    И еще: на разных схемах tape_in подается то на D5, то на D6.
    Как правильно сделать?
    Последний раз редактировалось ILoveSpeccy; 07.06.2007 в 20:01.

  2. #1
    С любовью к вам, Yandex.Direct
    Размещение рекламы на форуме способствует его дальнейшему развитию

  3. #2

    Регистрация
    11.03.2005
    Адрес
    Екатеринбург
    Сообщений
    311
    Спасибо Благодарностей отдано 
    0
    Спасибо Благодарностей получено 
    0
    Поблагодарили
    0 сообщений
    Mentioned
    0 Post(s)
    Tagged
    0 Thread(s)

    По умолчанию

    Цитата Сообщение от ILoveSpeccy Посмотреть сообщение
    Подскажите простую схему магнитофонного входа для спека.

    Пин на матрице уже зарезервирован...


    И еще: на разных схемах tape_in подается то на D5, то на D6.
    Как правильно сделать?
    Посмотри в схемах на сайте Fan'a http://sblive.narod.ru/ZX-Spectrum/
    и выбери для себя. Говорят на таймере (как в KAY-1024 вроде) самый лучший вход.

    А я в свойм девайсе использую эмиттерный повторитель и компаратор.
    Magic 05/128Кб/AY/kempston mouse/FDD 5.25/ext keyboard/minitower
    "ZX FlashTaper" developer : тут

  4. #3

    Регистрация
    20.03.2007
    Адрес
    Germany
    Сообщений
    867
    Спасибо Благодарностей отдано 
    0
    Спасибо Благодарностей получено 
    5
    Поблагодарили
    4 сообщений
    Mentioned
    0 Post(s)
    Tagged
    0 Thread(s)

    По умолчанию

    Я посмотрел схемы... Компаратора к сожалению у меня нима.

    Как насчет этой?

    И куда идет сигнал tape_in???
    Миниатюры Миниатюры Нажмите на изображение для увеличения. 

Название:	111.JPG 
Просмотров:	629 
Размер:	19.7 Кб 
ID:	5390  

  5. #4

    Регистрация
    11.03.2005
    Адрес
    Екатеринбург
    Сообщений
    311
    Спасибо Благодарностей отдано 
    0
    Спасибо Благодарностей получено 
    0
    Поблагодарили
    0 сообщений
    Mentioned
    0 Post(s)
    Tagged
    0 Thread(s)

    По умолчанию

    Цитата Сообщение от ILoveSpeccy Посмотреть сообщение
    Я посмотрел схемы... Компаратора к сожалению у меня нима.

    Как насчет этой?

    И куда идет сигнал tape_in???
    В схеме Ленинграда-48К сигнал идёт через КП11 на D6. А в твоей схеме не ясно не из-за того что точка есть или нет, а из-за того что выход микрухи непонятно куда идёт

    Усилитель на логике - вполне нормально, в АТМ-Турбо аналогично сделано.
    Последний раз редактировалось DVS; 07.06.2007 в 20:40.
    Magic 05/128Кб/AY/kempston mouse/FDD 5.25/ext keyboard/minitower
    "ZX FlashTaper" developer : тут

  6. #5

    Регистрация
    20.03.2007
    Адрес
    Germany
    Сообщений
    867
    Спасибо Благодарностей отдано 
    0
    Спасибо Благодарностей получено 
    5
    Поблагодарили
    4 сообщений
    Mentioned
    0 Post(s)
    Tagged
    0 Thread(s)

    По умолчанию

    В схеме Ленинграда-48К сигнал идёт через КП11 на D6. А в твоей схеме не ясно не из-за того что точка есть или нет, а из-за того что выход микрухи непонятно куда идёт
    Это я и имею в виду. У меня пока никуда не идет
    Надо VHDL-код подправить будет...
    Просто я видел схемы где сигнал идёт через КП11 на D5.

  7. #6

    Регистрация
    20.03.2007
    Адрес
    Germany
    Сообщений
    867
    Спасибо Благодарностей отдано 
    0
    Спасибо Благодарностей получено 
    5
    Поблагодарили
    4 сообщений
    Mentioned
    0 Post(s)
    Tagged
    0 Thread(s)

    По умолчанию

    Только что собрал по следующей схеме.
    Все работает на ура!!! Загрузил EXOLON т.к. когда-то была моя самая любимая игра.
    Одна проблема: 74HC04 греется сильно... Ошибок в монтаже вроде нет..
    Может кто нибудь сталкивался с подобными проблемами???
    Миниатюры Миниатюры Нажмите на изображение для увеличения. 

Название:	tape.JPG 
Просмотров:	566 
Размер:	26.9 Кб 
ID:	5395  

  8. #7

    Регистрация
    20.03.2007
    Адрес
    Germany
    Сообщений
    867
    Спасибо Благодарностей отдано 
    0
    Спасибо Благодарностей получено 
    5
    Поблагодарили
    4 сообщений
    Mentioned
    0 Post(s)
    Tagged
    0 Thread(s)

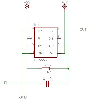
    По умолчанию

    Решил попробовать другие варианты подключения...
    Собрал на таймере NE555N как в KAY-1024 (схема прилагается), но работать этот вариант не хочет
    Постоянно '1' на выходе. Поменял 3 чипа... одно и тоже...
    В чем может быть дело???

    p.s. Смотрел в даташите варианты включения таймера, а подобного этому там к сожалению нет...
    Миниатюры Миниатюры Нажмите на изображение для увеличения. 

Название:	444.JPG 
Просмотров:	511 
Размер:	12.6 Кб 
ID:	5402  

  9. #8

    Регистрация
    26.07.2007
    Адрес
    Hamburg (Germany)
    Сообщений
    329
    Спасибо Благодарностей отдано 
    0
    Спасибо Благодарностей получено 
    1
    Поблагодарили
    1 сообщение
    Mentioned
    0 Post(s)
    Tagged
    0 Thread(s)

    По умолчанию

    Reshil ja po mne rekomendowannoj sheme podkluchit Leningrad k MP3 pleeru.

    Нажмите на изображение для увеличения. 

Название:	TAPE_IN.jpg 
Просмотров:	638 
Размер:	19.1 Кб 
ID:	6216

    Tak podkluchat whod i wihod etoj shemi?:

    RD >> RD ot CPU
    Tape_In >> Whod ot magnitofona

    ili tak:

    RD >> whod s magnitofona
    Tape_In >> Tape_In na leningradke


    Mne kazheitsa wtoroj wariant rulit.

  10. #9

    Регистрация
    15.06.2006
    Адрес
    S.Pb
    Сообщений
    5,791
    Спасибо Благодарностей отдано 
    0
    Спасибо Благодарностей получено 
    7
    Поблагодарили
    6 сообщений
    Mentioned
    0 Post(s)
    Tagged
    0 Thread(s)

    По умолчанию

    Цитата Сообщение от KingArthur Посмотреть сообщение
    Mne kazheitsa wtoroj wariant rulit.
    да именно второй
    Цитата Сообщение от ILoveSpeccy Посмотреть сообщение
    74HC04 греется сильно...
    ну дык она же у тебя работает в линейном режиме, а значит присутствуют сквозные токи - обязана греться, хотя на сколько сильно должна греться не подскажу.
    Последний раз редактировалось Black_Cat; 08.10.2007 в 07:55. Причина: Добавлено сообщение

  11. #10

    Регистрация
    22.02.2005
    Адрес
    Украина, Харьков
    Сообщений
    1,528
    Спасибо Благодарностей отдано 
    13
    Спасибо Благодарностей получено 
    6
    Поблагодарили
    5 сообщений
    Mentioned
    0 Post(s)
    Tagged
    0 Thread(s)

    По умолчанию

    Цитата Сообщение от ILoveSpeccy Посмотреть сообщение
    Постоянно '1' на выходе. Поменял 3 чипа... одно и тоже...
    В чем может быть дело???
    Во-во, у самого траблы такие были. Собрал по схеме от KAY-256, первый "блин" оказался на удивление лучшим вариантом сепаратора что мне приходилось встречать - считывал данные с таких касет с которыми другие просто справится не могли. После этого пытался раза 2-3 схему повторять, благо она крошечная, молчало как убитое. Самое интересное что симуляция с EWB тоже говорила, что на выходе уровень не будет менятся, стабильно "1". Надеялся что баг в схеме, а первая микруха с каким-то "очень правильным дефектом" , оказалось что схема таки правильная, но вот почему повторить фокус не удается до сих пор понять не могу...

Страница 1 из 2 12 ПоследняяПоследняя

Информация о теме

Пользователи, просматривающие эту тему

Эту тему просматривают: 1 (пользователей: 0 , гостей: 1)

Похожие темы

  1. USB+Speccy
    от amiguser в разделе Несортированное железо
    Ответов: 73
    Последнее: 15.07.2006, 00:47
  2. Ответов: 0
    Последнее: 18.09.2005, 05:58
  3. Ответов: 4
    Последнее: 22.08.2005, 18:40
  4. Магнитофонный вход/выход zx-Spectrum
    от JeRrS в разделе Внешние накопители
    Ответов: 2
    Последнее: 21.04.2005, 19:50

Ваши права

  • Вы не можете создавать новые темы
  • Вы не можете отвечать в темах
  • Вы не можете прикреплять вложения
  • Вы не можете редактировать свои сообщения
  •