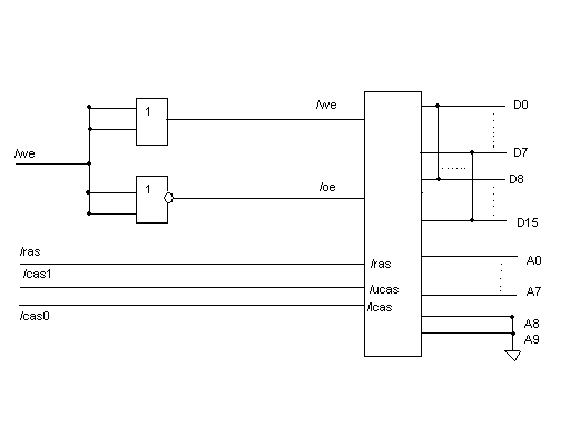
стоял включенный прихожу на экране мигает все пробовал перезагружать перевключать и т.п нипомомгает разобрал - некоторые 565ру5 горячие рещил их все убрать поскольку купить или найти негде. вместо них впаял одну микросхему из симм памяти HY5118164B JC-60 (1Mx16bit) подключили соответственно шину адреса только на ней 10бит я использовал 8 оставшиеся два занулил. данные подключил с 0-7 биты и 8-15 причем параллельно 0к8 1к9 2к10 и т.д. на микросхеме есть /LCAS (включает с 0-7биты данных) и /UCAS(включает с 8-15биты данных). припаял к шине данных кворума. /LCAS сделал как /CAS0 на кворуме /UCAS как /CAS1.
/RAS завел как и было. далее на памяти есть /WE и /OE а на кворуме только /WE сделал так на /WE подал сигнал через ИЛИ а на /OE через ИЛИ-НЕ с одного и тогоже провода с кворума /WE. включаю проходит тест памяти загружается меню кворума нажимаю запуск бейсика и начинается фигня при нажатии на клвиши начинает вывдить полосы надписи по экрану разбрачывать перезагружаться и тп. попробовал использовать две микры памяти и только /LCAS чтоб было как в оригинале - таже самая картина.
В ЧЕМ ПРОБЛЕМА?


Ответить с цитированием
Размещение рекламы на форуме способствует его дальнейшему развитию 

