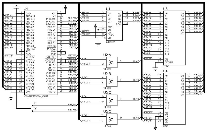
RP2C020-D
RP2A03G
cheto tipa takogo na Chipah napisanno na fotke
Doma est rabochaja NES s etimi chipami.
Mne ee na detali pustit ne zhalko esli DENDY pochenu.
Wot tolko problema kak chipi wipayat?
Fenom?
Ja dumal akkuratno wikusit i na 40kolodku pripayat
Kstati spasibo za Doku pro remont dendy.
Kaknibud pochitayu i zaymus remontom


Ответить с цитированием
Размещение рекламы на форуме способствует его дальнейшему развитию 


