User Tag List

Страница 10 из 13 ПерваяПервая ... 678910111213 ПоследняяПоследняя
Показано с 91 по 100 из 128

Тема: Строим корпус MiCRO-TOWER =)

  1. #91

    Регистрация
    15.06.2006
    Адрес
    S.Pb
    Сообщений
    5,791
    Спасибо Благодарностей отдано 
    0
    Спасибо Благодарностей получено 
    7
    Поблагодарили
    6 сообщений
    Mentioned
    0 Post(s)
    Tagged
    0 Thread(s)

    По умолчанию

    Цитата Сообщение от alexeenko Посмотреть сообщение
    три красных и три черных надо к одному проводочку одновременно припаивать ?

    В разъме видь только по одному такому цвету, а я сделал по три.
    ты не ответил какой длины у тя провода на отрезанном хвосте, также сколько у тя хвостов выходит их блока питания лучше дай их фотку

    Добавлено через 2 минуты
    Цитата Сообщение от alexeenko Посмотреть сообщение
    зеленый провод кнопки втыкать в черный разъема ? Или все по цветам втыкать ? черный к черному, а зеленый к зеленому ?
    без разницы, главное чтоб кнопка замыкала на разъёме 14 контакт с любой чёрной землёй
    Последний раз редактировалось Black_Cat; 07.02.2008 в 23:15. Причина: Добавлено сообщение

  2. #91
    С любовью к вам, Yandex.Direct
    Размещение рекламы на форуме способствует его дальнейшему развитию

  3. #92

    Регистрация
    06.04.2005
    Адрес
    Земля, Москва, Марьино
    Сообщений
    21,509
    Спасибо Благодарностей отдано 
    0
    Спасибо Благодарностей получено 
    17
    Поблагодарили
    17 сообщений
    Mentioned
    1 Post(s)
    Tagged
    0 Thread(s)

    По умолчанию

    Цитата Сообщение от Black_Cat Посмотреть сообщение
    без разницы, главное чтоб кнопка замыкала на разъёме 14 контакт с любой чёрной землёй
    Я подключил блок питания все работает. Все провода засунулись. кроме красной косички. Я ее впихнул сколько смог и замотал скотчем. Кнопка работает когда зеленый в зеленом, а черный в черном. Сейчас я сбил штырьки и теперь просверлив корпус насквозь застрял, т.к., нечем плату прикрутить, у меня нет болтов с гайками нужного размера.

    Завтра продолжу. А можно куда нить светодиод включения закоротить ? Провода у него зеленый и белый. Можно ли так же воткнуть в АТХ разъем и чтоб она горела ?

  4. #93

    Регистрация
    15.06.2006
    Адрес
    S.Pb
    Сообщений
    5,791
    Спасибо Благодарностей отдано 
    0
    Спасибо Благодарностей получено 
    7
    Поблагодарили
    6 сообщений
    Mentioned
    0 Post(s)
    Tagged
    0 Thread(s)

    По умолчанию

    Цитата Сообщение от alexeenko Посмотреть сообщение
    Можно ли так же воткнуть в АТХ разъем и чтоб она горела ?
    так и надо сделать, но последовательно со светодиодом надо включить резистор на 220-330 Ом (впаять в разрыв одного из проводов), а сами повода воткнуть к красному и чёрному проводу питания экспериментально определив полярность (это безопасно с резистором).

  5. #94

    Регистрация
    06.04.2005
    Адрес
    Земля, Москва, Марьино
    Сообщений
    21,509
    Спасибо Благодарностей отдано 
    0
    Спасибо Благодарностей получено 
    17
    Поблагодарили
    17 сообщений
    Mentioned
    1 Post(s)
    Tagged
    0 Thread(s)

    По умолчанию

    Цитата Сообщение от Black_Cat Посмотреть сообщение
    резистор на 220-330 Ом
    буду искать такую детальку у отца

  6. #95

    Регистрация
    11.02.2005
    Адрес
    Москва
    Сообщений
    3,789
    Спасибо Благодарностей отдано 
    0
    Спасибо Благодарностей получено 
    4
    Поблагодарили
    4 сообщений
    Mentioned
    0 Post(s)
    Tagged
    0 Thread(s)

    По умолчанию

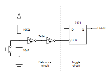
    2 alexeenko
    Лови схему под кнопку (для ATX БП).
    Миниатюры Миниатюры Нажмите на изображение для увеличения. 

Название:	Circuit diagram for connecting the power switch.png 
Просмотров:	316 
Размер:	5.1 Кб 
ID:	7273  
    Спек128 - испанская выдумка, навязанная Сэру Клайву. © Shaos
    REAL HARDWARE MUST LIVE ! - http://SBLive.narod.ru/ZX-Spectrum/

  7. #96

    Регистрация
    15.06.2006
    Адрес
    S.Pb
    Сообщений
    5,791
    Спасибо Благодарностей отдано 
    0
    Спасибо Благодарностей получено 
    7
    Поблагодарили
    6 сообщений
    Mentioned
    0 Post(s)
    Tagged
    0 Thread(s)

    По умолчанию

    а кстати, Алексеенко дай фотку кнопки ВКЛ при снятой морде, мож там вместо неё просто поставить другую с фиксацией получится чтоб не городить схемы..

  8. #97

    Регистрация
    06.04.2005
    Адрес
    Земля, Москва, Марьино
    Сообщений
    21,509
    Спасибо Благодарностей отдано 
    0
    Спасибо Благодарностей получено 
    17
    Поблагодарили
    17 сообщений
    Mentioned
    1 Post(s)
    Tagged
    0 Thread(s)

    Arrow Кнопка не залипает !

    Цитата Сообщение от Black_Cat Посмотреть сообщение
    а кстати, Алексеенко дай фотку кнопки ВКЛ при снятой морде, мож там вместо неё просто поставить другую с фиксацией получится чтоб не городить схемы..
    Вот только что хотел задать вопрос, че за фигня. Кнопка без фиксации и ничего поэтому не работает. Приходится держать. А так вабще круто получилось уже. Щас сделаю фоток....

    Вот кнопка без залипания которая: фото 1

    Но совершенно случайно я еще разобрал 486 и нашел еще залипучую кнопку турбо. Она один в один такая же по форме, но залипучяя. Однако у нее 6 ть проводов по три с каждой стороны и один коричневый оторвался из за моего нервного срыва. Фото 2 :

    Какие провода тыкать в АТХ зеленый и черный. Какой куда ? Или тыком ?
    Миниатюры Миниатюры Нажмите на изображение для увеличения. 

Название:	knopka.JPG 
Просмотров:	283 
Размер:	25.1 Кб 
ID:	7274   Нажмите на изображение для увеличения. 

Название:	zal.JPG 
Просмотров:	731 
Размер:	25.0 Кб 
ID:	7275  
    Последний раз редактировалось AAA; 08.02.2008 в 22:14.

  9. #98

    Регистрация
    15.06.2006
    Адрес
    S.Pb
    Сообщений
    5,791
    Спасибо Благодарностей отдано 
    0
    Спасибо Благодарностей получено 
    7
    Поблагодарили
    6 сообщений
    Mentioned
    0 Post(s)
    Tagged
    0 Thread(s)

    По умолчанию

    Цитата Сообщение от alexeenko Посмотреть сообщение
    Какие провода тыкать в АТХ зеленый и черный. Какой куда ? Или тыком ?
    именно выковырять кнопку "турбо" из старого корпуса и надо было. У неё две группы переключающих контактов (по 3 контакта каждая группа). Надо тестером или методом тыка определить какой из крайних контактов замыкается с центральным при нажатии кнопки - вот эту пару и использовать

  10. #99

    Регистрация
    06.04.2005
    Адрес
    Земля, Москва, Марьино
    Сообщений
    21,509
    Спасибо Благодарностей отдано 
    0
    Спасибо Благодарностей получено 
    17
    Поблагодарили
    17 сообщений
    Mentioned
    1 Post(s)
    Tagged
    0 Thread(s)

    По умолчанию

    Цитата Сообщение от Black_Cat Посмотреть сообщение
    именно выковырять кнопку "турбо" из старого корпуса и надо было. У неё две группы переключающих контактов (по 3 контакта каждая группа). Надо тестером или методом тыка определить какой из крайних контактов замыкается с центральным при нажатии кнопки - вот эту пару и использовать
    Я определил что желтый и черный. Но с одной стороны все три контакта отвалились после первого эксперимента. Сейчас подпаяюсь ко второй паре желтого и черного. И еще почему то комп не включается. Вернее в меню не вываливается. Только белый экран и крутится куллер у блока пытания. Может конечно где че вылезло из панельки ? Со старой кнопкой резета тоже самое. Не вкл. Щас спояю вкл выкл и посмотрю еще раз.

  11. #100

    Регистрация
    15.06.2006
    Адрес
    S.Pb
    Сообщений
    5,791
    Спасибо Благодарностей отдано 
    0
    Спасибо Благодарностей получено 
    7
    Поблагодарили
    6 сообщений
    Mentioned
    0 Post(s)
    Tagged
    0 Thread(s)

    По умолчанию

    Цитата Сообщение от alexeenko Посмотреть сообщение
    И еще почему то комп не включается. Вернее в меню не вываливается.
    после того как ты кабель питания спаял, хоть раз включался?

Страница 10 из 13 ПерваяПервая ... 678910111213 ПоследняяПоследняя

Информация о теме

Пользователи, просматривающие эту тему

Эту тему просматривают: 1 (пользователей: 0 , гостей: 1)

Похожие темы

  1. micro-HOWTO: работа с реальными TR-DOS дисками под LINUX
    от boo_boo в разделе Разный софт
    Ответов: 10
    Последнее: 13.02.2012, 00:27
  2. BBC micro
    от Addison в разделе Зарубежные компьютеры
    Ответов: 59
    Последнее: 13.11.2011, 13:54
  3. Корпус для АТМ
    от Sonic в разделе ATM
    Ответов: 11
    Последнее: 24.08.2007, 03:16
  4. Корпус
    от elfh в разделе Несортированное железо
    Ответов: 8
    Последнее: 03.05.2006, 14:18
  5. Корпус для Speccy.
    от Shiru в разделе Несортированное железо
    Ответов: 10
    Последнее: 13.05.2005, 14:32

Ваши права

  • Вы не можете создавать новые темы
  • Вы не можете отвечать в темах
  • Вы не можете прикреплять вложения
  • Вы не можете редактировать свои сообщения
  •