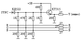
Неправильно. Там синк подается отдельно.
Но практика подключения телевизоров привела к тому, что вместо синхры заводили видеосигнал.
так что возьми схему ленинграда и собери "видеосумматор" оттуда. Там возни на 15 минут.
задо у тебя будет полноценный ч/б видеосигнал.
и тогда поймешь где собака порыылась.
я бы так поступил.



Ответить с цитированием
ScorpEvo ZS 1024 turbo+ CF-HDD/FDD/Mouse/SMUC 3.1/ProfROMse/NeoGS/ZC
