Важная информация

User Tag List

Страница 52 из 80 ПерваяПервая ... 484950515253545556 ... ПоследняяПоследняя
Показано с 511 по 520 из 798

Тема: Speccy2007 v1.00

  1. #511

    Регистрация
    25.02.2008
    Адрес
    г. Мукачево
    Сообщений
    509
    Спасибо Благодарностей отдано 
    1
    Спасибо Благодарностей получено 
    1
    Поблагодарили
    1 сообщение
    Mentioned
    0 Post(s)
    Tagged
    0 Thread(s)

    По умолчанию

    Цитата Сообщение от Mikka_A Посмотреть сообщение
    чет ты городишь огород какой то.
    никаких спец портов.

    LPT тупо - и будет тебе счастье!

    покажи схему СТК, которую собирал.
    прокоментируй какую микруху поставил и какие номиналы резисторов.
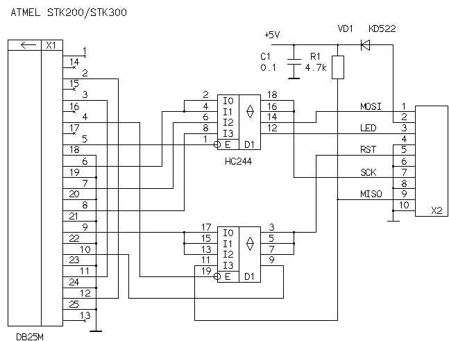
    Вроде никакого огорода. Микруха 74hc244, резистор только один на 4,7к для подтяжки miso. Новая атмега по идее и должна быть чистой, вот только почему сначала ошибка? Прилагаю схему.
    Миниатюры Миниатюры Нажмите на изображение для увеличения. 

Название:	stk200.jpg 
Просмотров:	389 
Размер:	32.2 Кб 
ID:	13835  
    Последний раз редактировалось rnd.gen; 20.10.2009 в 10:35.

  2. #511
    С любовью к вам, Yandex.Direct
    Размещение рекламы на форуме способствует его дальнейшему развитию

  3. #512

    Регистрация
    16.11.2006
    Адрес
    Киев
    Сообщений
    235
    Спасибо Благодарностей отдано 
    0
    Спасибо Благодарностей получено 
    0
    Поблагодарили
    0 сообщений
    Mentioned
    0 Post(s)
    Tagged
    0 Thread(s)

    По умолчанию

    Цитата Сообщение от rnd.gen Посмотреть сообщение
    Вроде никакого огорода. Микруха 74hc244, резистор только один на 4,7к для подтяжки miso. Новая атмега по идее и должна быть чистой, вот только почему сначала ошибка? Прилагаю схему.
    У меня программатор тоже собран по этой схеме, но у меня еще установлен программный пакет для работы с AVR контроллерами WinAVR http://sourceforge.net/projects/winavr/

    Как написано в http://myrobot.ru/stepbystep/mc_programmer.php:
    "В Windows 2000 и Windows XP запрещена прямая работа с параллельным (LPT) портом, поэтому для нормальной работы AVRDUDE необходимо установить драйвер giveio.sys. Для установки этого драйвера зайдите в папку WinAVR\bin и запустите файл install_giveio.bat (удалить драйвер из системы можно, запустив файл remove_giveio.bat).
    В Windows 98 никаких специальных настроек не требуется. "

    Я программировал микроконтроллер и утилитой AVRDUDE (из пакета WinAVR), и PonyProg2000, но с установленным драйвером giveio.sys.

    Попробуй установить указанный драйвер.
    Speccy2007 v1.04, Парус ВИ-201

  4. #513

    Регистрация
    25.02.2008
    Адрес
    г. Мукачево
    Сообщений
    509
    Спасибо Благодарностей отдано 
    1
    Спасибо Благодарностей получено 
    1
    Поблагодарили
    1 сообщение
    Mentioned
    0 Post(s)
    Tagged
    0 Thread(s)

    По умолчанию

    Установка драйвера giveio.sys при помощи install_giveio.bat пока ничего не дала. С пони прогом та же проблема. Попробовать больше не успел, вечером попробую AVRDUDE и Uniprof, если не пойдет буду искать проблему в железе, вечером постараюсь отписаться.
    (Мысли вслух:все эти программки такие неудобные, непонятно что-то куда-то кидать, искать драйвер, непонятно как настраивать порты - ужас. Столько крови потрачено, а если еще окажется и в неисправном железе проблема - это вообще уровень будет . Вот такие они - пироги с котятами )

    ---------- Post added at 14:03 ---------- Previous post was at 13:50 ----------

    Я тут подумал еще вот о чем. Может ли быть проблема из-за того что на плате установлена непрошитая альтера?

  5. #514

    Регистрация
    03.07.2005
    Адрес
    Санкт-Петербург
    Сообщений
    10,168
    Спасибо Благодарностей отдано 
    147
    Спасибо Благодарностей получено 
    84
    Поблагодарили
    55 сообщений
    Mentioned
    1 Post(s)
    Tagged
    0 Thread(s)

    По умолчанию

    Цитата Сообщение от rnd.gen Посмотреть сообщение
    Микросхема новая, еще не паянная, частоту получаю из платы спекки.
    По умолчанию на атмелевских чипах включен или внутренний RC-генератор или внешний кварцевый резонатор. Что по дефолту на Меге - не помню, в программаторе всегда кварц стоит

    ---------- Post added at 15:41 ---------- Previous post was at 15:40 ----------

    Цитата Сообщение от rnd.gen Посмотреть сообщение
    Может ли быть проблема из-за того что на плате установлена непрошитая альтера?
    альтера по соседству с Мегой делу не мешает, проверено.
    ScorpEvo ZS 1024 turbo+ CF-HDD/FDD/Mouse/SMUC 3.1/ProfROMse/NeoGS/ZC
    Speccy-2007 128/AY/TR-DOS

    Сайт с документацией к "Scorpion ZS 256"

  6. #515

    Регистрация
    16.11.2006
    Адрес
    Киев
    Сообщений
    235
    Спасибо Благодарностей отдано 
    0
    Спасибо Благодарностей получено 
    0
    Поблагодарили
    0 сообщений
    Mentioned
    0 Post(s)
    Tagged
    0 Thread(s)

    По умолчанию

    Цитата Сообщение от rnd.gen Посмотреть сообщение

    [/COLOR]Я тут подумал еще вот о чем. Может ли быть проблема из-за того что на плате установлена непрошитая альтера?
    По-моему, где-то в этой ветке говорилось, что могут влиять.

    Я точно не помню, но у меня последовательность была следующей:
    1) "прошил" АТМегу32 (при этом Альтеру не вставлял в панельку)
    утилитой AVReal с ключами, которые указал skyther
    avreal32.exe +MEGA32 -p1 -as -o14000000Hz -e -w -v -fCKSEL=0 speccy2007.hex
    (Потом мне пришлось править Fuse с помощью PonyProg2000, так как не работала часть клавиш на клавиатуре; я об этом писал ранее и прилагал “screen shot” PonyProg);
    2) вставил в панельку Альтеру и прошил «байтбластером» с помощью Quartus.

    Все последующие перепрошивки и Альтеры, и Меги производились, когда обе эти микросхемы были на плате Speccy2007
    Последний раз редактировалось Alex_kapfa; 20.10.2009 в 15:52.
    Speccy2007 v1.04, Парус ВИ-201

  7. #516

    Регистрация
    23.10.2006
    Адрес
    С.Петербург
    Сообщений
    1,771
    Спасибо Благодарностей отдано 
    10
    Спасибо Благодарностей получено 
    9
    Поблагодарили
    7 сообщений
    Mentioned
    0 Post(s)
    Tagged
    0 Thread(s)

    По умолчанию

    Цитата Сообщение от ewgeny7 Посмотреть сообщение
    По умолчанию на атмелевских чипах включен или внутренний RC-генератор или внешний кварцевый резонатор. Что по дефолту на Меге - не помню, в программаторе всегда кварц стоит

    ---------- Post added at 15:41 ---------- Previous post was at 15:40 ----------


    альтера по соседству с Мегой делу не мешает, проверено.
    Кстати да.
    Ты где шьешь?в смысле в чем Атмел стоит?
    У меня есть специальная кроватка, в которой я шил рангьше - так вот в ней тоже чип не виден был, пока я генератор не прикрутил внешний ( 2 кондюка и кварц ).
    Потом ровно такая же история была со спесси2007 у мну - атмега не видилась - оказалось, что генератор у меня отпаялся с платки....

    ТАк что думаю Женя7 прав - нужно внешний осцилятор.

    И еще - перемычки не забыл поставить на разъеме между ногами ЛПТ?
    Scorpion 256 TurboPlus GMX2048 edition (с новой ревизией спец-чипов - Турбина и ПрофПЗУ на GAL22v10D, ФАПЧ дисковода - GAL16v8D ),CARO ZX_MC/SMUC1.3/GeneralSound 512 Kb/FDD3.5+5.25... Pentagon1024Sl v2/Z-controller+SD 2Gb/GS-512/TurboSound/FDD3.5+5.25...Speccy2007 48 +SD 2Gb ( 128+Ay в процессе ) ... Все через PAL-Coder

  8. #517

    Регистрация
    25.02.2008
    Адрес
    г. Мукачево
    Сообщений
    509
    Спасибо Благодарностей отдано 
    1
    Спасибо Благодарностей получено 
    1
    Поблагодарили
    1 сообщение
    Mentioned
    0 Post(s)
    Tagged
    0 Thread(s)

    По умолчанию

    Цитата Сообщение от Mikka_A Посмотреть сообщение
    Кстати да.

    И еще - перемычки не забыл поставить на разъеме между ногами ЛПТ?
    Вав...!, точно забыл. Попробую отпишусь, Пока пасибо всем.

  9. #518

    Регистрация
    23.10.2006
    Адрес
    С.Петербург
    Сообщений
    1,771
    Спасибо Благодарностей отдано 
    10
    Спасибо Благодарностей получено 
    9
    Поблагодарили
    7 сообщений
    Mentioned
    0 Post(s)
    Tagged
    0 Thread(s)

    По умолчанию

    Цитата Сообщение от rnd.gen Посмотреть сообщение
    Вав...!, точно забыл. Попробую отпишусь, Пока пасибо всем.
    хехе.. а они как раз по моему и говорят проге что у нее в попе разъем воткнут....
    Scorpion 256 TurboPlus GMX2048 edition (с новой ревизией спец-чипов - Турбина и ПрофПЗУ на GAL22v10D, ФАПЧ дисковода - GAL16v8D ),CARO ZX_MC/SMUC1.3/GeneralSound 512 Kb/FDD3.5+5.25... Pentagon1024Sl v2/Z-controller+SD 2Gb/GS-512/TurboSound/FDD3.5+5.25...Speccy2007 48 +SD 2Gb ( 128+Ay в процессе ) ... Все через PAL-Coder

  10. #519

    Регистрация
    25.02.2008
    Адрес
    г. Мукачево
    Сообщений
    509
    Спасибо Благодарностей отдано 
    1
    Спасибо Благодарностей получено 
    1
    Поблагодарили
    1 сообщение
    Mentioned
    0 Post(s)
    Tagged
    0 Thread(s)

    По умолчанию

    Цитата Сообщение от Mikka_A Посмотреть сообщение
    хехе.. а они как раз по моему и говорят проге что у нее в попе разъем воткнут....
    Запаял перемычки и сразу чтение пошло, в настройках порта нужно было поставить Avr ISP I/O (с другими не захотело идти).

    ---------- Post added at 17:38 ---------- Previous post was at 17:35 ----------

    Походу вопрос, там есть вариант записи программы и данных, я так понял что нужно записать прошивку в программу? С фузами уже вроде все понятно.
    Последний раз редактировалось rnd.gen; 20.10.2009 в 18:44.

  11. #520

    Регистрация
    03.07.2005
    Адрес
    Санкт-Петербург
    Сообщений
    10,168
    Спасибо Благодарностей отдано 
    147
    Спасибо Благодарностей получено 
    84
    Поблагодарили
    55 сообщений
    Mentioned
    1 Post(s)
    Tagged
    0 Thread(s)

    По умолчанию

    Цитата Сообщение от rnd.gen Посмотреть сообщение
    Походу вопрос, там есть вариант записи программы и данных, я так понял что нужно записать прошивку в программу? С фузами уже вроде все понятно.
    Да. Данные - это EEPROM.
    ScorpEvo ZS 1024 turbo+ CF-HDD/FDD/Mouse/SMUC 3.1/ProfROMse/NeoGS/ZC
    Speccy-2007 128/AY/TR-DOS

    Сайт с документацией к "Scorpion ZS 256"

Страница 52 из 80 ПерваяПервая ... 484950515253545556 ... ПоследняяПоследняя

Информация о теме

Пользователи, просматривающие эту тему

Эту тему просматривают: 1 (пользователей: 0 , гостей: 1)

Ваши права

  • Вы не можете создавать новые темы
  • Вы не можете отвечать в темах
  • Вы не можете прикреплять вложения
  • Вы не можете редактировать свои сообщения
  •