User Tag List

Показано с 1 по 10 из 62

Тема: RC цепочка на сигнале INT в желтом скорпе, какие номиналы?

Древовидный режим

Предыдущее сообщение Предыдущее сообщение   Следующее сообщение Следующее сообщение
  1. #1

    Регистрация
    16.11.2005
    Адрес
    Санкт-Петербург
    Сообщений
    2,925
    Спасибо Благодарностей отдано 
    1,168
    Спасибо Благодарностей получено 
    362
    Поблагодарили
    198 сообщений
    Mentioned
    2 Post(s)
    Tagged
    0 Thread(s)

    По умолчанию RC цепочка на сигнале INT в желтом скорпе, какие номиналы?

    Добрый день, коллеги!

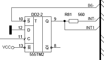
    Как известно, на желтых скорпах длительность сигнала INT выставляется посредством RC цепочки.

    Вопрос: какие должны быть номиналы R и C для формирования наиболее правильного по длительности сигнала INT ?

    И вдогонку, есть ли несложный способ/схема без использования RC цепочки а-ля как это сделано в зеленом скорпионе, чтоб длительность задавалась жестко и "цифрово" ?

    А чтоб легче было понятно о чем идет речь, прикладываю фрагмент схемы.
    Миниатюры Миниатюры Нажмите на изображение для увеличения. 

Название:	int.gif 
Просмотров:	596 
Размер:	4.0 Кб 
ID:	7070  
    Последний раз редактировалось Evgeny Muchkin; 17.01.2008 в 14:10.

  2. #1
    С любовью к вам, Yandex.Direct
    Размещение рекламы на форуме способствует его дальнейшему развитию

Информация о теме

Пользователи, просматривающие эту тему

Эту тему просматривают: 1 (пользователей: 0 , гостей: 1)

Похожие темы

  1. Турбирование ВГ на желтом скорпионе
    от Evgeny Muchkin в разделе Scorpion
    Ответов: 21
    Последнее: 06.08.2019, 21:11
  2. Ответов: 0
    Последнее: 23.02.2007, 09:57
  3. Ответов: 2
    Последнее: 06.07.2006, 15:44
  4. SIMM72 на скорпе
    от SAM style в разделе Scorpion
    Ответов: 18
    Последнее: 21.12.2005, 19:52
  5. Мег памяти на скорпе...
    от lvd в разделе Scorpion
    Ответов: 8
    Последнее: 04.06.2005, 12:06

Ваши права

  • Вы не можете создавать новые темы
  • Вы не можете отвечать в темах
  • Вы не можете прикреплять вложения
  • Вы не можете редактировать свои сообщения
  •