User Tag List

Страница 4 из 8 ПерваяПервая 12345678 ПоследняяПоследняя
Показано с 31 по 40 из 75

Тема: БК-0010,образы кассет

Комбинированный просмотр

Предыдущее сообщение Предыдущее сообщение   Следующее сообщение Следующее сообщение
  1. #1

    Регистрация
    19.06.2007
    Адрес
    Саратов
    Сообщений
    2,255
    Спасибо Благодарностей отдано 
    24
    Спасибо Благодарностей получено 
    0
    Поблагодарили
    0 сообщений
    Mentioned
    1 Post(s)
    Tagged
    0 Thread(s)

    По умолчанию

    Цитата Сообщение от sv Посмотреть сообщение
    от фэнькью! а я всё непойму как в emu3000 с вавки грузить-а оказываетцо надо было перехват ввода с магнитофона отключить...
    вобщем попробовал погрузить из вав,несколько многоблочных игр-работает!
    причём Pacman извлёк из образа дискеты...а вот King`s Valley 2 дискетный,непошел.
    оччень жду реал.
    на реал комп,вааще,ктонибудь из wav грузил,не?
    ась,реальщеги?!!
    так как сбылась мечта идиота,то -дубль два.
    попробовал грузить wav в реал БК,с nintendoDS -работает!
    многоблочное тоже.

    ток чёто моя dsка как то кривовато wav играет-виснет после проигрывания пары/тройки файлов,но эт уже из другой оперы...

    Скрытый текст


    Apollo 1260 75mhz | 64mb | Mediator | VooDoo3 | RTL8139 | hdd | dvd-rw | OS3.1
    Pentagon 1024 sl2.2 | ZXMC2 | neoGS | TSFM | nemoIDE | hdd | cd-rom
    ATM 7.10 | hdd | cd-rom
    Commodore 64 | fdd
    БК 0010-01
    and some retro consoles/pc stuff...
    [свернуть]

  2. #1
    С любовью к вам, Yandex.Direct
    Размещение рекламы на форуме способствует его дальнейшему развитию

  3. #2

    Регистрация
    19.06.2007
    Адрес
    Саратов
    Сообщений
    2,255
    Спасибо Благодарностей отдано 
    24
    Спасибо Благодарностей получено 
    0
    Поблагодарили
    0 сообщений
    Mentioned
    1 Post(s)
    Tagged
    0 Thread(s)

    По умолчанию

    что такое токоограничительные резисторы?
    что они делают/как выглядят/между чем и чем ставяться?
    на плате есть несколько резисторных матриц,в керамике.
    это они?

    фото и подробное описание как сгорело-завтра.

    Скрытый текст


    Apollo 1260 75mhz | 64mb | Mediator | VooDoo3 | RTL8139 | hdd | dvd-rw | OS3.1
    Pentagon 1024 sl2.2 | ZXMC2 | neoGS | TSFM | nemoIDE | hdd | cd-rom
    ATM 7.10 | hdd | cd-rom
    Commodore 64 | fdd
    БК 0010-01
    and some retro consoles/pc stuff...
    [свернуть]

  4. #3

    Регистрация
    21.04.2006
    Адрес
    город Черняховск
    Сообщений
    1,102
    Спасибо Благодарностей отдано 
    29
    Спасибо Благодарностей получено 
    9
    Поблагодарили
    9 сообщений
    Mentioned
    0 Post(s)
    Tagged
    0 Thread(s)

    По умолчанию

    Цитата Сообщение от sv Посмотреть сообщение
    что такое токоограничительные резисторы?
    что они делают/как выглядят/между чем и чем ставяться?
    на плате есть несколько резисторных матриц,в керамике.
    это они?

    фото и подробное описание как сгорело-завтра.
    Это резисторы между шиной питания +5 на плате и ножкой питания +5 микросхем процессора 1801вм1 и прочих 1801.
    Резисторные матрицы - скорее всего подтягивающие, на шине.

  5. #4

    Регистрация
    19.06.2007
    Адрес
    Саратов
    Сообщений
    2,255
    Спасибо Благодарностей отдано 
    24
    Спасибо Благодарностей получено 
    0
    Поблагодарили
    0 сообщений
    Mentioned
    1 Post(s)
    Tagged
    0 Thread(s)

    По умолчанию

    нет bro,такой хрени там похоже нет...да и если б было,имхо,комп бы перенёс перенапряжение не с такими последствиями так у меня..
    короче начал консультироваться на полигоне,да ты и сам уже видел наверное..

    Скрытый текст


    Apollo 1260 75mhz | 64mb | Mediator | VooDoo3 | RTL8139 | hdd | dvd-rw | OS3.1
    Pentagon 1024 sl2.2 | ZXMC2 | neoGS | TSFM | nemoIDE | hdd | cd-rom
    ATM 7.10 | hdd | cd-rom
    Commodore 64 | fdd
    БК 0010-01
    and some retro consoles/pc stuff...
    [свернуть]

  6. #5

    Регистрация
    16.03.2009
    Адрес
    Москва
    Сообщений
    79
    Спасибо Благодарностей отдано 
    8
    Спасибо Благодарностей получено 
    1
    Поблагодарили
    1 сообщение
    Mentioned
    0 Post(s)
    Tagged
    0 Thread(s)

    По умолчанию

    Чтото не получается у меня конвертить из bin в wav... Для бейсика вообще не работает, из эмуляторов тоже не получается....

  7. #6

    Регистрация
    28.10.2005
    Адрес
    Омск
    Сообщений
    2,117
    Спасибо Благодарностей отдано 
    162
    Спасибо Благодарностей получено 
    46
    Поблагодарили
    32 сообщений
    Mentioned
    1 Post(s)
    Tagged
    0 Thread(s)

    По умолчанию

    Арсений, надо использовать эмулятор находящийся здесь http://www.cplusplus.boom.ru/

  8. #7

    Регистрация
    16.03.2009
    Адрес
    Москва
    Сообщений
    79
    Спасибо Благодарностей отдано 
    8
    Спасибо Благодарностей получено 
    1
    Поблагодарили
    1 сообщение
    Mentioned
    0 Post(s)
    Tagged
    0 Thread(s)

    По умолчанию

    Использовал уже, отконвертил несколько прог... а грузиться они чтото не хотят... мо, м, имя ввожу, включаю винамп, на экране пишется файл.bin, загрузка заканчивается а вопроса не появляется... на стоп пишет ошибка...
    У БКшки "магнитофон" надо подключать на 2-земля 3-е гнездо? там вроде эмиттерный повторитель по схеме, это странно... можт я перепутал и надо на 2-й и 5-й???.... схема принципиальная дурацкая, там на 3-ей прд, на 5-й пр написано... не понять где он читает а где пишет...

  9. #8

    Регистрация
    24.01.2008
    Адрес
    Уфа
    Сообщений
    3,926
    Спасибо Благодарностей отдано 
    105
    Спасибо Благодарностей получено 
    291
    Поблагодарили
    217 сообщений
    Mentioned
    10 Post(s)
    Tagged
    0 Thread(s)

    По умолчанию

    Я бы сказал:
    прд - передача
    пр - приём

  10. #9

    Регистрация
    16.03.2009
    Адрес
    Москва
    Сообщений
    79
    Спасибо Благодарностей отдано 
    8
    Спасибо Благодарностей получено 
    1
    Поблагодарили
    1 сообщение
    Mentioned
    0 Post(s)
    Tagged
    0 Thread(s)

    По умолчанию

    Извиняюсь, очепятка вышла...
    ПРД и ПД...
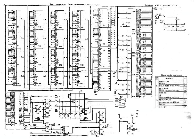
    на прд вижу эмиттерный повторитель... а пд идёт кудато на логику...
    На воторой картинке там разъём магнитофона...
    Миниатюры Миниатюры Нажмите на изображение для увеличения. 

Название:	bk0010_1.jpg 
Просмотров:	284 
Размер:	105.6 Кб 
ID:	11926   Нажмите на изображение для увеличения. 

Название:	bk0010_2.jpg 
Просмотров:	292 
Размер:	120.9 Кб 
ID:	11927   Нажмите на изображение для увеличения. 

Название:	bk0010_3.jpg 
Просмотров:	259 
Размер:	128.9 Кб 
ID:	11928   Нажмите на изображение для увеличения. 

Название:	bk0010_4.jpg 
Просмотров:	263 
Размер:	143.2 Кб 
ID:	11929  

  11. #10

    Регистрация
    24.01.2008
    Адрес
    Уфа
    Сообщений
    3,926
    Спасибо Благодарностей отдано 
    105
    Спасибо Благодарностей получено 
    291
    Поблагодарили
    217 сообщений
    Mentioned
    10 Post(s)
    Tagged
    0 Thread(s)

    По умолчанию

    Ну тогда
    3 ПРД приём данных
    5 ПД передача данных
    И по схеме так выходит, там не эмиттерный повторитель, а усиление по схеме с общей базой. А у логики обычно выход справа рисуют.

Страница 4 из 8 ПерваяПервая 12345678 ПоследняяПоследняя

Информация о теме

Пользователи, просматривающие эту тему

Эту тему просматривают: 1 (пользователей: 0 , гостей: 1)

Похожие темы

  1. Образы кассет БАЙТА
    от BYTEMAN в разделе Софт
    Ответов: 42
    Последнее: 10.11.2011, 20:33
  2. Образы +3 dos
    от Addison в разделе Утилиты
    Ответов: 18
    Последнее: 26.09.2007, 17:29
  3. продаю БК-0010
    от White_Hunter в разделе Барахолка (архив)
    Ответов: 4
    Последнее: 07.08.2007, 16:52
  4. Образы кассет-сборников.
    от F0lken в разделе Игры
    Ответов: 12
    Последнее: 27.05.2007, 10:05

Ваши права

  • Вы не можете создавать новые темы
  • Вы не можете отвечать в темах
  • Вы не можете прикреплять вложения
  • Вы не можете редактировать свои сообщения
  •