Важная информация

User Tag List

Страница 5 из 16 ПерваяПервая 123456789 ... ПоследняяПоследняя
Показано с 41 по 50 из 158

Тема: Сборка "Пентагон 48к"

  1. #41

    Регистрация
    03.08.2008
    Адрес
    г. Самара
    Сообщений
    299
    Спасибо Благодарностей отдано 
    0
    Спасибо Благодарностей получено 
    0
    Поблагодарили
    0 сообщений
    Mentioned
    0 Post(s)
    Tagged
    0 Thread(s)

    Question

    Цитата Сообщение от WtrDos Посмотреть сообщение
    Если нет, то давай этот ЗП-1 одним концом на ...
    . Есть контакт?
    Контакт есть!
    Только ничего не звучит, тишина
    Куда смотреть? Нагрева нет, питалово везде
    12 В не цеплял, ВГ ессесно не ставил.
    Мож лог пробник соорудить?
    Хочу поднять его

  2. #42

    Регистрация
    04.09.2008
    Адрес
    Москва
    Сообщений
    33
    Спасибо Благодарностей отдано 
    0
    Спасибо Благодарностей получено 
    0
    Поблагодарили
    0 сообщений
    Mentioned
    0 Post(s)
    Tagged
    0 Thread(s)

    По умолчанию

    Сначала проверь свой ЗП-1 на работоспособность: один контакт на +5В через
    резистор в 1КОм, другой не припаивая, трогай проводком массу - должен щёлкать.
    Если не щёлкает - выбрось его нафик, купи самые дешёвые наушники-вухотычки,
    используй их.

    Если с ЗП всё нормально, а сигнала на ИЕ-шках нет, тогда смотри генератор.
    Во-первых кварц чтоб был на 14 МГц, оба резистора у кварца не 1К, как на схеме,
    а по 470 Ом каждый, это важно. Микруха генератора DD2 должна быть 555 или 155 серии,
    1533 ставить не рекомендуется.

    На старых версиях платы в разводке генератора были ошибки, смотри на фотке
    как переделаны некоторые дорожки, а также DD9 может быть не соединена с массой.
    Проверь пробником, что есть проводник от массы до 3 вывода DD9.

    Всё-таки на этом этапе был бы очень полезен осциллограф.
    Сфоткай часть своей платы под генератором, хоть помотреть как всё запаяно.
    Миниатюры Миниатюры Нажмите на изображение для увеличения. 

Название:	gen-patch.jpg 
Просмотров:	633 
Размер:	89.2 Кб 
ID:	9032  

  3. #43

    Регистрация
    26.04.2005
    Адрес
    Червоноград, Львовская область , Украина
    Сообщений
    67
    Спасибо Благодарностей отдано 
    0
    Спасибо Благодарностей получено 
    0
    Поблагодарили
    0 сообщений
    Mentioned
    0 Post(s)
    Tagged
    0 Thread(s)

    По умолчанию

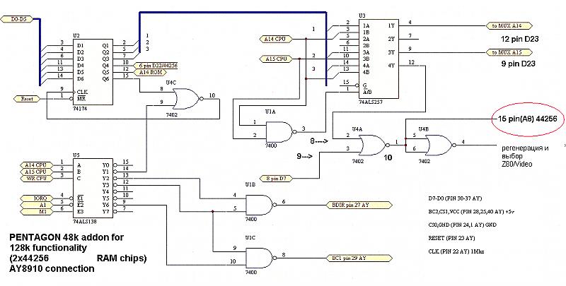
    Посмотрел схемы розшырения Пентагона до 128к и возник вопрос относительно схемы комутации сигнала А8 - логика роботы вызывает опасения относительно регенерации. Схему хочу изменить для Специалиста .
    Миниатюры Миниатюры Нажмите на изображение для увеличения. 

Название:	44c256_pentagon48_128.jpg 
Просмотров:	569 
Размер:	42.7 Кб 
ID:	9067   Нажмите на изображение для увеличения. 

Название:	ZX48_128ADD_rev270606.jpg 
Просмотров:	577 
Размер:	51.3 Кб 
ID:	9068  

  4. #44

    Регистрация
    04.09.2008
    Адрес
    Москва
    Сообщений
    33
    Спасибо Благодарностей отдано 
    0
    Спасибо Благодарностей получено 
    0
    Поблагодарили
    0 сообщений
    Mentioned
    0 Post(s)
    Tagged
    0 Thread(s)

    По умолчанию

    Всю жизнь делал 128К, допаивая ещё 8 РУ5 сверху, схема включения выше по топику.
    РУ5 регенерятся через RAS видеоконтроллером, и т.к. оба банка в параллель, то регенерятся оба одновременно.
    По поводу 44256 и вашей схемы к сожалению ничего сказать не могу.

  5. #45

    Регистрация
    25.11.2007
    Адрес
    Симферополь
    Сообщений
    2,164
    Спасибо Благодарностей отдано 
    1
    Спасибо Благодарностей получено 
    3
    Поблагодарили
    3 сообщений
    Mentioned
    0 Post(s)
    Tagged
    0 Thread(s)

    По умолчанию

    UP собственно.
    на днях купил осцилогляд и вроде запустил частью пентагон.
    итак что сделано:
    1. заменена ИР23 стоявшая вместо ИР22 на нужную.
    2. немного изменен формирование видео.
    3. обнаружено что 6 ОЗУ - мертвые ( на DO постоянно висит Z состояние).
    4. непонятки с выходным мультиплексором цветов (стоит кп11 почему то 531 серии)
    собственно варианта 2 или дохлый КП11 или атрибутная защелка ИР23 собственно если корочу вход и выход этой ир23 появляется текст , иначе - тайна белого экрана.
    5. Собсно вопрос к WrtDos - ты не сканил свои схемы?может просто найдеш хороший цифровой фотик с многими мегапикселями да щёлкнеш на максимальном разрешении?

  6. #46

    Регистрация
    25.11.2007
    Адрес
    Симферополь
    Сообщений
    2,164
    Спасибо Благодарностей отдано 
    1
    Спасибо Благодарностей получено 
    3
    Поблагодарили
    3 сообщений
    Mentioned
    0 Post(s)
    Tagged
    0 Thread(s)

    По умолчанию

    Запустил пентагон битым оказался ир23 атрибутный. ну и РУ5 пришлось феном снять с убитой кемто платы пентагон128.
    итого +1 реал.(осталось только сделать клаву и попытаться приспособить эмуляцию ТРДОС от SPECCY2007)

  7. #46
    С любовью к вам, Yandex.Direct
    Размещение рекламы на форуме способствует его дальнейшему развитию

  8. #47

    Регистрация
    07.08.2007
    Адрес
    Москва
    Сообщений
    936
    Спасибо Благодарностей отдано 
    61
    Спасибо Благодарностей получено 
    26
    Поблагодарили
    25 сообщений
    Mentioned
    0 Post(s)
    Tagged
    0 Thread(s)

    По умолчанию

    Так и кто-нибудь собрал пент48 по новой восстановленной плате?

    Добавлено через 2 минуты
    Цитата Сообщение от WtrDos Посмотреть сообщение
    К сожалению под рукой только сотовый, сфоткал им.
    Качество паршивое, но что-то видно.
    На днях постараюсь отсканить по-нормальному.
    Еще есть возможность отсканить?
    Последний раз редактировалось Egal; 29.04.2009 в 07:52. Причина: Добавлено сообщение

  9. #48

    Регистрация
    01.09.2008
    Адрес
    Москва
    Сообщений
    127
    Спасибо Благодарностей отдано 
    0
    Спасибо Благодарностей получено 
    0
    Поблагодарили
    0 сообщений
    Mentioned
    0 Post(s)
    Tagged
    0 Thread(s)

    По умолчанию

    Цитата Сообщение от balu_dark Посмотреть сообщение
    в дежавю я скачал - качество ПОГАНЕЙШЕЕ. плюс я там не нашел инфы чего на плвте может быть не так - в плане залипух или недосоединений(минимум одну дорогу оборванную и идущую в сторону части бетадиска вижу визуально). первое если у тебя не тоже самое что с сайта КОЕ то давай.
    У меня есть монтажка с доработками- нужна?

  10. #49

    Регистрация
    25.11.2007
    Адрес
    Симферополь
    Сообщений
    2,164
    Спасибо Благодарностей отдано 
    1
    Спасибо Благодарностей получено 
    3
    Поблагодарили
    3 сообщений
    Mentioned
    0 Post(s)
    Tagged
    0 Thread(s)

    По умолчанию

    ага!
    буду очень признателен!
    Amiga 1200+Blizzard 1260 72 Mb+Mtek 68030,Compozit 128, Leningrad 2,
    Atari STE 1040,ZX Spectrum +2,Pentagon 48, Speccy2007 - 2 , ATAS 256k.
    ZX Evo 4Mb- в строю.
    Speccy2010 v1
    Специалист (пока готовлюсь к восстановлению).
    Это все мое!
    Родное!
    Все люблю на свете я! Это родина моя!

  11. #50

    Регистрация
    25.11.2007
    Адрес
    Симферополь
    Сообщений
    2,164
    Спасибо Благодарностей отдано 
    1
    Спасибо Благодарностей получено 
    3
    Поблагодарили
    3 сообщений
    Mentioned
    0 Post(s)
    Tagged
    0 Thread(s)

    По умолчанию

    Цитата Сообщение от Nordic Посмотреть сообщение
    У меня есть монтажка с доработками- нужна?
    и хде обещаное? ( три года ждать как в извесной поговорке -ломает )
    Amiga 1200+Blizzard 1260 72 Mb+Mtek 68030,Compozit 128, Leningrad 2,
    Atari STE 1040,ZX Spectrum +2,Pentagon 48, Speccy2007 - 2 , ATAS 256k.
    ZX Evo 4Mb- в строю.
    Speccy2010 v1
    Специалист (пока готовлюсь к восстановлению).
    Это все мое!
    Родное!
    Все люблю на свете я! Это родина моя!

Страница 5 из 16 ПерваяПервая 123456789 ... ПоследняяПоследняя

Информация о теме

Пользователи, просматривающие эту тему

Эту тему просматривают: 1 (пользователей: 0 , гостей: 1)

Похожие темы

  1. Ответов: 67
    Последнее: 21.04.2021, 14:51
  2. Как доработать "Пентагон-128"?
    от AlexBel в разделе Pentagon
    Ответов: 36
    Последнее: 18.09.2011, 15:11
  3. Ремонт "Пентагон 48"
    от Sonic в разделе Pentagon
    Ответов: 76
    Последнее: 11.01.2011, 09:33
  4. Ответов: 6
    Последнее: 20.11.2007, 11:29
  5. Ответов: 5
    Последнее: 20.06.2005, 00:10

Ваши права

  • Вы не можете создавать новые темы
  • Вы не можете отвечать в темах
  • Вы не можете прикреплять вложения
  • Вы не можете редактировать свои сообщения
  •