User Tag List

Страница 5 из 6 ПерваяПервая 123456 ПоследняяПоследняя
Показано с 41 по 50 из 56

Тема: Часы для А600. Где взять?

  1. #41

    Регистрация
    13.03.2006
    Адрес
    Колпино
    Сообщений
    1,250
    Спасибо Благодарностей отдано 
    0
    Спасибо Благодарностей получено 
    8
    Поблагодарили
    6 сообщений
    Mentioned
    0 Post(s)
    Tagged
    0 Thread(s)

    По умолчанию

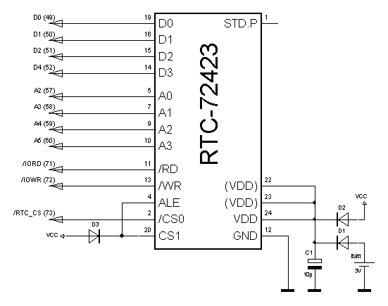
    Вот схемку намалевал, только RTC часть. Во всяком случае сейчас сделано именно так. В скобках номер ноги на трапдор слоте.
    Миниатюры Миниатюры Нажмите на изображение для увеличения. 

Название:	A600 RTC_sch.png 
Просмотров:	305 
Размер:	3.0 Кб 
ID:	8886  
    Последний раз редактировалось molodcov_alex; 31.08.2008 в 13:31.
    ZX Spectrum forever!

  2. #42

    Регистрация
    17.10.2005
    Адрес
    Владимирская обл.г.Радужный
    Сообщений
    712
    Спасибо Благодарностей отдано 
    2
    Спасибо Благодарностей получено 
    1
    Поблагодарили
    1 сообщение
    Mentioned
    0 Post(s)
    Tagged
    0 Thread(s)

    По умолчанию

    ок. то что нужно.
    Мой зоопарк: Амига 600 2mb chip/8mb fast ram; MacMini/MorphOs.

  3. #43

    Регистрация
    25.11.2007
    Адрес
    Симферополь
    Сообщений
    2,164
    Спасибо Благодарностей отдано 
    1
    Спасибо Благодарностей получено 
    3
    Поблагодарили
    3 сообщений
    Mentioned
    0 Post(s)
    Tagged
    0 Thread(s)

    По умолчанию

    ну так походу и есть . а на А1200 я пока так и не нашел аналог RTC чипа.
    народ - у кого есть аксели на 1200 - гляньте плиз - у кого какие чипы часов стоят.

  4. #44

    Регистрация
    03.08.2008
    Адрес
    Томск
    Сообщений
    108
    Спасибо Благодарностей отдано 
    3
    Спасибо Благодарностей получено 
    14
    Поблагодарили
    7 сообщений
    Mentioned
    0 Post(s)
    Tagged
    0 Thread(s)

    По умолчанию

    у меня на обоих акселях M6242B (Blizzard1230 IV и MTEC T1230/28)

    http://www.htmldatasheet.ru/oki/m6242b.htm

  5. #45

    Регистрация
    13.03.2006
    Адрес
    Колпино
    Сообщений
    1,250
    Спасибо Благодарностей отдано 
    0
    Спасибо Благодарностей получено 
    8
    Поблагодарили
    6 сообщений
    Mentioned
    0 Post(s)
    Tagged
    0 Thread(s)

    По умолчанию

    На amiga-hardware, часы втыкаемые к clockport: две штуки на M6242 и одна RTC-72421
    Может Амига сама определяет какие ей часы подсовывают? В эмуле-то пофигу какие часы ставить.
    Последний раз редактировалось molodcov_alex; 31.08.2008 в 23:07.
    ZX Spectrum forever!

  6. #46

    Регистрация
    17.10.2005
    Адрес
    Владимирская обл.г.Радужный
    Сообщений
    712
    Спасибо Благодарностей отдано 
    2
    Спасибо Благодарностей получено 
    1
    Поблагодарили
    1 сообщение
    Mentioned
    0 Post(s)
    Tagged
    0 Thread(s)

    По умолчанию

    У меня в акселях стоят м6242 и RTC-72423.
    Мой зоопарк: Амига 600 2mb chip/8mb fast ram; MacMini/MorphOs.

  7. #46
    С любовью к вам, Yandex.Direct
    Размещение рекламы на форуме способствует его дальнейшему развитию

  8. #47

    Регистрация
    13.03.2006
    Адрес
    Колпино
    Сообщений
    1,250
    Спасибо Благодарностей отдано 
    0
    Спасибо Благодарностей получено 
    8
    Поблагодарили
    6 сообщений
    Mentioned
    0 Post(s)
    Tagged
    0 Thread(s)

    По умолчанию

    В общем, для 1200ки я наверно тоже себе смастерю Вот только разъем надо бы раздобыть.
    ZX Spectrum forever!

  9. #48

    Регистрация
    25.11.2007
    Адрес
    Симферополь
    Сообщений
    2,164
    Спасибо Благодарностей отдано 
    1
    Спасибо Благодарностей получено 
    3
    Поблагодарили
    3 сообщений
    Mentioned
    0 Post(s)
    Tagged
    0 Thread(s)

    По умолчанию

    я - чуть погодя. попробую приспособить 68030 купленный у CHRV как аксель. торба правда с трапдор разьемом

  10. #49

    Регистрация
    13.03.2006
    Адрес
    Колпино
    Сообщений
    1,250
    Спасибо Благодарностей отдано 
    0
    Спасибо Благодарностей получено 
    8
    Поблагодарили
    6 сообщений
    Mentioned
    0 Post(s)
    Tagged
    0 Thread(s)

    По умолчанию

    А схемка есть? Или все с нуля?
    ZX Spectrum forever!

  11. #50

    Регистрация
    25.11.2007
    Адрес
    Симферополь
    Сообщений
    2,164
    Спасибо Благодарностей отдано 
    1
    Спасибо Благодарностей получено 
    3
    Поблагодарили
    3 сообщений
    Mentioned
    0 Post(s)
    Tagged
    0 Thread(s)

    По умолчанию

    с нуля а схемку сдеру с книги по 68020

Страница 5 из 6 ПерваяПервая 123456 ПоследняяПоследняя

Информация о теме

Пользователи, просматривающие эту тему

Эту тему просматривают: 1 (пользователей: 0 , гостей: 1)

Похожие темы

  1. схемы Ленинград-2: где взять??
    от bob5024 в разделе Ленинград
    Ответов: 3
    Последнее: 29.08.2020, 08:04
  2. еще про А600
    от F0lken в разделе Amiga
    Ответов: 5
    Последнее: 05.03.2008, 15:00
  3. Часы - простой но удобный скринсейвер
    от SGO в разделе Творчество
    Ответов: 3
    Последнее: 10.01.2008, 23:56
  4. Меняю A1200 на А600 или С64
    от Jubei в разделе Барахолка (архив)
    Ответов: 0
    Последнее: 21.01.2006, 22:24

Ваши права

  • Вы не можете создавать новые темы
  • Вы не можете отвечать в темах
  • Вы не можете прикреплять вложения
  • Вы не можете редактировать свои сообщения
  •