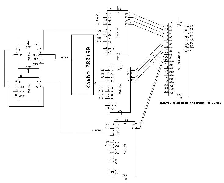
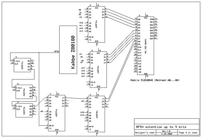
Планируется схемка процессорного модуля на Z80180 и SIMM 1Мб (не Спек!).
Без видеоконтроллера, рефреш планируется через проц.
Однако, у Z180 он 8-битный, а у ОЗУ - 9 бит.
Предлагается вашему вниманию прототип схемы расширения до 9 бит.
Делим импульсы /RFSH на 512 и закидываем вместо A8
в момент действия сигнала /RFSH через КП11 (xLS257).
Вопрос: пойдет ли такое? Возможно, я с инверсией напутал,
но принцип правильный?


Ответить с цитированием
Размещение рекламы на форуме способствует его дальнейшему развитию 


