User Tag List

Страница 4 из 6 ПерваяПервая 123456 ПоследняяПоследняя
Показано с 31 по 40 из 52

Тема: PAL Coder из Sega MD2

  1. #31

    Регистрация
    11.01.2006
    Адрес
    Брест/Минск
    Сообщений
    8,398
    Записей в дневнике
    4
    Спасибо Благодарностей отдано 
    188
    Спасибо Благодарностей получено 
    124
    Поблагодарили
    62 сообщений
    Mentioned
    7 Post(s)
    Tagged
    0 Thread(s)

    По умолчанию

    Цитата Сообщение от BYTEMAN Посмотреть сообщение
    И ещё вопрос. Как мне правильно подать I-сигнал?
    Я имею ввиду сигнал яркости для полного RGBI.
    С уважением, Александр.
    Scorpion ZS-256 Turbo+ GMX-2048
    SID-Blaster/ZX
    Музей ретрокомпьютеров в Минске!
    Здесь ничего нет => http://byteman.by
    И здесь тоже --->>> http://bytespace.by

  2. #31
    С любовью к вам, Yandex.Direct
    Размещение рекламы на форуме способствует его дальнейшему развитию

  3. #32

    Регистрация
    19.06.2007
    Адрес
    Саратов
    Сообщений
    2,255
    Спасибо Благодарностей отдано 
    24
    Спасибо Благодарностей получено 
    0
    Поблагодарили
    0 сообщений
    Mentioned
    1 Post(s)
    Tagged
    0 Thread(s)

    По умолчанию

    Цитата Сообщение от BYTEMAN
    Я имею ввиду сигнал яркости для полного RGBI.
    а куда его там подашь?...это немного для другого имхо

    Скрытый текст


    Apollo 1260 75mhz | 64mb | Mediator | VooDoo3 | RTL8139 | hdd | dvd-rw | OS3.1
    Pentagon 1024 sl2.2 | ZXMC2 | neoGS | TSFM | nemoIDE | hdd | cd-rom
    ATM 7.10 | hdd | cd-rom
    Commodore 64 | fdd
    БК 0010-01
    and some retro consoles/pc stuff...
    [свернуть]

  4. #33

    Регистрация
    11.02.2005
    Адрес
    Москва
    Сообщений
    3,789
    Спасибо Благодарностей отдано 
    0
    Спасибо Благодарностей получено 
    4
    Поблагодарили
    4 сообщений
    Mentioned
    0 Post(s)
    Tagged
    0 Thread(s)

    По умолчанию

    Цитата Сообщение от BYTEMAN Посмотреть сообщение
    Как мне правильно подать I-сигнал?
    Цитата Сообщение от BYTEMAN Посмотреть сообщение
    Я имею ввиду сигнал яркости для полного RGBI.
    Не нужно его никуда подавать , это ваще цифровой сигнал . На выходе спека уже и так еть нормальный RGB с замешанным битом яркости .
    Спек128 - испанская выдумка, навязанная Сэру Клайву. © Shaos
    REAL HARDWARE MUST LIVE ! - http://SBLive.narod.ru/ZX-Spectrum/

  5. #34

    Регистрация
    11.01.2006
    Адрес
    Брест/Минск
    Сообщений
    8,398
    Записей в дневнике
    4
    Спасибо Благодарностей отдано 
    188
    Спасибо Благодарностей получено 
    124
    Поблагодарили
    62 сообщений
    Mentioned
    7 Post(s)
    Tagged
    0 Thread(s)

    По умолчанию

    Цитата Сообщение от fan Посмотреть сообщение
    Не нужно его никуда подавать , это ваще цифровой сигнал . На выходе спека уже и так еть нормальный RGB с замешанным битом яркости .
    На байте НЕТ!!! BRIGHT 1 результата не даёт...
    С уважением, Александр.
    Scorpion ZS-256 Turbo+ GMX-2048
    SID-Blaster/ZX
    Музей ретрокомпьютеров в Минске!
    Здесь ничего нет => http://byteman.by
    И здесь тоже --->>> http://bytespace.by

  6. #35

    Регистрация
    13.03.2006
    Адрес
    Колпино
    Сообщений
    1,250
    Спасибо Благодарностей отдано 
    0
    Спасибо Благодарностей получено 
    8
    Поблагодарили
    6 сообщений
    Mentioned
    0 Post(s)
    Tagged
    0 Thread(s)

    По умолчанию

    А схемку Байта где можно глянуть?
    ZX Spectrum forever!

  7. #36

    Регистрация
    11.01.2006
    Адрес
    Брест/Минск
    Сообщений
    8,398
    Записей в дневнике
    4
    Спасибо Благодарностей отдано 
    188
    Спасибо Благодарностей получено 
    124
    Поблагодарили
    62 сообщений
    Mentioned
    7 Post(s)
    Tagged
    0 Thread(s)

    По умолчанию

    Цитата Сообщение от molodcov_alex Посмотреть сообщение
    А схемку Байта где можно глянуть?
    Напиши Tropic'у. Я ему присылал архив, там есть схемы. Эти схемы на форуме пробегали (во вложении).
    С уважением, Александр.
    Scorpion ZS-256 Turbo+ GMX-2048
    SID-Blaster/ZX
    Музей ретрокомпьютеров в Минске!
    Здесь ничего нет => http://byteman.by
    И здесь тоже --->>> http://bytespace.by

  8. #37

    Регистрация
    11.02.2005
    Адрес
    Москва
    Сообщений
    3,789
    Спасибо Благодарностей отдано 
    0
    Спасибо Благодарностей получено 
    4
    Поблагодарили
    4 сообщений
    Mentioned
    0 Post(s)
    Tagged
    0 Thread(s)

    По умолчанию

    Цитата Сообщение от BYTEMAN Посмотреть сообщение
    На байте НЕТ!!!
    Чего нет ? Яркость в RGB незамешана ? Не верю . (отдельно бит яркость подаётся только на мониторы c цифровым входом)
    Цитата Сообщение от BYTEMAN Посмотреть сообщение
    BRIGHT 1 результата не даёт...
    Значит что то сдохло .



    Приаттачте ктонить плиз схему в какуюнить байтовую тему .
    Последний раз редактировалось fan; 03.08.2008 в 11:10.
    Спек128 - испанская выдумка, навязанная Сэру Клайву. © Shaos
    REAL HARDWARE MUST LIVE ! - http://SBLive.narod.ru/ZX-Spectrum/

  9. #38

    Регистрация
    19.11.2006
    Адрес
    г.Слоним Гродненской области
    Сообщений
    1,283
    Спасибо Благодарностей отдано 
    0
    Спасибо Благодарностей получено 
    4
    Поблагодарили
    4 сообщений
    Mentioned
    0 Post(s)
    Tagged
    0 Thread(s)

    По умолчанию

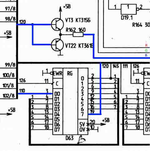
    У Байта яркостный сигнал не подмешивается к RGB. Вот участок схемы формирования канала синего цвета. На регистр приходит с мультиплексоров, регистр сдвигает, с выхода подается на транзисторы и оттуда на выходной разъем. Синим обозначил прохождение сигнала для наглядности.
    Разъем RGB у Байта не пяти, а семиконтактный - СГ7. Яркость идет отдельным пином. Кроме того, для Байта выпускали мониторы, у меня был такой черно-белый М7814.04 и в техническом описании к нему сказано: "Монитор М7814.04 ОТИБ.467814.001-04 предназначен для преобразования логических информационных сигналов от ПЭВМ "Байт" в алфавитно-цифровую и графическую информацию на экране электронно-лучевой трубки." Так вот у него был разъем тоже на 7 контактов. По одному из дополнительных пинов подавался сигнал яркости, по второму - звук. Я, когда подключал к цветному телевизору, делал схемку подмешивания яркости в сигналы цветов .
    Миниатюры Миниатюры Нажмите на изображение для увеличения. 

Название:	Bait-0.jpg 
Просмотров:	342 
Размер:	49.4 Кб 
ID:	8553  

  10. #39

    Регистрация
    11.02.2005
    Адрес
    Москва
    Сообщений
    3,789
    Спасибо Благодарностей отдано 
    0
    Спасибо Благодарностей получено 
    4
    Поблагодарили
    4 сообщений
    Mentioned
    0 Post(s)
    Tagged
    0 Thread(s)

    По умолчанию

    Круто
    Цитата Сообщение от valeron Посмотреть сообщение
    Я, когда подключал к цветному телевизору, делал схемку подмешивания яркости в сигналы цветов .
    Собсно BYTEMANу и нужна эта дороботка .
    Спек128 - испанская выдумка, навязанная Сэру Клайву. © Shaos
    REAL HARDWARE MUST LIVE ! - http://SBLive.narod.ru/ZX-Spectrum/

  11. #40

    Регистрация
    13.03.2006
    Адрес
    Колпино
    Сообщений
    1,250
    Спасибо Благодарностей отдано 
    0
    Спасибо Благодарностей получено 
    8
    Поблагодарили
    6 сообщений
    Mentioned
    0 Post(s)
    Tagged
    0 Thread(s)

    По умолчанию

    А яркостный сигнал в каком виде? Прямо с мелкосхемы идет?
    А можно тогда и всю схему увидеть?
    ZX Spectrum forever!

Страница 4 из 6 ПерваяПервая 123456 ПоследняяПоследняя

Информация о теме

Пользователи, просматривающие эту тему

Эту тему просматривают: 1 (пользователей: 0 , гостей: 1)

Похожие темы

  1. SECAM CODER. (C) 1993 ELSY
    от Dendy в разделе Изображение
    Ответов: 17
    Последнее: 06.09.2009, 17:45
  2. PAL coder na CXA1645
    от POIND в разделе Изображение
    Ответов: 37
    Последнее: 01.05.2009, 15:07
  3. PAL Coder revision B
    от CHRV в разделе Изображение
    Ответов: 20
    Последнее: 18.11.2007, 13:42
  4. SECAM CODER
    от I_0 в разделе Изображение
    Ответов: 7
    Последнее: 10.11.2006, 00:59
  5. Alone Coder меняет много на AtmTurbo 2+ с AY
    от Wlodek в разделе Барахолка (архив)
    Ответов: 1
    Последнее: 04.02.2006, 15:38

Ваши права

  • Вы не можете создавать новые темы
  • Вы не можете отвечать в темах
  • Вы не можете прикреплять вложения
  • Вы не можете редактировать свои сообщения
  •