Важная информация

User Tag List

Страница 1 из 3 123 ПоследняяПоследняя
Показано с 1 по 10 из 23

Тема: Pentagon 48

  1. #1

    Регистрация
    03.08.2008
    Адрес
    г. Самара
    Сообщений
    299
    Спасибо Благодарностей отдано 
    0
    Спасибо Благодарностей получено 
    0
    Поблагодарили
    0 сообщений
    Mentioned
    0 Post(s)
    Tagged
    0 Thread(s)

    Question Pentagon 48

    Не нашел схемы расширения памяти, есть такие?

  2. #1
    С любовью к вам, Yandex.Direct
    Размещение рекламы на форуме способствует его дальнейшему развитию

  3. #2

    Регистрация
    25.11.2007
    Адрес
    Симферополь
    Сообщений
    2,164
    Спасибо Благодарностей отдано 
    1
    Спасибо Благодарностей получено 
    3
    Поблагодарили
    3 сообщений
    Mentioned
    0 Post(s)
    Tagged
    0 Thread(s)

    По умолчанию

    возьми любую понравившуюся от любого спека. приаттачь тут. по ней и подскажем чего куда у нее паять для пентагона. схем очень много расширенияю смысл как правило один. сигнал SCR цеплять на мультиплексор D23 пин 10 если не ошибаюсь. адреса а14` и a15` соответственно на 12 и 4ю ноги DD23. остальное- показывай схему расширения - будем думать

  4. #3

    Регистрация
    03.08.2008
    Адрес
    г. Самара
    Сообщений
    299
    Спасибо Благодарностей отдано 
    0
    Спасибо Благодарностей получено 
    0
    Поблагодарили
    0 сообщений
    Mentioned
    0 Post(s)
    Tagged
    0 Thread(s)

    По умолчанию

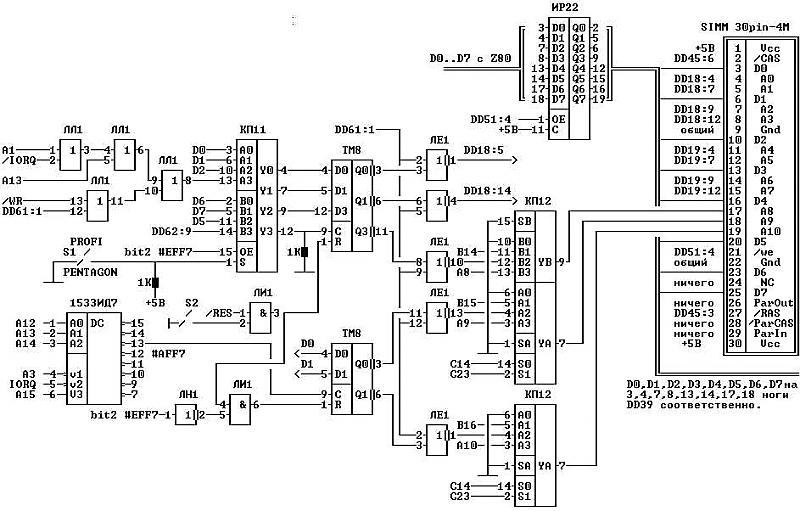
    Вот схема, есть еще подобная под мег, но эта как то... короче четыре лучше чем один!
    Миниатюры Миниатюры Нажмите на изображение для увеличения. 

Название:	Pent.jpg 
Просмотров:	781 
Размер:	83.5 Кб 
ID:	8642  

  5. #4

    Регистрация
    25.11.2007
    Адрес
    Симферополь
    Сообщений
    2,164
    Спасибо Благодарностей отдано 
    1
    Спасибо Благодарностей получено 
    3
    Поблагодарили
    3 сообщений
    Mentioned
    0 Post(s)
    Tagged
    0 Thread(s)

    По умолчанию

    вот на форуе где-то пробегал архивчик.

    П.С. - а не трудно тебе будет сфоткать плату твоего пентагона с дфух сторон в высоком разрешении и на копии фотки со стороны элементов указать номиналы резюков и емкостей ????
    Вложения Вложения

  6. #5

    Регистрация
    03.08.2008
    Адрес
    г. Самара
    Сообщений
    299
    Спасибо Благодарностей отдано 
    0
    Спасибо Благодарностей получено 
    0
    Поблагодарили
    0 сообщений
    Mentioned
    0 Post(s)
    Tagged
    0 Thread(s)

    По умолчанию

    А я что то не нашел. Сфотать не чем, тем более в высоком разрешении, а сам пент есть тут http://molotok.ru/item414683738_plat...iskovoda_.html

    Добавлено через 11 минут
    Мда, теперь надо эти две схемы слепить, чтоб СИММ работал в 48 пенте? Или нафиг, ждем осени, а там и СУПЕР-АТМ от NedoPC появится?!
    Последний раз редактировалось Petr0v; 12.08.2008 в 03:07. Причина: Добавлено сообщение

  7. #6

    Регистрация
    25.11.2007
    Адрес
    Симферополь
    Сообщений
    2,164
    Спасибо Благодарностей отдано 
    1
    Спасибо Благодарностей получено 
    3
    Поблагодарили
    3 сообщений
    Mentioned
    0 Post(s)
    Tagged
    0 Thread(s)

    По умолчанию

    Ну хотябы в паинте набросай от руки примерно. а то лежит пентагон недособранный и надо собрать а с номиналами толком не могу определиться. да собственно возможно и хрен с ним с разрешением - главное чтобы можно было понять где что стоит какого номинала на рабочем пентагоне 48. вывод на касету и ввод с нее - не интересен. нужны перемычки и времязадающие емкости и резюки
    Последний раз редактировалось balu_dark; 12.08.2008 в 04:41.

  8. #7

    Регистрация
    03.08.2008
    Адрес
    г. Самара
    Сообщений
    299
    Спасибо Благодарностей отдано 
    0
    Спасибо Благодарностей получено 
    0
    Поблагодарили
    0 сообщений
    Mentioned
    0 Post(s)
    Tagged
    0 Thread(s)

    По умолчанию

    А как подключать его, может кто знает? Есть пент 48, а куда чего и в контроллере нет двух микрух. ПЗУ одна 27256.
    Фото не моей платы.
    Миниатюры Миниатюры Нажмите на изображение для увеличения. 

Название:	Pentagon_48.jpg 
Просмотров:	724 
Размер:	141.1 Кб 
ID:	8864  

  9. #8

    Регистрация
    25.11.2007
    Адрес
    Симферополь
    Сообщений
    2,164
    Спасибо Благодарностей отдано 
    1
    Спасибо Благодарностей получено 
    3
    Поблагодарили
    3 сообщений
    Mentioned
    0 Post(s)
    Tagged
    0 Thread(s)

    По умолчанию

    клава верхние 8 полурядов ты правильно показал - в центре еще 5 это горизонтальная шина клавы.
    внизу красный квадрат - это цвета (нужно дособрать схему на резисторах если используеш аналоговый монитор).

    синхру надо брать слева с низу после двух вертикально расположеных микрос находится красненький транзюк над ним ЛП5 - 3я нога у нее синхро.

    архив переименуй в джипег
    Вложения Вложения
    Последний раз редактировалось balu_dark; 29.08.2008 в 23:29.

  10. #9

    Регистрация
    03.08.2008
    Адрес
    г. Самара
    Сообщений
    299
    Спасибо Благодарностей отдано 
    0
    Спасибо Благодарностей получено 
    0
    Поблагодарили
    0 сообщений
    Mentioned
    0 Post(s)
    Tagged
    0 Thread(s)

    По умолчанию

    А какие две микрухи стоят в контроллере с краю? balu dark резюки я тебе срисую, но надо немного времени.

    Так монтажной схемы нету чтоли?!

  11. #10

    Регистрация
    14.01.2005
    Адрес
    Ekaterinburg
    Сообщений
    2,726
    Спасибо Благодарностей отдано 
    19
    Спасибо Благодарностей получено 
    148
    Поблагодарили
    91 сообщений
    Mentioned
    0 Post(s)
    Tagged
    0 Thread(s)

    По умолчанию

    Цитата Сообщение от Petr0v
    А какие две микрухи стоят в контроллере с краю?
    К561ИЕ11.
    Цитата Сообщение от Petr0v
    Так монтажной схемы нету чтоли?!
    Есть.
    Вложения Вложения

Страница 1 из 3 123 ПоследняяПоследняя

Информация о теме

Пользователи, просматривающие эту тему

Эту тему просматривают: 1 (пользователей: 0 , гостей: 1)

Похожие темы

  1. Pentagon 2+
    от alone в разделе Pentagon
    Ответов: 19
    Последнее: 07.02.2014, 17:17
  2. Pentagon 1024 SL
    от breeze в разделе Pentagon
    Ответов: 7
    Последнее: 15.03.2005, 10:43

Ваши права

  • Вы не можете создавать новые темы
  • Вы не можете отвечать в темах
  • Вы не можете прикреплять вложения
  • Вы не можете редактировать свои сообщения
  •