User Tag List

Показано с 1 по 5 из 5

Тема: Починка Сура пк 8000

  1. #1

    Регистрация
    17.05.2018
    Адрес
    г. Москва
    Сообщений
    369
    Спасибо Благодарностей отдано 
    156
    Спасибо Благодарностей получено 
    34
    Поблагодарили
    24 сообщений
    Mentioned
    0 Post(s)
    Tagged
    0 Thread(s)

    По умолчанию Починка Сура пк 8000

    всем привет
    помогите оживить суру пк8000

    анамнез. пациент поступил в состоянии "почти новый". следов экслпутации не видно. пломбы на месте. даже книжки дали (жаль без схем, ну это мелочи) и упаковочный полиэтилен, приятного ржавого цвета.
    переходника на телек нет. пока я его подключал в чб к жк телеку - сжег выходной VT1. заменил его - картинка появилась. сделал мод по увеличению номинала резистров обвязки (р60 56 и кажется 58 могу ошибатся, но это не суть), так что ярко-белый стал серым, ну это я с Р56 переборщил поставил 330 ом, потом заменю на 180, сейчас не критично
    Нажмите на изображение для увеличения. 

Название:	c53ec7cf-92c0-497e-811d-26051eafbb32.jpg 
Просмотров:	90 
Размер:	27.1 Кб 
ID:	82336
    итак имеем - светлые полосы, сверху и снизу, черный экран. иногда забит мусором. на ресет реагирует, но картинка та же. иногда, редко - сваливается в просто белый экран, лечится вкл-выкл
    при включении все три сведодиода загораются, потом два гаснут (справа и посередине)
    щелка в динамике нетути.
    почитал форум - скорее всего все работает, но не читается пзу.
    пошел простым путем, по следам этого поста
    https://zx-pk.ru/threads/20530-pk800...l=1#post875170
    заменил проц - вообще без результатов.

    замерил что на нем - две частоты F1 F2 есть, плюс минус 5 тоже есть

    по следам этого поста
    https://zx-pk.ru/threads/20530-pk800...l=1#post564940
    (схожая симптоматика) подтянул А0 А1 на землю чтобы принудительно выбирать пзу при запуске - без результатов

    на этом мои полномочия все. ослика нет. лог анализатор есть. куда дальше копать - поможите!

  2. #1
    С любовью к вам, Yandex.Direct
    Размещение рекламы на форуме способствует его дальнейшему развитию

  3. #2

    Регистрация
    27.04.2015
    Адрес
    г. Пенза
    Сообщений
    500
    Спасибо Благодарностей отдано 
    334
    Спасибо Благодарностей получено 
    90
    Поблагодарили
    59 сообщений
    Mentioned
    0 Post(s)
    Tagged
    0 Thread(s)

    По умолчанию

    Цитата Сообщение от crrush Посмотреть сообщение
    Нажмите на изображение для увеличения. 

Название:	c53ec7cf-92c0-497e-811d-26051eafbb32.jpg 
Просмотров:	90 
Размер:	27.1 Кб 
ID:	82336
    итак имеем - светлые полосы, сверху и снизу, черный экран. иногда забит мусором. на ресет реагирует, но картинка та же. иногда, редко - сваливается в просто белый экран, лечится вкл-выкл
    при включении все три сведодиода загораются, потом два гаснут (справа и посередине)
    Поздравляю, это правильное изображение видеочасти Суры.
    А это значит, что задающий генератор и счетчики делители работают правильно, обе РТ2 (самое важное) работают правильно.
    Это сердце Суры.

    Когда светодиоды гаснут, это значит, что процессор правильно выполняет некоторое количество команд.
    А далее, перестает выполнять адекватно.
    Причины могут быть разные, начиная с ОЗУ и ПЗУ.

    Тут в темах был где то "отладчик" на Ардуине Мега 2560, и прошивка для него. Подключается к разъему расширения и слушает шину.
    Попробуйте его.

    - - - Добавлено - - -

    Цитата Сообщение от crrush Посмотреть сообщение
    упаковочный полиэтилен, приятного ржавого цвета
    Это он от времени изменил цвет. Изначально он матово-белый.
    wtf

  4. #3

    Регистрация
    14.06.2005
    Адрес
    г. Калуга
    Сообщений
    10,141
    Спасибо Благодарностей отдано 
    216
    Спасибо Благодарностей получено 
    769
    Поблагодарили
    417 сообщений
    Mentioned
    23 Post(s)
    Tagged
    0 Thread(s)

    По умолчанию

    Цитата Сообщение от crrush Посмотреть сообщение
    куда дальше копать - поможите!
    Возможно тупо высохли электролиты в блоке питания, вот и колбасит его.
    Сайт поддержки моих изделий - http://micklab.ru/
    Группа ВКонтакте - https://vk.com/micklab

  5. #4

    Регистрация
    27.11.2014
    Адрес
    г. Саратов
    Сообщений
    549
    Спасибо Благодарностей отдано 
    57
    Спасибо Благодарностей получено 
    39
    Поблагодарили
    30 сообщений
    Mentioned
    0 Post(s)
    Tagged
    0 Thread(s)

    По умолчанию

    Цитата Сообщение от crrush Посмотреть сообщение
    пока я его подключал в чб к жк телеку - сжег выходной VT1
    Прошу извинить, что-то какие-то глюки - у меня текст не переносится, вот и получается такое пустое поле. Этот транзистор бы по-хорошему надо заменить на что-то помощнее. Я их тоже нажёг не менее двух. У мониторов типа "Колокольчика" очень маленькое входное сопротивление, да и у телевизоров тоже, КТ315 работает на пределе. Моя "Сура" так померла в 1993-м году и несколько лет лежала, пока я не пошёл учиться в радиошколу и не починил её сам. Как потом оказалось, "мой конь ещё мог бы носить меня", при подключении к цветному ТВ этот транзистор и не нужен, просто подключено было неправильно. Ч/б выход был использован вместо синхры. Я ещё подключал комп к ламповому ч/б телевизору, на сетку лампы видеоусилителя, но там входное сопротивление большое.
    Последний раз редактировалось CityAceE; 06.09.2025 в 22:55. Причина: Убрал лишние переводы строк

  6. #5

    Регистрация
    28.03.2006
    Адрес
    Санкт-Петербург
    Сообщений
    2,776
    Спасибо Благодарностей отдано 
    553
    Спасибо Благодарностей получено 
    200
    Поблагодарили
    138 сообщений
    Mentioned
    2 Post(s)
    Tagged
    0 Thread(s)

    По умолчанию

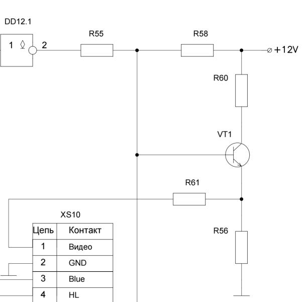
    Arix, транзистор VT1 по идее должен работать в режиме эмиттерного повторителя. Резистор R60 в его коллекторной цепи, как мне кажется, не нужен либо должен быть малого сопротивления. Тогда гореть там особо будет нечему, даже при полном замыкании выхода видео на землю.
    Вложение 8275
    Миниатюры Миниатюры Нажмите на изображение для увеличения. 

Название:	Screenshot_2025-09-07-11-31-08-137_com.android.chrome-edit.jpg 
Просмотров:	25 
Размер:	20.9 Кб 
ID:	82750  

Информация о теме

Пользователи, просматривающие эту тему

Эту тему просматривают: 1 (пользователей: 0 , гостей: 1)

Похожие темы

  1. Починка КНЖМД ДВК
    от dk_spb в разделе ДВК, УКНЦ
    Ответов: 54
    Последнее: 02.06.2016, 22:14
  2. Аукцион(или обмен) Сура ПК 8000
    от Mad Killer/PG в разделе Барахолка (архив)
    Ответов: 2
    Последнее: 12.06.2012, 11:15
  3. Casio SF-8000 digital diary
    от ayGROUP в разделе Барахолка (архив)
    Ответов: 9
    Последнее: 19.05.2012, 11:25
  4. Помогите с УИВ (опознание и починка)
    от dk_spb в разделе БК-0010/0011
    Ответов: 30
    Последнее: 17.03.2010, 12:34

Ваши права

  • Вы не можете создавать новые темы
  • Вы не можете отвечать в темах
  • Вы не можете прикреплять вложения
  • Вы не можете редактировать свои сообщения
  •