Важная информация

User Tag List

Страница 5 из 6 ПерваяПервая 123456 ПоследняяПоследняя
Показано с 41 по 50 из 51

Тема: Современное железо

  1. #41

    Регистрация
    14.06.2005
    Адрес
    г. Калуга
    Сообщений
    10,149
    Спасибо Благодарностей отдано 
    217
    Спасибо Благодарностей получено 
    776
    Поблагодарили
    420 сообщений
    Mentioned
    23 Post(s)
    Tagged
    0 Thread(s)

    По умолчанию

    Цитата Сообщение от Example626 Посмотреть сообщение
    Mick, а на этом контроллере можно чересстрочную развёртку сделать?
    Я хочу. Разрешение по вертикали получится в два раза выше (за счёт уменьшения частоты и сдвига на полстроки второго кадра относительно первого - как в стандартном телевизионном сигнале). Причём, если не использовать второй кадр (повторяя первый), то и совместимость сохранится.
    Там вроде есть режим интерлейсинга, честно скажу сам не пробовал
    Сайт поддержки моих изделий - http://micklab.ru/
    Группа ВКонтакте - https://vk.com/micklab

  2. #42

    Регистрация
    11.02.2005
    Адрес
    Москва
    Сообщений
    3,789
    Спасибо Благодарностей отдано 
    0
    Спасибо Благодарностей получено 
    4
    Поблагодарили
    4 сообщений
    Mentioned
    0 Post(s)
    Tagged
    0 Thread(s)

    По умолчанию

    Цитата Сообщение от Example626 Посмотреть сообщение
    fan, а можешь подсказать хоть чем её прошивать, ПО для разработки и отладки и т.д.? К тому же у неё питание 3,3 Вольта - как уровни с ТТЛ подогнать? Я её из схемы выковырял - там её выводы напрямую к микросхемам ТТЛ (5 Вольт) подсоединены. Сама она запитана от 3,3. Это нормально?
    Этот таракан аналогичным образом юзается в этом компе - pentagon1024.narod.ru .

    Софт для разработки - наверное лучше с MAX+PLUS II начать , занимает мало и ресурсов жрёт мало . Если трафика не жалко , то можно и Quartus II выкачать .
    https://www.altera.com/support/softw...ad_center.html (про излечение искать в нете )

    Добавлено через 3 минуты
    Да , прошивать штуковиной под названием Byte Blaster MV (делается из одной микрухи). Кажется эту матрицу и без бластера кто то тут прошивал , подробности в какойто теме про Byte Blaster (лин не помню).
    Последний раз редактировалось fan; 24.10.2008 в 21:17. Причина: Добавлено сообщение
    Спек128 - испанская выдумка, навязанная Сэру Клайву. © Shaos
    REAL HARDWARE MUST LIVE ! - http://SBLive.narod.ru/ZX-Spectrum/

  3. #43

    Регистрация
    07.08.2007
    Адрес
    Нижний Новгород
    Сообщений
    77
    Спасибо Благодарностей отдано 
    0
    Спасибо Благодарностей получено 
    0
    Поблагодарили
    0 сообщений
    Mentioned
    0 Post(s)
    Tagged
    0 Thread(s)

    По умолчанию

    fan, попытался набросать проект в Max+Plus II. За основу взял узел генератора от "Пентагона-128". Вроде что-то получается. Но битый час бьюсь с одной проблемой - в симуляторе задано окончание симуляции 1 мс, однако через 500 мкс симуляция заканчивается и выдаётся вот это:
    Нажмите на изображение для увеличения. 

Название:	Image1.jpg 
Просмотров:	387 
Размер:	89.9 Кб 
ID:	9410
    Не могу посмотреть дальнейшую обработку сигналов. Я по-честному пытался разобраться, но не смог. Подскажи, если знаешь.

  4. #44

    Регистрация
    21.08.2006
    Адрес
    Ижевск
    Сообщений
    941
    Спасибо Благодарностей отдано 
    23
    Спасибо Благодарностей получено 
    298
    Поблагодарили
    164 сообщений
    Mentioned
    20 Post(s)
    Tagged
    0 Thread(s)

    По умолчанию

    Цитата Сообщение от Example626 Посмотреть сообщение
    ...в симуляторе задано окончание симуляции 1 мс, однако через 500 мкс симуляция заканчивается и выдаётся вот это:...
    Возможно: "Закончились" входные сигналы (Clock, Reset и т.п.).
    Обычно, так бывает, когда увеличиваешь время симуляции.
    Нужно заново определить все входные сигналы.

  5. #45

    Регистрация
    07.08.2007
    Адрес
    Нижний Новгород
    Сообщений
    77
    Спасибо Благодарностей отдано 
    0
    Спасибо Благодарностей получено 
    0
    Поблагодарили
    0 сообщений
    Mentioned
    0 Post(s)
    Tagged
    0 Thread(s)

    По умолчанию

    DDp, СПАСИБО. Решение лежало на поверхности. А я лазил в глубины неизведанные.

  6. #46

    Регистрация
    11.02.2005
    Адрес
    Москва
    Сообщений
    3,789
    Спасибо Благодарностей отдано 
    0
    Спасибо Благодарностей получено 
    4
    Поблагодарили
    4 сообщений
    Mentioned
    0 Post(s)
    Tagged
    0 Thread(s)

    По умолчанию

    Вродетам всего один входной сигнал . Его глобально можно задать и внезависимости от времени симуляции он не "кончится" (по крайней мере в квактусе можно было так сделать).
    Спек128 - испанская выдумка, навязанная Сэру Клайву. © Shaos
    REAL HARDWARE MUST LIVE ! - http://SBLive.narod.ru/ZX-Spectrum/

  7. #46
    С любовью к вам, Yandex.Direct
    Размещение рекламы на форуме способствует его дальнейшему развитию

  8. #47

    Регистрация
    07.08.2007
    Адрес
    Нижний Новгород
    Сообщений
    77
    Спасибо Благодарностей отдано 
    0
    Спасибо Благодарностей получено 
    0
    Поблагодарили
    0 сообщений
    Mentioned
    0 Post(s)
    Tagged
    0 Thread(s)

    По умолчанию

    Да, один - именно он и был недописан.
    А как глобально задавать, я не знаю - разобраться бы с тем, что уже понимаю.

    PS
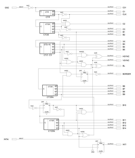
    Наконец закончил схему генерации сигналов развёртки. Простое повторение схемы от "Пентагона-128" не проканало - "железная" схема была рассчитана на некоторую инертность сигналов, в результате чего асинхронность некоторых узлов прокатывала. Здесь же пришлось вылизывать, чтобы не было нежелательных "клыков", создающих ложные импульсы.

    Вот что получилось:
    Нажмите на изображение для увеличения. 

Название:	ZX.jpg 
Просмотров:	442 
Размер:	42.7 Кб 
ID:	9414
    Большинство наименований сигналов взято со схемы "Пентагона-128".
    Проба пера, вроде, состоялась. Ещё немного доделать и можно начинать "пробу паяльника".
    Последний раз редактировалось Example626; 26.10.2008 в 11:24.

  9. #48

    Регистрация
    11.02.2005
    Адрес
    Москва
    Сообщений
    3,789
    Спасибо Благодарностей отдано 
    0
    Спасибо Благодарностей получено 
    4
    Поблагодарили
    4 сообщений
    Mentioned
    0 Post(s)
    Tagged
    0 Thread(s)

    По умолчанию

    Глобальный клок где то в накрутках самого проэкта должен задаваться , на как это конкретно в максе делается я без понятия .

    По глюкам при симуляции есть два основных момента - в библиотеке элементов (74F**) есть кривые элементы %) , Если симулировать шибко большёй частотой , то и глюков будет море , лучше ваще симулить той какая будет в реале .
    Спек128 - испанская выдумка, навязанная Сэру Клайву. © Shaos
    REAL HARDWARE MUST LIVE ! - http://SBLive.narod.ru/ZX-Spectrum/

  10. #49

    Регистрация
    07.08.2007
    Адрес
    Нижний Новгород
    Сообщений
    77
    Спасибо Благодарностей отдано 
    0
    Спасибо Благодарностей получено 
    0
    Поблагодарили
    0 сообщений
    Mentioned
    0 Post(s)
    Tagged
    0 Thread(s)

    По умолчанию

    Цитата Сообщение от fan Посмотреть сообщение
    По глюкам при симуляции есть два основных момента - в библиотеке элементов (74F**) есть кривые элементы %)
    Я это заметил, когда синхронный счётчик 74193 оказался не совсем синхронным. В итоге - все сигналы в кучу.
    В результате я решил вообще отказаться от встроенных библиотек, и прорисовывать элементы вручную.

  11. #50
    ZEK
    Гость

    По умолчанию

    Цитата Сообщение от Example626 Посмотреть сообщение
    и прорисовывать элементы вручную.
    Уж если рисовать охота то можно уже на каком нить HDL содержимое блоков нарисовать трудного абсольютно ничего
    например 4битный счетчик с асихронным сбросом будет выглядеть так (Verilog)
    Код:
    reg [3:0]Cnt;
    
    always @ (posegde CLK or negedge nReset)
    if (nReset = 1'b0)
      Cnt = 0;
    else
      Cnt = Cnt+1;
    гораздо проще чем примитивами рисовать

    На других языках почти тоже самое

Страница 5 из 6 ПерваяПервая 123456 ПоследняяПоследняя

Информация о теме

Пользователи, просматривающие эту тему

Эту тему просматривают: 1 (пользователей: 0 , гостей: 1)

Похожие темы

  1. Про всякое железо...
    от Sayman в разделе Несортированное железо
    Ответов: 26
    Последнее: 21.04.2008, 05:10
  2. Железо УКНЦ
    от Sonic в разделе Барахолка (архив)
    Ответов: 1
    Последнее: 26.07.2007, 10:39
  3. PC железо как эмулятор
    от CheburatoR в разделе Зарубежные компьютеры
    Ответов: 15
    Последнее: 18.02.2007, 11:48
  4. Продаю железо
    от tovarcatalog в разделе Барахолка (архив)
    Ответов: 0
    Последнее: 04.12.2006, 06:53
  5. Введение в железо для начинающих
    от kgbplus в разделе Несортированное железо
    Ответов: 9
    Последнее: 03.07.2006, 11:43

Ваши права

  • Вы не можете создавать новые темы
  • Вы не можете отвечать в темах
  • Вы не можете прикреплять вложения
  • Вы не можете редактировать свои сообщения
  •