в разработке!
Важная информация

User Tag List

Страница 6 из 10 ПерваяПервая ... 2345678910 ПоследняяПоследняя
Показано с 51 по 60 из 92

Тема: Расширение ОЗУ Ленинград-2

  1. #51

    Регистрация
    30.10.2008
    Адрес
    Minsk
    Сообщений
    212
    Спасибо Благодарностей отдано 
    1
    Спасибо Благодарностей получено 
    4
    Поблагодарили
    2 сообщений
    Mentioned
    0 Post(s)
    Tagged
    0 Thread(s)

    По умолчанию Эмулятор дисковода

    Эмулятор дисковода вчера вечером закончил и запустил.
    Чудесная вещица! Работает без проблем.
    Конвертированные образы *.SCL и *.TRD - только впуть!
    Супер!

    Эмулятор взял французский

    В моем исполнении лежит здесь
    ZXM-Phoenix 1024+CF8Gb+ProfROM+SMUC 2.0+CF4Gb+FDD эмулятор на Atmega8+ROM-Disk

  2. #52

    Регистрация
    01.01.2009
    Адрес
    Донецк, Украина
    Сообщений
    3,260
    Спасибо Благодарностей отдано 
    35
    Спасибо Благодарностей получено 
    10
    Поблагодарили
    9 сообщений
    Mentioned
    2 Post(s)
    Tagged
    0 Thread(s)

    По умолчанию

    Pryanick, а какая маркировка LCD индикатора? или они 2х16 все совместимы?

  3. #53

    Регистрация
    13.03.2006
    Адрес
    Колпино
    Сообщений
    1,250
    Спасибо Благодарностей отдано 
    0
    Спасибо Благодарностей получено 
    8
    Поблагодарили
    6 сообщений
    Mentioned
    0 Post(s)
    Tagged
    0 Thread(s)

    По умолчанию

    Pryanick, корпус - ну просто мегазачетище!
    Странно что я сюда раньше не заглядывал...
    ZX Spectrum forever!

  4. #54

    Регистрация
    30.10.2008
    Адрес
    Minsk
    Сообщений
    212
    Спасибо Благодарностей отдано 
    1
    Спасибо Благодарностей получено 
    4
    Поблагодарили
    2 сообщений
    Mentioned
    0 Post(s)
    Tagged
    0 Thread(s)

    По умолчанию Индикаторы LCD

    Нет, не все одинаковы.
    На индикатор нужен даташит, иначе могут быть жертвы.
    Я использовал SC1602BULT, там вообще 14 выводов. Подсветка выведена отдельно, А и К, но и на самом индикаторе с обратной стороны есть специальное место под сопротивление 0806 на подвсетку, чтобы еще два провода не тянуть.

    Был случай у меня один.
    Вся распиновка у двух индикаторов была - 1:1 (не помню точно - какие именно LCDшки). Ага. ...кроме питания 1 и 2 выводы - наоборот. Вот и спалил я один LCD. Очень давно, правда, но имел неосторожность.

    Добавлено через 21 минуту
    2 molodcov_alex
    А корпус да, это наше все
    Материал наполовину мой. Вся резка и гравировка обошлась в $19. Согласитесь - это вообще ничто. Особенно, если учесть что Спектрум - это друг детства. И в частности, если вспомнить как это было и сколько часов за ним я вместе с друзьями провел - то даже просто в качестве памяти о проведенных за ним часах, днях, ночах...
    Как говорится - без слез не расскажешь
    Но сейчас я им пользуюсь. Почти каждый день. Да, прихожу с работы, включаю и играю, смотрю демухи, с дочкой в Target Renegade вдвоем пилим. Благо, образов дискет в сети есть где взять...
    Последний раз редактировалось Pryanick; 17.04.2009 в 15:39. Причина: Добавлено сообщение
    ZXM-Phoenix 1024+CF8Gb+ProfROM+SMUC 2.0+CF4Gb+FDD эмулятор на Atmega8+ROM-Disk

  5. #55

    Регистрация
    15.02.2005
    Адрес
    г. Днепропетровск, Украина
    Сообщений
    166
    Спасибо Благодарностей отдано 
    2
    Спасибо Благодарностей получено 
    3
    Поблагодарили
    3 сообщений
    Mentioned
    0 Post(s)
    Tagged
    0 Thread(s)

    По умолчанию

    Итак, после ковыряния в справочниках и нутрях моего Ленинграда-2 , расширил его по схеме из поста 1 до 256кБ (опячаток конечно там) по стандарту Scorpion 256. С нашими РУ7 так и не удалось стабильно заставить работать, поставил V53C25680L - с ними все работает отлично. Так что если кому надо могу сделать исправленную схему с рекомендациями как правильно подключить 128кБ (256кБ) по этой схеме
    Последний раз редактировалось Spir0; 02.05.2009 в 11:45.

  6. #56

    Регистрация
    24.01.2009
    Адрес
    Камышин
    Сообщений
    1,407
    Спасибо Благодарностей отдано 
    130
    Спасибо Благодарностей получено 
    10
    Поблагодарили
    7 сообщений
    Mentioned
    0 Post(s)
    Tagged
    0 Thread(s)

    Thumbs up

    Цитата Сообщение от Spir0 Посмотреть сообщение
    Итак, после ковыряния в справочниках и нутрях моего Ленинграда-2 , расширил его по схеме из поста 1 до 256кБ (опячаток конечно там) по стандарту Scorpion 256. С нашими РУ7 так и не удалось стабильно заставить работать, поставил V53C25680L - с ними все работает отлично. Так что если кому надо могу сделать исправленную схему с рекомендациями как правильно подключить 128кБ (256кБ) по этой схеме
    Привет! Выложи пож-ста, материалы/советы сюда! Я то же буду собирать Ленинград, платы которого раздавал Роман(ЧРВ) и нек. моменты сборки которого описал КОЕ здесь. И то же память будет на импортных ХХ256(аналоги РУ7). Я кстати, так и не понял что это за клон - то ли Л1, то ли Л2, то ли ещё какой?!!
    Глянь, мой пост, я там схему из "РЛ.ВК" немного "облагородил", но возникли вопросы, на которые я так и не получил (пока) ответа!
    P.S. А ты BDI к своему подрубал?
    Последний раз редактировалось Alex_NEMO; 02.05.2009 в 13:01.

  7. #57

    Регистрация
    15.02.2005
    Адрес
    г. Днепропетровск, Украина
    Сообщений
    166
    Спасибо Благодарностей отдано 
    2
    Спасибо Благодарностей получено 
    3
    Поблагодарили
    3 сообщений
    Mentioned
    0 Post(s)
    Tagged
    0 Thread(s)

    По умолчанию

    Цитата Сообщение от Alex_NEMO Посмотреть сообщение
    Привет! Выложи пож-ста, материалы/советы сюда! Я то же буду собирать Ленинград, платы которого раздавал Роман(ЧРВ) и нек. моменты сборки которого описал КОЕ здесь. И то же память будет на импортных ХХ256(аналоги РУ7). Я кстати, так и не понял что это за клон - то ли Л1, то ли Л2, то ли ещё какой?!!
    Глянь, мой пост, я там схему из "РЛ.ВК" немного "облагородил", но возникли вопросы, на которые я так и не получил (пока) ответа!
    P.S. А ты BDI к своему подрубал?
    То что раздавал CHRV это похоже классический Ленинград-1 (у него ОЗУ в правом верхнем углу сосредоточена ).

    По схеме все правильно там должны быть ЛА3 и ЛЛ1, но ... в журнальной статье почему то нарисовали ЛЛ1 как ЛИ1 (ИЛИ-НЕ), зачем то влепили инвертор после ЛЛ1 которая блокирует запись в 48кБ режиме + некоторые выводы неправильно обозначены согласно справочника. Только я дешифратор порта собрал на ИД7, так как подключал еще YM2149, он как раз очень удачно дешифрует порты AY и #7ffd, #1ffd порты. Вообщем попробую набросать в Eagle схему и выложить здесь с рекомендациями.

    BDI, у меня был от старого Ленинграда-2 - правда там полетела РТ4 которая подключала контроллер, пришлось заменить на рассыпухе Вообщем конфиг в подписи
    Последний раз редактировалось Spir0; 02.05.2009 в 14:30.
    Ленинград-2 + 256кБ + BDI (FDD Teac 5.25 + 3.5) + YM2149 + PS/2 Keyb(Caro)
    Ленинград-2 + 1MБ (Kay1024 Standart) + BDI (FDD Teac 3.5) + AY8912 + PS/2 Keyb(Caro)
    Pentagon 128кБ (в процессе восстановления)

  8. #58

    Регистрация
    15.02.2005
    Адрес
    г. Днепропетровск, Украина
    Сообщений
    166
    Спасибо Благодарностей отдано 
    2
    Спасибо Благодарностей получено 
    3
    Поблагодарили
    3 сообщений
    Mentioned
    0 Post(s)
    Tagged
    0 Thread(s)

    Post

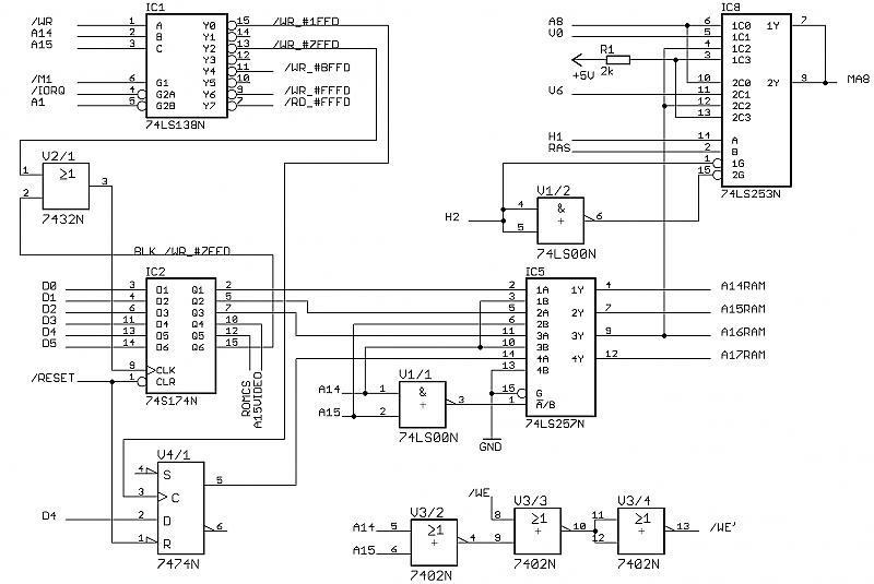
    Итак, выделю отдельным постом, может кому пригодится

    Итак, по данной схеме можно собрать расширение ОЗУ до 128 (256) кБайт на РУ7 или на импорте xx1x256 ("1" это ОЗУ с организацией 1х256кбит). Для 128кБайт триггер V4/1 можно не устанавливать.
    Первым делом соединяем все н.1 у РУ7 вместе и подаем на них GND (лог. 0, он же "общий", он же "земля"). Проверяем, в таком включении они должны работать в 48кБ режиме без проблем, если что то не так ищем битую микросхему (мне попалась одна в линейке свежекупленных РУ7К).

    Теперь по порядку:

    1-ый вариант 128кБайт:

    -> A1, A8, A14, A15, D0...D7, /WR, /IORQ, /M1, /RESET берем с соответствующих ног процессора. Если установлен контроллер дисковода, то /IORQ берем оттуда - /IORQOUT (вообщем тот, который блокируется при обращении к портам BDI)
    -> H1 - н.15 DD16 или н.2 DD3
    -> H2 - н. 14 DD13 или н.6 DD3
    -> RAS - н. 1 DD16
    -> V0 - н. 3 DD7
    -> V6 - н. 6 DD8

    Режем:
    DD13 - отрезать н.4 и н.3 от V0 и V6 соотв. и подать на них GND
    DD15 - отрезать н.13 от GND и подать A15VIDEO
    DD16 - отрезать н.3 от A8 и подать на нее GND
    DD17 - отрезать н.10 и н.13 от A14 и A15 соотв. и подать вместо них A14RAM и A15RAM

    Отпаиваем GND от н.1 РУ7 (если подпаивали для проверки ) и подаем на них MA8.
    Обязательно собираем блокировку /WE при записи в 0-ю страницу. Запустится все и без нее, но работать будет все с глюками и тесты будут выдавать ошибку.
    Режем дорожку от н.8 DD22. В схеме нумерация ног указана для удобства - м/с можно аккуратно напаять н.7,8,14 на DD22, A14 и A15 взять с соседней ИД7, а /WE' подпаять с обратной стороны платы (там есть переходное отверстие).


    ROMCS можно пока не трогать, он нужен для переключения страниц ПЗУ. Если стоит 27c256 с Basic48 и TR-DOS этого вполне хватит на первое время

    Включаем, если все собрано правильно то получим Ленинград-2 со 128кБайт памяти Тестим, играемся, радуемся жизни и если сильно начинает не хватать памяти, то

    2-ой вариант 256кБайт

    Если не паяли, ставим триггер V4/1.
    Отпаиваем от н.3 DD16 GND и подаем на нее A17RAM.

    Все ! Теперь получится Ленинград-2 с 256кБайт ОЗУ по стандарту Scorpion 256, можно попробовать подать D6 вместо D4 и запись по /WR#7FFD - должен получится аля Пентагон-256, но как на такое отреагируют менеджеры памяти сказать трудно

    p.s. Теоретически могут возникнуть проблемы с РУ7 и регенерацией. Тут надо будет поиграться с задержкой RAS кондером малой емкости либо буфером из нескольких корпусов ЛЛ1 или ЛН1. У меня с прогревом начинали появляться артефакты, но мучать RAS не стал, просто заменил всю линейку на импорт и все заработало без проблем.

    p.p.s. Аналоги м/с указанных на схеме:
    74LS00 - 555ЛА3
    74LS02 - 555ЛЕ1
    7432N - 555ЛЛ1
    7474N - 555ТМ2
    74LS138N - 555ИД7
    74LS174N - 555ТМ9
    74LS253N - 555КП12
    74LS257N - 555КП11

    555 серию можно менять на 1533 (а для КП11 даже рекомендуется)

    Уф !! Вообщем где то так. В архиве схема в png (300dpi) и для Eagle 5-ой версии.

    Нажмите на изображение для увеличения. 

Название:	lenin2_256_bandura.jpg 
Просмотров:	3075 
Размер:	62.4 Кб 
ID:	11867
    lenin2_256kb.zip

    Подключение SIMM 256KB/1MB

    Продолжим SIMM подключается по типовой схеме (в данном случае учитывается что уже была собрана схема расширения до 256кБ на РУ7, если хочется сразу подключить SIMM то все манипулации по замене РУ5 на РУ7 пропускаются, а сигналы берутся с соответствующих ног РУ5 , сигнал A8 SIMM берется со схемы расширения - МА8) в остальном процедура расширения остается такой же):

    Код:
                       k3нD3<──┐
                               │  ┌──┐
                      ИР22     └──┤ 1o─┐
                     ┌──┬──┐      │  │ │
                 ╔─13┤D0│Q0├12╗   └──┘ │       SIMM 30pin-1Mb
                 ║─17┤D1│Q1├16║        │       ╔══╦═══════╗
                 ║─18┤D2│Q2├19║        │   +5В ║ 1│  Vcc  ║
    D0..D7 с Z80 ║──7┤D3│Q3├6─║        └───────║ 2│ /CAS  ║
      ═══════════╣──3┤D4│Q4├2─╠══════╦─────────║ 3│ D0    ║
                 ║─14┤D5│Q5├15║      ║   PY7:7 ║ 4│  A0   ║
                 ║──4┤D6│Q6├5─║      ║   PY7:6 ║ 5│  A1   ║
                 ╚──8┤D7│Q7├9─╝      ╠─────────║ 6│ D1    ║
                     ├──┤  │         ║   PY7:5 ║ 7│  A2   ║
                     │  │  │         ║   PY7:9 ║ 8│  A3   ║
              +5Bo─11┤C │  ├1─────┐  ║   общий ║ 9│  Gnd  ║
                     └──┴──┘      │  ╠─────────║10│ D2    ║
                                  │  ║   PY7:10║11│  A4   ║
                                  │  ║   PY7:11║12│  A5   ║
                                  │  ╠─────────║13│ D3    ║
                                  │  ║   PY7:12║14│  A6   ║
                                  │  ║   PY7:13║15│  A7   ║
                                  │  ╠─────────║16│ D4    ║
                                  │  ║   PY7:1 ║17│  A8   ║
                          GND ────┼────────────║18│  A9   ║
                                  │  ║  ничего ║19│  A10  ║
                                  │  ╠─────────║20│ D5    ║
                                  o──╫─────────║21│ /we   ║                           
                                     ║  общий  ║22│  Gnd  ║
                                  │  ╠─────────║23│ D6    ║
                                  │  ║  ничего ║24│  NC   ║
                                  │  ╠─────────║25│ D7    ║
                                  │  ║  ничего ║26│ ParOut║
                                  │  ║   PY7:4 ║27│ /RAS  ║
                                  │  ║  ничего ║28│/ParCAS║
                                  │  ║  ничего ║29│ ParIn ║
                                  │  ║   +5B   ║30│  Vcc  ║
                                  │  ║         ╚══╧═══════╝
                        k8нD22<───┘  ║
                                     ║
                                     ╙─────> Сигналы D0-D7 kD35 соотв. к 
    					  3, 4, 7, 8, 13, 14, 17, 18
    Старое ОЗУ вытаскиваем или если оно впаяно, то отрезаем /CAS и подаем на него +5В, чтобы заблокировать ОЗУ на плате.
    Этот модуль можно сделать на отдельной маленькой плате , как раз рядом с ОЗУ и D35, так как все необходимые сигналы там есть, и длина проводов будет минимальной. Включаем, если все ок, то теперь у нас есть Ленинград-2 256KB на SIMM

    Как теперь получить 1МБ будет позже ...

    Ленинград 2 1MB

    Начинаем получать Ленинград 2 с 1Мб памяти , для тех кто будет делать с нуля , ниже полная схема расширения (но в любом случае доработки, которые делались для расширения до 256кБ надо будет проделать). Для тех у кого есть, достаточно будет добавить еще по одной ТМ2, КП11 и КП12.

    Полная схема расширения до 512кБ/1MБ:

    Нажмите на изображение для увеличения. 

Название:	lenin2_1M_600.jpg 
Просмотров:	2641 
Размер:	39.2 Кб 
ID:	14178

    Теперь дополнения по тому что надо сделать (после того как сделаны все доработки для режима 256кБ), чтобы заработал метр:

    -> A9 берем с соответствующей ноги процессора
    -> V1 - н. 2 DD7
    -> V7 - н. 7 DD8

    Режем:
    DD13 - отрезать н.12 и н.13 от V1 и V7 соотв. и подать на них GND
    DD16 - отрезать н.6 от A9 и подать на нее A18RAM со схемы расширения.

    A9 на SIMM отпаиваем от GND и подаем на него MA9 со схемы расширения. Собственно и все доработки

    Теперь по поводу /WR#xxFD (запись в порт) и Dx (разряд шины данных), самих стандартов на 1Мб существует много, поэтому здесь остается поле для творчества. Ниже табличка режимов, которые потестировал сам и которые нормально должны восприниматься программами:

    Код:
                        D5/1     |      D6/1
    Scorpion 1024   /WR#1FFD D6  |  /WR#1FFD D7
    Pentagon 512    /WR#7FFD D6  |  /WR#7FFD D7
    Архив с картинкой и схемой (png и Eagle 5): lenin_1Mb.zip

    Уфф Напоследок останется расширение с помощью CPLD XC9536XL, для нетерпеливых в аттаче схема для ISE Schematic: 1Mb_AY_Xillinx.zip
    Последний раз редактировалось Spir0; 09.11.2009 в 21:43.
    Ленинград-2 + 256кБ + BDI (FDD Teac 5.25 + 3.5) + YM2149 + PS/2 Keyb(Caro)
    Ленинград-2 + 1MБ (Kay1024 Standart) + BDI (FDD Teac 3.5) + AY8912 + PS/2 Keyb(Caro)
    Pentagon 128кБ (в процессе восстановления)

  9. #59

    Регистрация
    17.02.2006
    Адрес
    Светлогорск на Березине
    Сообщений
    1,093
    Спасибо Благодарностей отдано 
    0
    Спасибо Благодарностей получено 
    2
    Поблагодарили
    2 сообщений
    Mentioned
    0 Post(s)
    Tagged
    0 Thread(s)

    По умолчанию

    Цитата Сообщение от Spir0 Посмотреть сообщение
    Итак, после ковыряния в справочниках и нутрях моего Ленинграда-2 , расширил его по схеме из поста 1 до 256кБ (опячаток конечно там) по стандарту Scorpion 256. С нашими РУ7 так и не удалось стабильно заставить работать, поставил V53C25680L - с ними все работает отлично. Так что если кому надо могу сделать исправленную схему с рекомендациями как правильно подключить 128кБ (256кБ) по этой схеме
    Собирал я схему из Журнала и них....я у меня незаработало.... Правда сей девайс проверял на Ратоне (практически тот же Ленин 2). Попробую склепать все по новому. Может логика битая попалась....
    Последний раз редактировалось AlexFantasy; 27.05.2009 в 16:00.
    ZXM-Phoenix-1024(rev.02)
    KAY-1024turbo(rev.2010)/FDC/NemoIDE/SMUC2.0/GS(512)
    БАЙТ(БЭМЗ)/FDC
    ZX-Evolution(rev.C)
    Sega Dreamcast(PAL)/2xJoypad/Keyboard
    A500Plus

    ___________________________
    Идея, брошенная в массы - девка, брошенная в полк

  10. #60

    Регистрация
    15.02.2005
    Адрес
    г. Днепропетровск, Украина
    Сообщений
    166
    Спасибо Благодарностей отдано 
    2
    Спасибо Благодарностей получено 
    3
    Поблагодарили
    3 сообщений
    Mentioned
    0 Post(s)
    Tagged
    0 Thread(s)

    По умолчанию

    Давно не было что то новенького в этом разделе, поэтому небольшой анонс - постараюсь доделать описание расширения Ленинграда-2 до 256кБ/1Мб на SIMM и CPLD
    Последний раз редактировалось Spir0; 07.10.2009 в 10:21.
    Ленинград-2 + 256кБ + BDI (FDD Teac 5.25 + 3.5) + YM2149 + PS/2 Keyb(Caro)
    Ленинград-2 + 1MБ (Kay1024 Standart) + BDI (FDD Teac 3.5) + AY8912 + PS/2 Keyb(Caro)
    Pentagon 128кБ (в процессе восстановления)

Страница 6 из 10 ПерваяПервая ... 2345678910 ПоследняяПоследняя

Информация о теме

Пользователи, просматривающие эту тему

Эту тему просматривают: 1 (пользователей: 0 , гостей: 1)

Похожие темы

  1. Расширение рефреша до 9 бит
    от IanPo в разделе Зарубежные компьютеры
    Ответов: 2
    Последнее: 17.07.2008, 10:12
  2. Сигнал CAS расширение ОЗУ
    от AlexFantasy в разделе Память
    Ответов: 3
    Последнее: 05.05.2007, 14:38
  3. Расширение памяти
    от alexfreed в разделе Память
    Ответов: 7
    Последнее: 16.11.2005, 17:49

Ваши права

  • Вы не можете создавать новые темы
  • Вы не можете отвечать в темах
  • Вы не можете прикреплять вложения
  • Вы не можете редактировать свои сообщения
  •