Важная информация

User Tag List

Страница 39 из 47 ПерваяПервая ... 353637383940414243 ... ПоследняяПоследняя
Показано с 381 по 390 из 463

Тема: Помощь новичкам в железе

  1. #381

    Регистрация
    27.02.2005
    Адрес
    москва
    Сообщений
    14,328
    Записей в дневнике
    1
    Спасибо Благодарностей отдано 
    204
    Спасибо Благодарностей получено 
    1,491
    Поблагодарили
    971 сообщений
    Mentioned
    18 Post(s)
    Tagged
    0 Thread(s)

    По умолчанию

    Цитата Сообщение от Скарт Посмотреть сообщение
    точно есть какой-то аппаратный глюк!
    если не трудно сделай снимок экрана (например при глюке в PowerUP)
    + ссылку на образ который ты запускаешь

    (надеюсь про медленную память и снег ты в курсе)

  2. #382

    Регистрация
    27.04.2010
    Адрес
    Воронеж
    Сообщений
    104
    Спасибо Благодарностей отдано 
    5
    Спасибо Благодарностей получено 
    13
    Поблагодарили
    9 сообщений
    Mentioned
    0 Post(s)
    Tagged
    0 Thread(s)

    По умолчанию

    Знаю, новый GAL уже в пути.
    Вот так выглядит powerup.
    Нажмите на изображение для увеличения. 

Название:	Resize of lines.jpg 
Просмотров:	239 
Размер:	64.8 Кб 
ID:	62070Нажмите на изображение для увеличения. 

Название:	Resize of lines.jpg 
Просмотров:	239 
Размер:	64.8 Кб 
ID:	62070
    http://www.planetemu.net/rom/sinclai...p-1997-extreme (там внизу кнопочка)

    Сейчас ещё протестирую чего.

    - - - Добавлено - - -

    Или вот. Думаю эту знают все. 7th reality
    в конце всё рябит и nonsense in basic
    Миниатюры Миниатюры Нажмите на изображение для увеличения. 

Название:	Resize of IMG_20170824_142551.jpg 
Просмотров:	147 
Размер:	95.6 Кб 
ID:	62072   Нажмите на изображение для увеличения. 

Название:	Resize of IMG_20170824_142457.jpg 
Просмотров:	205 
Размер:	60.6 Кб 
ID:	62071  

  3. #383

    Регистрация
    27.04.2010
    Адрес
    Воронеж
    Сообщений
    104
    Спасибо Благодарностей отдано 
    5
    Спасибо Благодарностей получено 
    13
    Поблагодарили
    9 сообщений
    Mentioned
    0 Post(s)
    Tagged
    0 Thread(s)

    По умолчанию

    Вот ещё демка caprize
    https://www.zxaaa.net/view_demo.php?id=6180
    Самое начало. Три эти полосы рисуются сверху вниз по одной и играет музычка.
    Вот в сам момент рисования точек артефактных нет, а в небольшое время между
    рисованиями или уже когда дорисовалось - вот рябь
    Миниатюры Миниатюры Нажмите на изображение для увеличения. 

Название:	Resize of IMG_20170824_175447.jpg 
Просмотров:	164 
Размер:	35.3 Кб 
ID:	62074  

  4. #384

    Регистрация
    27.02.2005
    Адрес
    москва
    Сообщений
    14,328
    Записей в дневнике
    1
    Спасибо Благодарностей отдано 
    204
    Спасибо Благодарностей получено 
    1,491
    Поблагодарили
    971 сообщений
    Mentioned
    18 Post(s)
    Tagged
    0 Thread(s)

    По умолчанию

    вот достаточно большой (23Mb) архив http://speccy.pl/tygrys/demos-fixed.rar
    демки пофиксены/переведены в TAP поляками

  5. #385

    Регистрация
    27.04.2010
    Адрес
    Воронеж
    Сообщений
    104
    Спасибо Благодарностей отдано 
    5
    Спасибо Благодарностей получено 
    13
    Поблагодарили
    9 сообщений
    Mentioned
    0 Post(s)
    Tagged
    0 Thread(s)

    По умолчанию

    Спасибо. проверил несколько демок из вашего архива для сравнения.
    Действительно всё работает
    Значит компик исправен? А в чём отличие? Что используют демки до фикса, что приводит к глюкам?
    Спасибо опять

  6. #386

    Регистрация
    27.02.2005
    Адрес
    москва
    Сообщений
    14,328
    Записей в дневнике
    1
    Спасибо Благодарностей отдано 
    204
    Спасибо Благодарностей получено 
    1,491
    Поблагодарили
    971 сообщений
    Mentioned
    18 Post(s)
    Tagged
    0 Thread(s)

    По умолчанию

    архив не мой,
    это всё любознательные поляки.

    чаще всего проблема - вектор прерываний в медленной памяти,
    (на наших клонах как правило этой проблемы нет)
    этим кстати страдают и некоторые фирменные игры.
    посмотрите например robocop3

    ну и строение экрана (кол-во строк и тактов на строку)
    тут обычно плывут мультиколоры/бордюрные эффекты
    Последний раз редактировалось goodboy; 24.08.2017 в 23:40.

  7. #387

    Регистрация
    31.10.2005
    Адрес
    Кемерово
    Сообщений
    1,391
    Спасибо Благодарностей отдано 
    119
    Спасибо Благодарностей получено 
    20
    Поблагодарили
    11 сообщений
    Mentioned
    1 Post(s)
    Tagged
    0 Thread(s)

    По умолчанию

    Это так называемый "снег". Комп твой исправен.

  8. #388

    Регистрация
    11.01.2018
    Адрес
    г. Волгоград
    Сообщений
    10
    Спасибо Благодарностей отдано 
    0
    Спасибо Благодарностей получено 
    0
    Поблагодарили
    0 сообщений
    Mentioned
    0 Post(s)
    Tagged
    0 Thread(s)

    По умолчанию

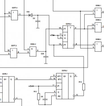
    Заранее прошу извинить за очень нубский вопрос. Почему на схеме Пентагона 128 в альбоме Гущина диод VD2 стоит именно таким образом? Мои скромные познания в электронике говорят о том, что он блокирует выход 11 микросхемы DD77. Это главный вопрос, но так же не понятно назначение конденсатора C3 и резистора R13, они ведь соединяют логические микросхемы, зачем они нужны в логике?
    Миниатюры Миниатюры Нажмите на изображение для увеличения. 

Название:	image1.jpg 
Просмотров:	340 
Размер:	24.3 Кб 
ID:	63672  

  9. #389

    Регистрация
    30.08.2010
    Адрес
    Санкт-Петербург
    Сообщений
    1,263
    Спасибо Благодарностей отдано 
    53
    Спасибо Благодарностей получено 
    200
    Поблагодарили
    163 сообщений
    Mentioned
    2 Post(s)
    Tagged
    0 Thread(s)

    По умолчанию

    У Mick исправленная схема: http://micklab.ru/ZX%20Spectrum/Pentagon128.htm

  10. #390

    Регистрация
    11.01.2018
    Адрес
    г. Волгоград
    Сообщений
    10
    Спасибо Благодарностей отдано 
    0
    Спасибо Благодарностей получено 
    0
    Поблагодарили
    0 сообщений
    Mentioned
    0 Post(s)
    Tagged
    0 Thread(s)

    По умолчанию

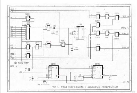
    Там точно такая же история. Так, что, я полагаю, что диод правильно стоит. Вот только не пойму как же это работает.
    Миниатюры Миниатюры Нажмите на изображение для увеличения. 

Название:	image2.jpg 
Просмотров:	157 
Размер:	16.8 Кб 
ID:	63686  

Страница 39 из 47 ПерваяПервая ... 353637383940414243 ... ПоследняяПоследняя

Информация о теме

Пользователи, просматривающие эту тему

Эту тему просматривают: 1 (пользователей: 0 , гостей: 1)

Похожие темы

  1. Эмулятор Радио-86РК на железе Maximite
    от begoon в разделе Эмуляторы отечественных компьютеров
    Ответов: 2
    Последнее: 11.10.2012, 16:33
  2. Ответов: 188
    Последнее: 17.02.2012, 09:45
  3. Помощь по TRDOS 6.10E
    от lisica в разделе Оси
    Ответов: 65
    Последнее: 26.01.2010, 09:15
  4. нужна помощь!!
    от Subre Wulf в разделе Разный софт
    Ответов: 0
    Последнее: 15.11.2009, 23:32
  5. Выбор "в железе"
    от vitasam в разделе Несортированное железо
    Ответов: 9
    Последнее: 19.01.2005, 01:02

Ваши права

  • Вы не можете создавать новые темы
  • Вы не можете отвечать в темах
  • Вы не можете прикреплять вложения
  • Вы не можете редактировать свои сообщения
  •