User Tag List

Страница 1 из 12 12345 ... ПоследняяПоследняя
Показано с 1 по 10 из 119

Тема: Простое подключение RGB, к монитору VGA

  1. #1
    =ANDROID=
    Гость

    Lightbulb Простое подключение RGB, к монитору VGA

    Давно тут уже народ старался подключить различные компы с RGB выходом к монитору с VGA входом, но более или менее четкая схема этого устройства так и не была разработана.

    Я думаю не каждому хочется отваливать за заводской RGB to VGA конвертер кучу денег, поэтому предлагаю следующий простой способ подключения.

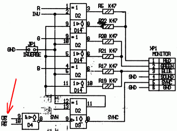
    В принципе именно с RGB сигналом все просто, здесь все соединяется напрямую. Загвоздка состоит в том, что для VGA требуются две синхронизации (вертикальная и горизонтальная), а со Спектрума и других подобных компов выходит одна синхронизация (смешанная). Вот с ней и разберемся.

    Для разделения смешанной синхронизации на кадровую (вертикальную) и строчную (горизонтальную) нам понадобится субмодуль синхронизации УСР из советского телевизора 3УСЦТ (можно раздобыть у любого телемастера). Теперь подключем его. 1-я нога УСР сидит на массе, 2-я и 3-я ноги не используются, 4-я нога на модуле отсутствует вообще и также не используется, на 5-ю ногу подается напряжение +12 V, на 7-ю подается напряжение +60 V, на 9-ю ногу подается сигнал со смешанными синхроимпульсами со Спектрума (или подобного компа), с 6-й ноги снимаем сигнал со строчными синхроимпульсами, с 8-й ноги - с кадровыми. Питание для УСР можно взять либо отдельно (если не охото монитор разбирать), либо прям с монитора (если он конечно не ЖК) - они легко находятся при помощи обычного тестера. +12 V можно найти на выходе блока питания монитора, +60 V идет на строчный трансформатор - можно взять оттуда. Увеличивая либо уменьшая значение +60 V (идущее на УСР) также можно регулировать ширину изображения на мониторе.

    Теперь имеем. RGB сигналы (на разъеме VGA - контакты 1, 2 и 3) соединены у нас напрямую, с 6-й ноги УСР строчные синхроимпульсы идут на 13-й контакт VGA, а с 8-й ноги - кадровые на 14-й контакт VGA. На 5, 6, 7, 8, 10 контакты VGA-разъема подаем массу (корпус). Минусы со всех питаний также идут на массу. Вот в принципе и все, должно работать. У меня все заработало с первго раза, единственное, что пришлось сделать - это уменьшить напряжение со строчника, у меня там около 90 вольт было, из-за чего изображение было очень широкое и не помещалось на экран.

    Всем удачи!

    p.s. На всякий случай привожу еще и схему УСР.
    Миниатюры Миниатюры Нажмите на изображение для увеличения. 

Название:	УСРфото.jpg 
Просмотров:	15946 
Размер:	56.8 Кб 
ID:	10127   Нажмите на изображение для увеличения. 

Название:	УСР.jpg 
Просмотров:	17269 
Размер:	90.4 Кб 
ID:	10128   Нажмите на изображение для увеличения. 

Название:	vga.jpg 
Просмотров:	111095 
Размер:	45.0 Кб 
ID:	10129  
    Последний раз редактировалось =ANDROID=; 04.01.2009 в 02:36.

  2. #1
    С любовью к вам, Yandex.Direct
    Размещение рекламы на форуме способствует его дальнейшему развитию

  3. #2

    Регистрация
    15.11.2007
    Адрес
    Харьков
    Сообщений
    873
    Спасибо Благодарностей отдано 
    0
    Спасибо Благодарностей получено 
    1
    Поблагодарили
    1 сообщение
    Mentioned
    0 Post(s)
    Tagged
    0 Thread(s)

    По умолчанию

    Сейчас будет буря эмоций... А что там с частотами строчной и кадровой разверток? К какому монитору подключал?

  4. #3
    =ANDROID=
    Гость

    По умолчанию

    Цитата Сообщение от Keeper Посмотреть сообщение
    А что там с частотами строчной и кадровой разверток? К какому монитору подключал?
    Подключал к монику SAMSUNG CVP423-чегото там. Частота кадровой около 55 Гц, строчную частоту не смотрел сколько, но думаю должна быть как в телевизоре 15-20 кГц (если мне память не изменяет). Параметры вродь как у телека, но изабражение на мониторе все равно гораздо четче и приятней получается.

  5. #4

    Регистрация
    15.11.2007
    Адрес
    Харьков
    Сообщений
    873
    Спасибо Благодарностей отдано 
    0
    Спасибо Благодарностей получено 
    1
    Поблагодарили
    1 сообщение
    Mentioned
    0 Post(s)
    Tagged
    0 Thread(s)

    По умолчанию

    Скорее всего монитор MultiSync т.е. может работать с ТВ разверткой, короче говоря использование единичных экземпляров не способ подключения спека к VGA мониторам...

  6. #5

    Регистрация
    14.01.2008
    Адрес
    Эстония, Таллинн
    Сообщений
    177
    Спасибо Благодарностей отдано 
    16
    Спасибо Благодарностей получено 
    24
    Поблагодарили
    14 сообщений
    Mentioned
    0 Post(s)
    Tagged
    0 Thread(s)

    По умолчанию

    Цитата Сообщение от Keeper Посмотреть сообщение
    единичных экземпляров
    Ты знаешь, сейчас скорее эти единичные экземпляры проще найти чем те которые не будут работать.
    Разрабатываю новый сетевой протокол
    Variable Length Advanced Data Sending Over Network
    Что он будет делать и зачем нужен не знаю, разработал пока только название.

  7. #6

    Регистрация
    02.07.2006
    Адрес
    Новосибирск
    Сообщений
    2,254
    Спасибо Благодарностей отдано 
    533
    Спасибо Благодарностей получено 
    260
    Поблагодарили
    154 сообщений
    Mentioned
    8 Post(s)
    Tagged
    0 Thread(s)

    По умолчанию

    Цитата Сообщение от =ANDROID= Посмотреть сообщение
    Для разделения смешанной синхронизации на кадровую (вертикальную) и строчную (горизонтальную) нам понадобится субмодуль синхронизации УСР из советского телевизора 3УСЦТ (можно раздобыть у любого телемастера).
    Вообще лучше покопаться в схеме Спектрума и вытащить оттуда VS и HS ещё до смешивания (ну обязаны они там быть ). Вот например фрагмент схемы Himac128:
    Миниатюры Миниатюры Нажмите на изображение для увеличения. 

Название:	himac.png 
Просмотров:	10946 
Размер:	17.2 Кб 
ID:	10130  

  8. #7

    Регистрация
    30.05.2007
    Адрес
    г. Лянтор, Сургутского р-на, ХМАО
    Сообщений
    4,436
    Спасибо Благодарностей отдано 
    163
    Спасибо Благодарностей получено 
    190
    Поблагодарили
    121 сообщений
    Mentioned
    5 Post(s)
    Tagged
    0 Thread(s)

    По умолчанию

    Цитата Сообщение от Keeper Посмотреть сообщение
    Скорее всего монитор MultiSync т.е. может работать с ТВ разверткой, короче говоря использование единичных экземпляров не способ подключения спека к VGA мониторам...
    Верно и ANDROID'у просто повезло. На страницах этого форума не раз поднимались темы подключения к VGA мониторам. В большинстве своем темы закрывались. Выход один - поключать к обычным современным телевизорам желательно со Scart'ом.

  9. #8

    Регистрация
    15.06.2006
    Адрес
    S.Pb
    Сообщений
    5,791
    Спасибо Благодарностей отдано 
    0
    Спасибо Благодарностей получено 
    7
    Поблагодарили
    6 сообщений
    Mentioned
    0 Post(s)
    Tagged
    0 Thread(s)

    По умолчанию

    Цитата Сообщение от =ANDROID= Посмотреть сообщение
    Я думаю не каждому хочется отваливать за заводской RGB to VGA конвертер кучу денег, поэтому предлагаю следующий простой способ подключения.
    проще вытянуть раздельную синхру из Спектрума, делается это элементарно, и не надо городить чёрт знает что из ТВ модулей. А с монитором тебе повезло что он мультисинк, обычный монитор работать так не будет, а мультисинки являются очень редкими
    Цитата Сообщение от Vladson Посмотреть сообщение
    Ты знаешь, сейчас скорее эти единичные экземпляры проще найти чем те которые не будут работать.
    ерунду говоришь, если бы это было так, то все бы уже давно сидели на VGA
    Последний раз редактировалось Black_Cat; 04.01.2009 в 09:47.

  10. #9

    Регистрация
    13.09.2008
    Адрес
    Украина
    Сообщений
    2,677
    Спасибо Благодарностей отдано 
    1
    Спасибо Благодарностей получено 
    0
    Поблагодарили
    0 сообщений
    Mentioned
    0 Post(s)
    Tagged
    0 Thread(s)

    По умолчанию

    Маладец ANDROID,буду искать MultiSync моник.
    "...Неправедный пусть еще делает неправду; нечистый пусть еще сквернится; праведный да творит правду еще, и святый да освящается еще. Се, гряду скоро, и возмездие Мое со Мною, чтобы воздать каждому по делам его. " (Откр. 22:11-13)

  11. #10

    Регистрация
    04.07.2005
    Адрес
    Нижний Тагил
    Сообщений
    842
    Записей в дневнике
    1
    Спасибо Благодарностей отдано 
    0
    Спасибо Благодарностей получено 
    0
    Поблагодарили
    0 сообщений
    Mentioned
    0 Post(s)
    Tagged
    0 Thread(s)

    По умолчанию

    Года 4 назад вытащил из профи раздельные сигналы синхры, подцепил это дело к монику, все заработало (не сразу,пришлось напаять инверторы), но возникли 2 проблемы связаные с яркостью (подсоединял как RGBY) - отображается яркость чёрного - выглядит как темно серый, и тёмный оранжевый цвет вместо желтого с нулевой яркостью. Нагородил логик, теперь при черном цвете яркость принудительно отключается, а при желтом принудительно включается. Да, к слову, с разверткой все наоборот - на весь экран не разворачивает.

Страница 1 из 12 12345 ... ПоследняяПоследняя

Информация о теме

Пользователи, просматривающие эту тему

Эту тему просматривают: 1 (пользователей: 0 , гостей: 1)

Похожие темы

  1. Подключение к телевизору/монитору
    от Shwartz в разделе Изображение
    Ответов: 37
    Последнее: 09.03.2010, 22:15
  2. Подключение Leningrad_1 к монохромному монитору
    от PicNov76 в разделе Ленинград
    Ответов: 10
    Последнее: 14.09.2008, 08:32
  3. Простое расширение джойстика для спектрума:)
    от Surfin_Bird в разделе Устройства ввода
    Ответов: 38
    Последнее: 16.01.2006, 21:25
  4. подключение к svga монитору
    от johnny в разделе Изображение
    Ответов: 1
    Последнее: 13.04.2005, 08:01

Ваши права

  • Вы не можете создавать новые темы
  • Вы не можете отвечать в темах
  • Вы не можете прикреплять вложения
  • Вы не можете редактировать свои сообщения
  •