User Tag List

Страница 57 из 73 ПерваяПервая ... 535455565758596061 ... ПоследняяПоследняя
Показано с 561 по 570 из 782

Тема: Робик: схема, фото, обсуждения, расширения

Комбинированный просмотр

Предыдущее сообщение Предыдущее сообщение   Следующее сообщение Следующее сообщение
  1. #1

    Регистрация
    02.07.2006
    Адрес
    Новосибирск
    Сообщений
    2,254
    Спасибо Благодарностей отдано 
    533
    Спасибо Благодарностей получено 
    260
    Поблагодарили
    154 сообщений
    Mentioned
    8 Post(s)
    Tagged
    0 Thread(s)

    По умолчанию

    Цитата Сообщение от Astrolux78 Посмотреть сообщение
    Не обратил внимания, что на плате резистор уже есть. Стоит 300 ом. Менять на 150?
    На какой такой "плате"?. Но если он точно есть, то менять наверное не надо, должно сработать.
    Цитата Сообщение от Astrolux78 Посмотреть сообщение
    К сожалению, я нашёл одну только картинку, без статьи или поста.
    Тогда пофиг, 5В и в Африке 5В.
    Цитата Сообщение от Astrolux78 Посмотреть сообщение
    Ямаха всё же полезнее в играх будет
    100% факт.
    В правильно заданном вопросе содержится половина ответа

  2. #1
    С любовью к вам, Yandex.Direct
    Размещение рекламы на форуме способствует его дальнейшему развитию

  3. #2

    Регистрация
    10.02.2018
    Адрес
    г. Санкт-Петербург
    Сообщений
    8
    Спасибо Благодарностей отдано 
    0
    Спасибо Благодарностей получено 
    0
    Поблагодарили
    0 сообщений
    Mentioned
    0 Post(s)
    Tagged
    0 Thread(s)

    По умолчанию

    Цитата Сообщение от creator Посмотреть сообщение
    На какой такой "плате"?. Но если он точно есть, то менять наверное не надо, должно сработать.
    Я имел ввиду, что оно уже "висит" на разъёме. В общем, таки дошли руки. Вот что получил:

    https://vimeo.com/user93124518/revie...872/1e20a9119a

    Это что-то не так с переходником на SCART или компьютер неисправен?

  4. #3

    Регистрация
    10.02.2018
    Адрес
    г. Санкт-Петербург
    Сообщений
    8
    Спасибо Благодарностей отдано 
    0
    Спасибо Благодарностей получено 
    0
    Поблагодарили
    0 сообщений
    Mentioned
    0 Post(s)
    Tagged
    0 Thread(s)

    По умолчанию

    Прошу прощения, впервые воспользовался Vimeo, а там видео, оказывается, только за деньги расшариваются...
    Вот:
    http://yadi.sk/i/kzDuer8ipgYH9w

  5. #4

    Регистрация
    20.09.2010
    Адрес
    Новосибирск
    Сообщений
    246
    Спасибо Благодарностей отдано 
    8
    Спасибо Благодарностей получено 
    3
    Поблагодарили
    2 сообщений
    Mentioned
    0 Post(s)
    Tagged
    0 Thread(s)

    По умолчанию

    Достал из кладовки спустя три года ))

    цветные полоски на 1 пиксель вверх-вниз скачут )
    И потом изображение меняется на

    Может за секунду поменяться, может за 5 минут, может сразу включиться как на 2 картинке. Может вообще не поменяться. Реакции на сброс и вообще на какие-либо кнопки нет.
    Может это быть оперативка? Я ее на панельки впаял 3 года назад и когда в кладовку убирал, всё работало ))

    Пока просто варианты узнаю, что может быть. Восстанавливать буду позже.

    Шевеление оперативки в панельках не помогает
    Последний раз редактировалось maslanin; 09.04.2019 в 10:58.

  6. #5

    Регистрация
    04.12.2008
    Адрес
    г. Черкассы, Украина
    Сообщений
    957
    Спасибо Благодарностей отдано 
    4
    Спасибо Благодарностей получено 
    11
    Поблагодарили
    8 сообщений
    Mentioned
    2 Post(s)
    Tagged
    0 Thread(s)

    По умолчанию

    Цитата Сообщение от maslanin Посмотреть сообщение
    Пока просто варианты узнаю, что может быть.
    Первое, что может случиться - окислились вывода в панельках или погнили дорожки...
    Для проверки ОЗУ нужен тест.
    Схема

  7. #6

    Регистрация
    06.09.2006
    Адрес
    Шелехов
    Сообщений
    65
    Спасибо Благодарностей отдано 
    12
    Спасибо Благодарностей получено 
    2
    Поблагодарили
    2 сообщений
    Mentioned
    0 Post(s)
    Tagged
    0 Thread(s)

    По умолчанию

    Цитата Сообщение от vlad Посмотреть сообщение
    Схема
    Абалдеть! Схема в отличном качестве! У меня 3 робика было в 90-х, все шли со схемой на газетной бумаге с расплывшимися маркировками...
    Огромное спасибо!

  8. #7

    Регистрация
    20.09.2010
    Адрес
    Новосибирск
    Сообщений
    246
    Спасибо Благодарностей отдано 
    8
    Спасибо Благодарностей получено 
    3
    Поблагодарили
    2 сообщений
    Mentioned
    0 Post(s)
    Tagged
    0 Thread(s)

    По умолчанию

    Вот так выглядит без ОЗУ вообще.

    Чтобы прошить тест, надо программатор, а его нет. Есть только ch341a, но думаю он не поможет
    за схему спасибо, я такой еще не видел
    Последний раз редактировалось maslanin; 09.04.2019 в 11:47.

  9. #8

    Регистрация
    11.04.2006
    Адрес
    Novosibirsk
    Сообщений
    971
    Спасибо Благодарностей отдано 
    4
    Спасибо Благодарностей получено 
    11
    Поблагодарили
    9 сообщений
    Mentioned
    0 Post(s)
    Tagged
    0 Thread(s)

    По умолчанию

    Цитата Сообщение от maslanin Посмотреть сообщение
    Чтобы прошить тест, надо программатор, а его нет. Есть только ch341a, но думаю он не поможет
    за схему спасибо, я такой еще не видел
    Если с ОЗУ картинка стабильная, и время от времени комп с установленным ПЗУ сам выходит на правильный стабильный матрас то проблема скорее всего с выборкой ПЗУ.

  10. #9

    Регистрация
    20.09.2010
    Адрес
    Новосибирск
    Сообщений
    246
    Спасибо Благодарностей отдано 
    8
    Спасибо Благодарностей получено 
    3
    Поблагодарили
    2 сообщений
    Mentioned
    0 Post(s)
    Tagged
    0 Thread(s)

    По умолчанию

    Так стоп. Черный папер и красные вертикальные полосы - это матрас? Я в данный момент жду логический анализатор с али, и как закончу восстанавливать ленина 48, примусь за Робика))
    з.ы. если что, про ленина есть тема в нужном разделе, тоже нужна помощь...

  11. #10

    Регистрация
    22.11.2017
    Адрес
    г. Черкассы, Украина
    Сообщений
    17
    Спасибо Благодарностей отдано 
    1
    Спасибо Благодарностей получено 
    1
    Поблагодарили
    1 сообщение
    Mentioned
    0 Post(s)
    Tagged
    0 Thread(s)

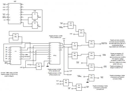
    По умолчанию Схема расширения памяти Робика до 128кб

    Если Вам достаточно 128 КБ.

    Нажмите на изображение для увеличения. 

Название:	Robik128.jpg 
Просмотров:	285 
Размер:	19.9 Кб 
ID:	68715Robik128.zipRobik128.zip

    Схема до КП11 стандартная и сто раз опубликованная, всё интересное после неё. Получилось достаточно просто .
    Последний раз редактировалось George74; 09.04.2019 в 23:36.

Страница 57 из 73 ПерваяПервая ... 535455565758596061 ... ПоследняяПоследняя

Информация о теме

Пользователи, просматривающие эту тему

Эту тему просматривают: 1 (пользователей: 0 , гостей: 1)

Похожие темы

  1. Ищу схему расширения до 1024
    от dM_GBG в разделе Pentagon
    Ответов: 5
    Последнее: 16.02.2009, 19:21
  2. Куплю РОБИК или отдам в замен...
    от KingArthur в разделе Барахолка (архив)
    Ответов: 23
    Последнее: 27.12.2008, 19:48
  3. Ответов: 242
    Последнее: 11.09.2008, 17:18
  4. Как подключить Робик?
    от LegosZX в разделе Несортированное железо
    Ответов: 12
    Последнее: 01.02.2008, 13:42

Ваши права

  • Вы не можете создавать новые темы
  • Вы не можете отвечать в темах
  • Вы не можете прикреплять вложения
  • Вы не можете редактировать свои сообщения
  •