После долгих и неудачных поисков микросхемной денди, пришлось покупать отдельно все м/с. Собрал всё на макетке, но вот бедаона не работает... Видео UA6538 (он у без букв P или N, кварц на 26,601712 снят с китайской рабочей приставки) гонит: обычный чёрный экран. На звуковом выходе звука нет. М/с логики проверены - все работают. Вопрос такой: при отсутствии карика, проц будет перебирать данные по всем адресам? Или уткнёться только в $FFFC?
Или денди не работает если на бит J1D2 не подавать лог.1?
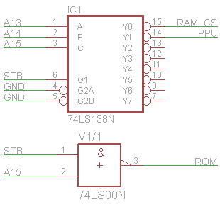
Дешифрацию сделал по приведённой схеме.
П.С.: Правильность пайки проверена 3 раза, кз - 3 раза, но похоже что-то всё равно не усмотрел...




она не работает... Видео UA6538 (он у без букв P или N, кварц на 26,601712 снят с китайской рабочей приставки) гонит: обычный чёрный экран. На звуковом выходе звука нет. М/с логики проверены - все работают. Вопрос такой: при отсутствии карика, проц будет перебирать данные по всем адресам? Или уткнёться только в $FFFC?
Ответить с цитированием
Размещение рекламы на форуме способствует его дальнейшему развитию 

