Важная информация

User Tag List

Страница 135 из 191 ПерваяПервая ... 131132133134135136137138139 ... ПоследняяПоследняя
Показано с 1,341 по 1,350 из 1910

Тема: ПЛИС и всё что с ними связано

  1. #1341

    Регистрация
    31.03.2013
    Адрес
    г. Киев
    Сообщений
    2,413
    Спасибо Благодарностей отдано 
    132
    Спасибо Благодарностей получено 
    759
    Поблагодарили
    353 сообщений
    Mentioned
    88 Post(s)
    Tagged
    0 Thread(s)

    По умолчанию

    Цитата Сообщение от Totem Посмотреть сообщение
    счетчик и мультиплексор гораздо проще.
    Человеку надо N * 2.042МГц, где N от 0 до 31. Простым делителем такое не получишь. Можно попробовать фазовый аккумулятор, но это если требований к фазе выходного клока нет.

  2. #1342

    Регистрация
    13.12.2007
    Адрес
    Архангельск
    Сообщений
    2,189
    Записей в дневнике
    1
    Спасибо Благодарностей отдано 
    3
    Спасибо Благодарностей получено 
    13
    Поблагодарили
    13 сообщений
    Mentioned
    1 Post(s)
    Tagged
    0 Thread(s)

    По умолчанию

    Цитата Сообщение от Vslav Посмотреть сообщение
    Человеку надо N * 2.042МГц, где N от 0 до 31. Простым делителем такое не получишь. Можно попробовать фазовый аккумулятор, но это если требований к фазе выходного клока нет.
    мдя, а частота взята с потолка, интересно? девайс заметит эти .042?
    уж больно оно похоже стандартный 32,768
    Ты слыхал как грузится Flyshark ?! нет, совсем не тот, что на дискете...а Flyshark, тот самый блин Flyshark...тот ,что был когда то на кассете...
    zx spectrum 48 issuse 6a, Ленинград-1, zx spectum 128 +2 grey,Пентагон-128, ZXM-Phoenix 5.02 ( assembly)

  3. #1343

    Регистрация
    25.11.2015
    Адрес
    г. Москва
    Сообщений
    192
    Спасибо Благодарностей отдано 
    12
    Спасибо Благодарностей получено 
    16
    Поблагодарили
    14 сообщений
    Mentioned
    2 Post(s)
    Tagged
    0 Thread(s)

    По умолчанию Посоветуйте микросхему!

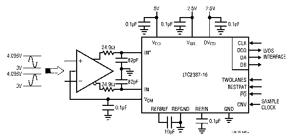
    Существует АЦП LTC2387-16 который выглядят примерно так:

    По сигналу CNV данный АЦП может выполнять оцифровку с частотой до 15Ms/s, и затем последовательно отдавать данные по линиям DA и DB по каждому фронту(+ и -) на линии CLK(до 400МГц, DCO это CLK вернувшийся от АЦП). Диаграмма обмена данными выглядит так(линия DВ не показана):

    Хочется подключить такой АЦП к STM746, но единственный интерфейс который может принимать данные на таких скоростях это QuadSPI. Правда с ним есть некоторые неудобства в плане того, что приём данных он может вести только непрерывно, а АЦП требует чтобы передача данных занимала не более 50 нс из 67(отводимых на оцифровку при 15Ms/s). Поэтому придётся вместо 16 бит принимать несколько больше, а затем вытаскивать нужные. Но это дополнительные вычисления, кроме того невозможно одновременно получить максимальную скорость оцифровки и ядра STM.

    Производитель предлагает демонстрационную плату, где кроме АЦП установлен еще EP3C5E144, который последовательно принимает данные, а отдаёт их параллельно, и для него существует такая прошивка: http://www.linear.com/docs/52927 Прошивка страдает универсальностью в плане того, что позволяет работать еще с 18 разрядным АЦП, и может принимать данные как по 2м линиям, так и по 1й.
    В плис я ничего не понимаю, но циклон здесь явно избыточен, поэтому прошу посоветовать микросхему, не сильно замороченную в изучении и программировании, которую с одной стороны можно подключить через LVDS к АЦП (питается от 2.5В), а с другой стороны через 16 параллельных линий+синхронизация к микроконтроллеру (питается от 3.3В).

    Нажмите на изображение для увеличения. 

Название:	ltc_2387.gif 
Просмотров:	2291 
Размер:	5.1 Кб 
ID:	63175Нажмите на изображение для увеличения. 

Название:	xchg2387.gif 
Просмотров:	2341 
Размер:	5.4 Кб 
ID:	63176

  4. #1344

    Регистрация
    13.12.2007
    Адрес
    Архангельск
    Сообщений
    2,189
    Записей в дневнике
    1
    Спасибо Благодарностей отдано 
    3
    Спасибо Благодарностей получено 
    13
    Поблагодарили
    13 сообщений
    Mentioned
    1 Post(s)
    Tagged
    0 Thread(s)

    По умолчанию

    мдяя, простое решение, че тут спорить.
    Ты слыхал как грузится Flyshark ?! нет, совсем не тот, что на дискете...а Flyshark, тот самый блин Flyshark...тот ,что был когда то на кассете...
    zx spectrum 48 issuse 6a, Ленинград-1, zx spectum 128 +2 grey,Пентагон-128, ZXM-Phoenix 5.02 ( assembly)

  5. #1345

    Регистрация
    20.06.2014
    Адрес
    г. Орск, Оренбургская обл.
    Сообщений
    814
    Спасибо Благодарностей отдано 
    34
    Спасибо Благодарностей получено 
    80
    Поблагодарили
    60 сообщений
    Mentioned
    0 Post(s)
    Tagged
    0 Thread(s)

    По умолчанию

    Цитата Сообщение от Vslav Посмотреть сообщение
    Гуглить по словам Altera PLL Reconfig.
    Спасибо! Буду "курить" эту тему.

    Цитата Сообщение от Totem Посмотреть сообщение
    мдя, а частота взята с потолка, интересно? девайс заметит эти .042?
    2.042МГц - это удвоенная частота стандартной тактовой проца АГАТа (обрабатывать нужно оба фронта тактовой 1.021МГц). Увеличенная в N раз частота нужна для того, чтобы максимально разогнать АГАТ+ в зависимости от экземпляров проца (2мкм, 800нм, 600нм) и двухпортовки (15нс, 20нс, 25нс).
    Последний раз редактировалось LeoN65816; 03.12.2017 в 17:44.
    Турбо АГАТ-9/16 (ЦП 65C802, 5 Махов, dual-port SRAM).

  6. #1346

    Регистрация
    13.12.2007
    Адрес
    Архангельск
    Сообщений
    2,189
    Записей в дневнике
    1
    Спасибо Благодарностей отдано 
    3
    Спасибо Благодарностей получено 
    13
    Поблагодарили
    13 сообщений
    Mentioned
    1 Post(s)
    Tagged
    0 Thread(s)

    По умолчанию

    Цитата Сообщение от LeoN65816 Посмотреть сообщение
    Спасибо! Буду "курить" эту тему.


    2.042МГц - это удвоенная частота стандартной тактовой проца АГАТа (обрабатывать нужно оба фронта тактовой 1.021МГц). Увеличенная в N раз частота нужна для того, чтобы максимально разогнать АГАТ+ в зависимости от экземпляров проца (2мкм, 800нм, 600нм) и двухпортовки (15нс, 20нс, 25нс).
    а можно увидеть на "осоциле" искомую частоту? например летом, когда "внутрях" корпуса разогреется до + 35?
    Ты слыхал как грузится Flyshark ?! нет, совсем не тот, что на дискете...а Flyshark, тот самый блин Flyshark...тот ,что был когда то на кассете...
    zx spectrum 48 issuse 6a, Ленинград-1, zx spectum 128 +2 grey,Пентагон-128, ZXM-Phoenix 5.02 ( assembly)

  7. #1347

    Регистрация
    20.06.2014
    Адрес
    г. Орск, Оренбургская обл.
    Сообщений
    814
    Спасибо Благодарностей отдано 
    34
    Спасибо Благодарностей получено 
    80
    Поблагодарили
    60 сообщений
    Mentioned
    0 Post(s)
    Tagged
    0 Thread(s)

    По умолчанию

    Цитата Сообщение от Totem Посмотреть сообщение
    а можно увидеть на "осоциле" искомую частоту?
    1.021МГц? Здесь.
    Турбо АГАТ-9/16 (ЦП 65C802, 5 Махов, dual-port SRAM).

  8. #1348

    Регистрация
    13.12.2007
    Адрес
    Архангельск
    Сообщений
    2,189
    Записей в дневнике
    1
    Спасибо Благодарностей отдано 
    3
    Спасибо Благодарностей получено 
    13
    Поблагодарили
    13 сообщений
    Mentioned
    1 Post(s)
    Tagged
    0 Thread(s)

    По умолчанию

    Цитата Сообщение от LeoN65816 Посмотреть сообщение
    1.021МГц? Здесь.
    а что изменится, если частота будет 2,048?
    Ты слыхал как грузится Flyshark ?! нет, совсем не тот, что на дискете...а Flyshark, тот самый блин Flyshark...тот ,что был когда то на кассете...
    zx spectrum 48 issuse 6a, Ленинград-1, zx spectum 128 +2 grey,Пентагон-128, ZXM-Phoenix 5.02 ( assembly)

  9. #1349

    Регистрация
    20.06.2014
    Адрес
    г. Орск, Оренбургская обл.
    Сообщений
    814
    Спасибо Благодарностей отдано 
    34
    Спасибо Благодарностей получено 
    80
    Поблагодарили
    60 сообщений
    Mentioned
    0 Post(s)
    Tagged
    0 Thread(s)

    По умолчанию

    Почти что и ничего... А что это даст?
    Турбо АГАТ-9/16 (ЦП 65C802, 5 Махов, dual-port SRAM).

  10. #1350

    Регистрация
    24.05.2005
    Адрес
    г. Запорожье, Украина
    Сообщений
    992
    Спасибо Благодарностей отдано 
    571
    Спасибо Благодарностей получено 
    365
    Поблагодарили
    239 сообщений
    Mentioned
    2 Post(s)
    Tagged
    0 Thread(s)

    По умолчанию

    Цитата Сообщение от blackmirror Посмотреть сообщение
    В плис я ничего не понимаю, но циклон здесь явно избыточен, поэтому прошу посоветовать микросхему, не сильно замороченную в изучении и программировании, которую с одной стороны можно подключить через LVDS к АЦП (питается от 2.5В), а с другой стороны через 16 параллельных линий+синхронизация к микроконтроллеру (питается от 3.3В).
    Может дешевле будет взять АЦП сразу с параллельным выходом ?

Страница 135 из 191 ПерваяПервая ... 131132133134135136137138139 ... ПоследняяПоследняя

Информация о теме

Пользователи, просматривающие эту тему

Эту тему просматривают: 3 (пользователей: 0 , гостей: 3)

Похожие темы

  1. ДВК (и всё, что с ними связано)
    от Grand в разделе ДВК, УКНЦ
    Ответов: 4575
    Последнее: 17.11.2025, 11:38
  2. PAL/GAL и все что с ними связано.
    от Mick в разделе Клоны на ПЛИС, МК и БМК
    Ответов: 489
    Последнее: 19.09.2025, 18:39
  3. SMUC на дискретах и ПЛИС
    от spensor в разделе Scorpion
    Ответов: 846
    Последнее: 02.05.2025, 08:36
  4. Ответов: 1215
    Последнее: 10.02.2025, 19:04
  5. Вопрос по ПЛИС
    от Zloy в разделе Несортированное железо
    Ответов: 23
    Последнее: 17.10.2015, 17:12

Ваши права

  • Вы не можете создавать новые темы
  • Вы не можете отвечать в темах
  • Вы не можете прикреплять вложения
  • Вы не можете редактировать свои сообщения
  •