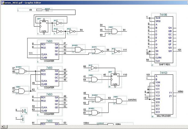
а ктонить всё таки пробовал именно рисовать схемы? в квартусе я так и не понял как рисовать линии между элементами...т.е. типа дорожки. вставил я какой-то элемент и нужно проделать дорогу от него к другому (с однойноги на другую)...сматрю, а в квартусе штук 5 линий...какие для чего не понял...


Ответить с цитированием
Размещение рекламы на форуме способствует его дальнейшему развитию 

